Скачать Серия 1.138-10 Выпуск 4. Перемычки брусковые. Дополнительные изделия. Рабочие чертежиДата актуализации: 01.01.2021
|
| Обозначение: | Серия 1.138-10 |
| Обозначение англ: | Series 1.138-10 |
| Статус: | не действует |
| Название рус.: | Выпуск 4. Перемычки брусковые. Дополнительные изделия. Рабочие чертежи |
| Дата добавления в базу: | 01.09.2013 |
| Дата актуализации: | 01.01.2021 |
| Дата введения: | 01.10.1981 |
| Дата окончания срока действия: | 30.01.1986 |
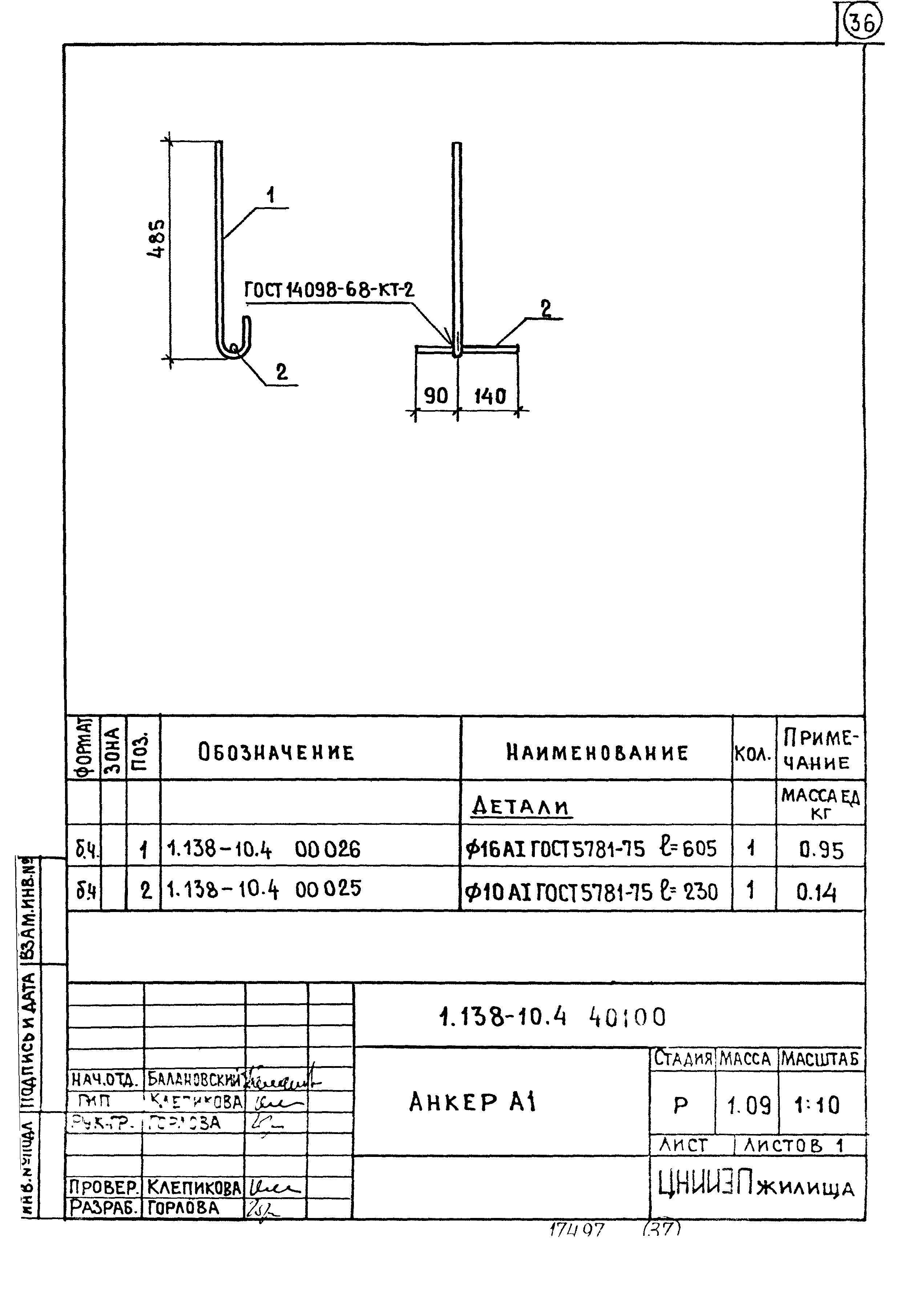
| Оглавление: | 1.138.10.4 00 000 ТО Техническое описание 1.138.10.4 00 000 ТБ1 Номенклатура изделий 1.138.10.4 00 000 ТБ2 Выборка стали 1.138.10.4 00 00 ВД Ведомость ссылочных документов 1.138.10.4 10 000 Перемычка (1ПР1-15.12.6; 1ПР8-29.12.22у) 1.138.10.4 10 000 СБ Перемычка (1ПР1-15.12.6; 1ПР8-29.12.22у) Сборочный чертеж 1.138.10.4 20 000 Перемычка усиленная (1ПР28-31.25.22у; 1ПР20-33.25.22у; 1ПР20-36.25.22у) 1.138.10.4 20 000 СБ Перемычка усиленная (1ПР28-31.25.22у; 1ПР20-33.25.22у; 1ПР20-36.25.22у) Сборочный чертеж 1.138.10.4 30 000 Перемычка (1ПР8-44.12.29; 1ПР8-48.12.29; 1ПР8-59.12.29) 1.138.10.4 30 000 СБ Перемычка (1ПР8-44.12.29; 1ПР8-48.12.29; 1ПР8-59.12.29) Сборочный чертеж 1.138.10.4 40 000 Перемычка усиленная с анкерами (1ПР28-20.25.22у-а; ПР28-24.25.22у-а) 1.138.10.4 40 000 СБ Перемычка усиленная с анкерами (1ПР28-20.25.22у-а; ПР28-24.25.22у-а) Сборочный чертеж 1.138.10.4 50 000 Перемычка усиленная с анкерами (1ПР28-27.25.22у-а; 1ПР28-29.25.22у-а) 1.138.10.4 50 000 СБ Перемычка усиленная с анкерами (1ПР28-27.25.22у-а; 1ПР28-29.25.22у-а)Сборочный чертеж 1.138.10.4 10 100 Каркас (КР1ПР1-15.12.6; КР1ПР8-29.12.22у) 1.138.10.4 10 100 СБ Каркас (КР1ПР1-15.12.6; КР1ПР8-29.12.22у) Сборочный чертеж 1.138.10.4 21 000 Блок арматурный (АБ1ПР28-31.25.22у; АБ1ПР20-33.25.22у; АБ1ПР20-36.25.22у) 1.138.10.4 21 000 СБ Блок арматурный (АБ1ПР28-31.25.22у; АБ1ПР20-33.25.22у; АБ1ПР20-36.25.22у) Сборочный чертеж 1.138.10.4 30 100 Каркас (КР1ПР8-44.12.29; КР1ПР8-48.12.29; КР1ПР8-59.12.29) 1.138.10.4 30100 СБ Каркас (КР1ПР8-44.12.29; КР1ПР8-48.12.29; КР1ПР8-59.12.29) Сборочный чертеж 1.138.10.4 21100 Каркас (КР1 - КР6) 1.138.10.4 21100 СБ Каркас (КР1 - КР6) Сборочный чертеж 1.138.10.4 40100 Анкер А1 |
| Разработан: | ЦНИИСК им. В.А. Кучеренко ЦНИИЭП жилища |
| Утверждён: | 20.08.1981 Государственный комитет по гражданскому строительству и архитектуре при Госстрое СССР (254) |
| Заменяет собой: |



































