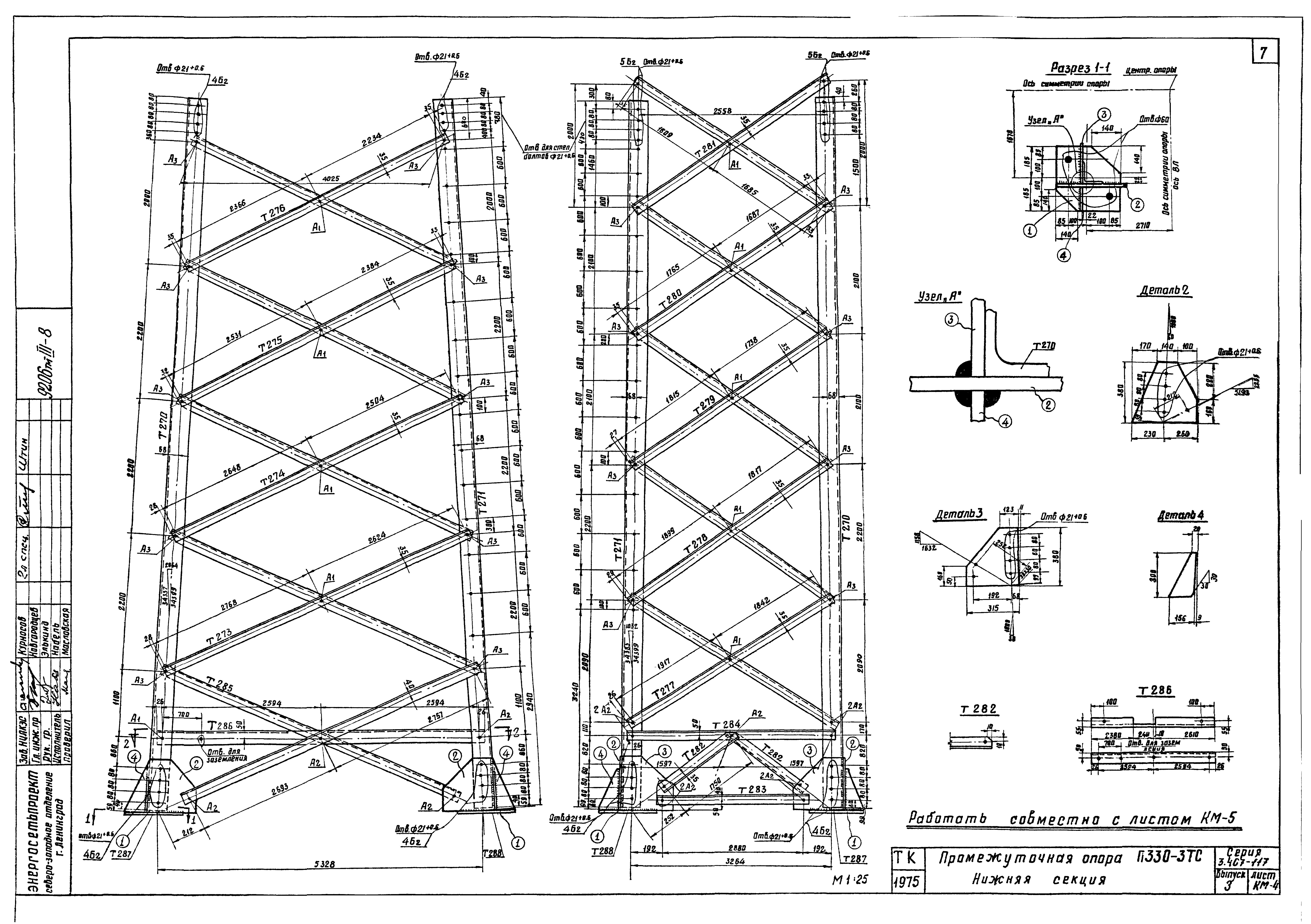
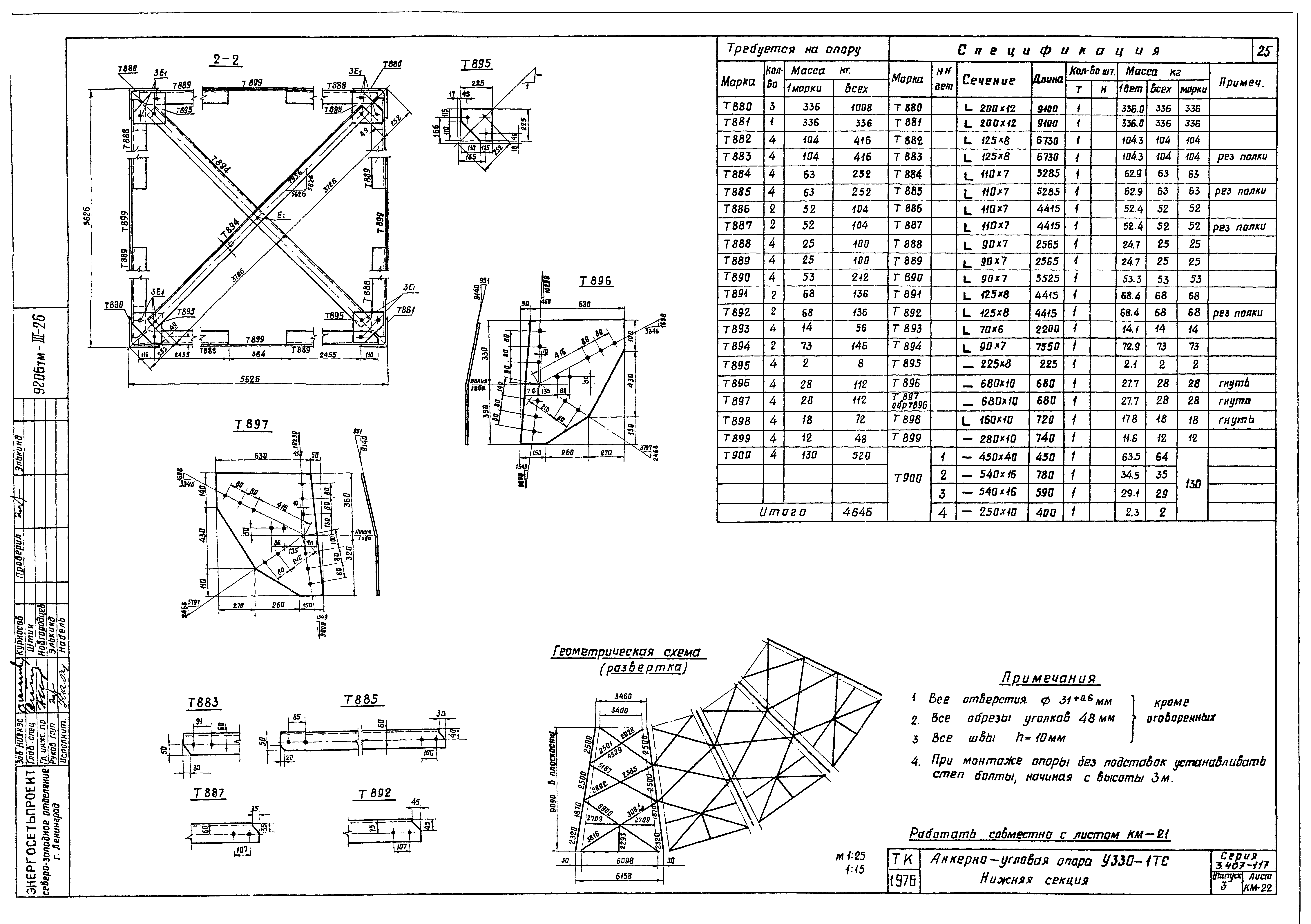
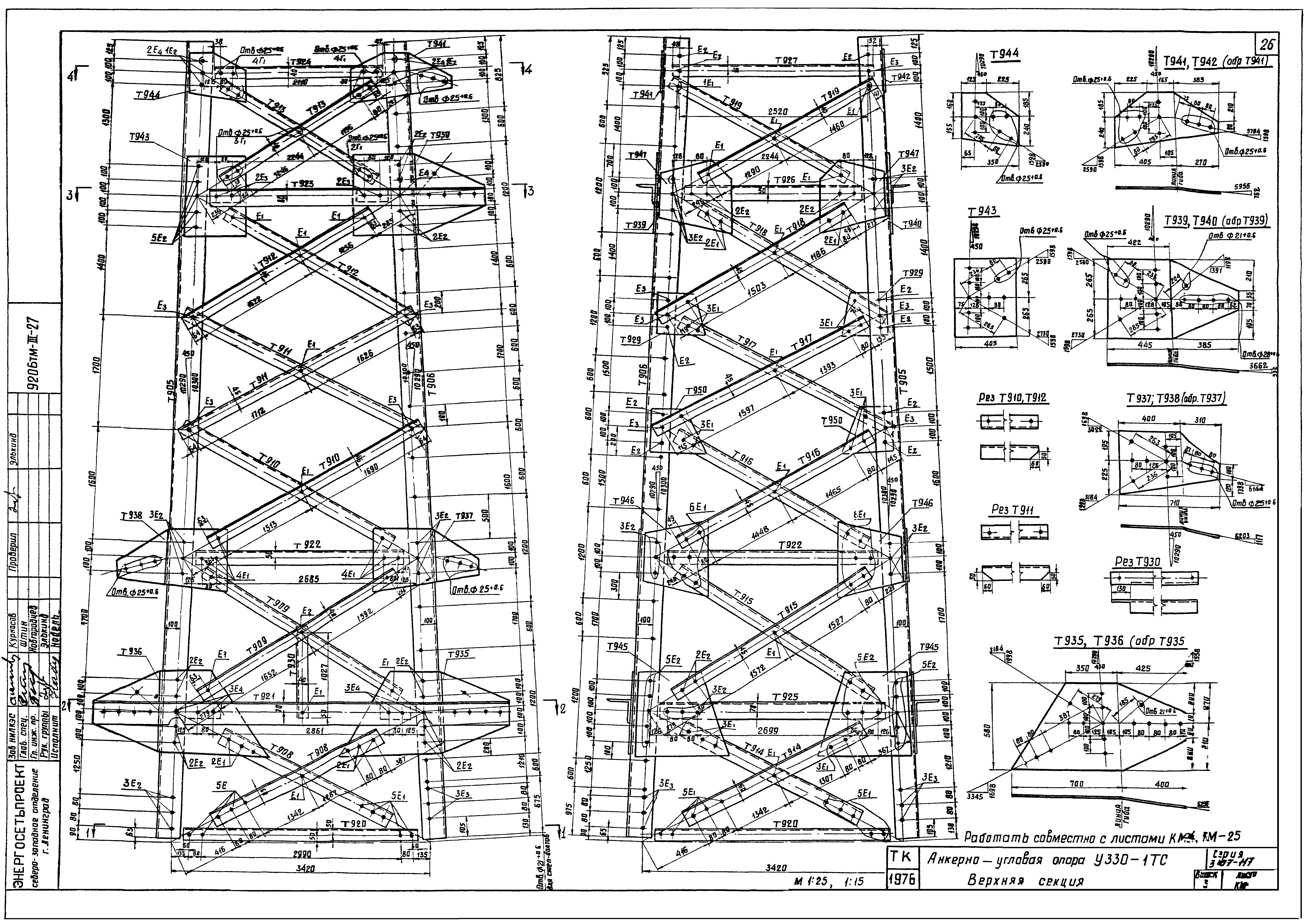
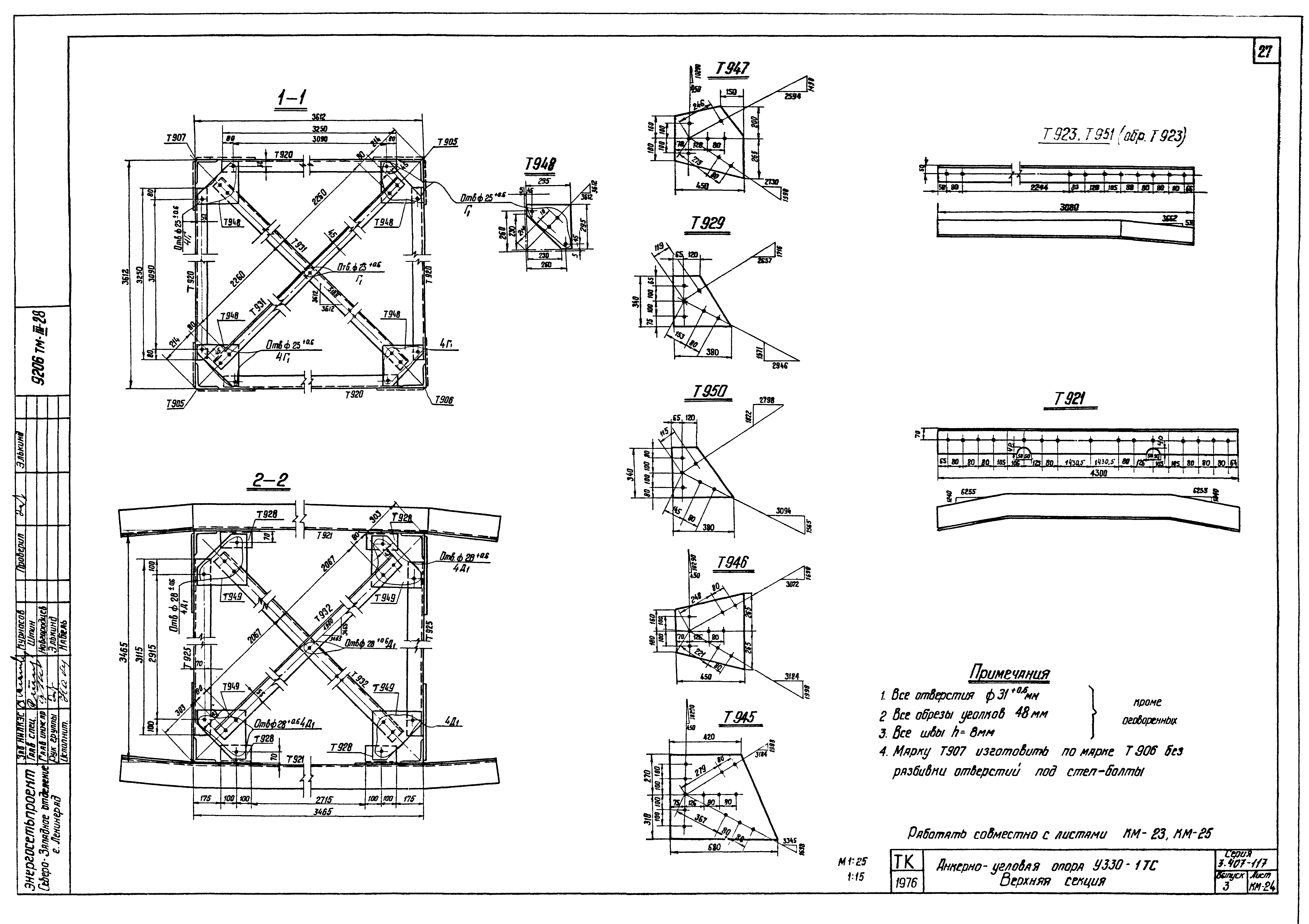
Скачать Серия 3.407-117 Выпуск 3. Рабочие чертежи опор ВЛ 330 кВДата актуализации: 01.01.2021
|
| Обозначение: | Серия 3.407-117 |
| Обозначение англ: | Series 3.407-117 |
| Статус: | действует |
| Название рус.: | Выпуск 3. Рабочие чертежи опор ВЛ 330 кВ |
| Дата добавления в базу: | 01.09.2013 |
| Дата актуализации: | 01.01.2021 |
| Дата введения: | 01.01.1978 |
| Разработан: | Севзапэнергосетьпроект |
| Утверждён: | 22.06.1976 Минэнерго СССР (USSR Minenergo 128) |
























































