Скачать Серия 5.407-83 Выпуск 2. Чертежи изделийДата актуализации: 01.01.2021
|
| Обозначение: | Серия 5.407-83 |
| Обозначение англ: | Series 5.407-83 |
| Статус: | не определен законодательством |
| Название рус.: | Выпуск 2. Чертежи изделий |
| Дата добавления в базу: | 01.09.2013 |
| Дата актуализации: | 01.01.2021 |
| Дата введения: | 01.01.1988 |
| Дата окончания срока действия: | 30.06.2003 |
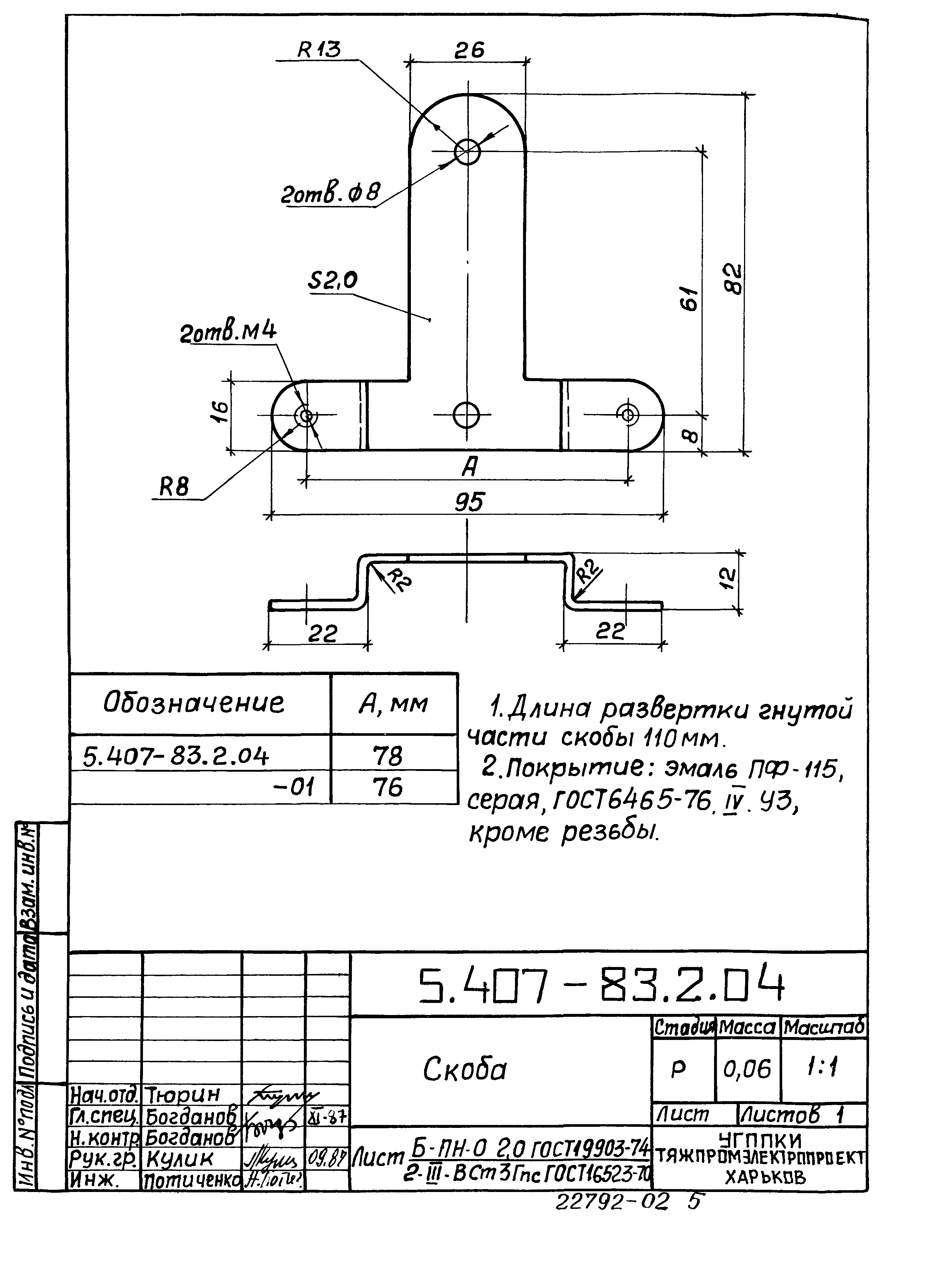
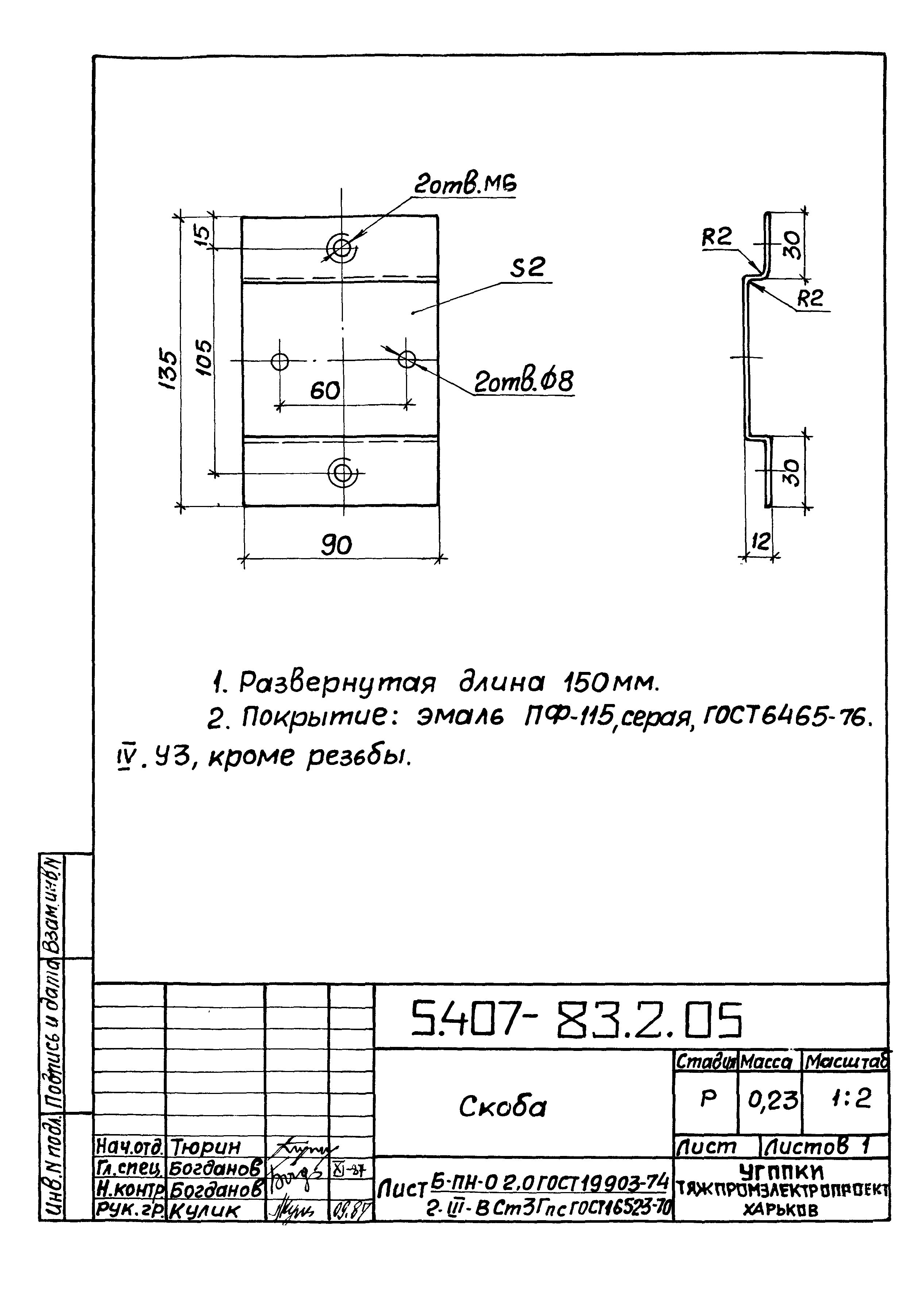
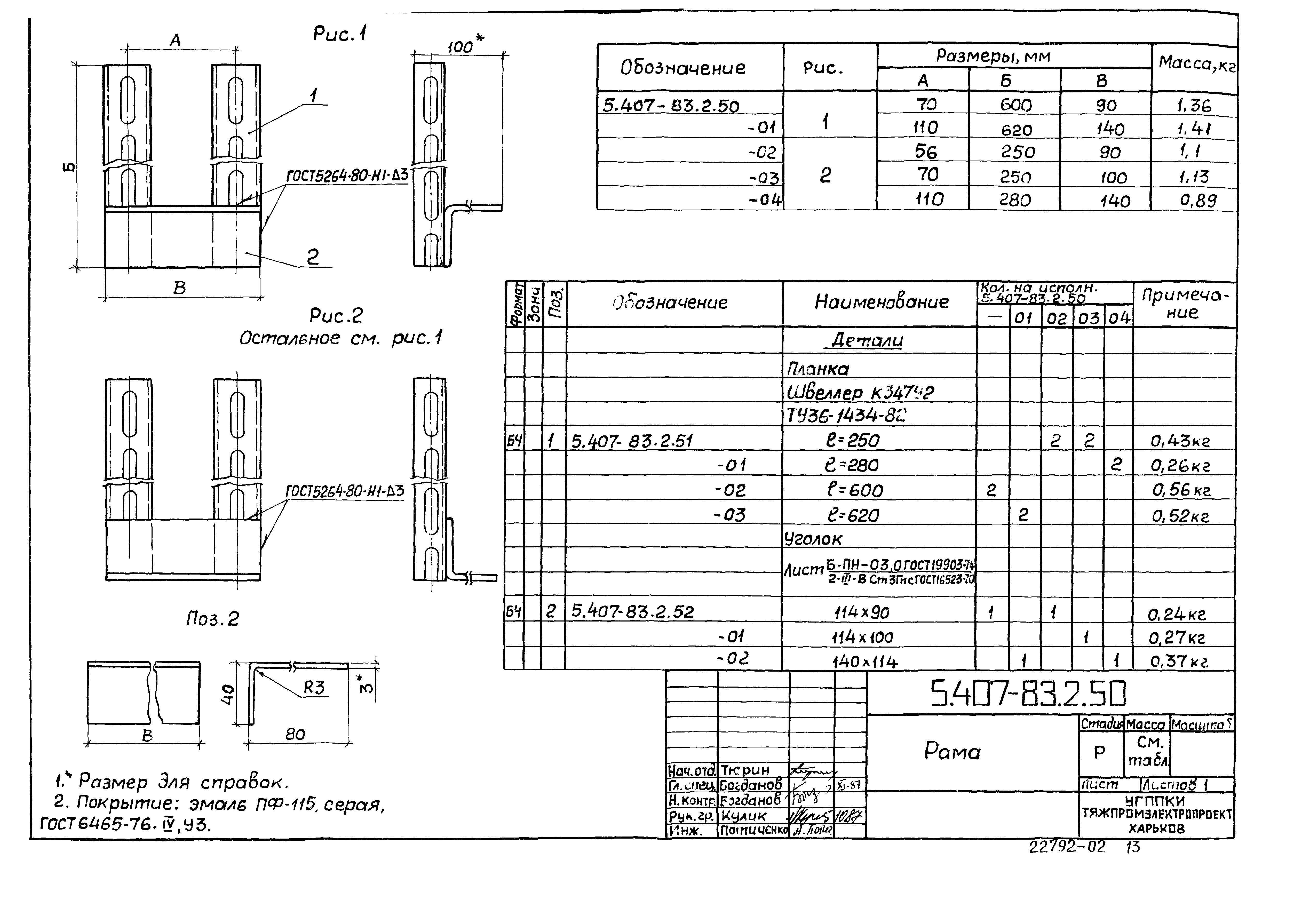
| Оглавление: | 5.407-83.2.01 Основание 5.407-83.2.02 Коробка 5.407-83.2.03 Скоба 5.407-83.2.04 Скоба 5.407-83.2.05 Скоба 5.407-83.2.06 Короб 5.407-83.2.07 Планка 5.407-83.2.08 Основание 5.407-83.2.10 Коробка с выключателем 5.407-83.2.20 Коробка 5.407-83.2.11 Прокладка 5.407-83.2.21 Скоба 5.407-83.2.30 Коробка с выключателем 5.407-83.2.40 Коробка 5.407-83.2.50 Рама 5.407-83.2.60 Коробка 5.407-83.2.80 Коробка с розеткой 5.407-83.2.90 Коробка с розеткой 5.407-83.2.100 Коробка 5.407-83.2.110 Коробка с розеткой |
| Разработан: | УГППКИ Тяжпромэлектропроект |
| Утверждён: | 30.11.1987 Минмонтажспецстрой СССР (USSR Minmontazhspetsstroy ) |
| Издан: | ЦИТП Госстроя СССР (CITP, Gosstroy (USSR) 1988 г. ) |























