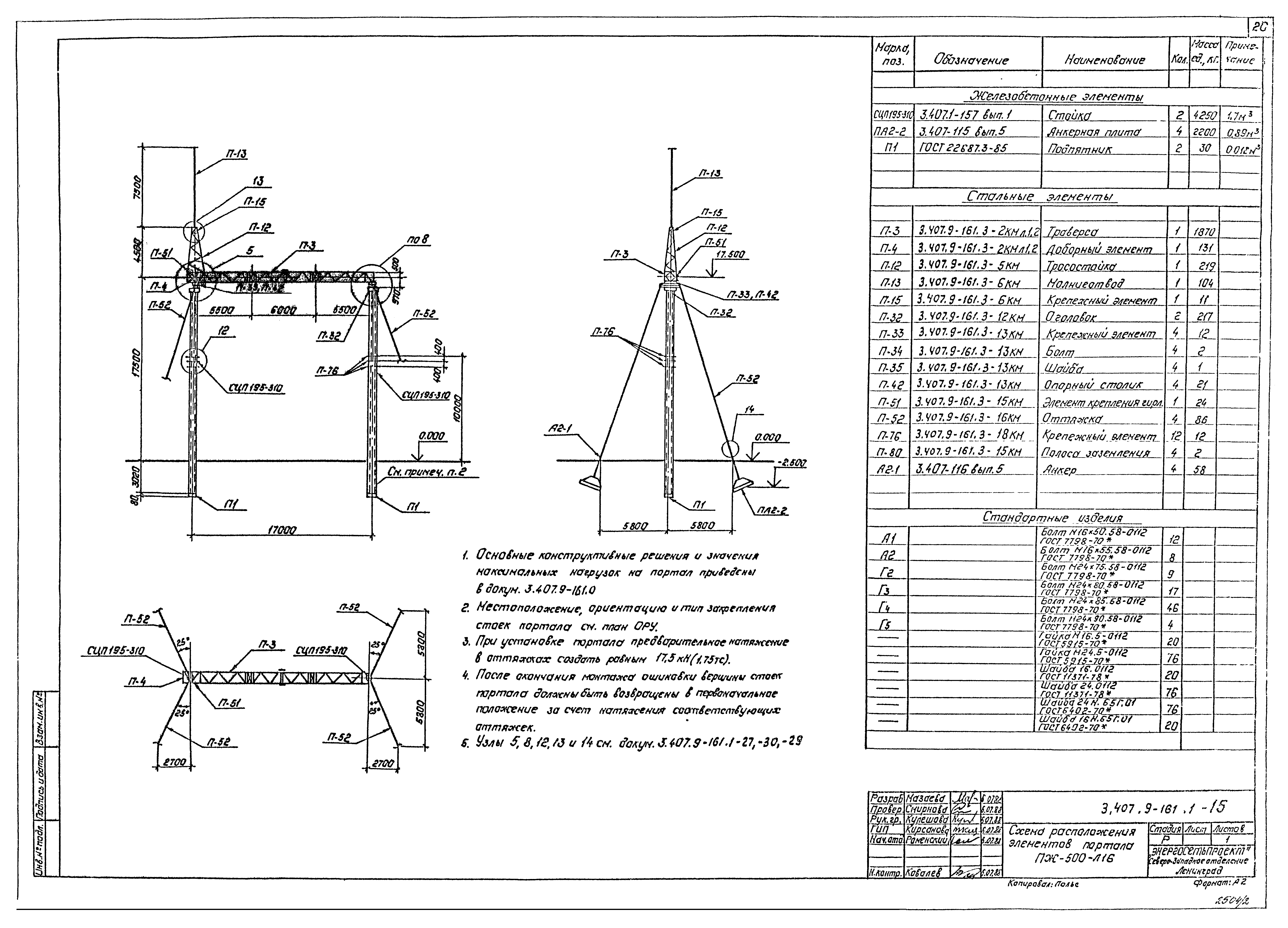
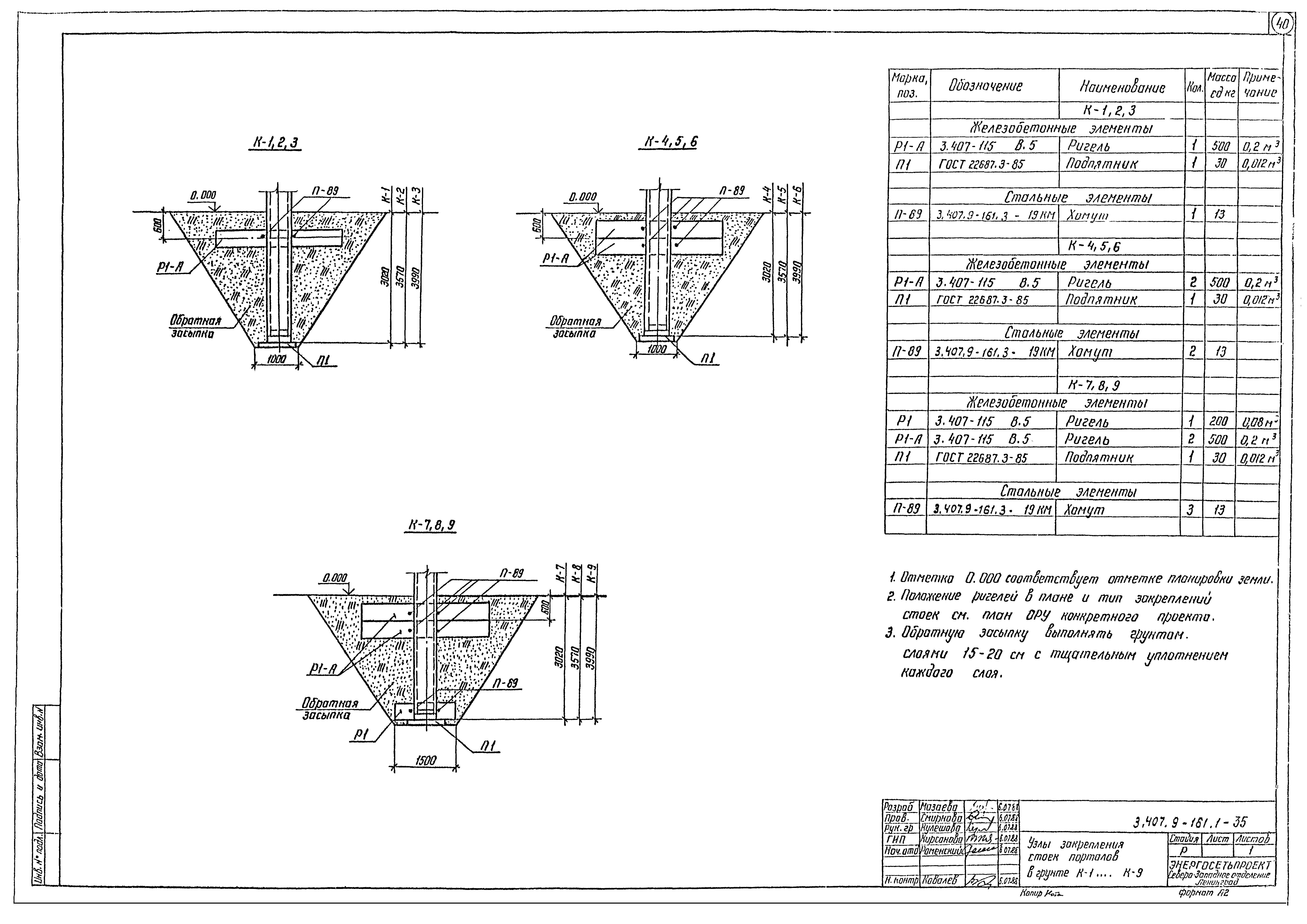
Скачать Серия 3.407.9-161 Выпуск 1. Железобетонные порталы ошиновки. Рабочие чертежиДата актуализации: 01.01.2021 Серия 3.407.9-161
Выпуск 1. Железобетонные порталы ошиновки. Рабочие чертежи| Обозначение: | Серия 3.407.9-161 | | Обозначение англ: | Series 3.407.9-161 | | Статус: | действует | | Название рус.: | Выпуск 1. Железобетонные порталы ошиновки. Рабочие чертежи | | Дата добавления в базу: | 01.09.2013 | | Дата актуализации: | 01.01.2021 | | Дата введения: | 11.07.1988 | | Разработан: | Севзапэнергосетьпроект
| | Утверждён: | 11.07.1988 Минэнерго СССР (USSR Minenergo 10)
| | Издан: | ЦИТП Госстроя СССР (CITP, Gosstroy (USSR) 1988 г. )
| | Заменяет собой: | |
                                       
|