Скачать Серия 3.407.9-161 Выпуск 2. Стальные порталы ошиновки. Рабочие чертежиДата актуализации: 01.01.2021
|
| Обозначение: | Серия 3.407.9-161 |
| Обозначение англ: | Series 3.407.9-161 |
| Статус: | действует |
| Название рус.: | Выпуск 2. Стальные порталы ошиновки. Рабочие чертежи |
| Дата добавления в базу: | 01.09.2013 |
| Дата актуализации: | 01.01.2021 |
| Дата введения: | 11.07.1988 |
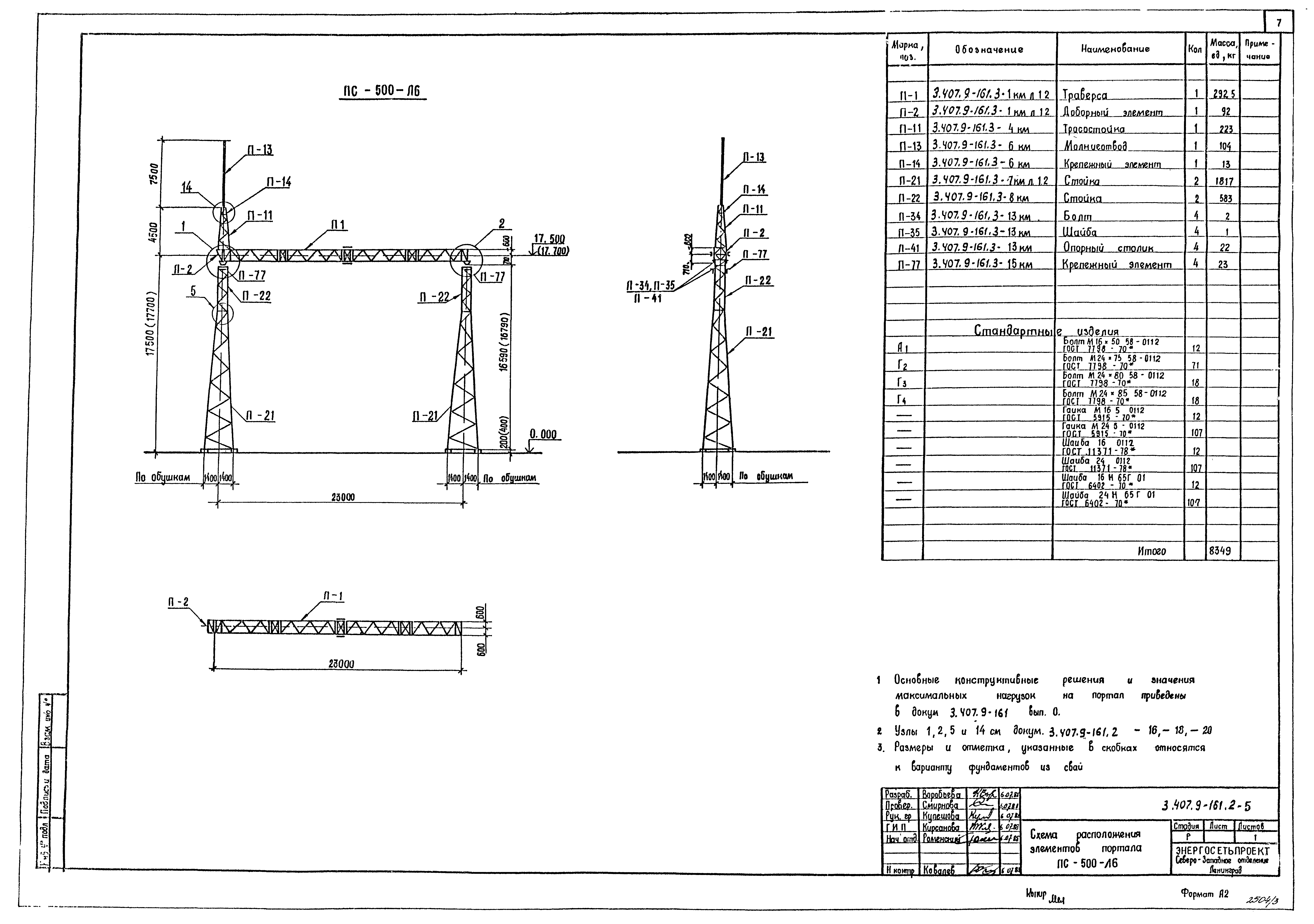
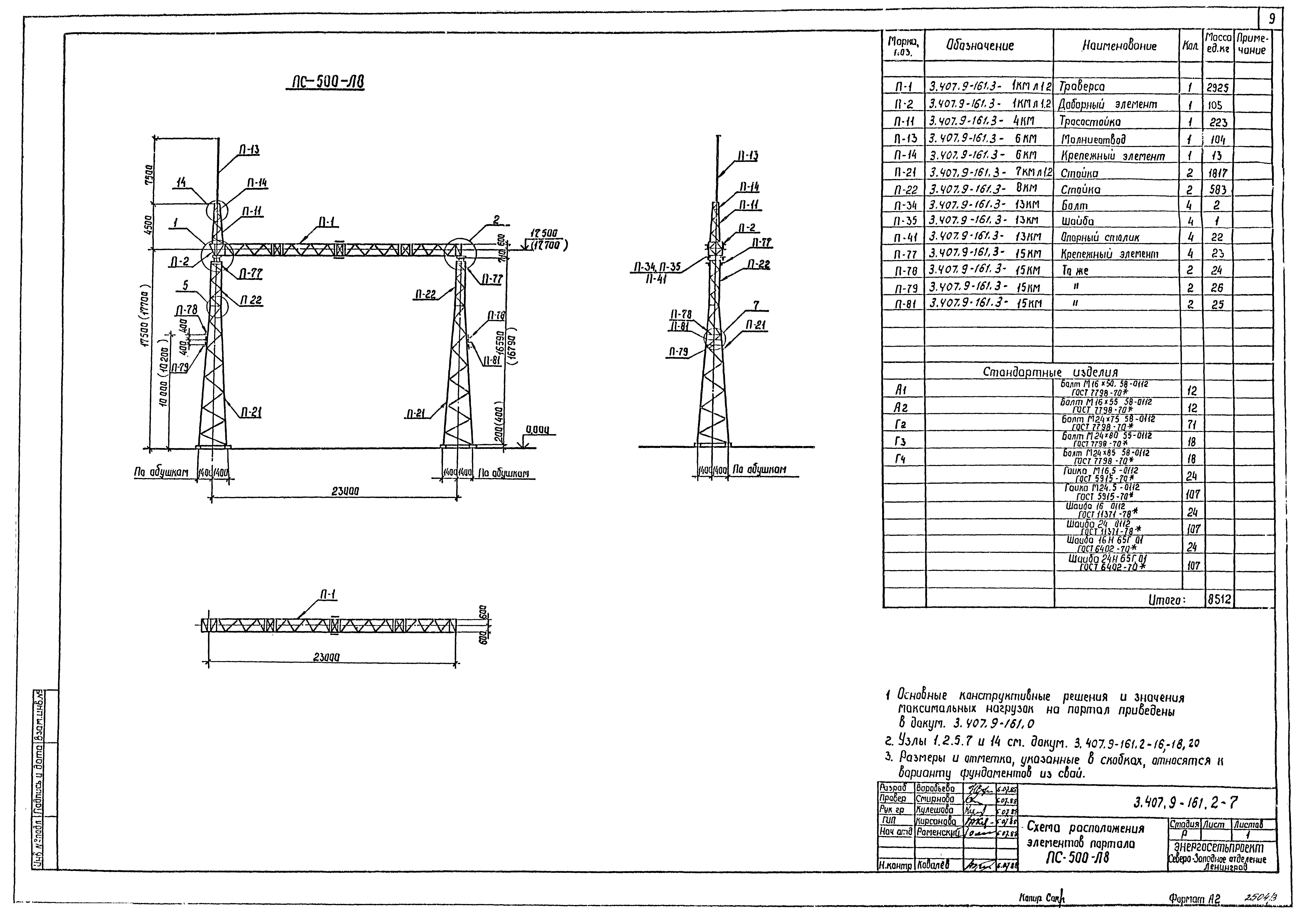
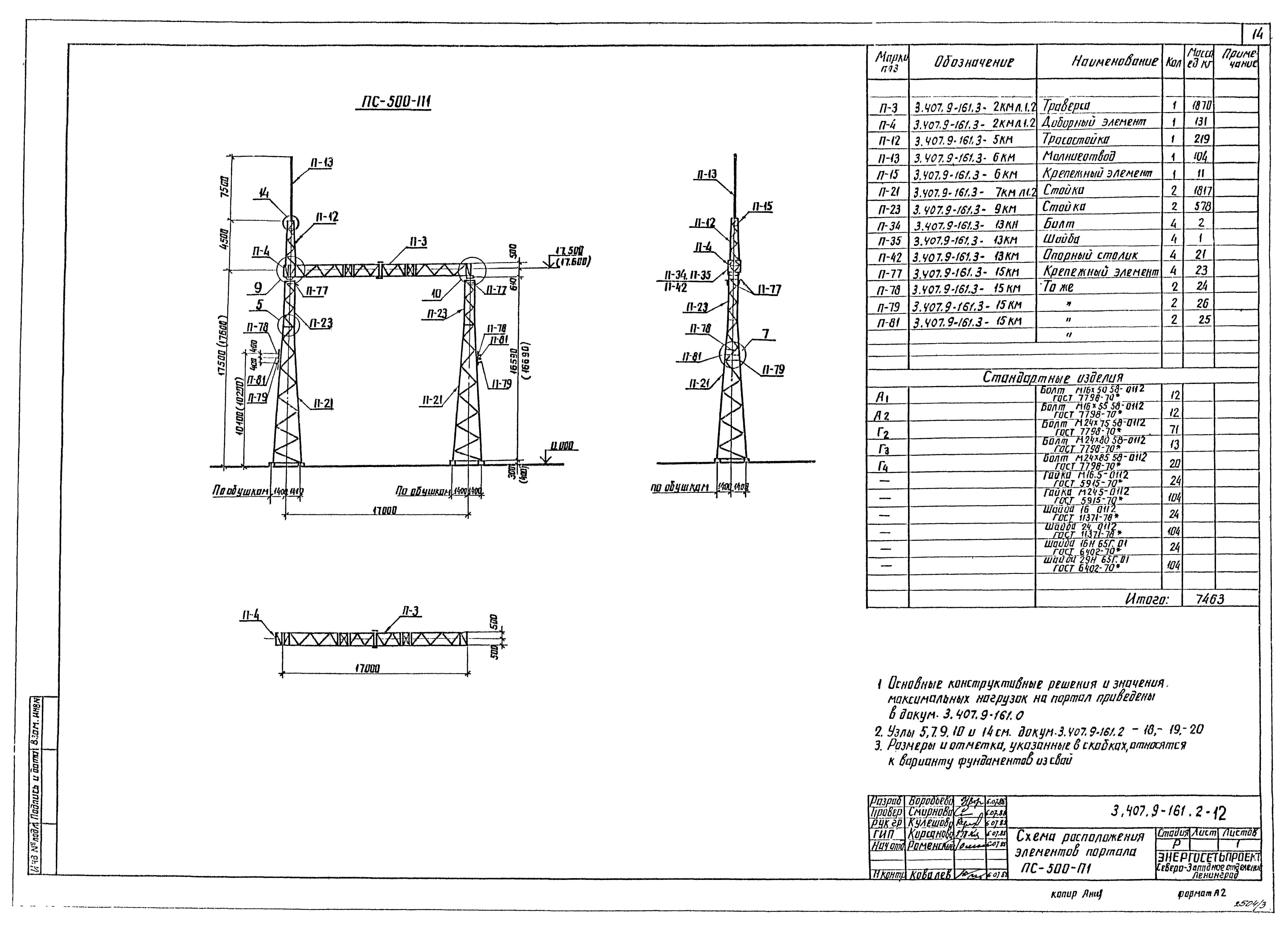
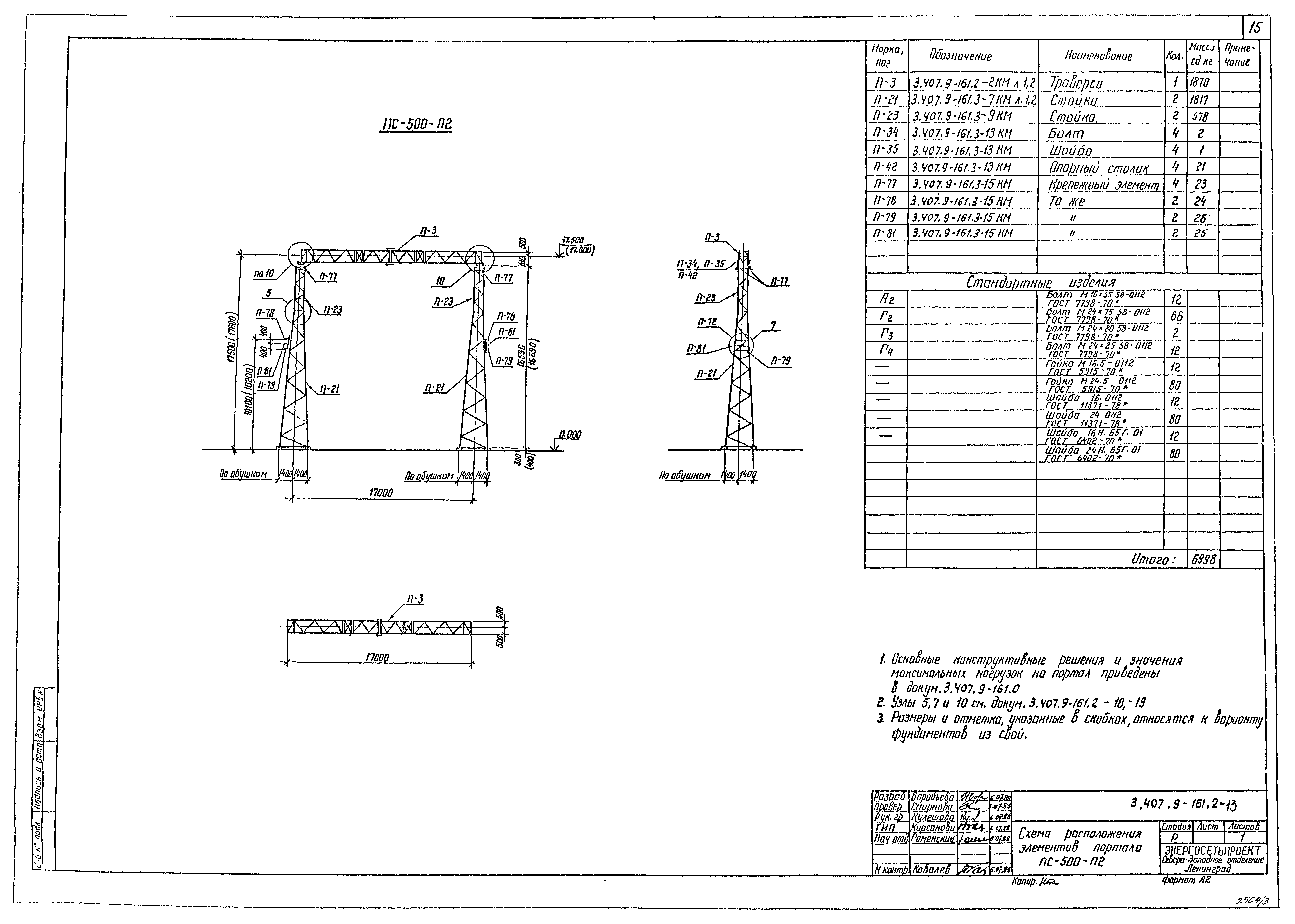
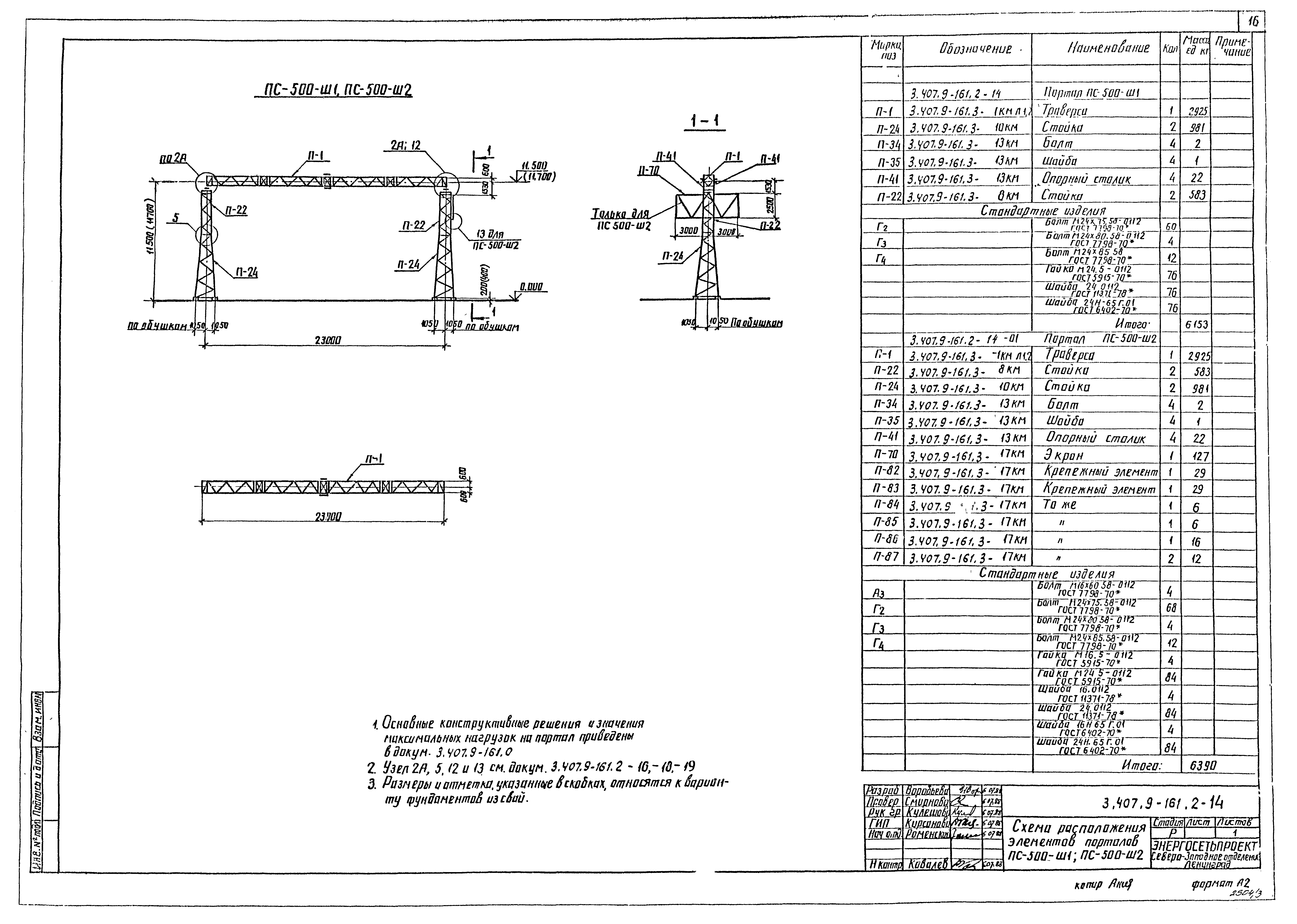
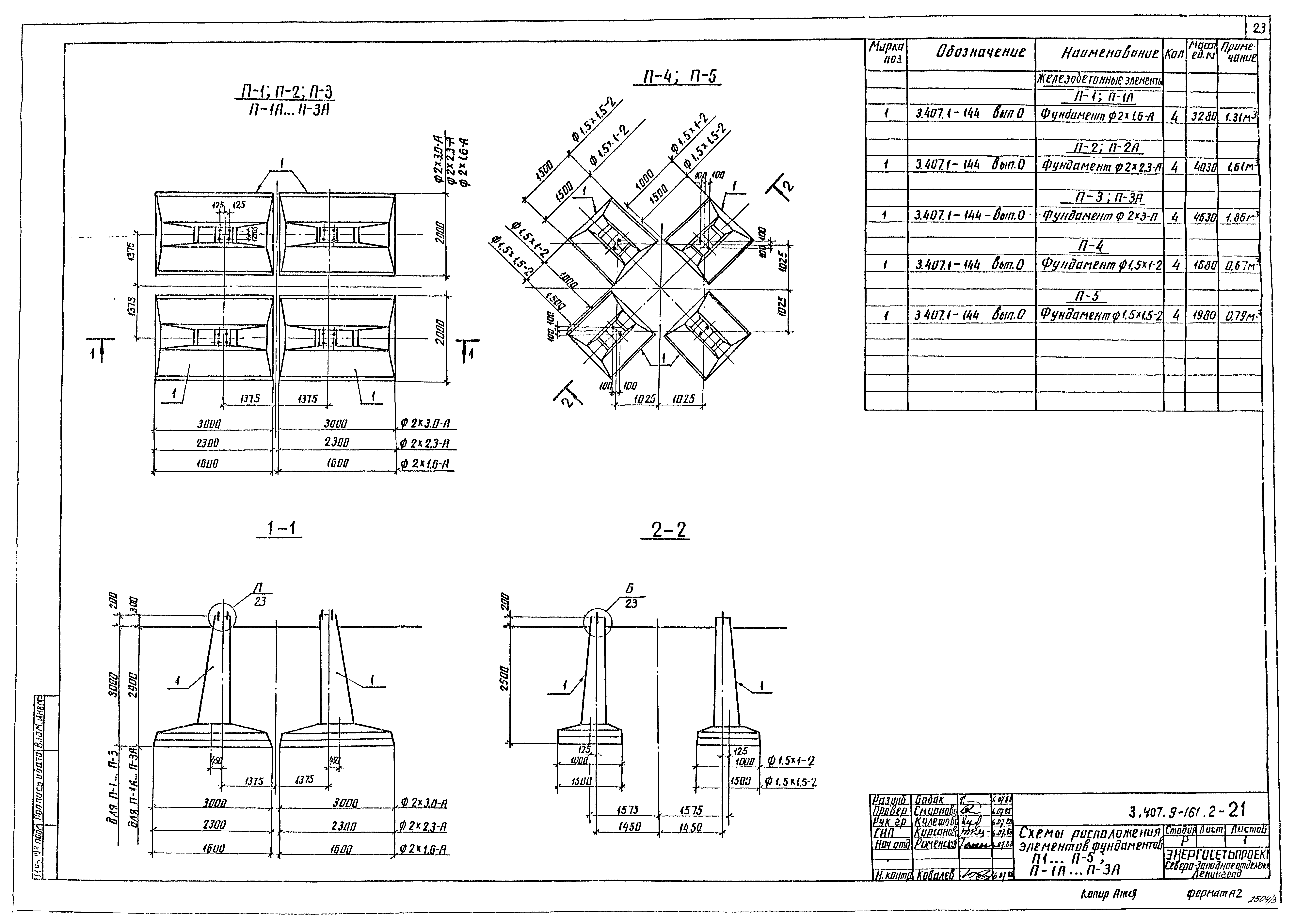
| Оглавление: | 3.407.9-161.2-ТО Техническое описание 3.407.9-161.2-1 Схема расположения элементов порталов ПС-500-Л1; ПС-500-Л2 3.407.9-161.2-2 Схема расположения элементов порталов ПС-500-Л3 3.407.9-161.2-3 Схема расположения элементов порталов ПС-500-Л4 3.407.9-161.2-4 Схема расположения элементов порталов ПС-500-Л5 3.407.9-161.2-5 Схема расположения элементов порталов ПС-500-Л6 3.407.9-161.2-6 Схема расположения элементов порталов ПС-500-Л7 3.407.9-161.2-7 Схема расположения элементов порталов ПС-500-Л8 3.407.9-161.2-8 Схема расположения элементов порталов ПС-500-Л9 3.407.9-161.2-9 Схема расположения элементов порталов ПС-500-Л10 3.407.9-161.2-10 Схема расположения элементов порталов ПС-500-Л11 3.407.9-161.2-11 Схема расположения элементов порталов ПС-500-Л12 3.407.9-161.2-12 Схема расположения элементов порталов ПС-500-П1 3.407.9-161.2-13 Схема расположения элементов порталов ПС-500-П2 3.407.9-161.2-14 Схема расположения элементов порталов ПС-500-Ш1, ПС-500-Ш2 3.407.9-161.2-15 Схема расположения одностоечных опор ОС-1; ОС-2 3.407.9-161.2-16 Узел (1, 2, 2А) 3.407.9-161.2-17 Узел (3, 4) 3.407.9-161.2-18 Узел (5 … 9, 11, 5А) 3.407.9-161.2-19 Узел (10, 12, 13) 3.407.9-161.2-20 Узел 14 3.407.9-161.2-21 Схема расположения элементов фундаментов П-1 … П-5; П-1А … П-3А 3.407.9-161.2-22 Схема расположения элементов фундаментов СВ-1 … СВ-8 3.407.9-161.2-23 Узлы крепления стоек фундаментам. Узел (А … Е) |
| Разработан: | Севзапэнергосетьпроект |
| Утверждён: | 11.07.1988 Минэнерго СССР (USSR Minenergo 10) |
| Издан: | ЦИТП Госстроя СССР (CITP, Gosstroy (USSR) 1988 г. ) |
| Заменяет собой: |

























