Скачать Серия 3.501.9-158 Выпуск 1. Площадка, оголовок, лестницы металлические. Технические условия и рабочие чертежиДата актуализации: 01.01.2021
|
| Обозначение: | Серия 3.501.9-158 |
| Обозначение англ: | Series 3.501.9-158 |
| Статус: | не определен законодательством |
| Название рус.: | Выпуск 1. Площадка, оголовок, лестницы металлические. Технические условия и рабочие чертежи |
| Дата добавления в базу: | 01.09.2013 |
| Дата актуализации: | 01.01.2021 |
| Дата введения: | 15.07.1989 |
| Дата окончания срока действия: | 30.06.2003 |
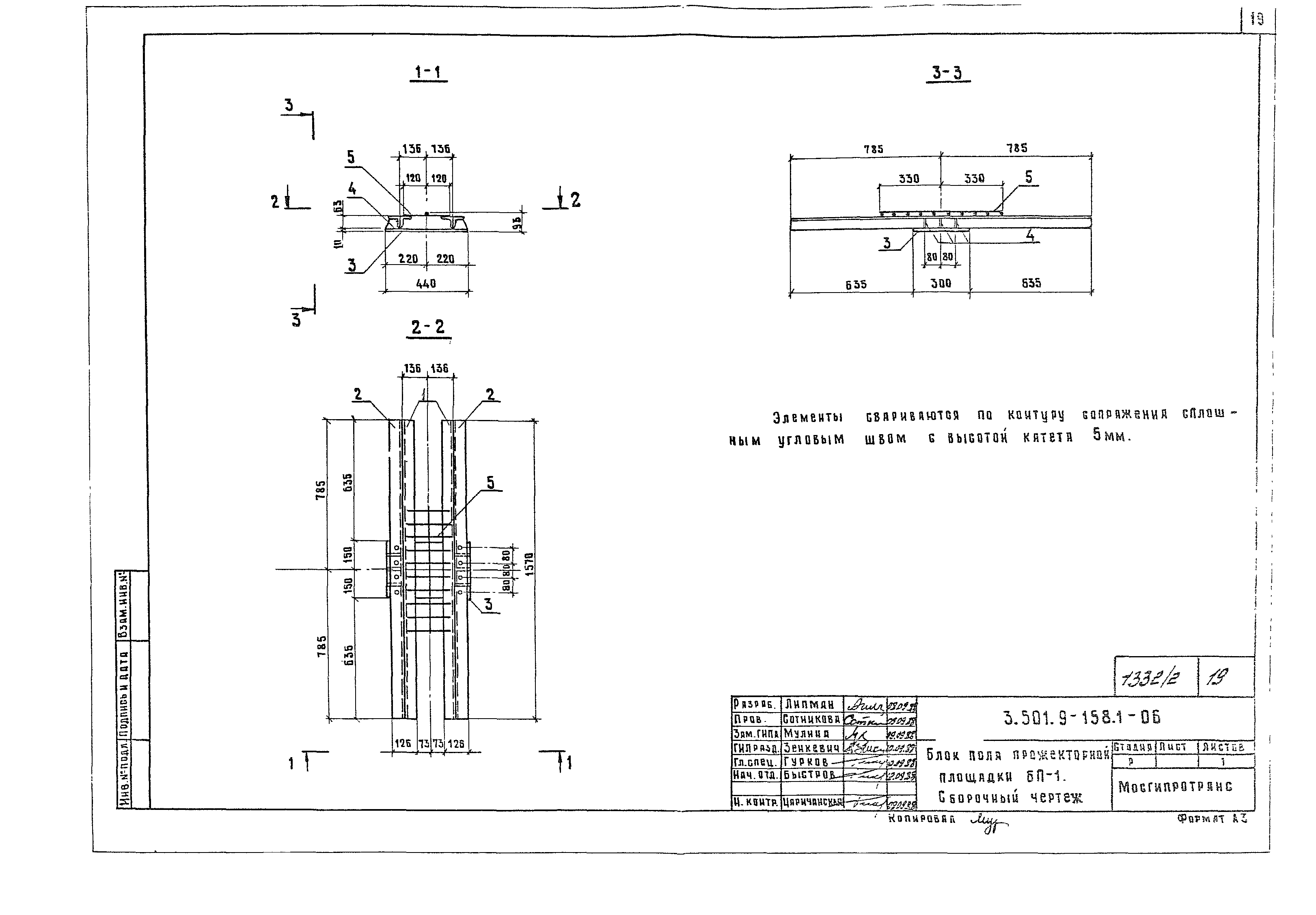
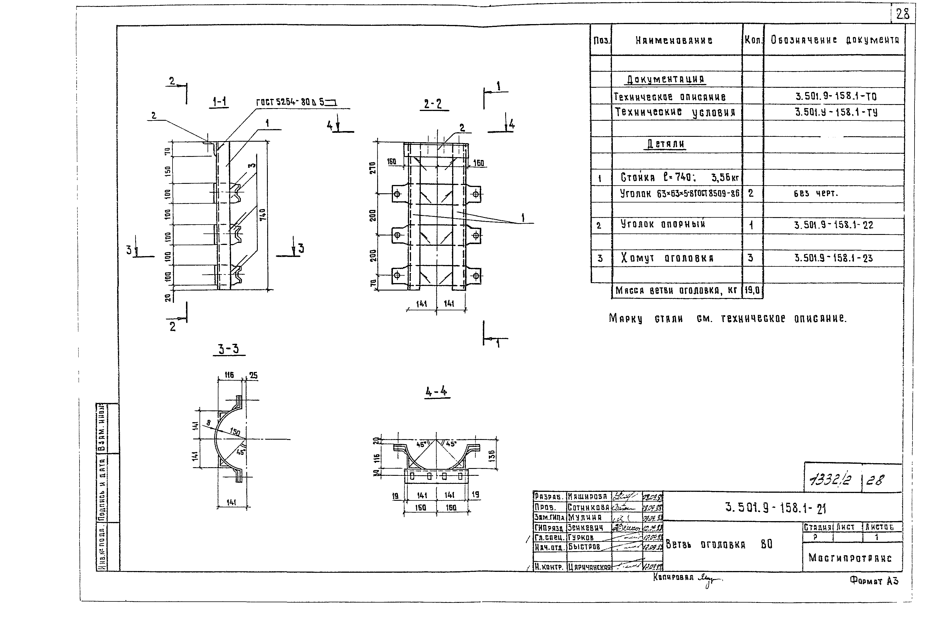
| Оглавление: | 3.501.9-158.1-ТУ Технические условия 3.501.9-158.1-ТО Техническое описание 3.501.9-158.1-01НИ Номенклатура изделий 3.501.9-158.1-02 Площадка прожекторная ПП 3.501.9-158.1-03 Площадка прожекторная ПП. Сборочный чертеж 3.501.9-158.1-04 Блок пола прожекторной площадки БП-1 3.501.9-158.1-05 Блок пола прожекторной площадки БП-2 3.501.9-158.1-06 Блок пола прожекторной площадки БП-1. Сборочный чертеж 3.501.9-158.1-07 Блок пола прожекторной площадки БП-2. Сборочный чертеж 3.501.9-158.1-08 Сетка настила СН-3 3.501.9-158.1-09 Столик для крепления досок 3.501.9-158.1-10 Панели перильные П-1, П-1а, П-2 3.501.9-158.1-11 Сетка настила СН-1 3.501.9-158.1-12 Уголок несущий 3.501.9-158.1-13 Лист опорный 3.501.9-158.1-14 Ребро жесткости 3.501.9-158.1-15 Крышка люка КЛ 3.501.9-158.1-16 Петля 3.501.9-158.1-17 Сетка настила СН-2 3.501.9-158.1-18 Стержень крепления 3.501.9-158.1-19 Подкос верхний 3.501.9-158.1-20 Подкос нижний 3.501.9-158.1-21 Ветвь оголовка ВО 3.501.9-158.1-22 Уголок опорный 3.501.9-158.1-23 Хомут оголовка 3.501.9-158.1-24 Стержень заземления С 3.501.9-158.1-25 Фиксатор Ф 3.501.9-158.1-26 Ветви площадки лестничного марша ВП пр, ВП лев 3.501.9-158.1-27 Настил лестничной площадки НП 3.501.9-158.1-28 Лестница переносная ЛП 3.501.9-158.1-29 Лестница верхняя ЛВ 3.501.9-158.1-30Ограждение лестницы ОЛ 3.501.9-158.1-31 Лестница нижняя ЛН 3.501.9-158.1-32 Хомут лестницы № 1 … № 5 3.501.9-158.1-33РС Ведомость расхода стали на элемент |
| Разработан: | Мосгипротранс |
| Утверждён: | 16.01.1989 Минтрансстрой СССР (USSR Mintransstroy ПИ-36) |



































