Скачать Серия 3.501.9-158 Выпуск 2. Электротехническая часть. Рабочие чертежиДата актуализации: 01.01.2021
|
| Обозначение: | Серия 3.501.9-158 |
| Обозначение англ: | Series 3.501.9-158 |
| Статус: | не определен законодательством |
| Название рус.: | Выпуск 2. Электротехническая часть. Рабочие чертежи |
| Дата добавления в базу: | 01.09.2013 |
| Дата актуализации: | 01.01.2021 |
| Дата введения: | 15.07.1989 |
| Дата окончания срока действия: | 30.06.2003 |
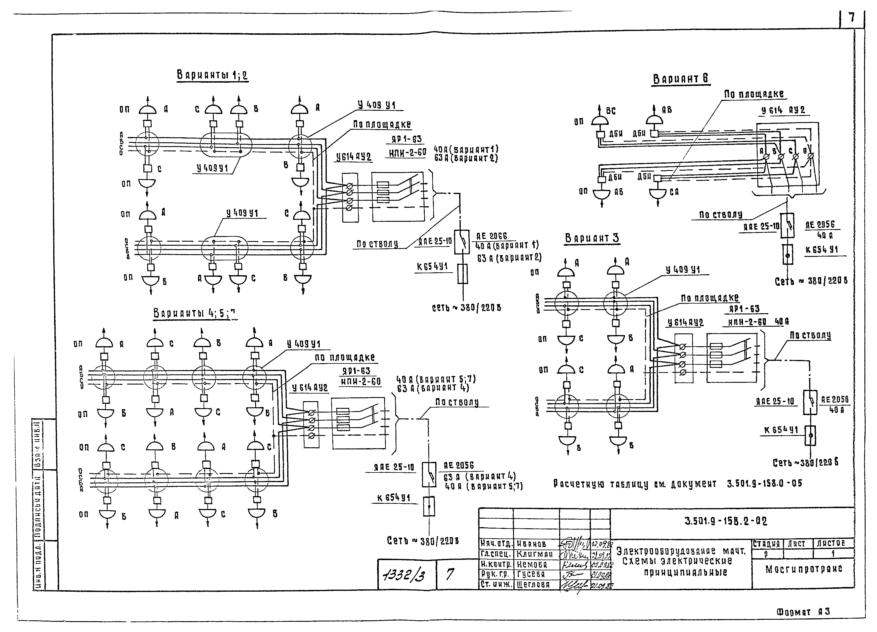
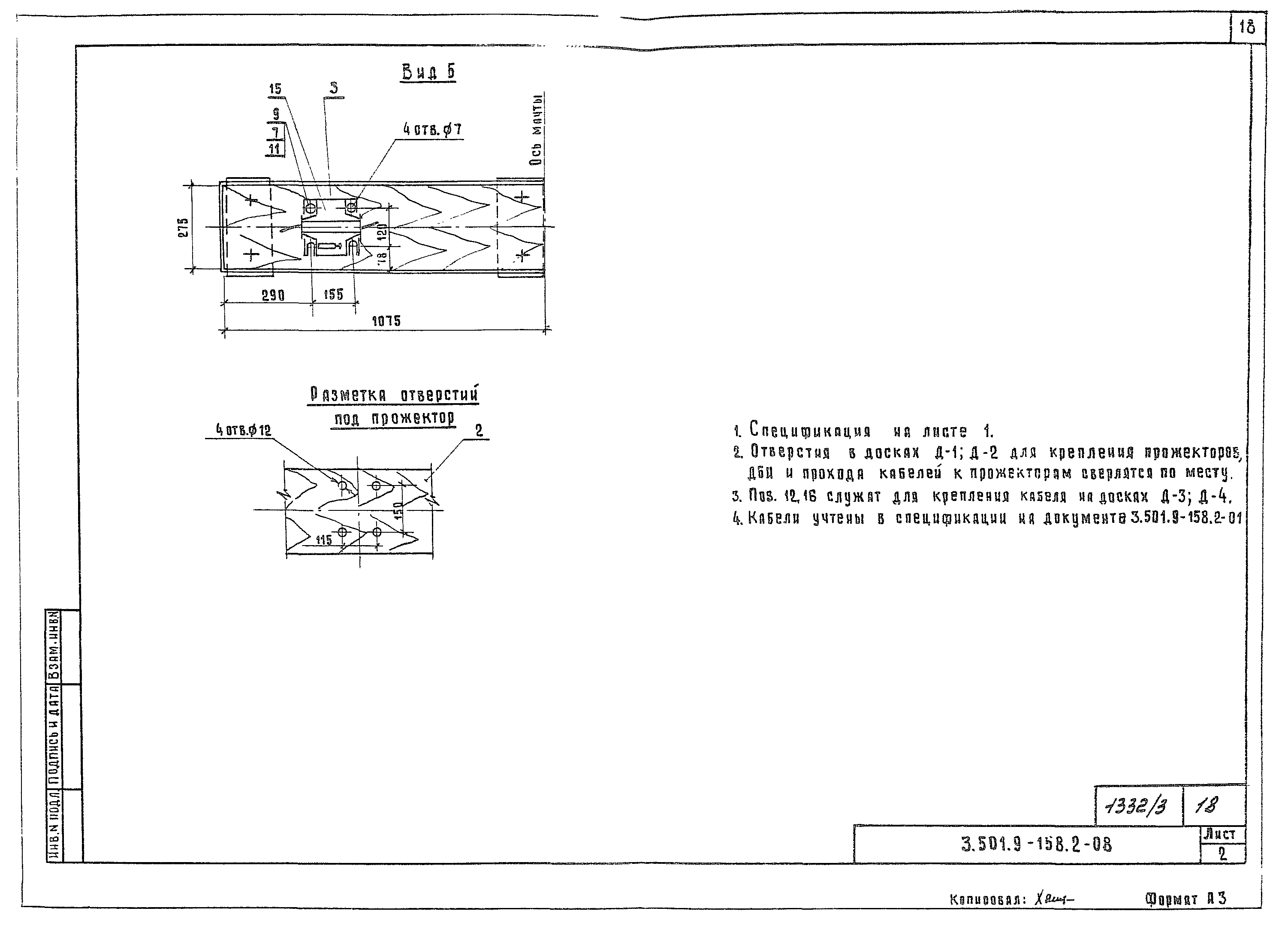
| Оглавление: | 3.501.9-158.2-01 Электрооборудование мачт. Спецификация 3.501.9-158.2-02 Электрооборудование мачт. Схемы электрические принципиальные 3.501.9-158.2-03 Электрооборудование мачт. Общий вид 3.501.9-158.2-04 Электрооборудование прожекторной площадки. Вариант 1; 2 3.501.9-158.2-05 Электрооборудование прожекторной площадки. Вариант 3 3.501.9-158.2-06 Электрооборудование прожекторной площадки. Вариант 4 3.501.9-158.2-07 Электрооборудование прожекторной площадки. Вариант 5 3.501.9-158.2-08 Электрооборудование прожекторной площадки. Вариант 6 3.501.9-158.2-09 Электрооборудование прожекторной площадки. Вариант 7 3.501.9-158.2-10 Узел I 3.501.9-158.2-11 Узел II 3.501.9-158.2-12 Узел III 3.501.9-158.2-13 Молниезащита. Вариант 1 3.501.9-158.2-14 Молниезащита. Вариант 2 3.501.9-158.2-15 Хомут в сборе 3.501.9-158.2-16 Хомут 3.501.9-158.2-17 Хомут 1 3.501.9-158.2-18 Кронштейн 3.501.9-158.2-19 Планка П-1 3.501.9-158.2-20 Планка П-2 3.501.9-158.2-21 Планка П-3 3.501.9-158.2-22 Планка П-4 3.501.9-158.2-23 Хомутик 3.501.9-158.2-24 Планка П-5 3.501.9-158.2-25 Доска Д-1 3.501.9-158.2-26 Доска Д-2 3.501.9-158.2-27 Доска Д-3 3.501.9-158.2-28 Доска Д-4 |
| Разработан: | Мосгипротранс |
| Утверждён: | 16.01.1989 Минтрансстрой СССР (USSR Mintransstroy ПИ-36) |































