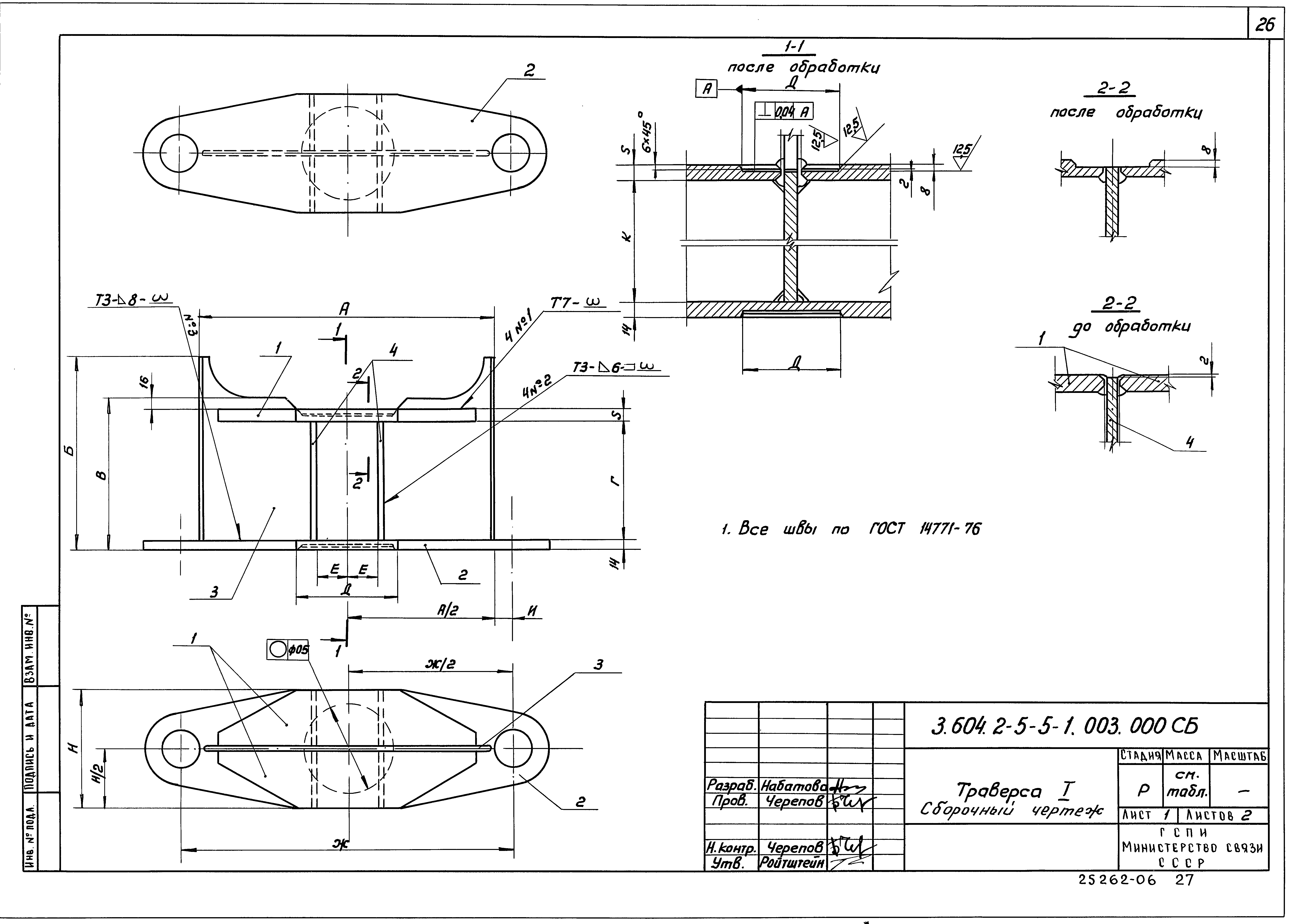
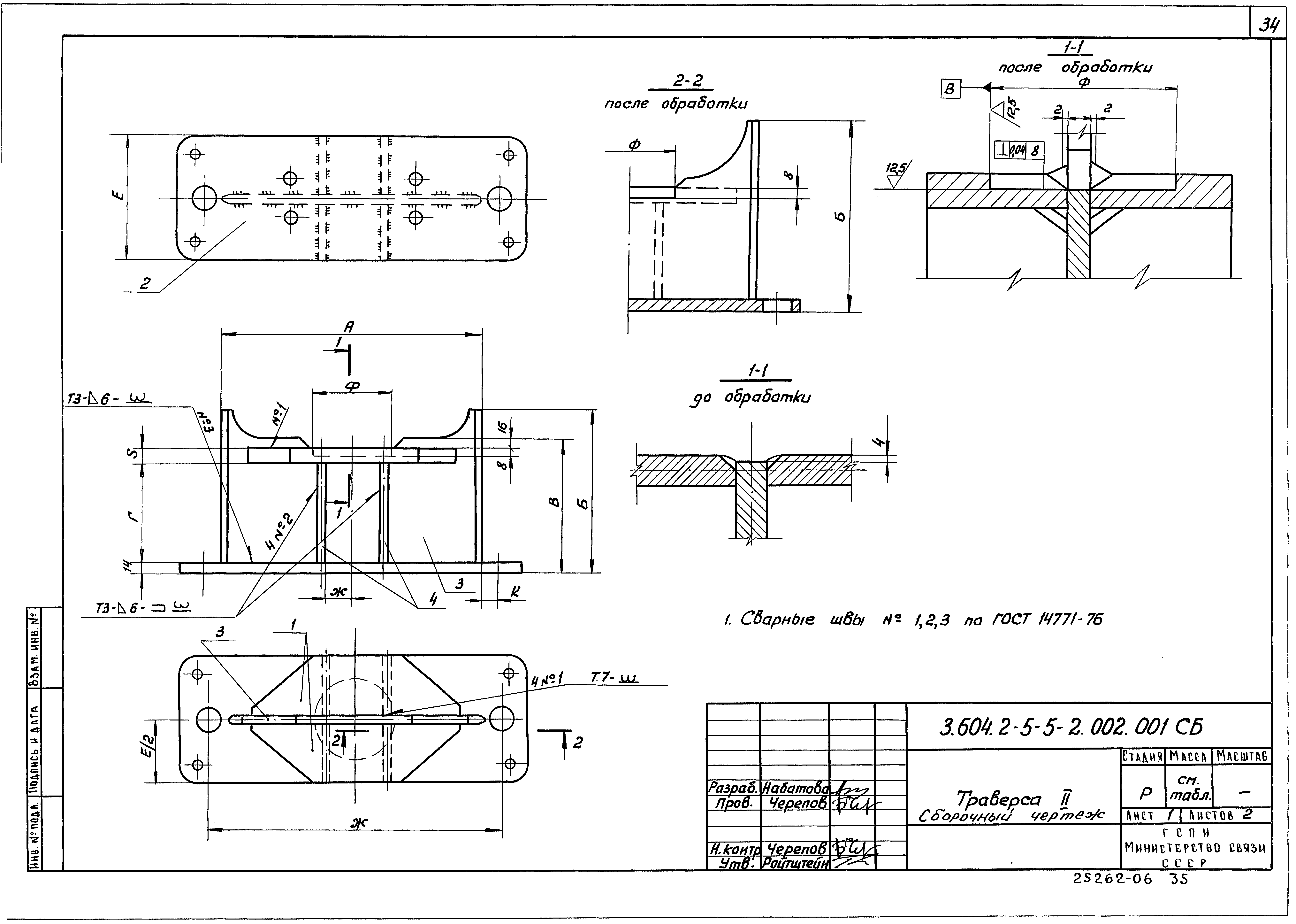
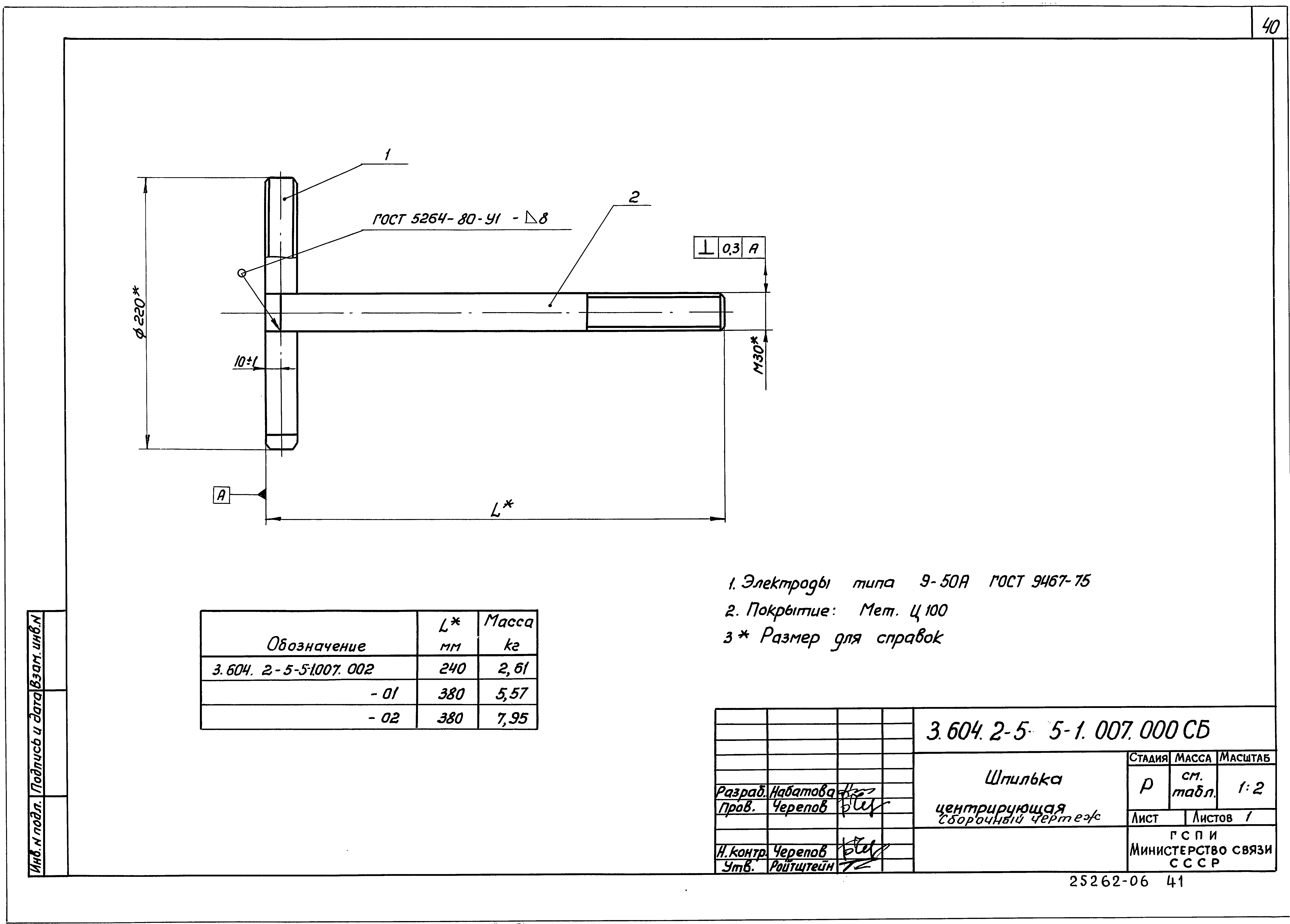
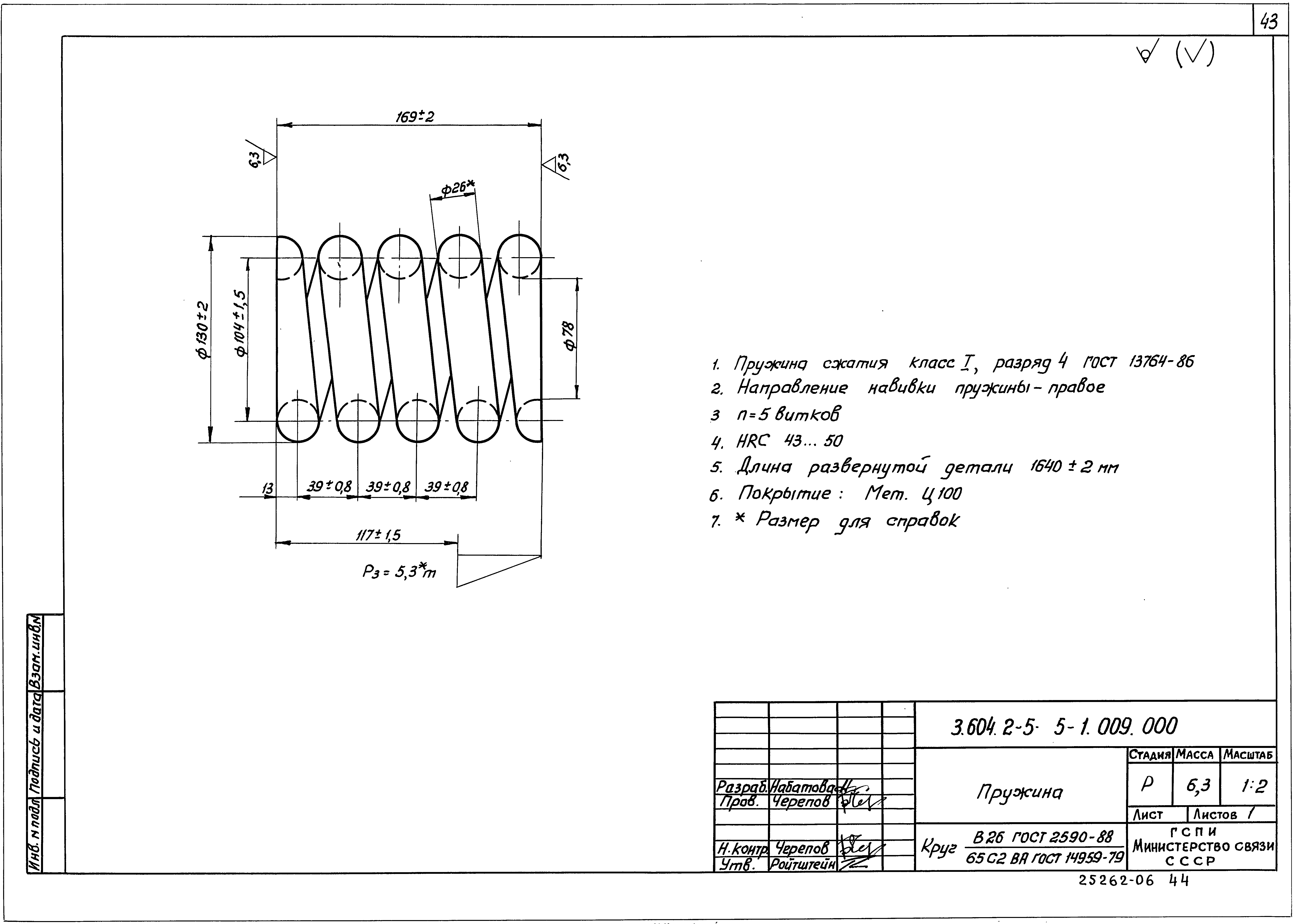
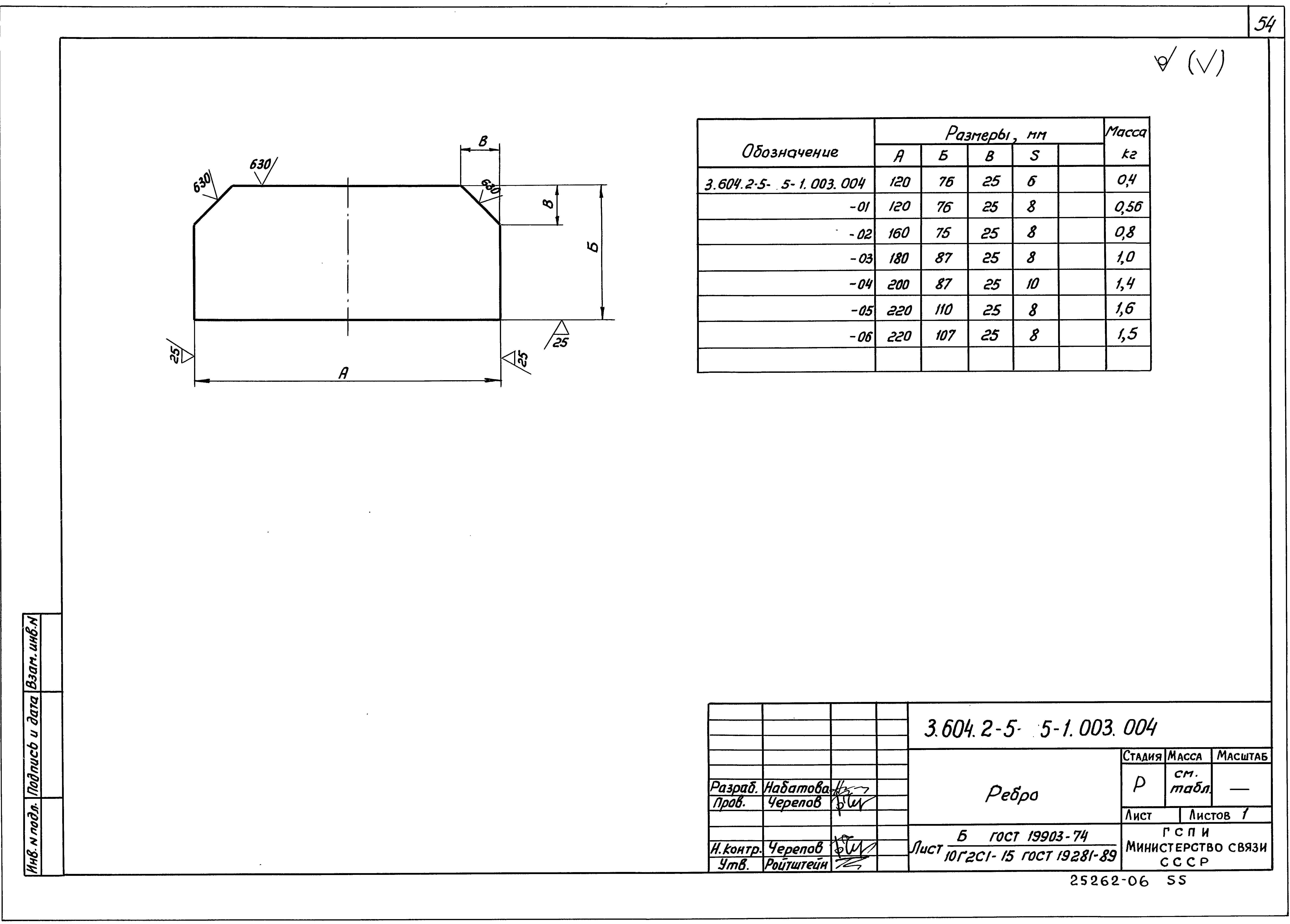
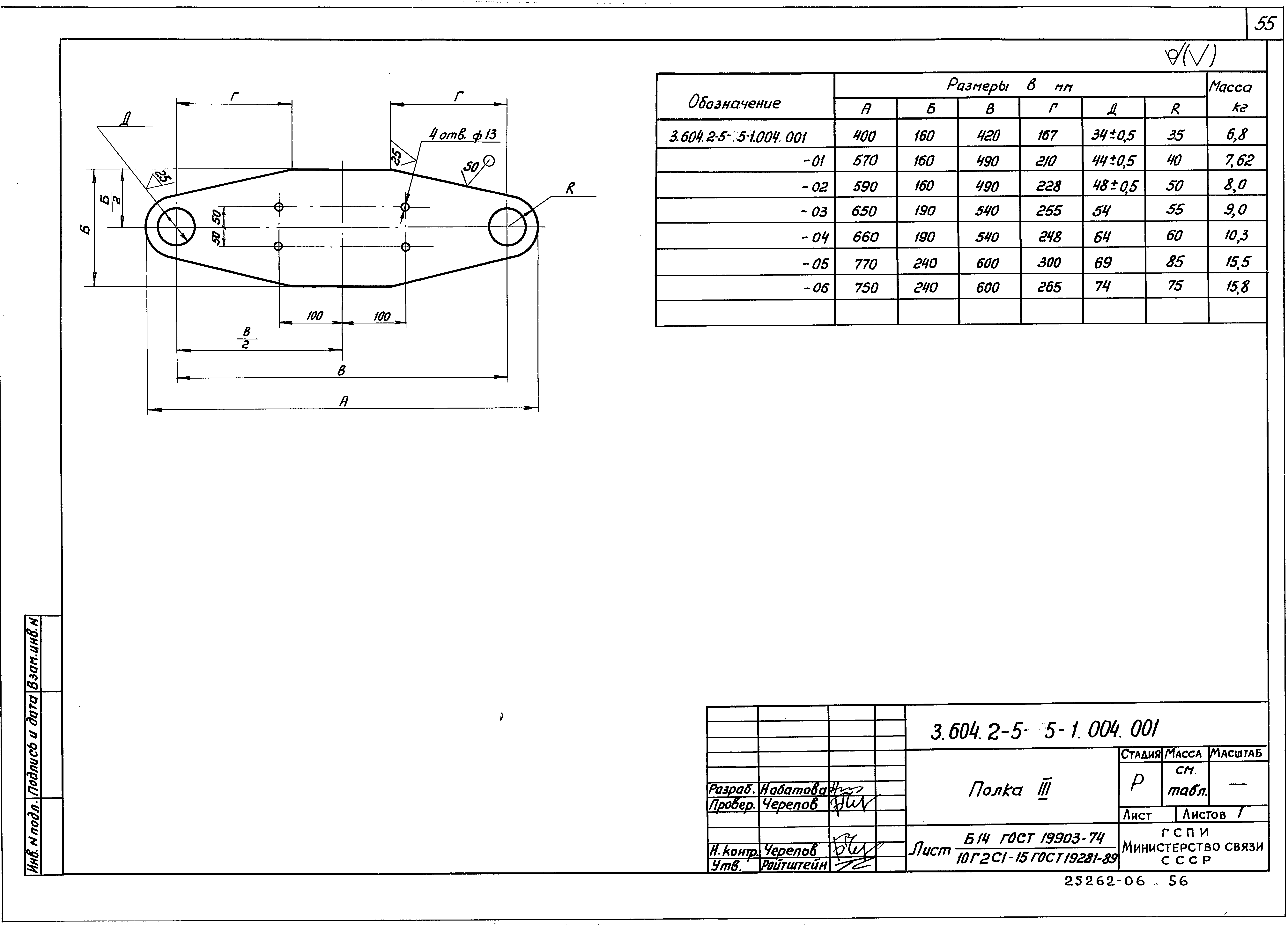
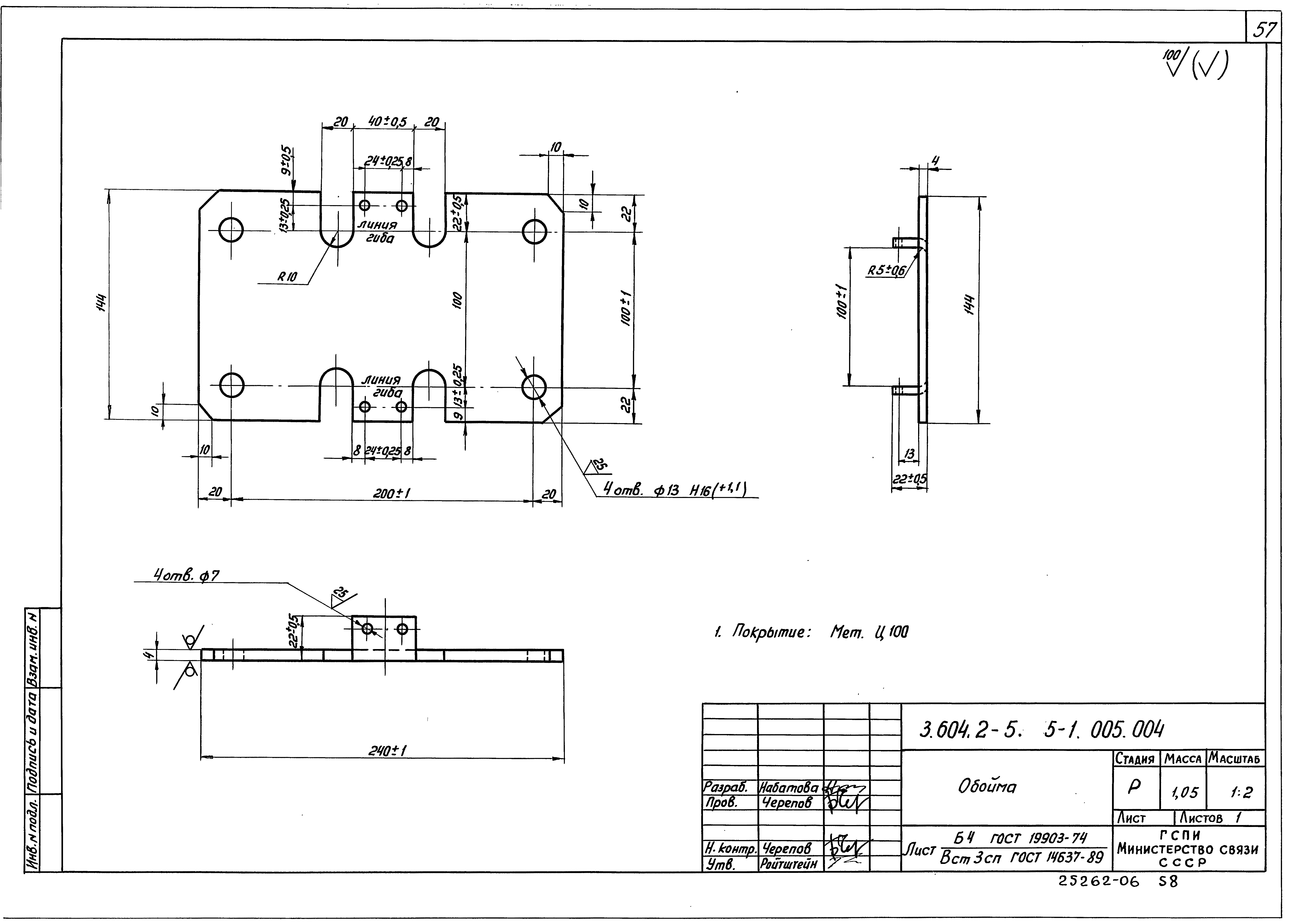
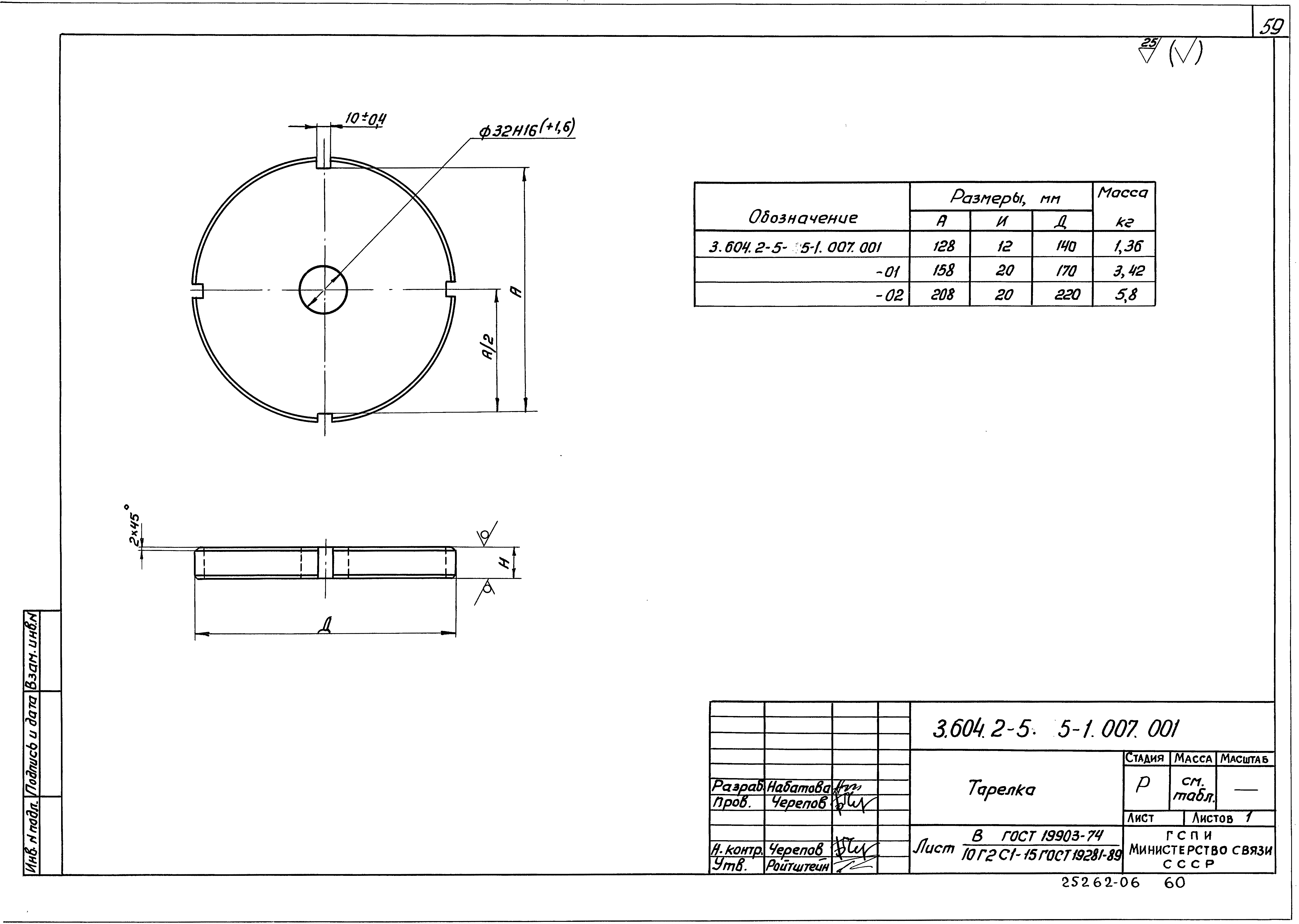
Скачать Серия 3.604.2-5 Выпуск 5. Изоляторы оттяжечного типа ИО одиночной и двойной изоляции. Чертежи КМДДата актуализации: 01.01.2021 Серия 3.604.2-5
Выпуск 5. Изоляторы оттяжечного типа ИО одиночной и двойной изоляции. Чертежи КМД| Обозначение: | Серия 3.604.2-5 | | Обозначение англ: | Series 3.604.2-5 | | Статус: | действует | | Название рус.: | Выпуск 5. Изоляторы оттяжечного типа ИО одиночной и двойной изоляции. Чертежи КМД | | Дата добавления в базу: | 01.09.2013 | | Дата актуализации: | 01.01.2021 | | Дата введения: | 01.12.1991 | | Разработан: | ГСПИ Минсвязи СССР
| | Утверждён: | 15.08.1991 Министерство связи СССР
|
                                                           
|