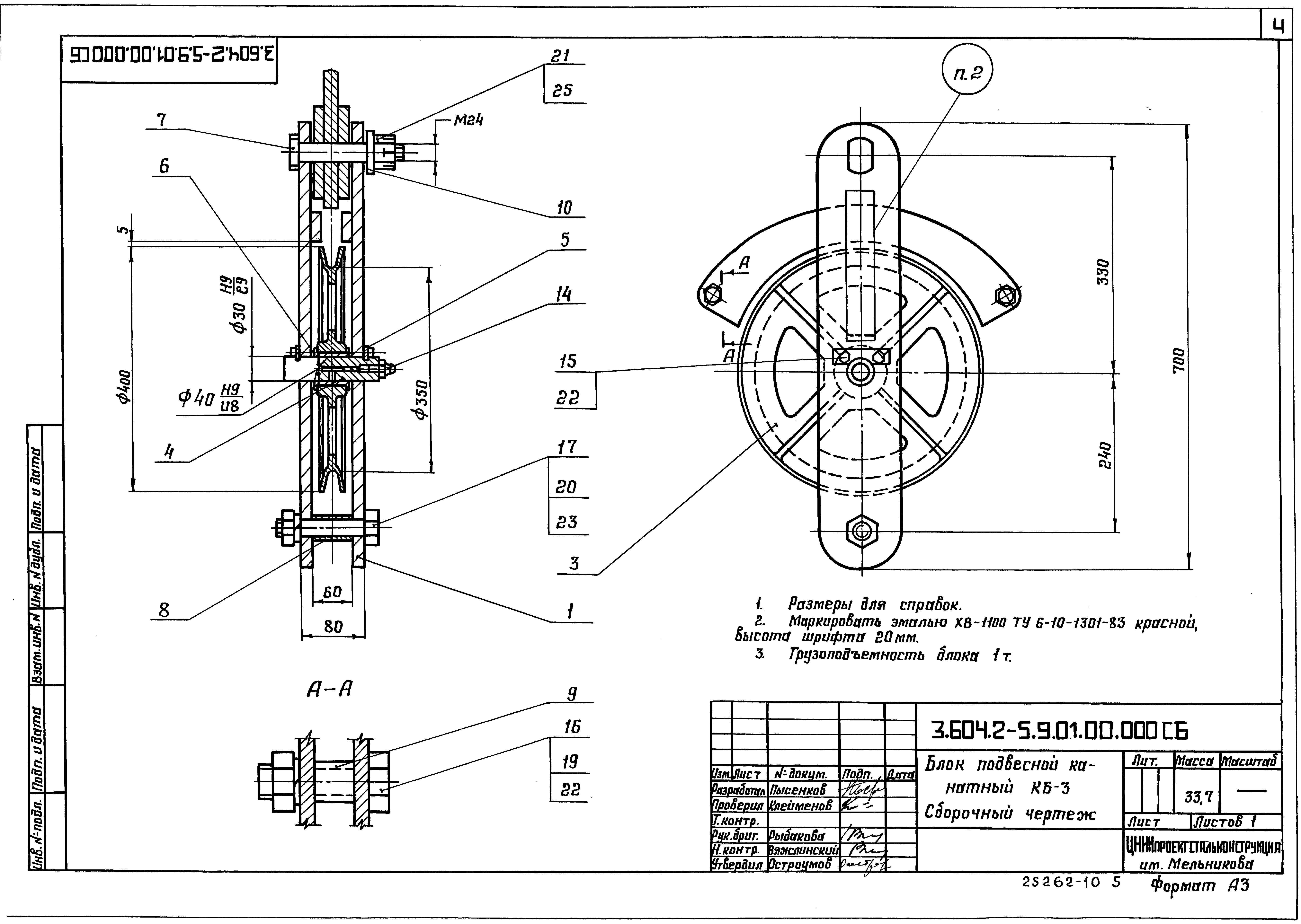
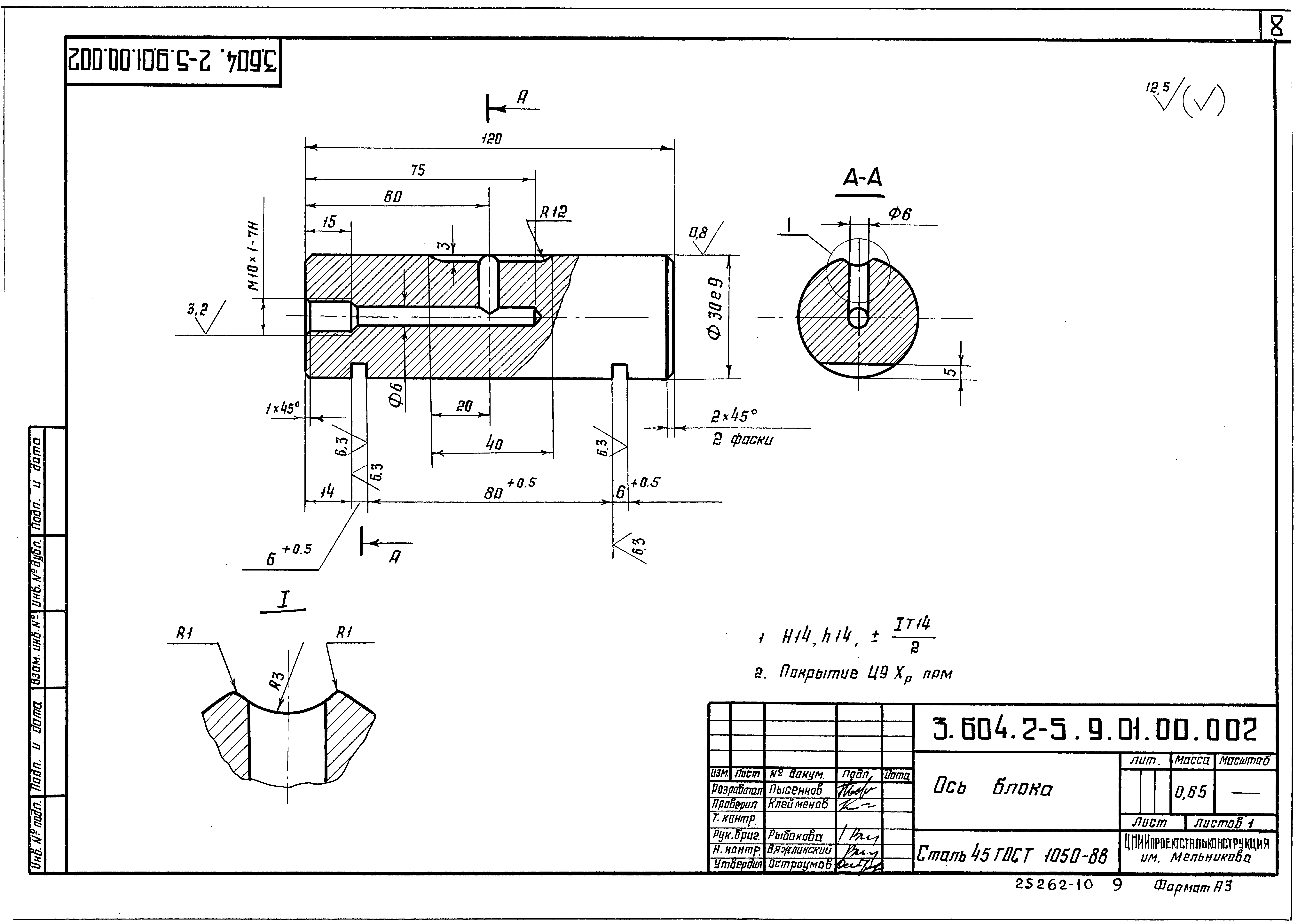
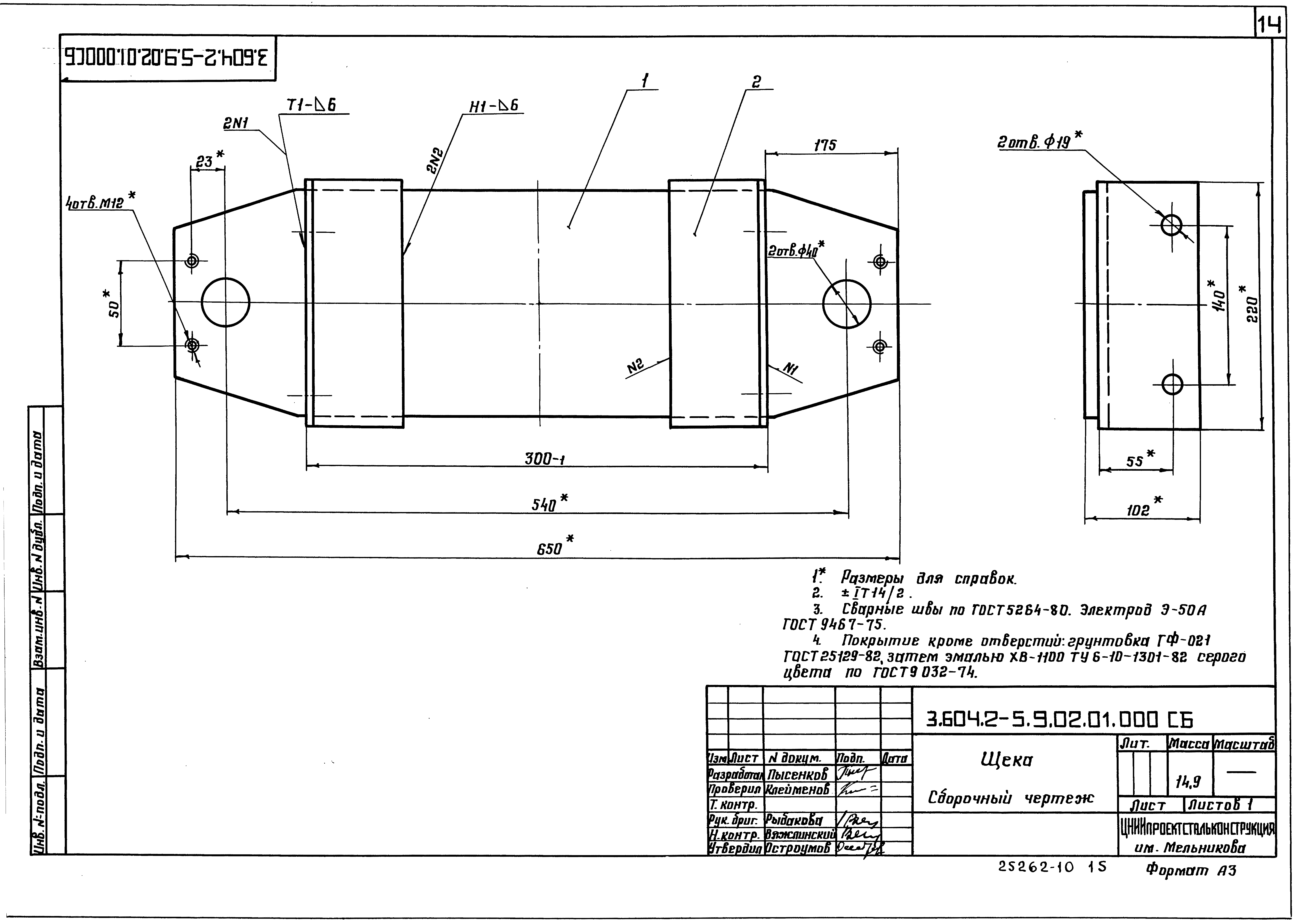
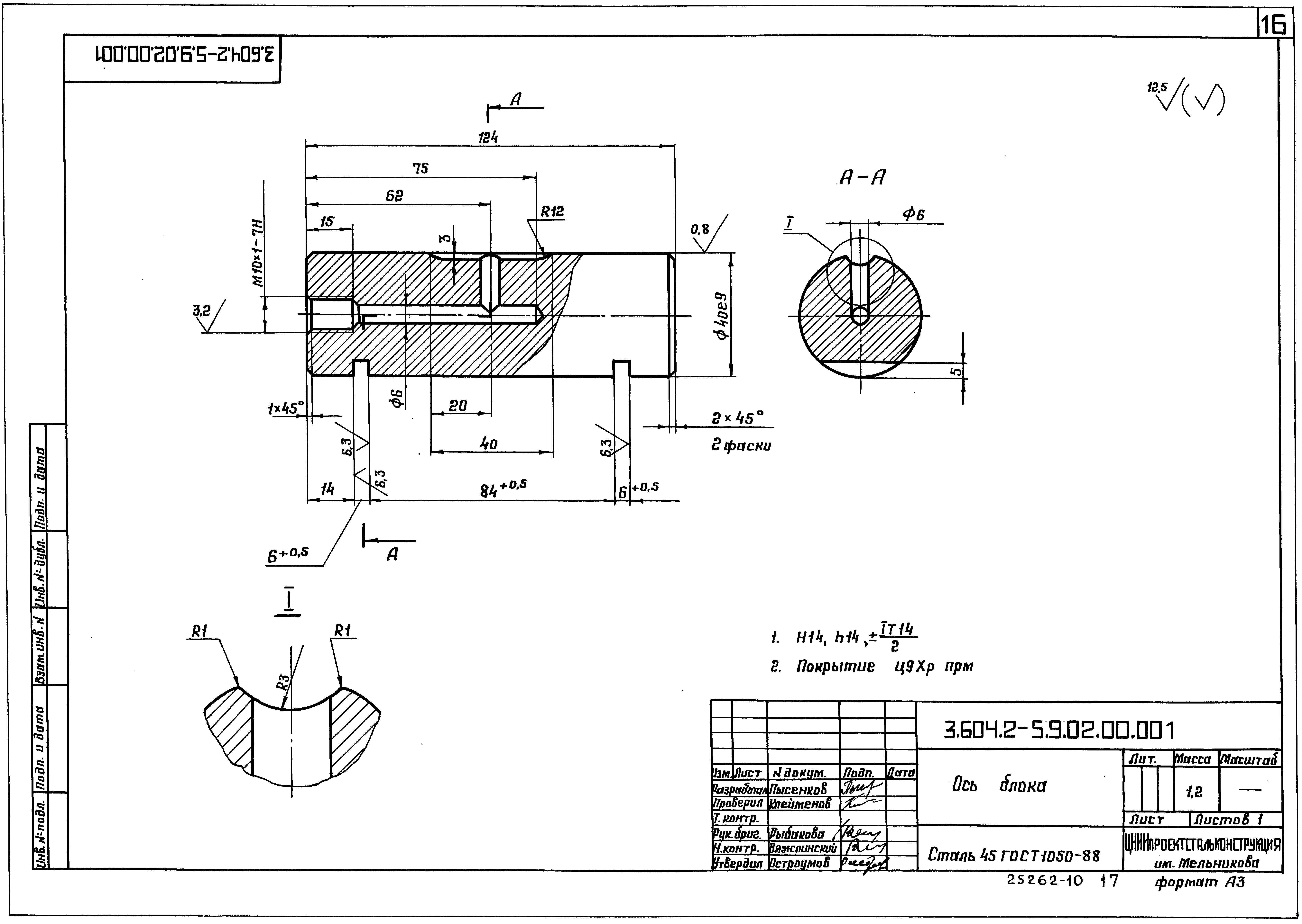
Скачать Серия 3.604.2-5 Выпуск 9. Блоки канатные. Чертежи КМДДата актуализации: 01.01.2021
|
| Обозначение: | Серия 3.604.2-5 |
| Обозначение англ: | Series 3.604.2-5 |
| Статус: | действует |
| Название рус.: | Выпуск 9. Блоки канатные. Чертежи КМД |
| Дата добавления в базу: | 01.09.2013 |
| Дата актуализации: | 01.01.2021 |
| Дата введения: | 01.12.1991 |
| Разработан: | ГСПИ Минсвязи СССР ЦНИИпроектстальконструкция Госстроя |
| Утверждён: | 15.08.1991 Министерство связи СССР |











































