Скачать Серия 3.603-7 Выпуск 0. Сборочные единицы конструкций. Чертежи КМДата актуализации: 01.01.2021
|
| Обозначение: | Серия 3.603-7 |
| Обозначение англ: | Series 3.603-7 |
| Статус: | действует |
| Название рус.: | Выпуск 0. Сборочные единицы конструкций. Чертежи КМ |
| Дата добавления в базу: | 01.09.2013 |
| Дата актуализации: | 01.01.2021 |
| Дата введения: | 01.02.1979 |
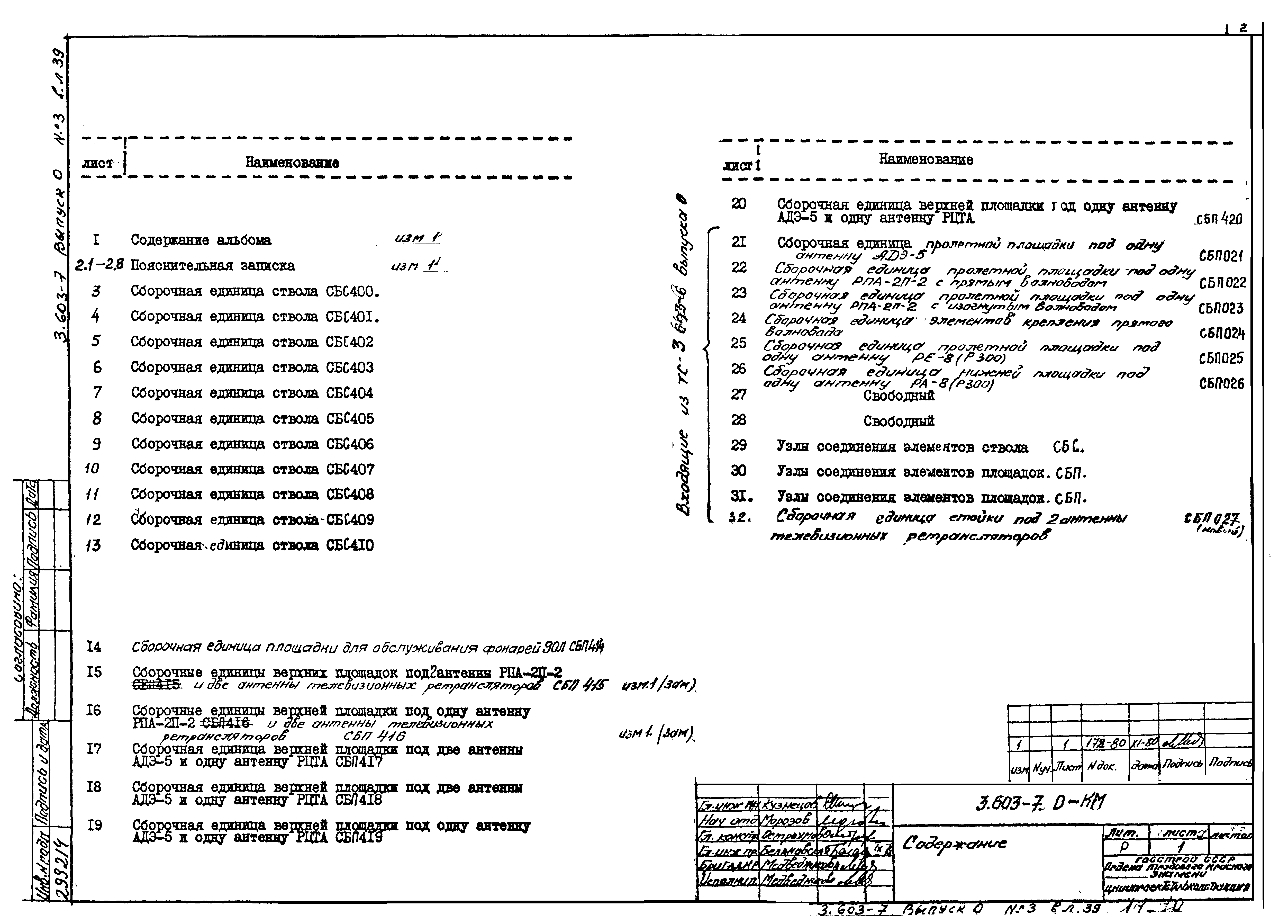
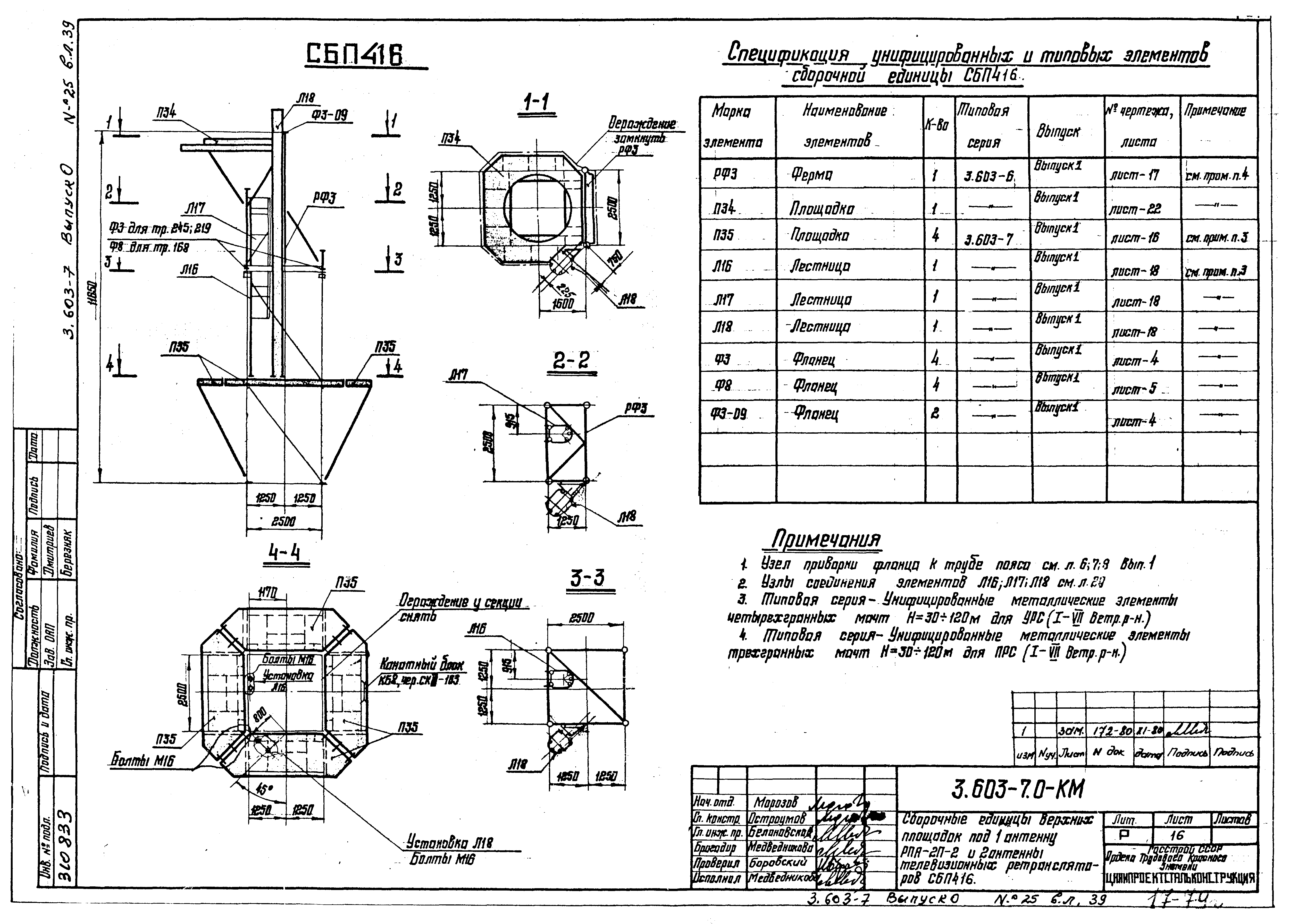
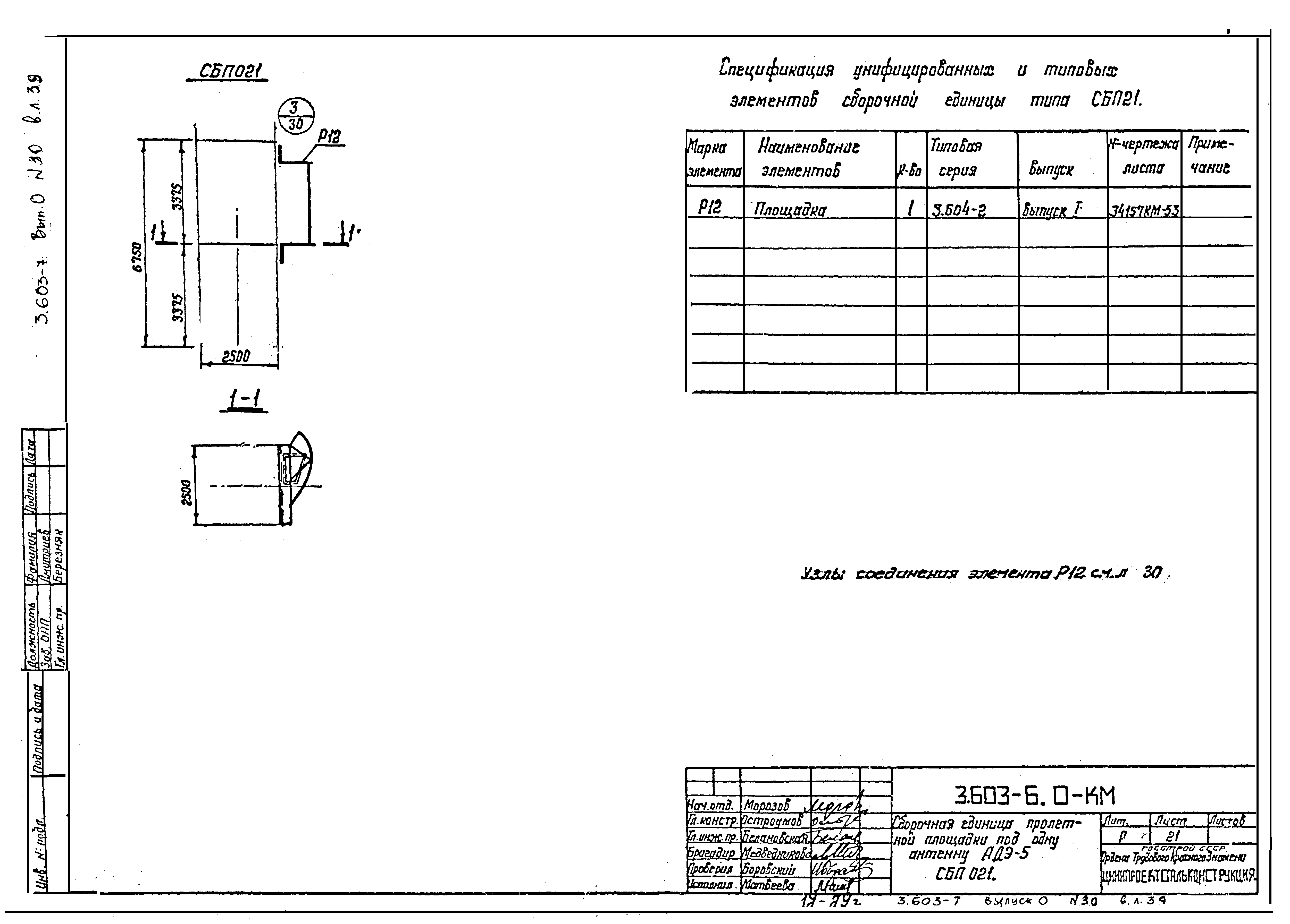
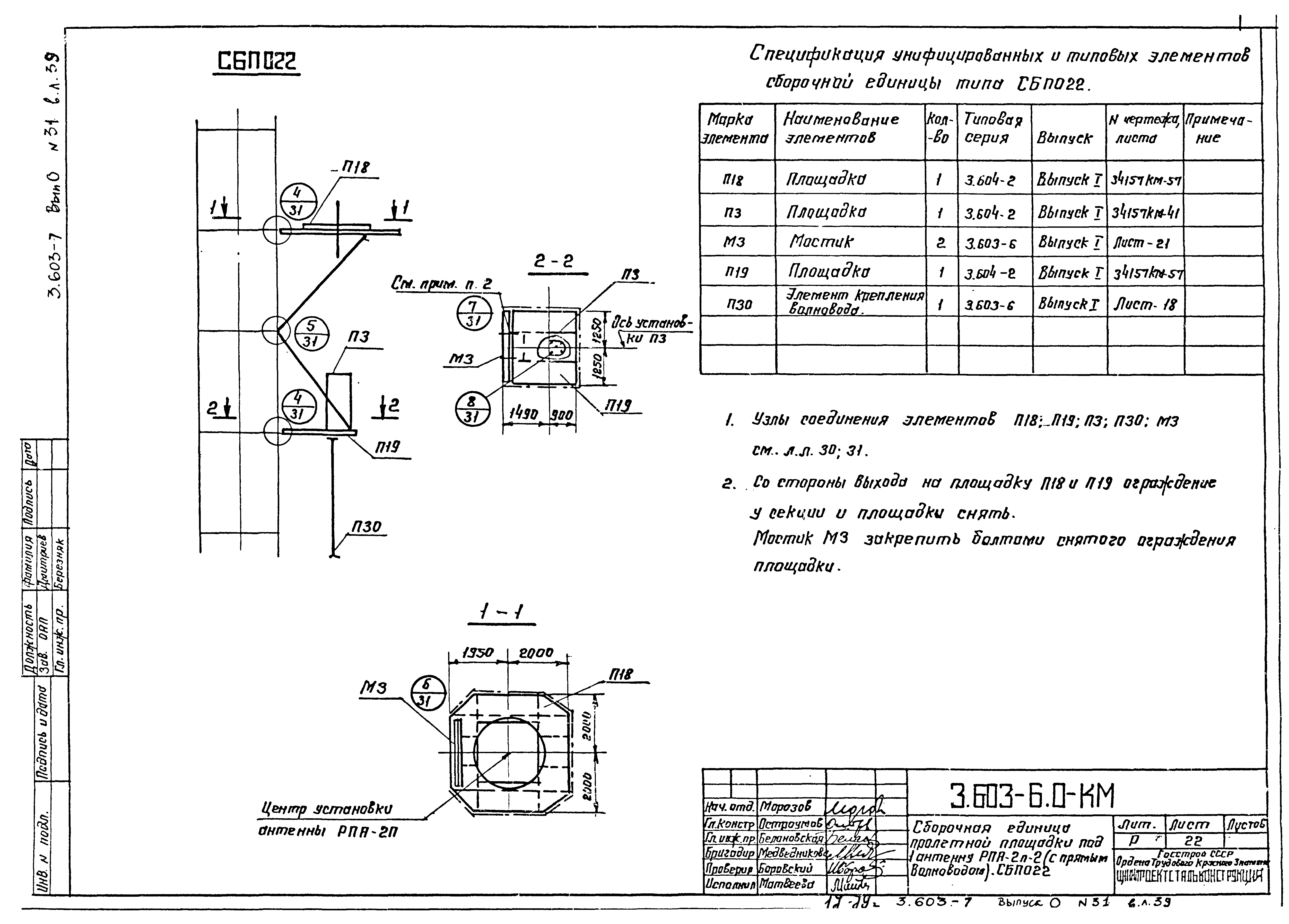
| Оглавление: | Пояснительная записка Сборочная единица ствола СБС400 Сборочная единица ствола СБС401 Сборочная единица ствола СБС402 Сборочная единица ствола СБС403 Сборочная единица ствола СБС404 Сборочная единица ствола СБС405 Сборочная единица ствола СБС406 Сборочная единица ствола СБС407 Сборочная единица ствола СБС408 Сборочная единица ствола СБС409 Сборочная единица ствола СБС410 Сборочная единица площадки для обслуживания фонарей 30Л СБП 414 Сборочные единицы верхних площадок под две антенны РПА-2П-2 и две антенны телевизионных ретрансляторов СБП 415 Сборочные единицы верхней площадки под одну антенну РПА-2П-2 и две антенны телевизионных ретрансляторов СБП 416 Сборочная единица верхней площадки под две антенны АДЭ-5 и одну антенну РЦТА СБП 417 Сборочная единица верхней площадки под две антенны АДЭ-5 и одну антенну РЦТА СБП 418 Сборочная единица верхней площадки под две антенны АДЭ-5 и одну антенну РЦТА СБП 419 Сборочная единица верхней площадки под одну антенну АДЭ-5 и одну антенну РЦТА СБП 420 Сборочная единица пролетной площадки под одну антенну АДЭ-5 СБП021 Сборочная единица пролетной площадки под одну антенну РПА-2П-2 с прямым волноводом СБП022 Сборочная единица пролетной площадки под одну антенну РПА-2П-2 с изогнутым волноводом СБП023 Сборочная единица элементов крепления прямого волновода СБП024 Сборочная единица пролетной площадки под одну антенну РЕ-8 (Р 300) СБП025 Сборочная единица нижней площадки под одну антенну РА-8 (Р 300) СБП026 Узлы соединения элементов ствола СБС Узлы соединения элементов площадок. СБП Сборочная единица стойки под 2 антенны телевизионных ретрансляторов СБП027 |
| Разработан: | ЦНИИпроектстальконструкция Госстроя |
| Утверждён: | 15.12.1978 Министерство связи СССР (2164) |






































