Скачать Серия 3.603-6 Выпуск 0. Сборочные единицы конструкций. Чертежи КМДата актуализации: 01.01.2021
|
| Обозначение: | Серия 3.603-6 |
| Обозначение англ: | Series 3.603-6 |
| Статус: | действует |
| Название рус.: | Выпуск 0. Сборочные единицы конструкций. Чертежи КМ |
| Дата добавления в базу: | 01.09.2013 |
| Дата актуализации: | 01.01.2021 |
| Дата введения: | 01.02.1979 |
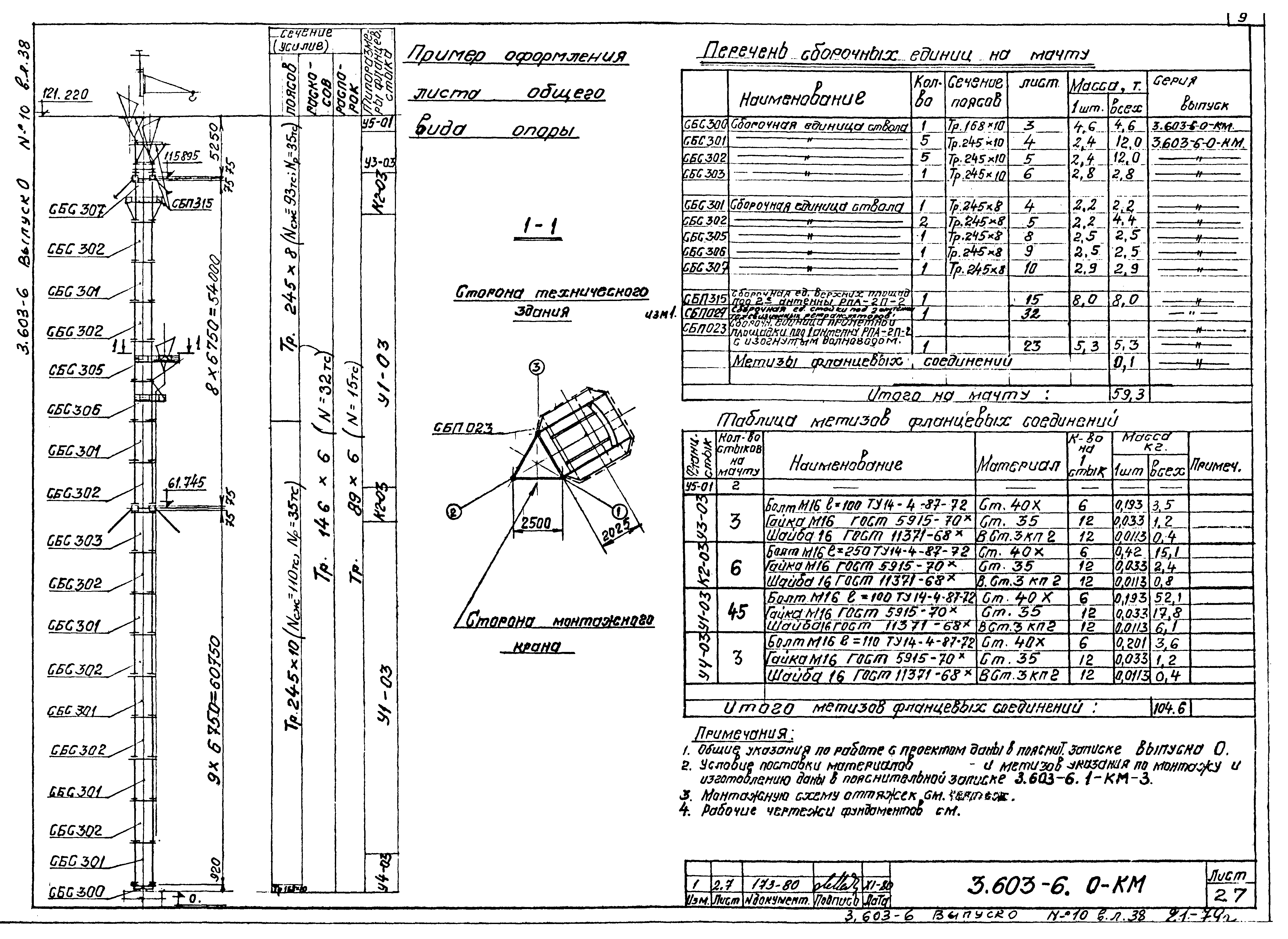
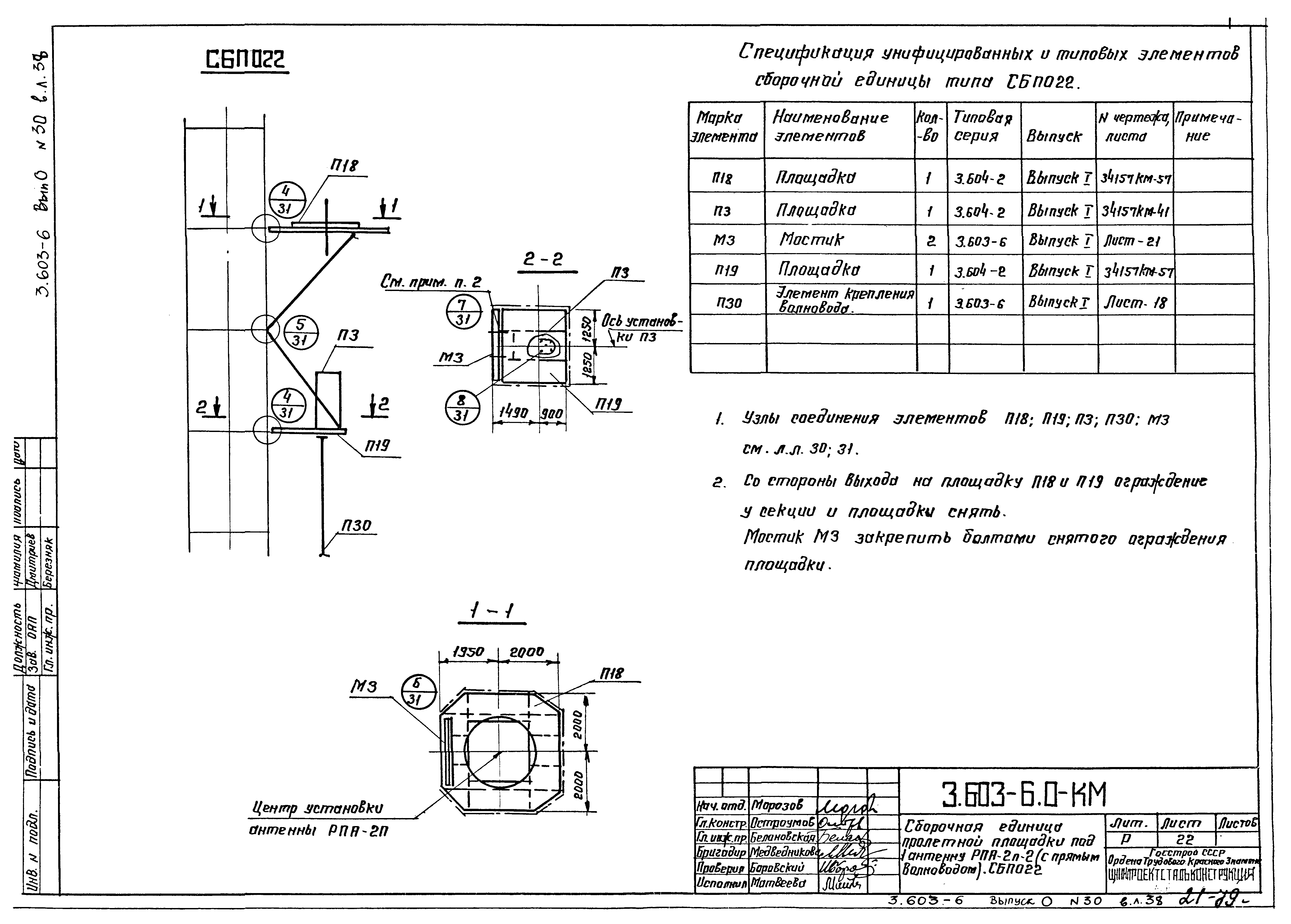
| Оглавление: | Пояснительная записка Сборочная единица ствола СБС300 Сборочная единица ствола СБС301 Сборочная единица ствола СБС302 Сборочная единица ствола СБС303 Сборочная единица ствола СБС304 Сборочная единица ствола СБС305 Сборочная единица ствола СБС306 Сборочная единица ствола СБС307 Сборочная единица ствола СБС308 Сборочная единица ствола СБС309 Сборочная единица ствола СБС310 Сборочная единица верхних площадок под две антенны РПА 2П-2 и две антенны телевизионных ретрансляторов СБП315 Сборочная единица верхней площадки под одну антенну РПА 2П-2 и две антенны телевизионных ретрансляторов СБП316 Сборочная единица верхней площадки под две антенны АДЭ-5 и одну антенну РЦТА-СБП317 Сборочная единица верхней площадки под две антенны АДЭ-5 и одну антенну РЦТА-СБП318 Сборочная единица верхней площадки под одну антенну АДЭ-5 и одну антенну РЦТА-СБП319 Сборочная единица верхней площадки под одну антенну АДЭ-5 и одну антенну РЦТА-СБП320 Сборочная единица пролетной площадки под 1 антенну АДЭ-5 СБП021 Сборочная единица пролетной площадки под 1 антенну РПА-2П-2 с прямым волноводом. СБП022 Сборочная единица пролетной площадки под 1 антенну РПА-2П-2 с изогнутым волноводом. СБП023 Сборочная единица элементов крепления прямого волновода СБП024 Сборочная единица пролетной площадки под 1 антенну РЕ-8 (р 300) СБП025 Сборочная единица нижней площадки под 1 антенну РЕ-8 (р 300) СБП026 Узлы соединения элементов ствола Узлы соединения элементов площадок Сборочная единица стойки под 2 антенны телевизионных ретрансляторов СБП027 |
| Разработан: | ЦНИИпроектстальконструкция Госстроя |
| Утверждён: | 15.12.1978 Министерство связи СССР (2167) |





































