Скачать Серия 3.503.1-69 Выпуск 1. Конструкции промежуточных опор. Материалы для проектированияДата актуализации: 01.01.2021
|
| Обозначение: | Серия 3.503.1-69 |
| Обозначение англ: | Series 3.503.1-69 |
| Статус: | не определен законодательством |
| Название рус.: | Выпуск 1. Конструкции промежуточных опор. Материалы для проектирования |
| Дата добавления в базу: | 01.09.2013 |
| Дата актуализации: | 01.01.2021 |
| Дата введения: | 01.01.1987 |
| Дата окончания срока действия: | 30.06.2003 |
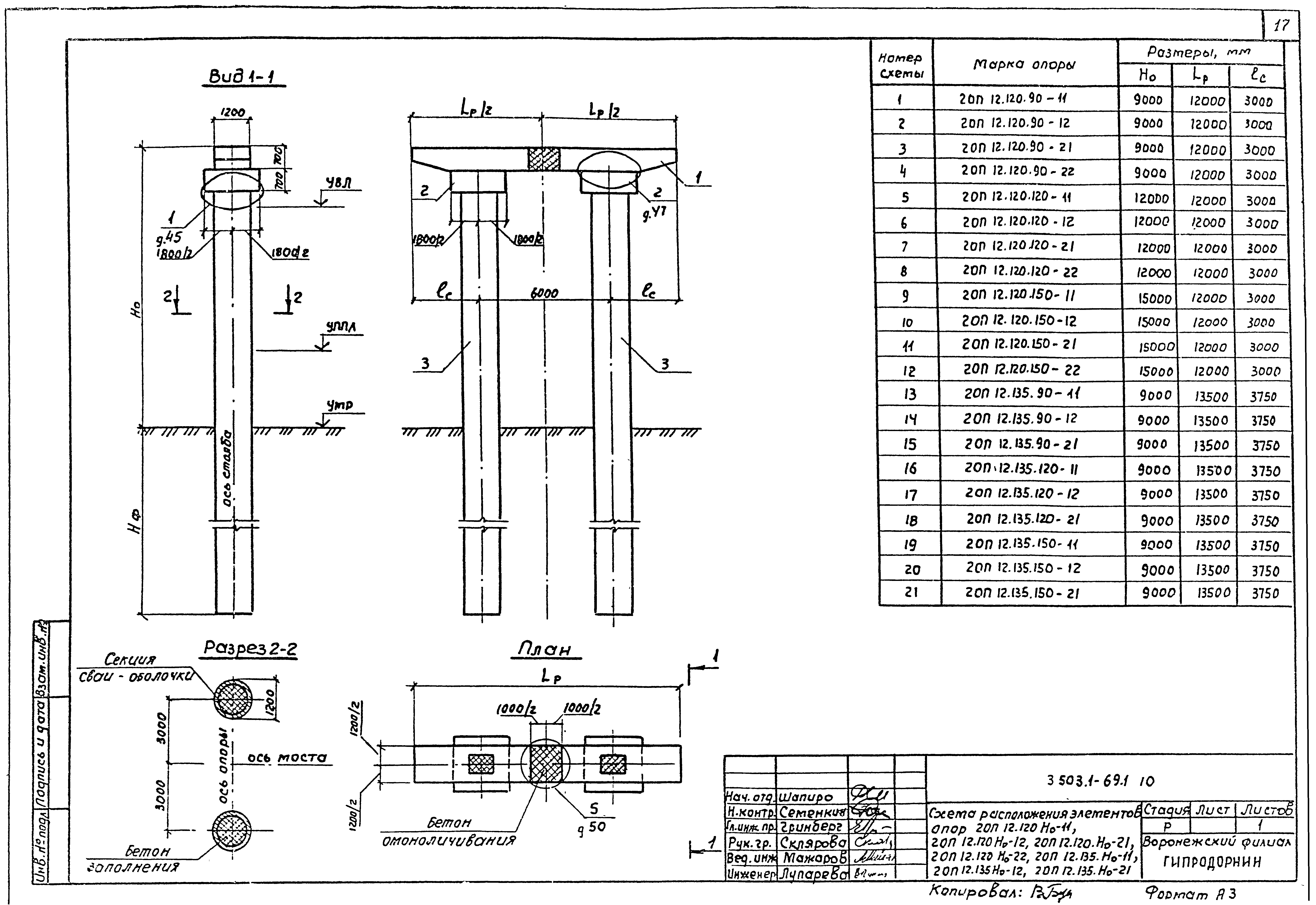
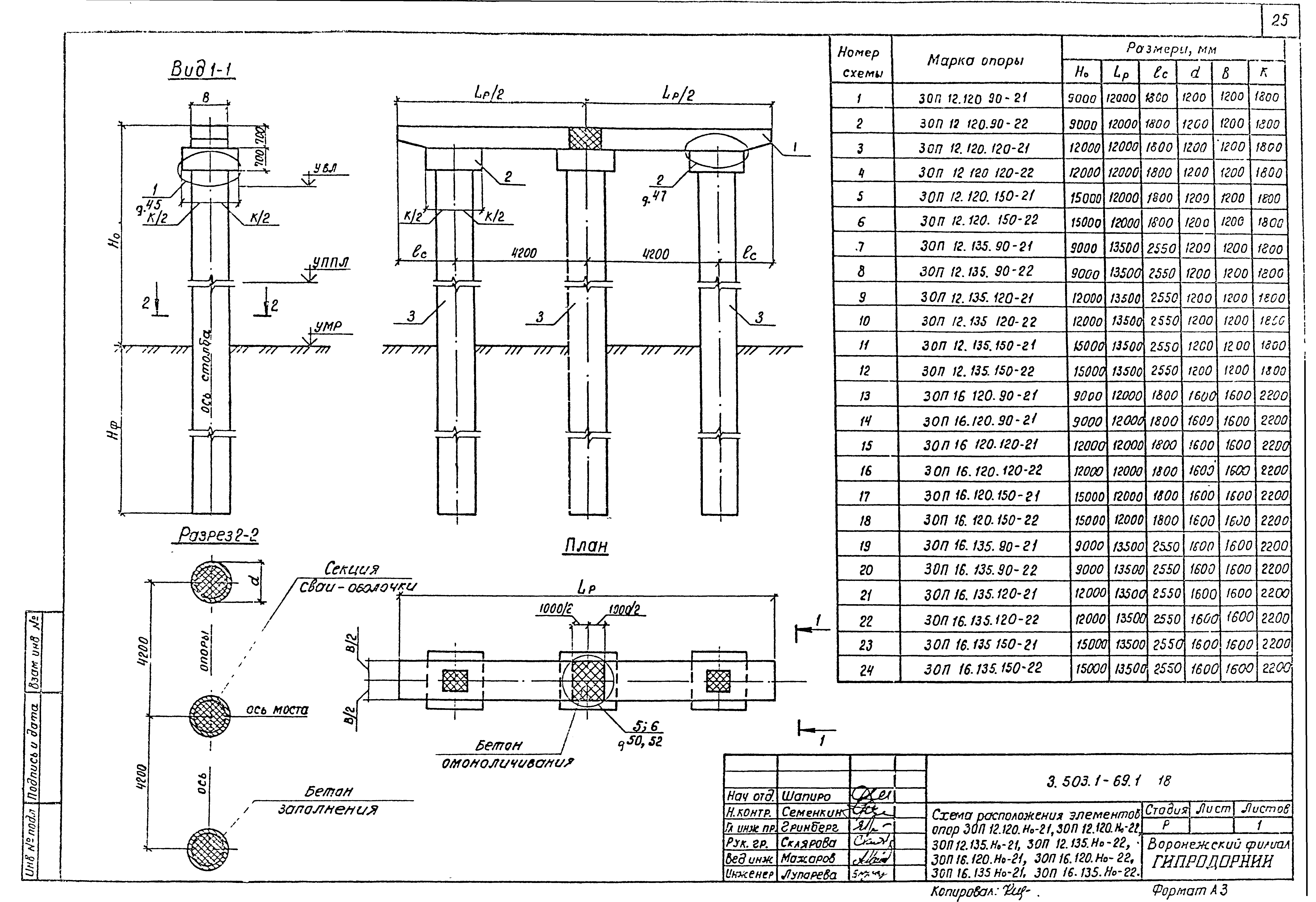
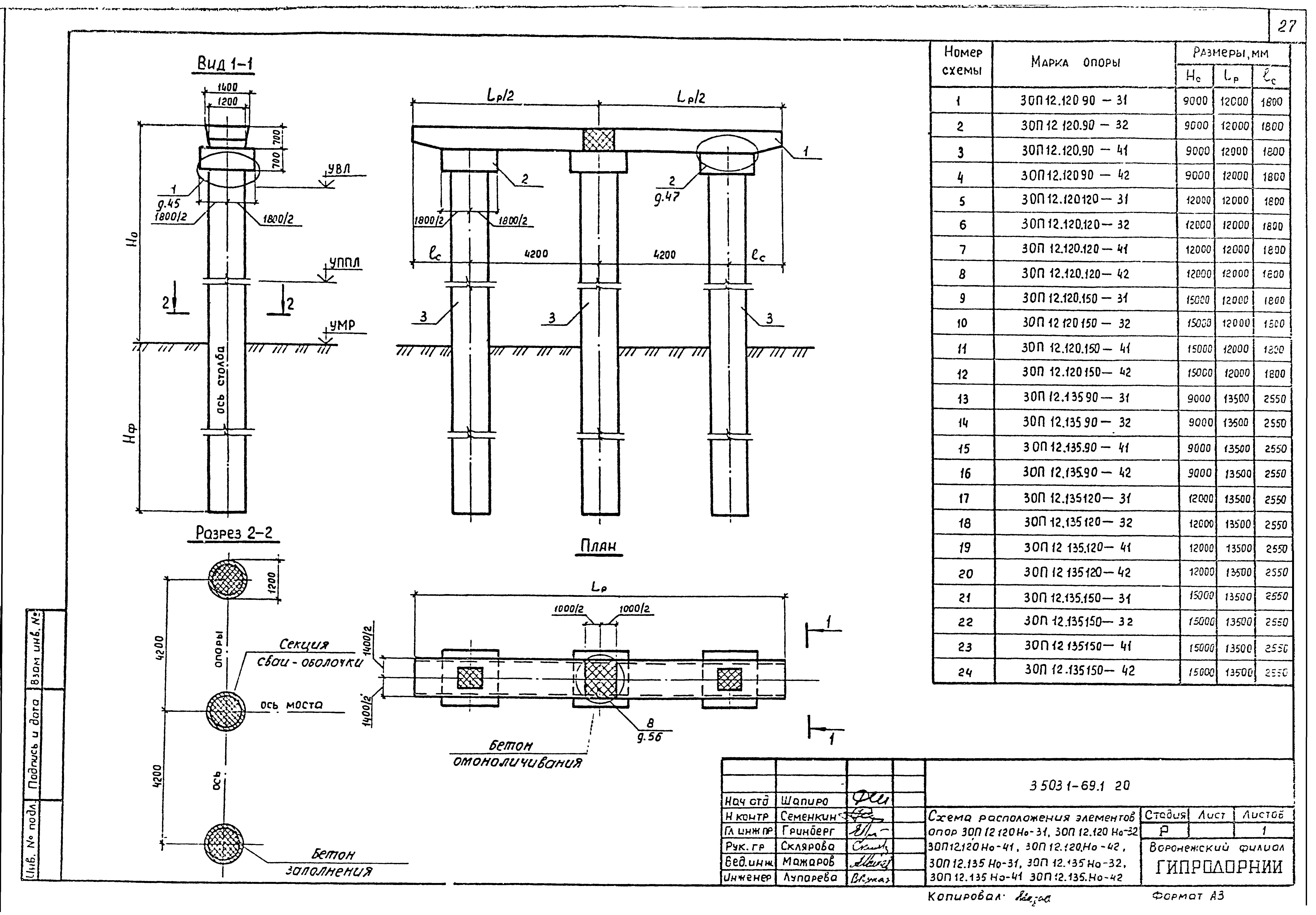
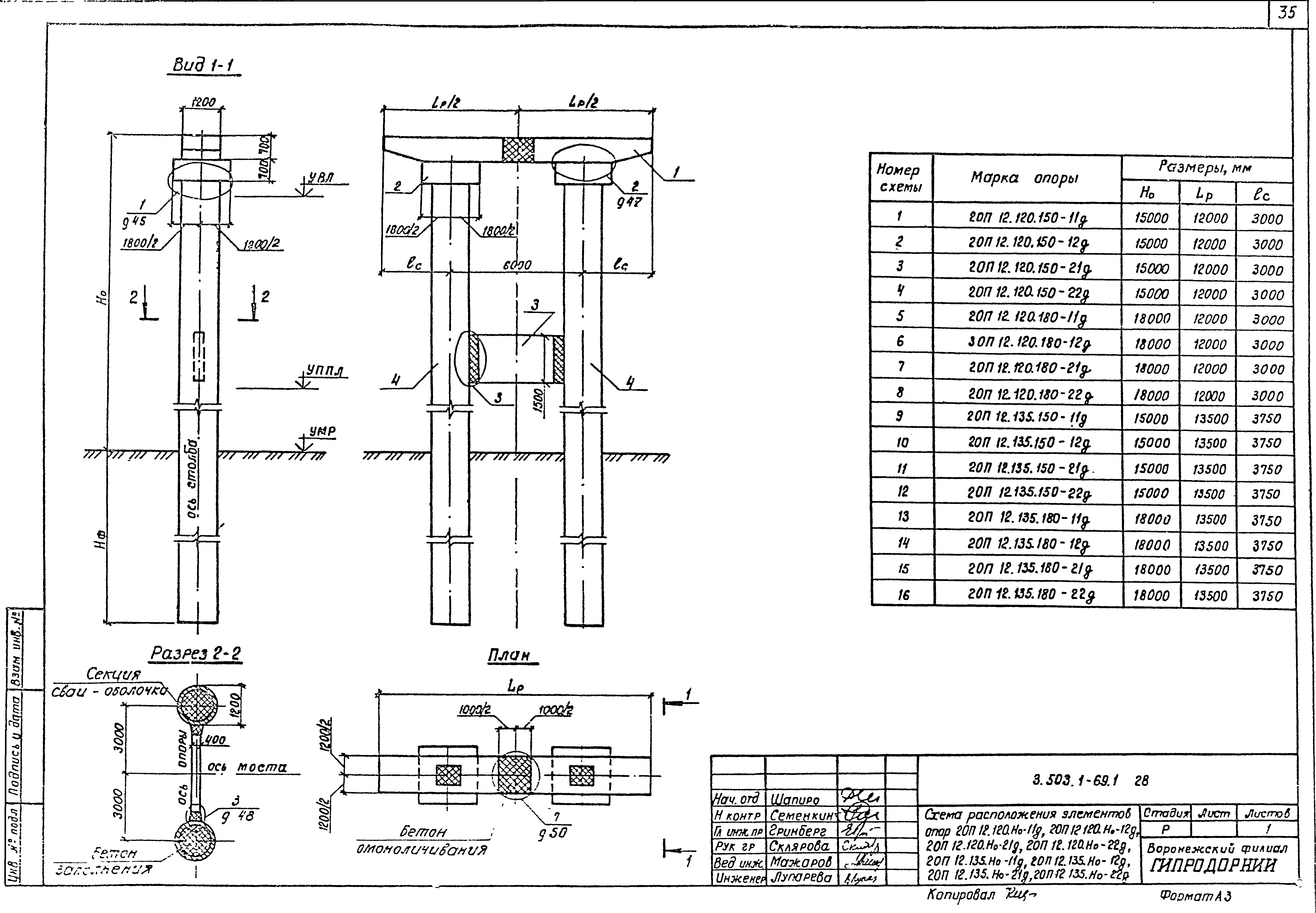
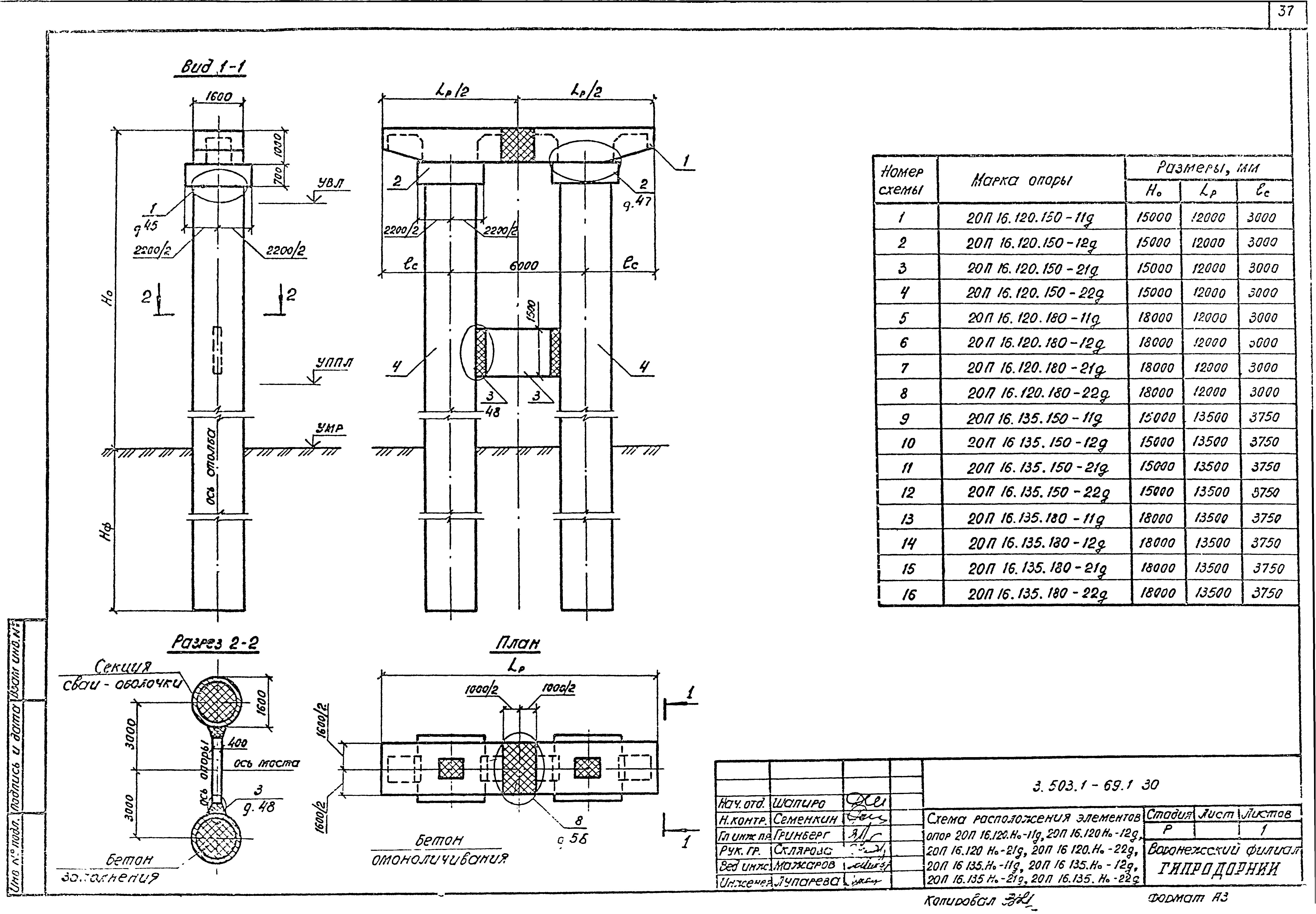
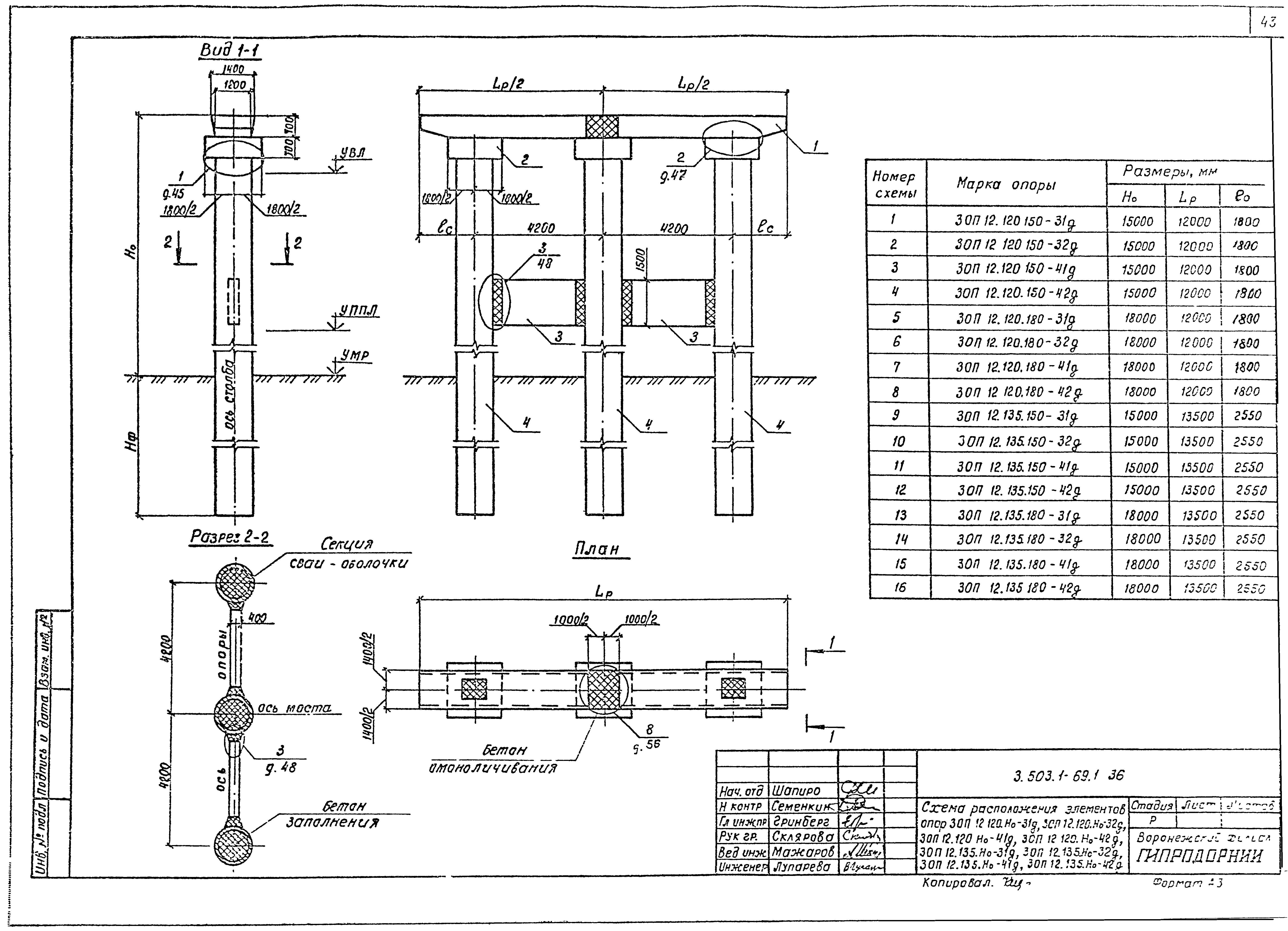
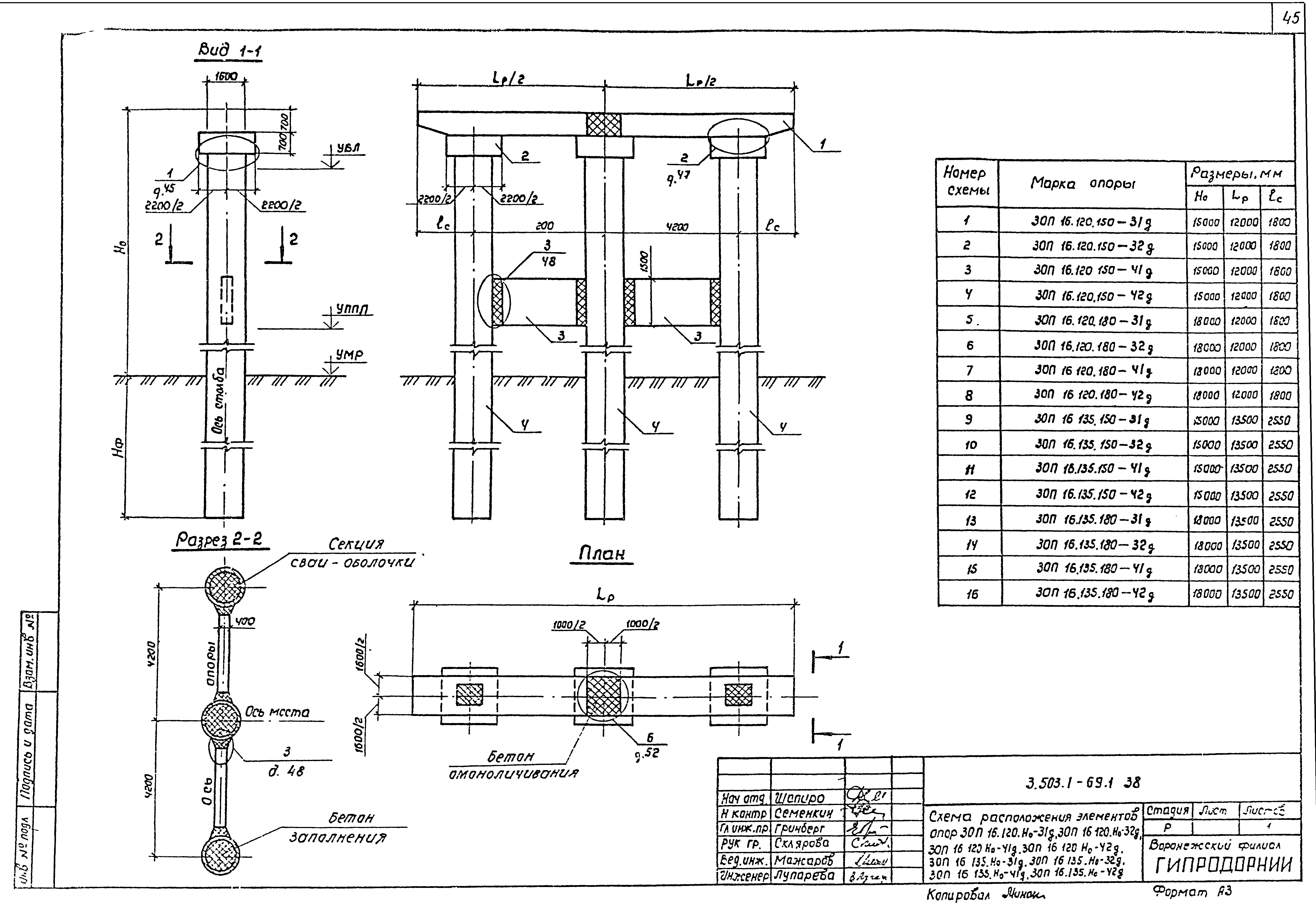
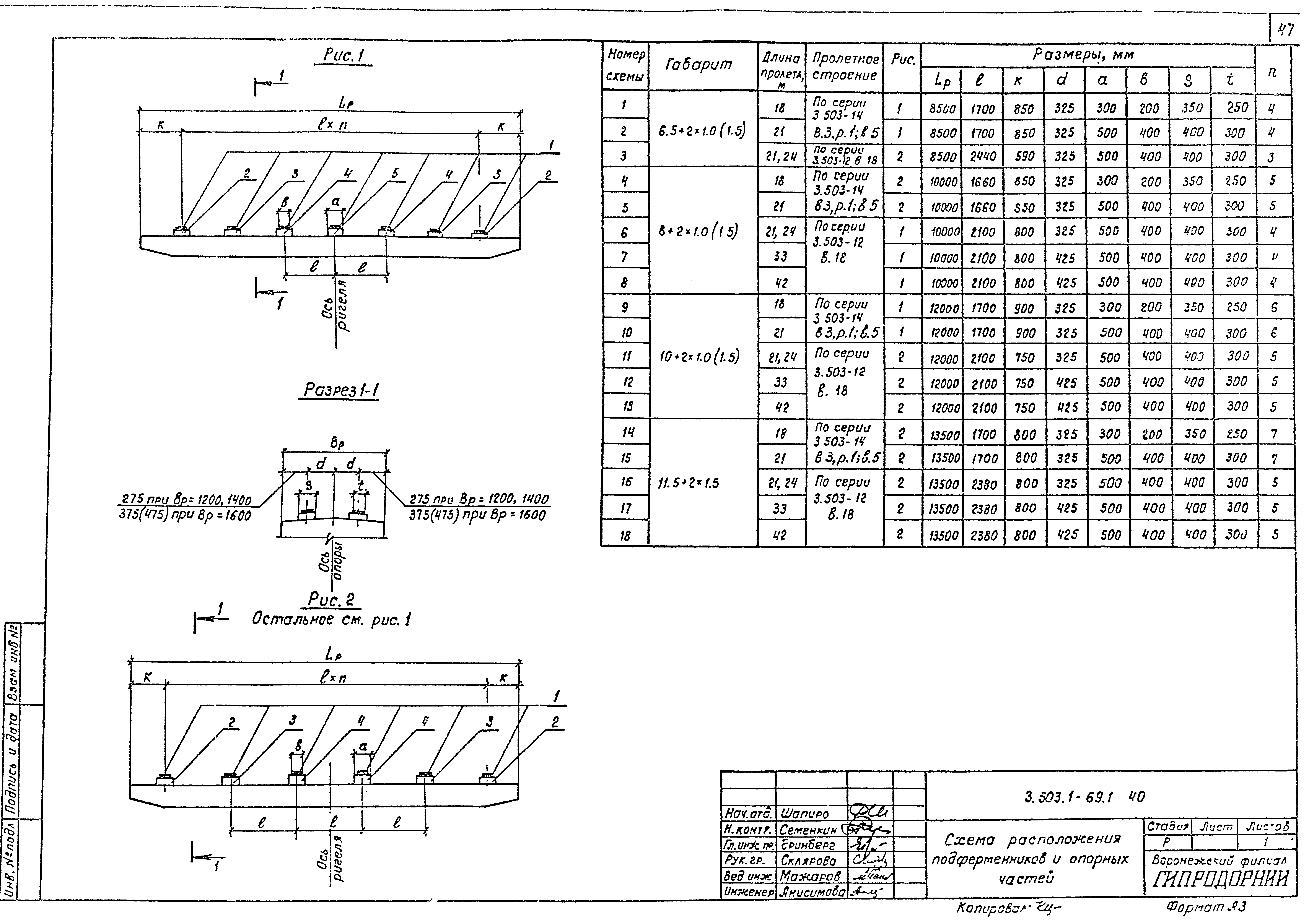
| Оглавление: | 3.503.1-69.1 00ТО Техническое описание 3.503.1-69.1 01 Спецификация к схеме расположения элементов опор 1ОП 12.85.Но-11, 1ОП 12.85.Но-12, 1ОП 16.85.Но-11, 1ОП 16.85.Но-12 3.503.1-69.1 02 Схема расположения элементов опор 1ОП 12.85.Но-11, 1ОП 12.85.Но-12, 1ОП 16.85.Но-11, 1ОП 16.85.Но-12 3.503.1.69.1 03 Спецификация к схеме расположения элементов опор 1ОП 12.100.Но-11, 1ОП 12.100.Но-12, 1ОП 16.100.Но-11, 1ОП 16.100.Но-12 3.503.1.69.1 04 Схема расположения элементов опор 1ОП 12.100.Но-11, 1ОП 12.100.Но-12, 1ОП 16.100.Но-11, 1ОП 16.100.Но-12 3.503.1.69.1 05 Спецификация к схеме расположения элементов опор 2ОП 12.85.Но-11, 2ОП 12.85.Но-12, 2ОП 12.85.Но-21, 2ОП 12.85.Но-22, 2ОП 12.100.Но-11, 2ОП 12.100.Но-12, 2ОП 12.100.Но-21, 2ОП 12.100.Но-22 3.503.1.69.1 06 Схема расположения элементов опор 2ОП 12.85.Но-11, 2ОП 12.85.Но-12, 2ОП 12.85.Но-21, 2ОП 12.85.Но-22, 2ОП 12.100.Но-11, 2ОП 12.100.Но-12, 2ОП 12.100.Но-21, 2ОП 12.100.Но-23 3.503.1.69.1 07 Спецификация к схеме расположения элементов опор 2ОП 16.85.Но-11, 2ОП 16.85.Но-12, 2ОП 16.85.Но-21, 2ОП 16.85.Но-22, 2ОП 16.100.Но-11, 2ОП 16.100.Но-12, 2ОП 16.100.Но-21, 2ОП 16.100.Но-22 3.503.1.69.1 08 Схема расположения элементов опор 2ОП 16.85.Но-11, 2ОП 16.85.Но-12, 2ОП 16.85.Но-21, 2ОП 16.85.Но-22, 2ОП 16.100.Но-11, 2ОП 16.100.Но-12, 2ОП 16.100.Но-21, 2ОП 16.100.Но-23 3.503.1.69.1 09 Спецификация к схеме расположения элементов опор 2ОП 12.120.Но-11, 2ОП 12.120.Но-12, 2ОП 12.120.Но-21, 2ОП 12.120.Но-22, 2ОП 12.135.Но-11, 2ОП 12.135.Но-12, 2ОП 12.135.Но-21, 2ОП 12.135.Но-22 3.503.1.69.1 10 Схема расположения элементов опор 2ОП 12.120.Но-11, 2ОП 12.120.Но-12, 2ОП 12.120.Но-21, 2ОП 12.120.Но-22, 2ОП 12.135.Но-11, 2ОП 12.135.Но-12, 2ОП 12.135.Но-21, 2ОП 12.135.Но-23 3.503.1.69.1 11 Спецификация к схеме расположения элементов опор 2ОП 16.120.Но-11, 2ОП 16.120.Но-12, 2ОП 16.120.Но-21, 2ОП 16.120.Но-22, 2ОП 16.135.Но-11, 2ОП 16.135.Но-12, 2ОП 16.135.Но-21, 2ОП 16.135.Но-22 3.503.1.69.1 12 Схема расположения элементов опор 2ОП 16.120.Но-11, 2ОП 16.120.Но-12, 2ОП 16.120.Но-21, 2ОП 16.120.Но-22, 2ОП 16.135.Но-11, 2ОП 16.135.Но-12, 2ОП 16.135.Но-21, 2ОП 16.135.Но-23 3.503.1.69.1 13 Спецификация к схеме расположения элементов опор 2ОП 16.100.Но-31, 2ОП 16.100.Но-32, 2ОП 16.100.Но-41, 2ОП 16.100.Но-42 3.503.1.69.1 14 Схема расположения элементов опор 2ОП 16.100.Но-31, 2ОП 16.100.Но-32, 2ОП 16.100.Но-41, 2ОП 16.100.Но-43 3.503.1.69.1 15 Спецификация к схеме расположения элементов опор 2ОП 16.120.Но-31, 2ОП 16.102.Но-32, 2ОП 16.120.Но-41, 2ОП 16.120.Но-42, 2ОП 16.135.Но-31, 2ОП 16.135.Но-32, 2ОП 16.135.Но-41, 2ОП16.135.Но-42 3.503.1.69.1 16 Схема расположения элементов опор 2ОП 16.120.Но-31, 2ОП 16.102.Но-32, 2ОП 16.120.Но-41, 2ОП 16.120.Но-42, 2ОП 16.135.Но-31, 2ОП 16.135.Но-32, 2ОП 16.135.Но-41, 2ОП16.135.Но-43 3.503.1.69.1 17 Спецификация к схеме расположения элементов опор 3ОП 12.120.Но-21, 3ОП 12.120.Но-22, 3ОП 12.135.Но-21, 3ОП 12.135.Но-22, 3ОП 16.120.Но-21, 3ОП 16.120.Но-22, 3ОП 16.135.Но-21, 3ОП 16.135.Но-22 3.503.1.69.1 18 Схема расположения элементов опор 3ОП 12.120.Но-21, 3ОП 12.120.Но-22, 3ОП 12.135.Но-21, 3ОП 12.135.Но-22, 3ОП 16.120.Но-21, 3ОП 16.120.Но-22, 3ОП 16.135.Но-21, 3ОП 16.135.Но-22 3.503.1.69.1 19 Спецификация к схеме расположения элементов опор 3ОП 12.120.Но-31, 3ОП 12.120.Но-32, 3ОП 12.120.Но-41, 3ОП 12.120.Но-42, 3ОП 12.135.Но-31, 3ОП 12.135.Но-32, 3ОП 12.135.Но-41, 3ОП 12.135.Но-42 3.503.1.69.1 20 Схема расположения элементов опор 3ОП 12.120.Но-31, 3ОП 12.120.Но-32, 3ОП 12.120.Но-41, 3ОП 12.120.Но-42, 3ОП 12.135.Но-31, 3ОП 12.135.Но-32, 3ОП 12.135.Но-41, 3ОП 12.135.Но-43 3.503.1.69.1 21 Спецификация к схеме расположения элементов опор 3ОП 16.120.Но-31, 3ОП 16.120.Но-32, 3ОП 16.120.Но-41, 3ОП 16.120.Но-42, 3ОП 16.135.Но-31, 3ОП 16.135.Но-32, 3ОП 16.135.Но-41, 3ОП 16.135.Но-42 3.503.1.69.1 22 Схема расположения элементов опор 3ОП 16.120.Но-31, 3ОП 16.120.Но-32, 3ОП 16.120.Но-41, 3ОП 16.120.Но-42, 3ОП 16.135.Но-31, 3ОП 16.135.Но-32, 3ОП 16.135.Но-41, 3ОП 16.135.Но-43 3.503.1.69.1 23 Спецификация к схеме расположения элементов опор 2ОП 12.85.Но-11д, 2ОП 12.85.Но-21д, 2ОП 12.85.Но-22д, 2ОП 12.100.Но-11д, 2ОП 12.100.Но-12д, 2ОП 12.100.Но-21д, 2ОП 12.100.Но-22д 3.503.1.69.1 24 Схема расположения элементов опор 2ОП 12.85.Но-11д, 2ОП 12.85.Но-21д, 2ОП 12.85.Но-22д, 2ОП 12.100.Но-11д, 2ОП 12.100.Но-12д, 2ОП 12.100.Но-21д, 2ОП 12.100.Но-22д 3.503.1.69.1 25 Спецификация к схеме расположения элементов опор 2ОП 16.85.Но-11д, 2ОП 16.85.Но-21д, 2ОП 16.85.Но-22д, 2ОП 16.100.Но-11д, 2ОП 16.100.Но-12д, 2ОП 16.100.Но-21д, 2ОП 16.100.Но-22д 3.503.1.69.1 26 Схема расположения элементов опор 2ОП 16.85.Но-11д, 2ОП 16.85.Но-21д, 2ОП 16.85.Но-22д, 2ОП 16.100.Но-11д, 2ОП 16.100.Но-12д, 2ОП 16.100.Но-21д, 2ОП 16.100.Но-22д 3.503.1.69.1 27 Спецификация к схеме расположения элементов опор 2ОП 12.120.Но-11д, 2ОП 12.120.Но-21д, 2ОП 12.120.Но-22д, 2ОП 12.135.Но-11д, 2ОП 12.135.Но-12д, 2ОП 12.135.Но-21д, 2ОП 12.135.Но-22д 3.503.1.69.1 28 Схема расположения элементов опор 2ОП 12.120.Но-11д, 2ОП 12.120.Но-21д, 2ОП 12.120.Но-22д, 2ОП 12.135.Но-11д, 2ОП 12.135.Но-12д, 2ОП 12.135.Но-21д, 2ОП 12.135.Но-22д 3.503.1.69.1 29 Спецификация к схеме расположения элементов опор 2ОП 16.120.Но-11д, 2ОП 16.120.Но-12д, 2ОП 16.120.Но-21д, 2ОП 16.120.Но-22д, 2ОП 16.135.Но-11д, 2ОП 16.135.Но-12д, 2ОП 16.135.Но-21д, 2ОП 16.135.Но-22д 3.503.1.69.1 30 Схема расположения элементов опор 2ОП 16.120.Но-11д, 2ОП 16.120.Но-12д, 2ОП 16.120.Но-21д, 2ОП 16.120.Но-22д, 2ОП 16.135.Но-11д, 2ОП 16.135.Но-12д, 2ОП 16.135.Но-21д, 2ОП 16.135.Но-22д 3.503.1.69.1 31 Спецификация к схеме расположения элементов опор 2ОП 16.100.Но-31д, 2ОП 16.100.Но-32д, 2ОП 16.100.Но-41д, 2ОП 16.100.Но-42д, 2ОП 16.120.Но-31д, 2ОП 16.120.Но-32д, 2ОП 16.120.Но-41д, 2ОП 16.120.Но-42д, 2ОП 16.135.Но-31д, 2ОП 16.135. Но-32д, 2ОП 16.135.Но-41д, 2ОП 16.135.Но-42д 3.503.1.69.1 32 Схема расположения элементов опор 2ОП 16.100.Но-31д, 2ОП 16.100.Но-32д, 2ОП 16.100.Но-41д, 2ОП 16.100.Но-42д, 2ОП 16.120.Но-31д, 2ОП 16.120.Но-32д, 2ОП 16.120.Но-41д, 2ОП 16.120.Но-42д, 2ОП 16.135.Но-31д, 2ОП 16.135. Но-32д, 2ОП 16.135.Но-41д, 2ОП 16.135.Но-42д 3.503.1.69.1 33 Спецификация к схеме расположения элементов опор 3ОП 12.120.Но-21д, 3ОП 12.120.Но-22д, 3ОП 12.135.Но-21д, 3ОП 12.135.Но-22д, 3ОП 16.120.Но-21д, 3ОП 16.120.Но-22д, 3ОП 16.135.Но-21д, 3ОП 16.135.Но-22д 3.503.1.69.1 34 Схема расположения элементов опор 3ОП 12.120.Но-21д, 3ОП 12.120.Но-22д, 3ОП 12.135.Но-21д, 3ОП 12.135.Но-22д, 3ОП 16.120.Но-21д, 3ОП 16.120.Но-22д, 3ОП 16.135.Но-21д, 3ОП 16.135.Но-22д 3.503.1.69.1 35 Спецификация к схеме расположения элементов опор 3ОП 12.120.Но-31д, 3ОП 12.120.Но-32д, 3ОП 12.120.Но-41д, 3ОП 12.120.Но-42д, 3ОП 12.135.Но-31д, 3ОП 12.135.Но-32д, 3ОП 12.135.Но-41д, 3ОП 12.135.Но-42д 3.503.1.69.1 36 Схема расположения элементов опор 3ОП 12.120.Но-31д, 3ОП 12.120.Но-32д, 3ОП 12.120.Но-41д, 3ОП 12.120.Но-42д, 3ОП 12.135.Но-31д, 3ОП 12.135.Но-32д, 3ОП 12.135.Но-41д, 3ОП 12.135.Но-42д 3.503.1.69.1 37 Спецификация к схеме расположения элементов опор 3ОП 16.120.Но-31д, 3ОП 16.120.Но-32д, 3ОП 16.120.Но-41д, 3ОП 16.120.Но-42д, 3ОП 16.135.Но-31д, 3ОП 16.135.Но-32д, 3ОП 16.135.Но-41д, 3ОП 16.135.Но-42д 3.503.1.69.1 38 Схема расположения элементов опор 3ОП 16.120.Но-31д, 3ОП 16.120.Но-32д, 3ОП 16.120.Но-41д, 3ОП 16.120.Но-42д, 3ОП 16.135.Но-31д, 3ОП 16.135.Но-32д, 3ОП 16.135.Но-41д, 3ОП 16.135.Но-42д 3.503.1-69.1 39 Спецификация к схеме расположения подферменников и опорных частей 3.503.1-69.1 40 Схема расположения подферменников и опорных частей 3.503.1-69.1 41 Спецификация к схеме расположения элементов столбов высотой L = 20 -24 м 3.503.1-69.1 42 Схема расположения элементов столба высотой L = 20 -24 м 3.503.1-69.1 43 Спецификация к схеме расположения элементов столба высотой L = 26 - 30 м 3.503.1-69.1 44 Схема расположения элементов столба высотой L = 26 - 30 м 3.503.1-69.1 45 Узел 1. Сопряжение капители со столбом 3.503.1-69.1 46 Узел 1. Сопряжение капители со столбом. Сборочный чертеж 3.503.1-69.1 47 Узел 2. Сопряжение ригеля с капителью 3.503.1-69.1 48 Узел 3. Сопряжение диафрагмы со столбом 3.503.1-69.1 49 Узел 4. Сопряжение секций свай оболочек 3.503.1-69.1 50 Узел 5. Сопряжение блоков ригеля прямоугольного сечения шириной 1,2 м 3.503.1-69.1 51 Узел 5. Сопряжение блоков ригеля прямоугольного сечения шириной 1,2 м. Сборочный чертеж 3.503.1-69.1 52 Узел 6. Сопряжение блоков ригеля прямоугольного сечения шириной 1,6 м 3.503.1-69.1 53 Узел 6. Сопряжение блоков ригеля прямоугольного сечения шириной 1,6 м. Сборочный чертеж 3.503.1-69.1 54 Узел 7. Сопряжение блоков ригеля П-образного сечения 3.503.1-69.1 55 Узел 7. Сопряжение блоков ригеля П-образного сечения. Сборочный чертеж 3.503.1-69.1 56 Узел 8. Сопряжение блоков ригеля трапециевидного сечения 3.503.1-69.1 57 Узел 8. Сопряжение блоков ригеля трапециевидного сечения. Сборочный чертеж 3.503.1-69.1 58 Подферменник монолитный Пи-1 - Пи-19 3.503.1-69.1 59 Подферменник монолитный Пи-1 - Пи-19. Сборочный чертеж 3.503.1-69.1 60 Участок монолитный Ум2 3.503.1-69.1 61 Участок монолитный Ум3 3.503.1-69.1 62 Участок монолитный Ум3. Сборочный чертеж |
| Разработан: | Воронежский филиал ГипродорНИИ |
| Утверждён: | 12.08.1986 Министерство автомобильных дорог РСФСР (51) |











































































