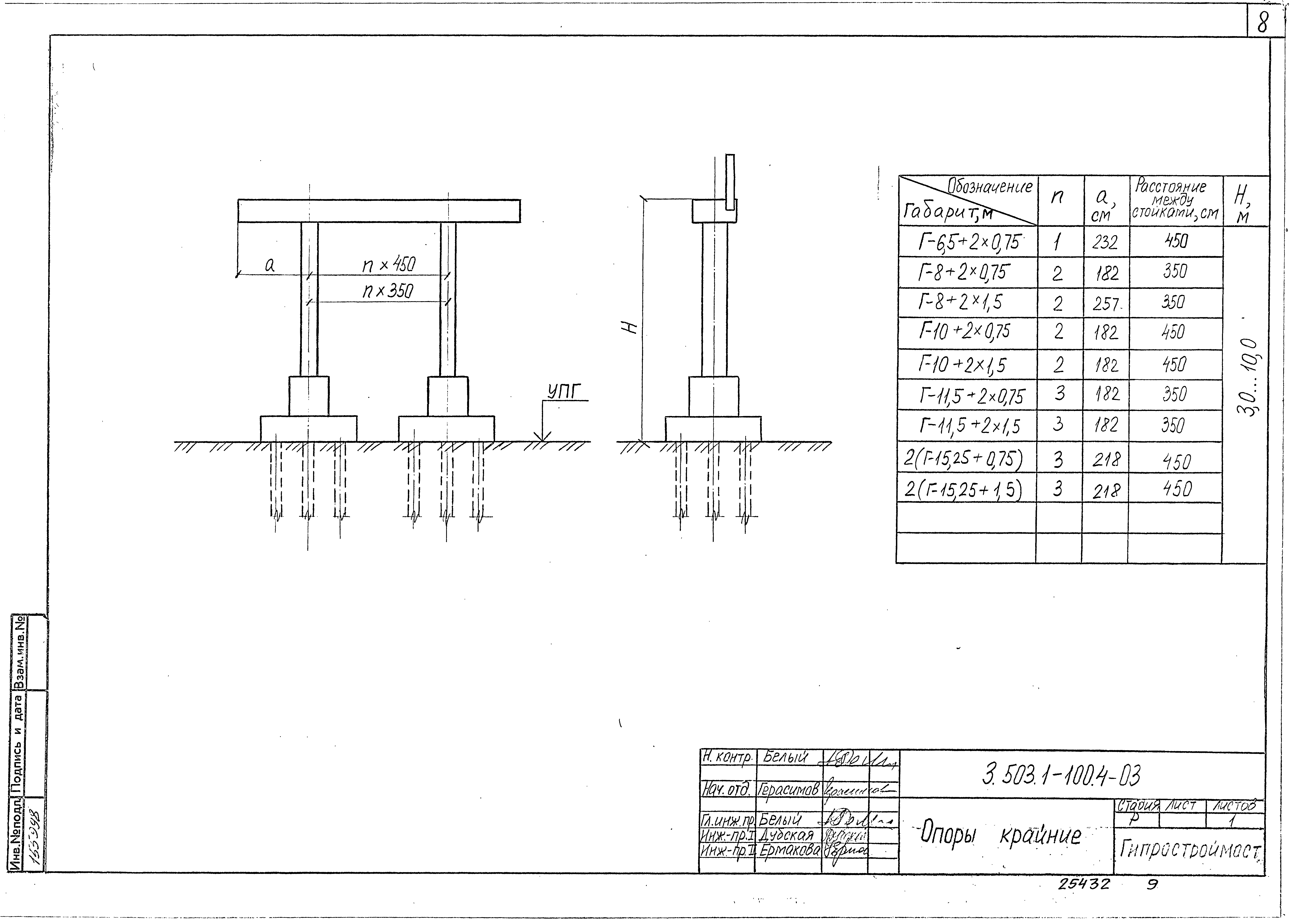
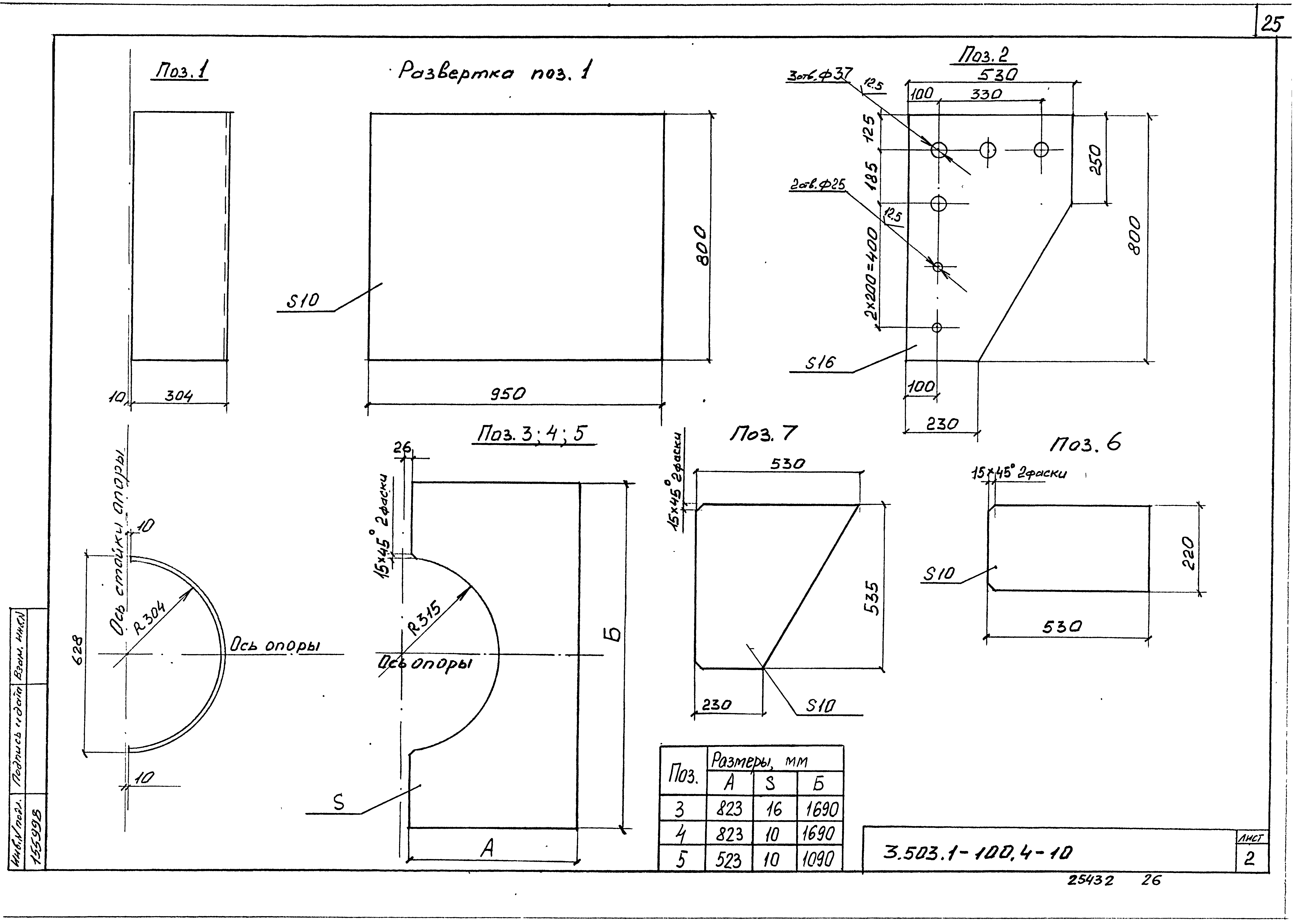
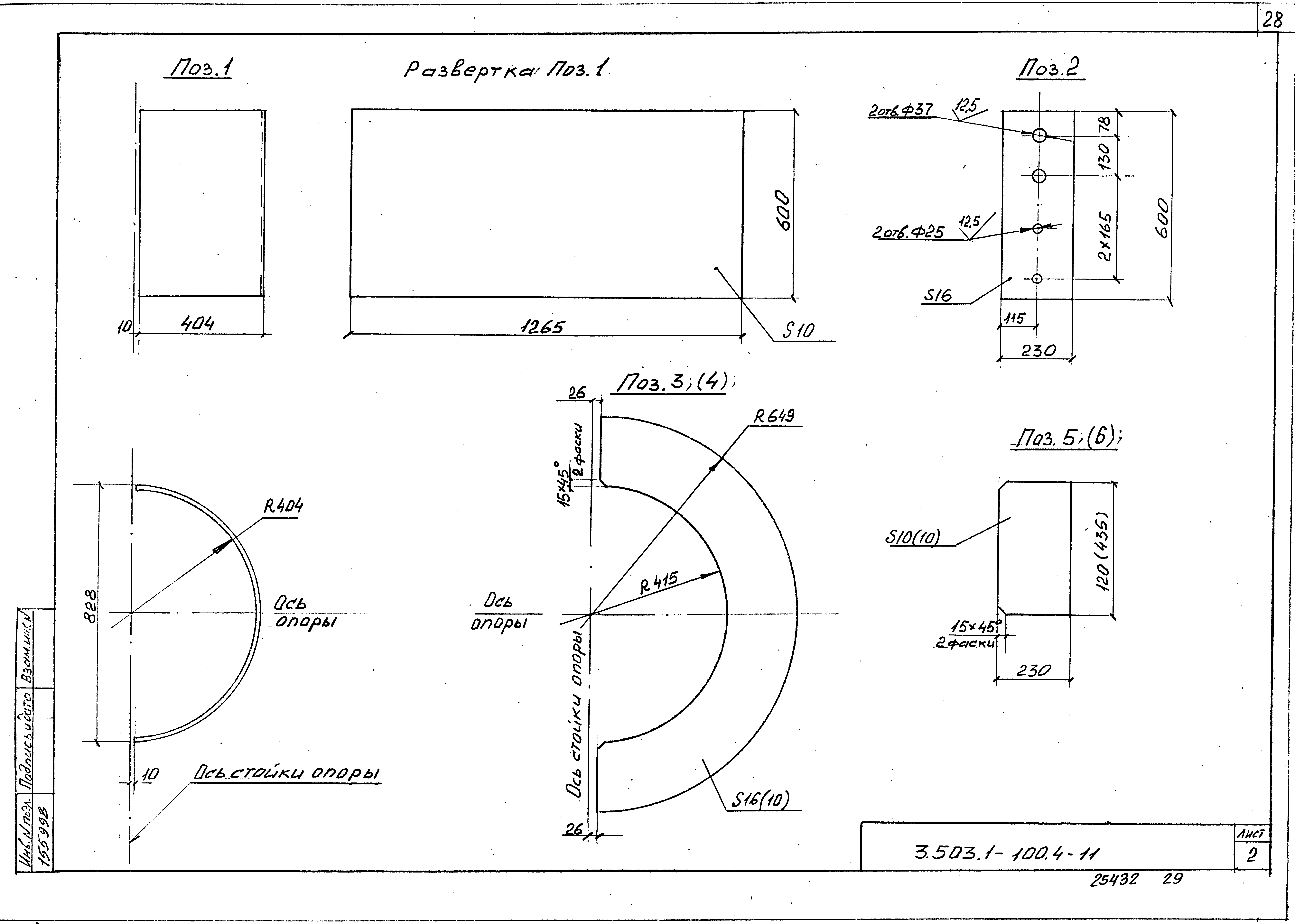
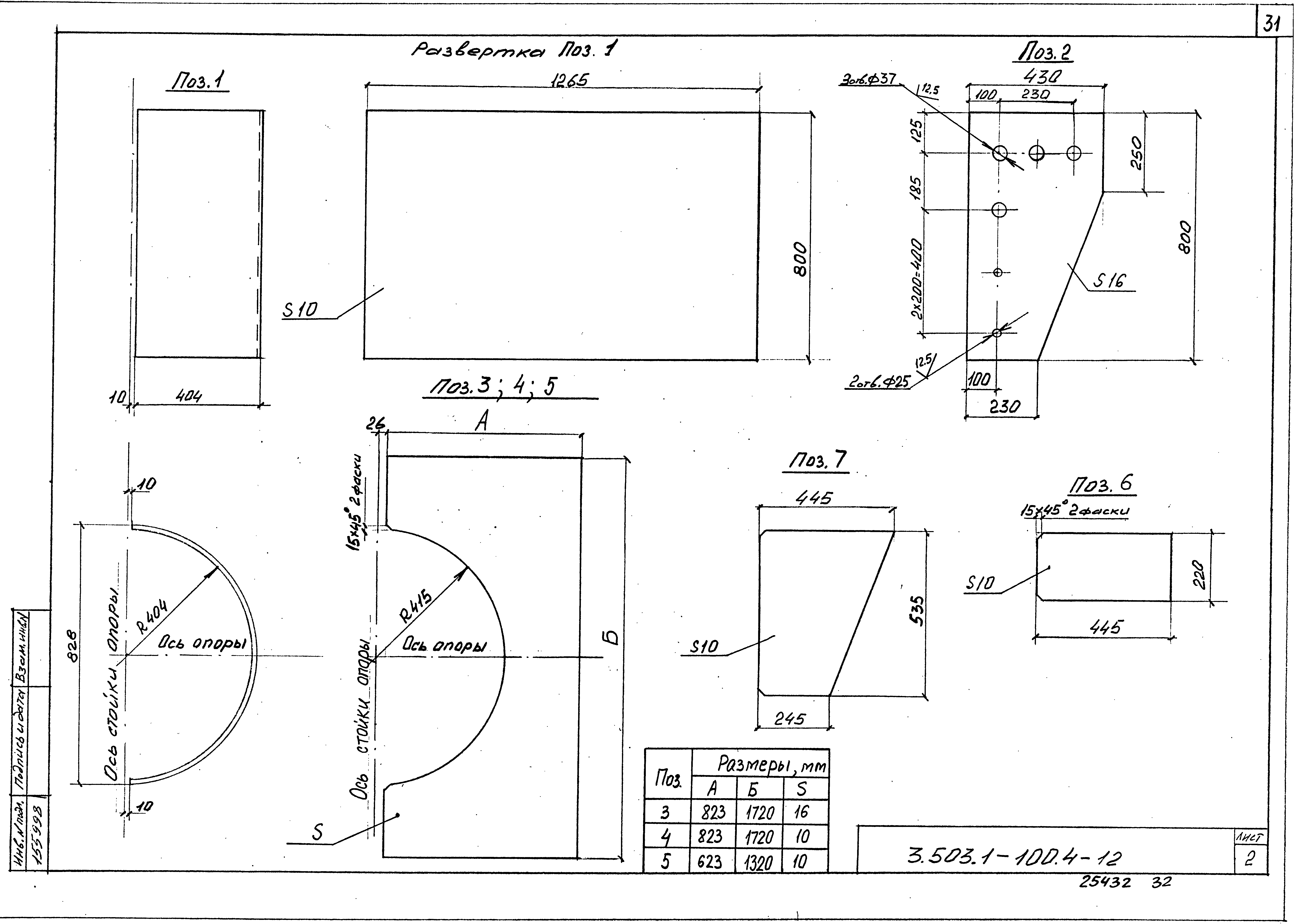
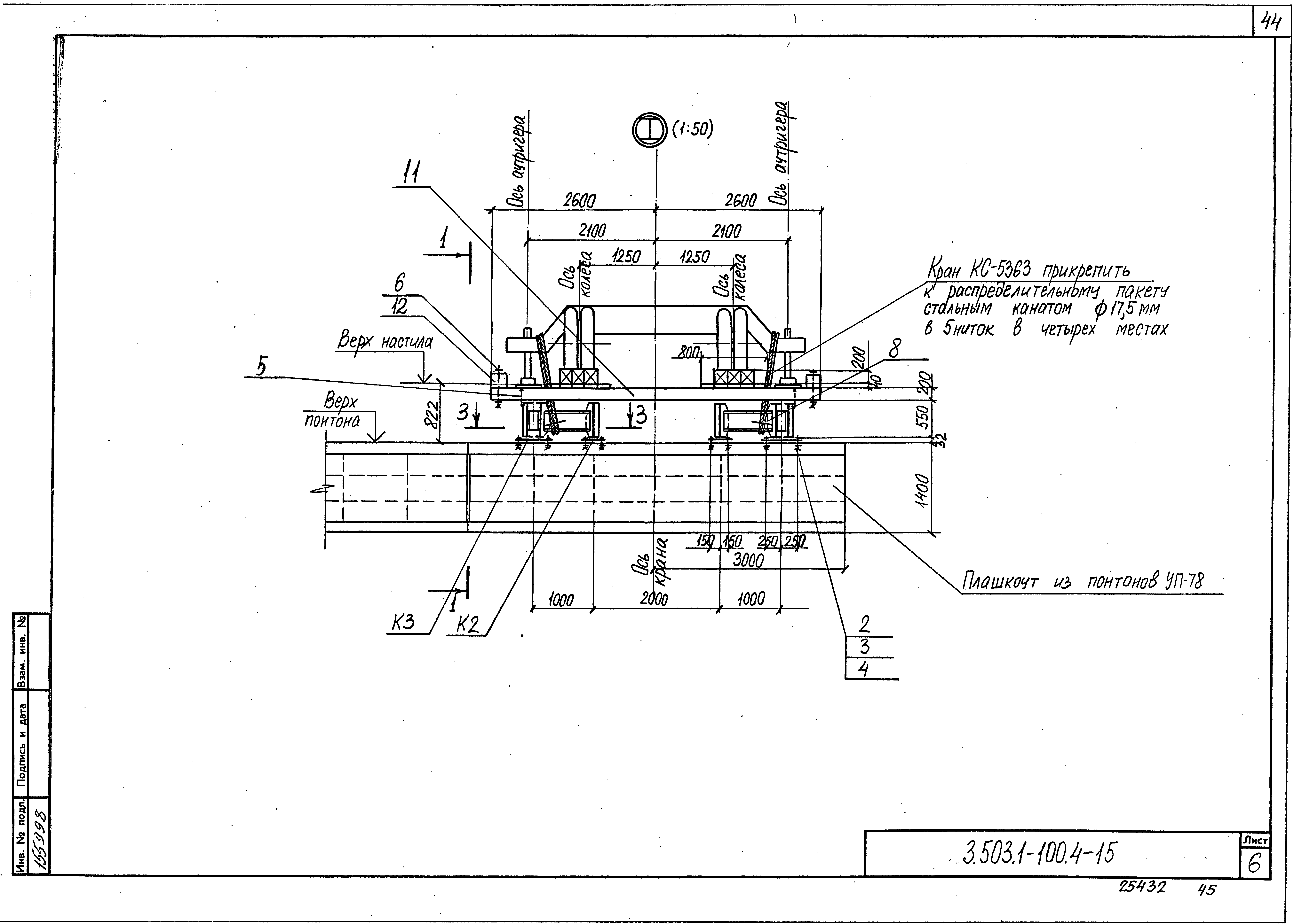
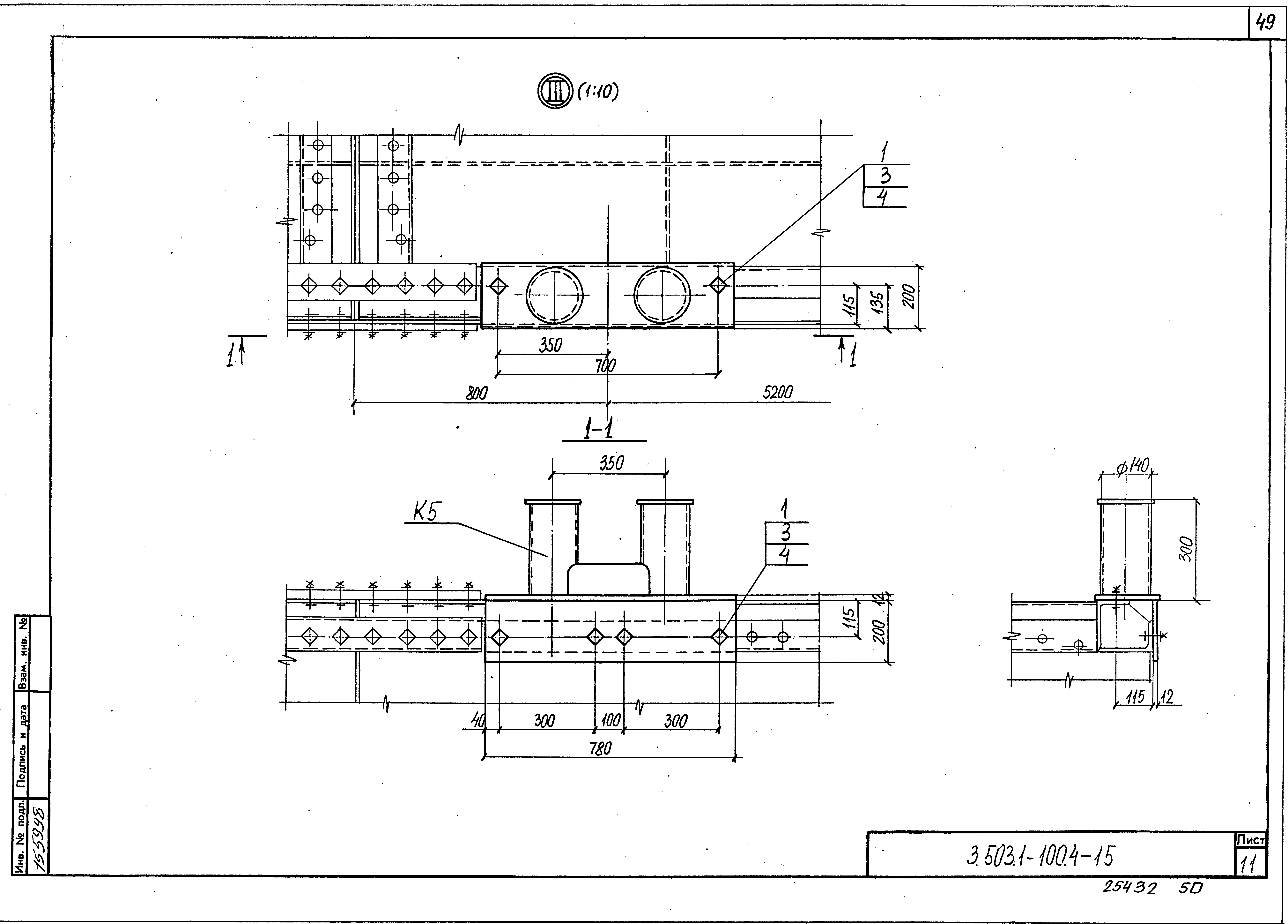
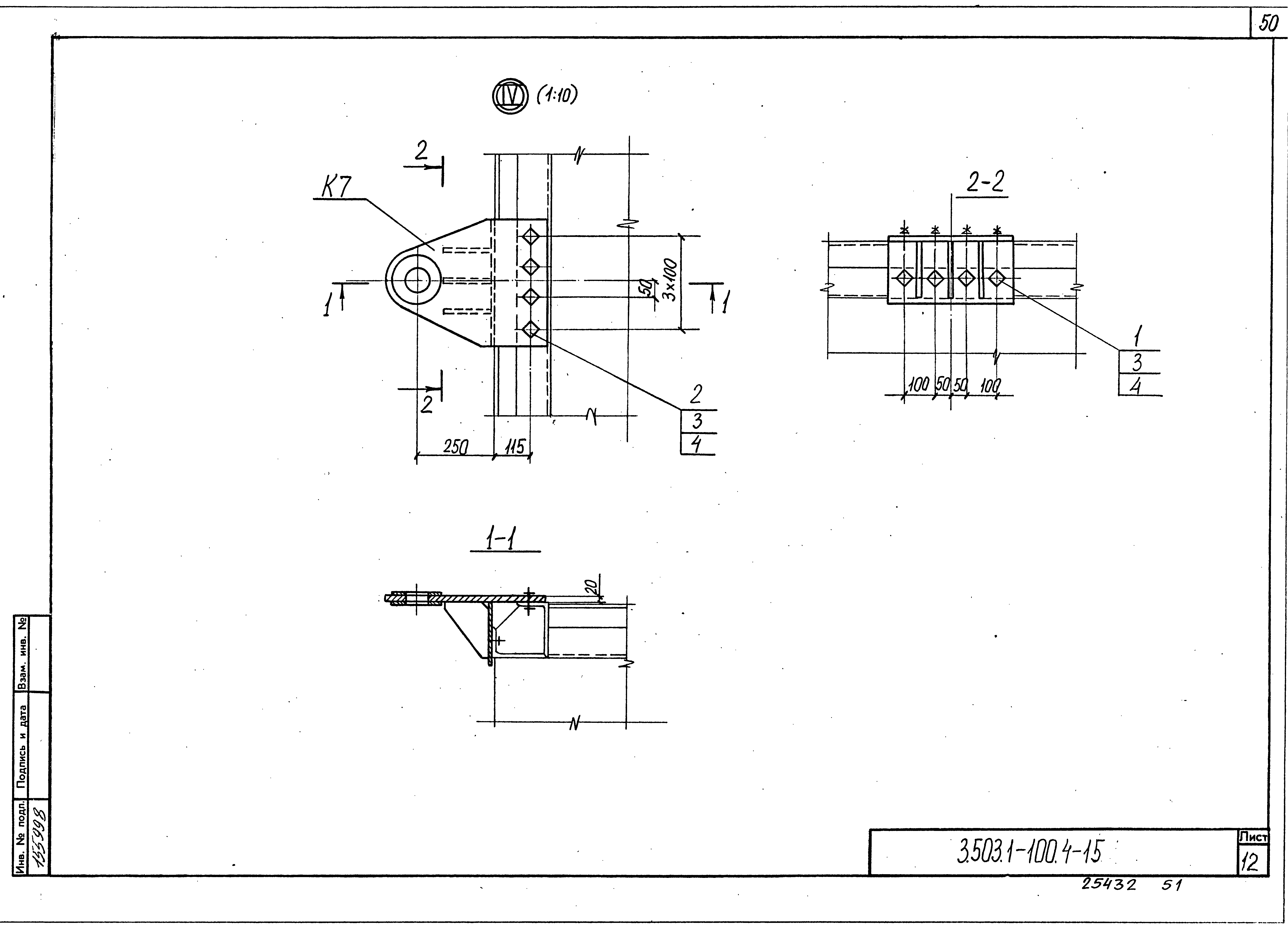
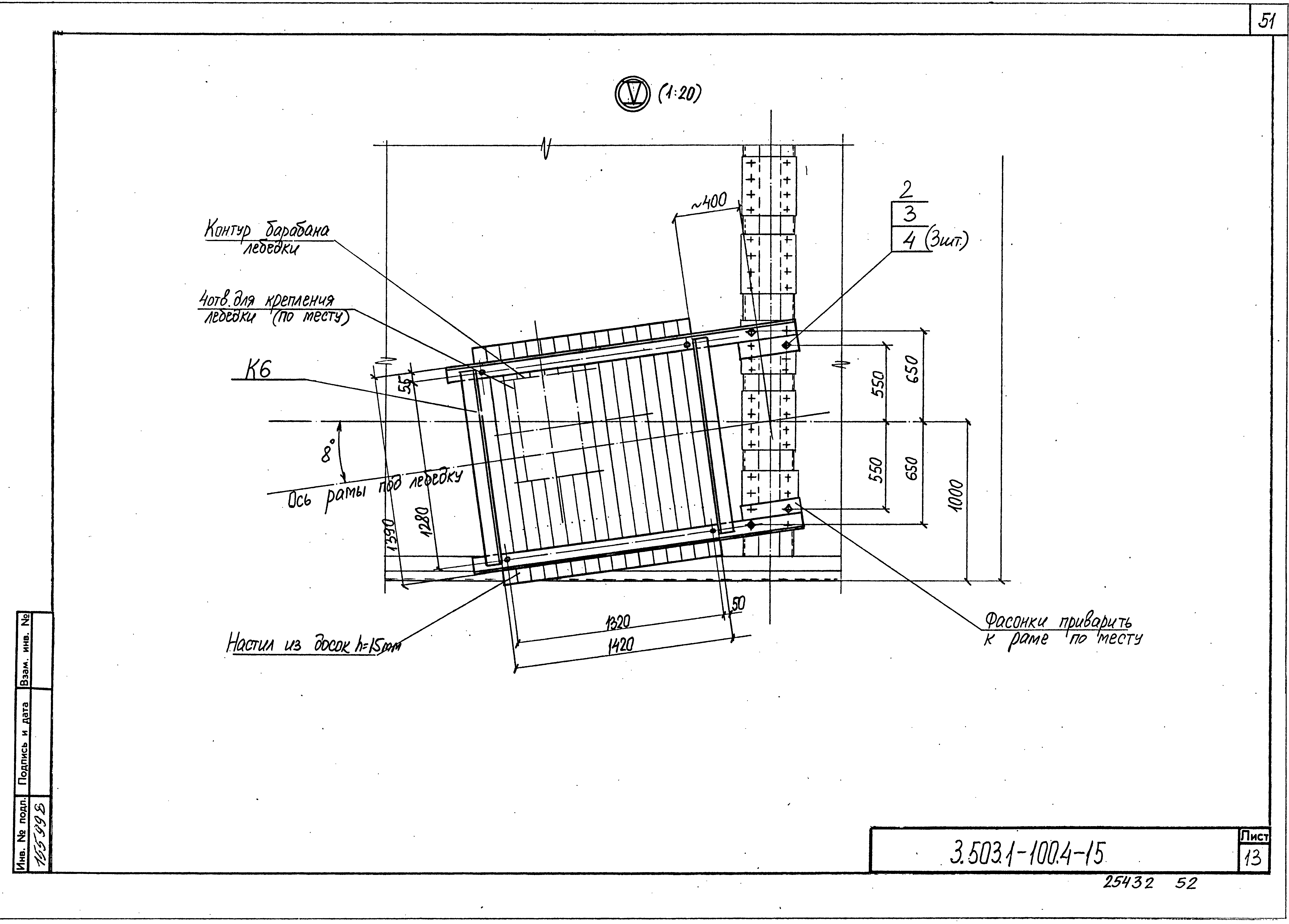
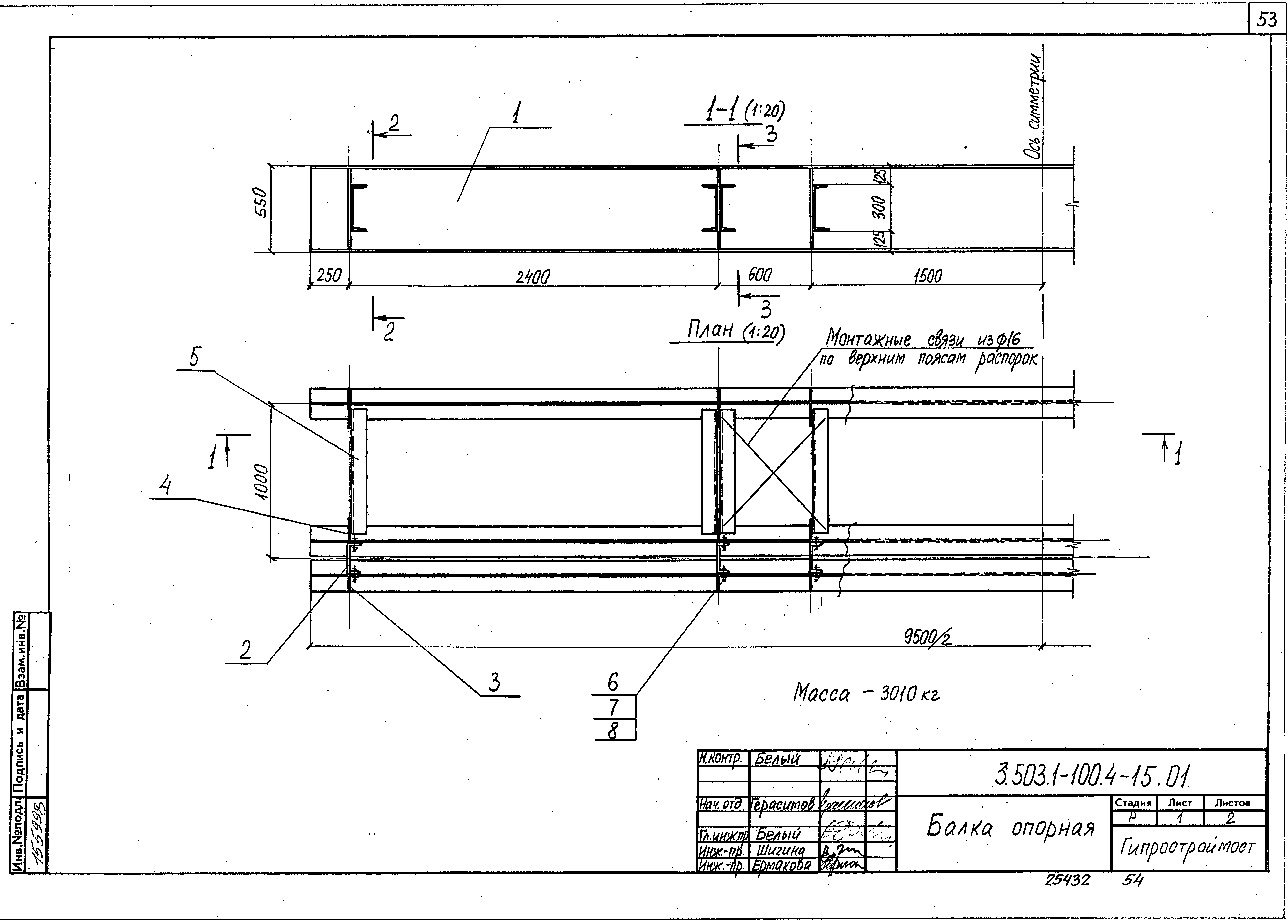
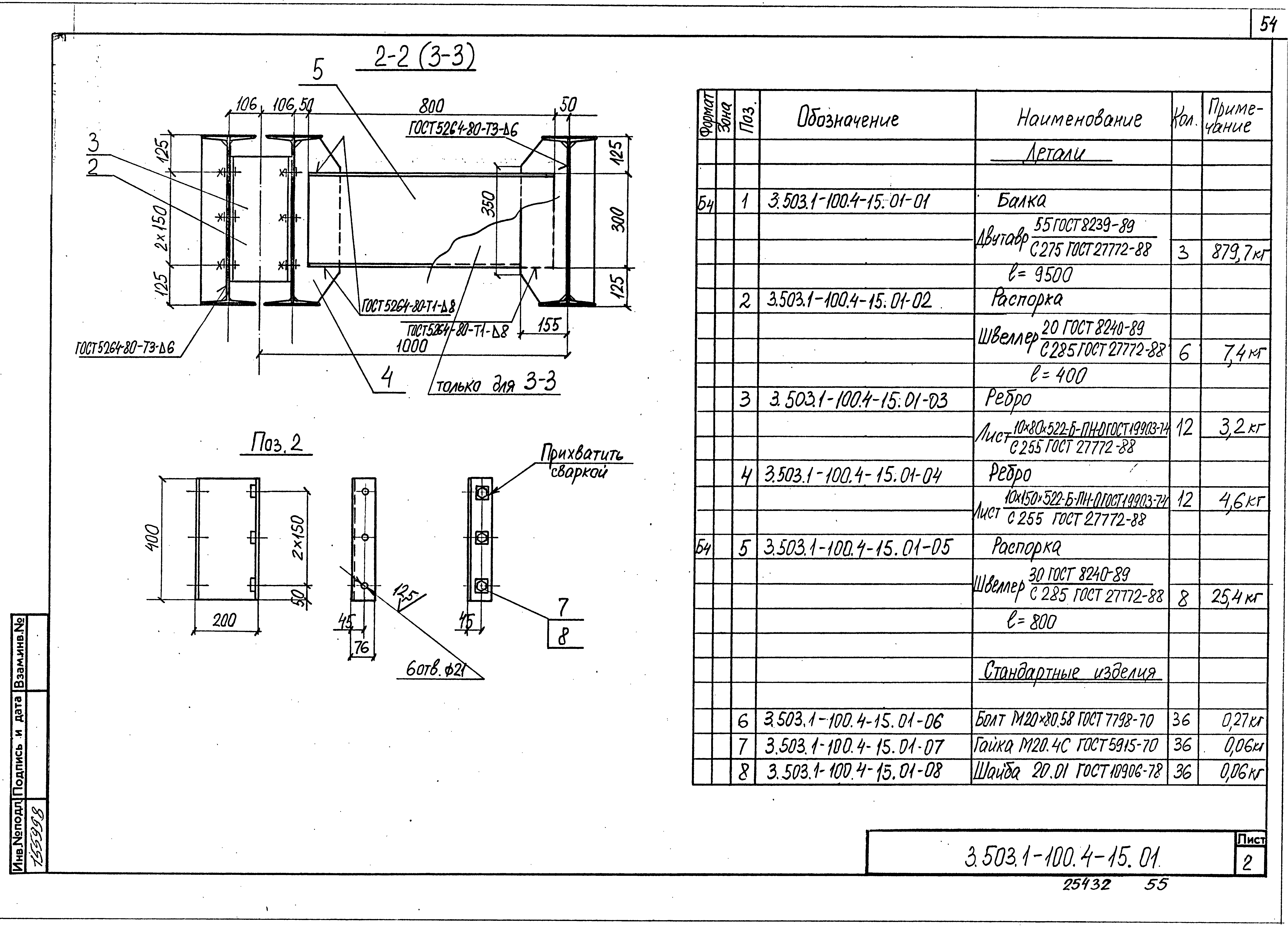
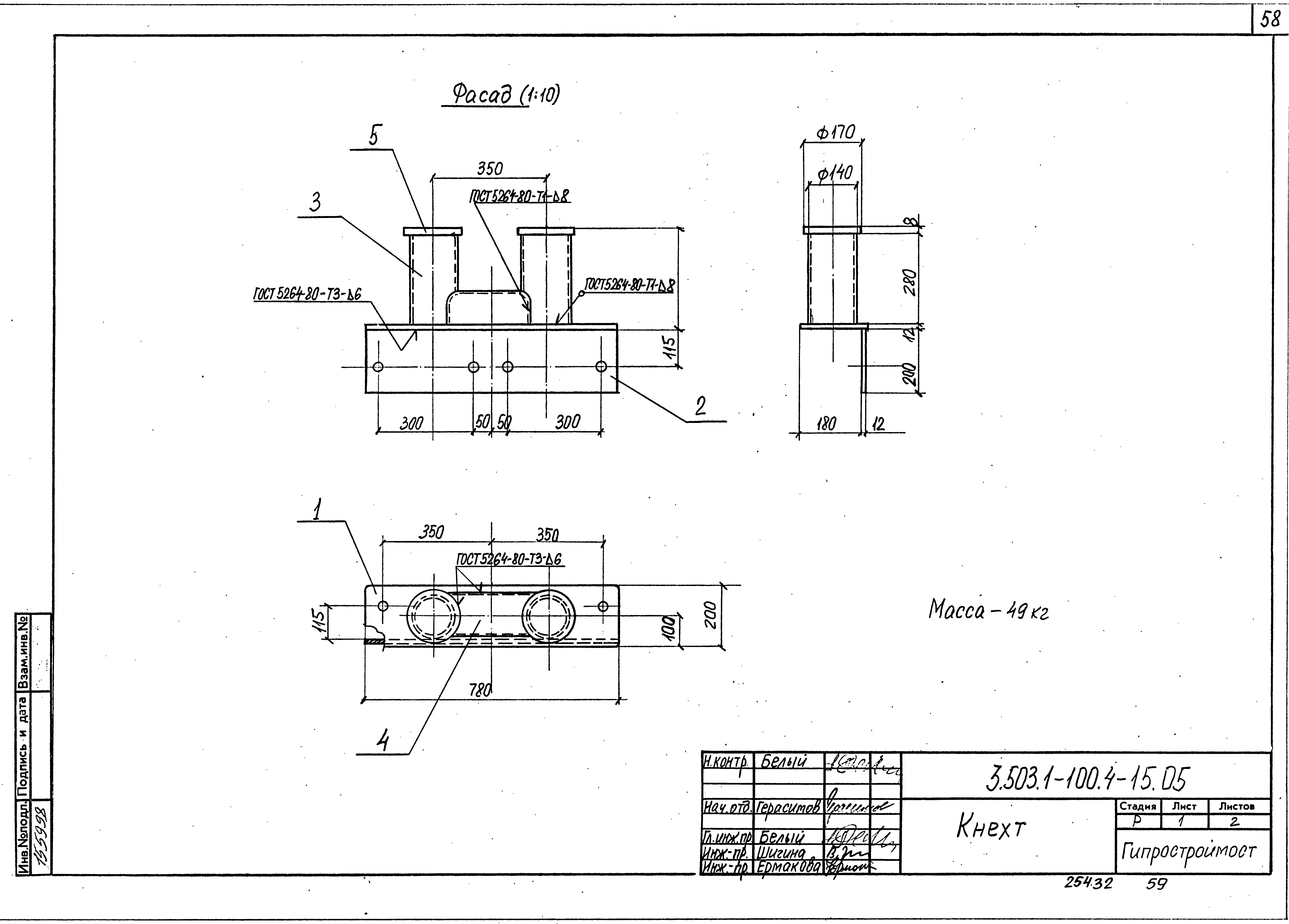
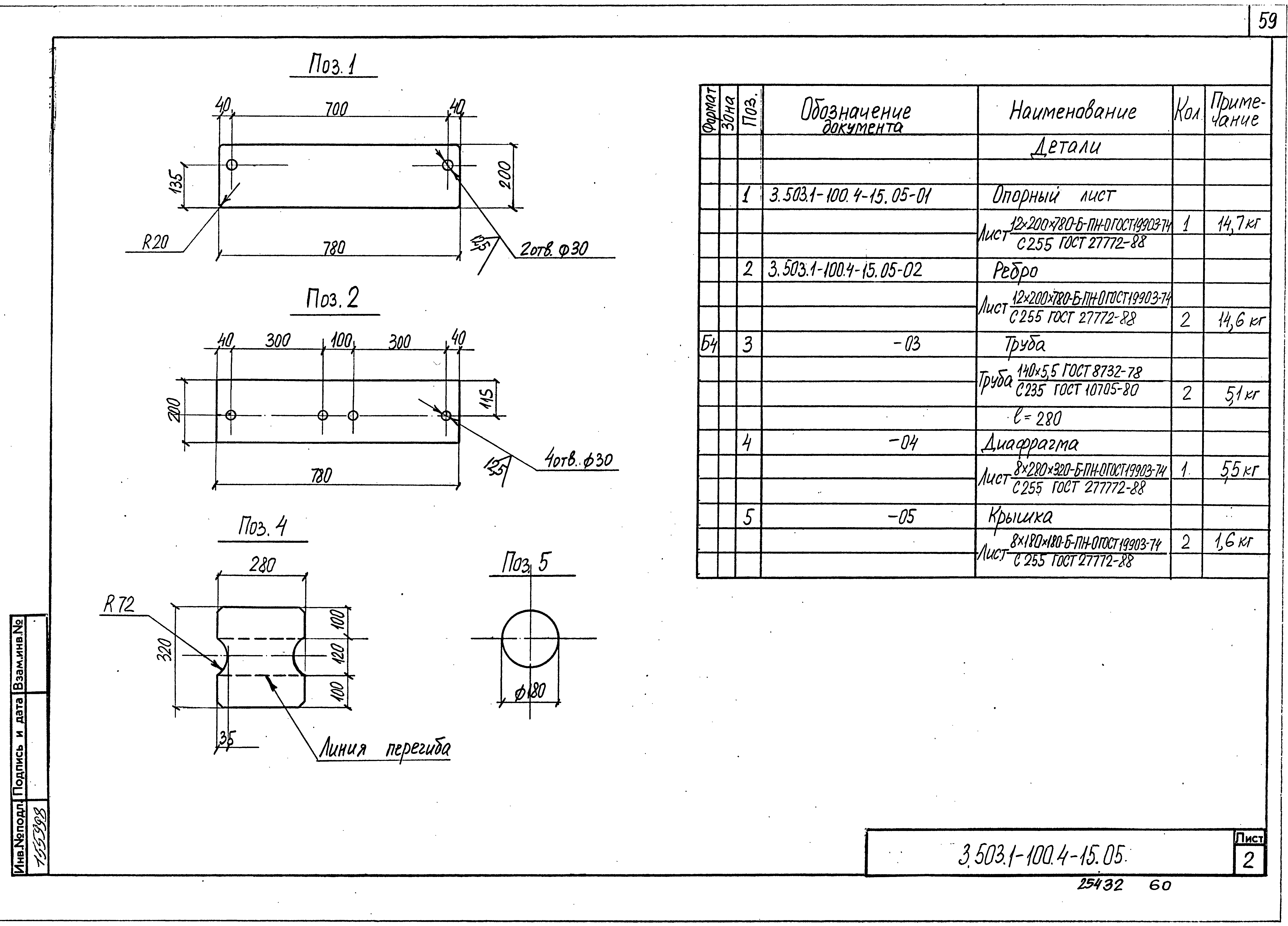
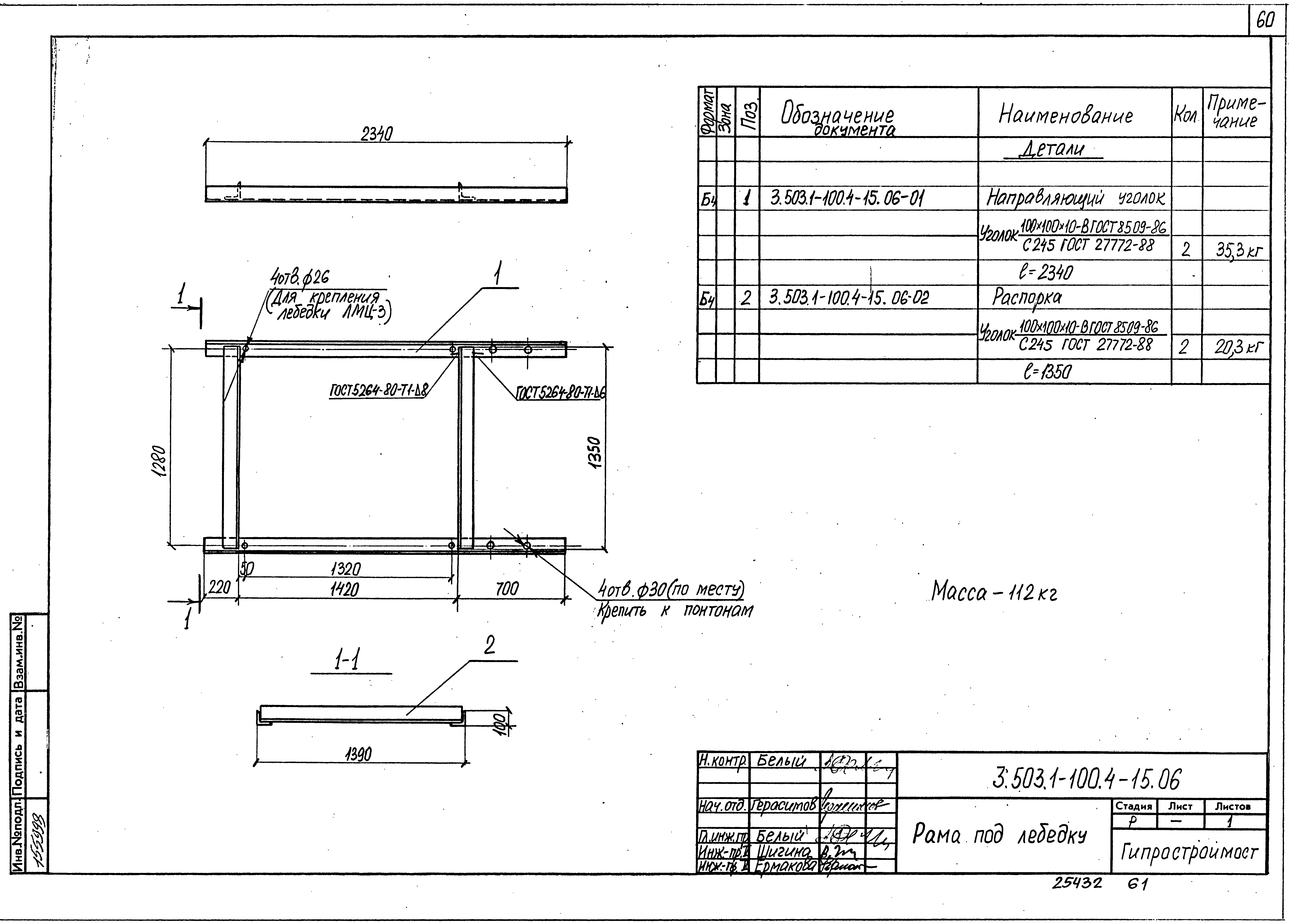
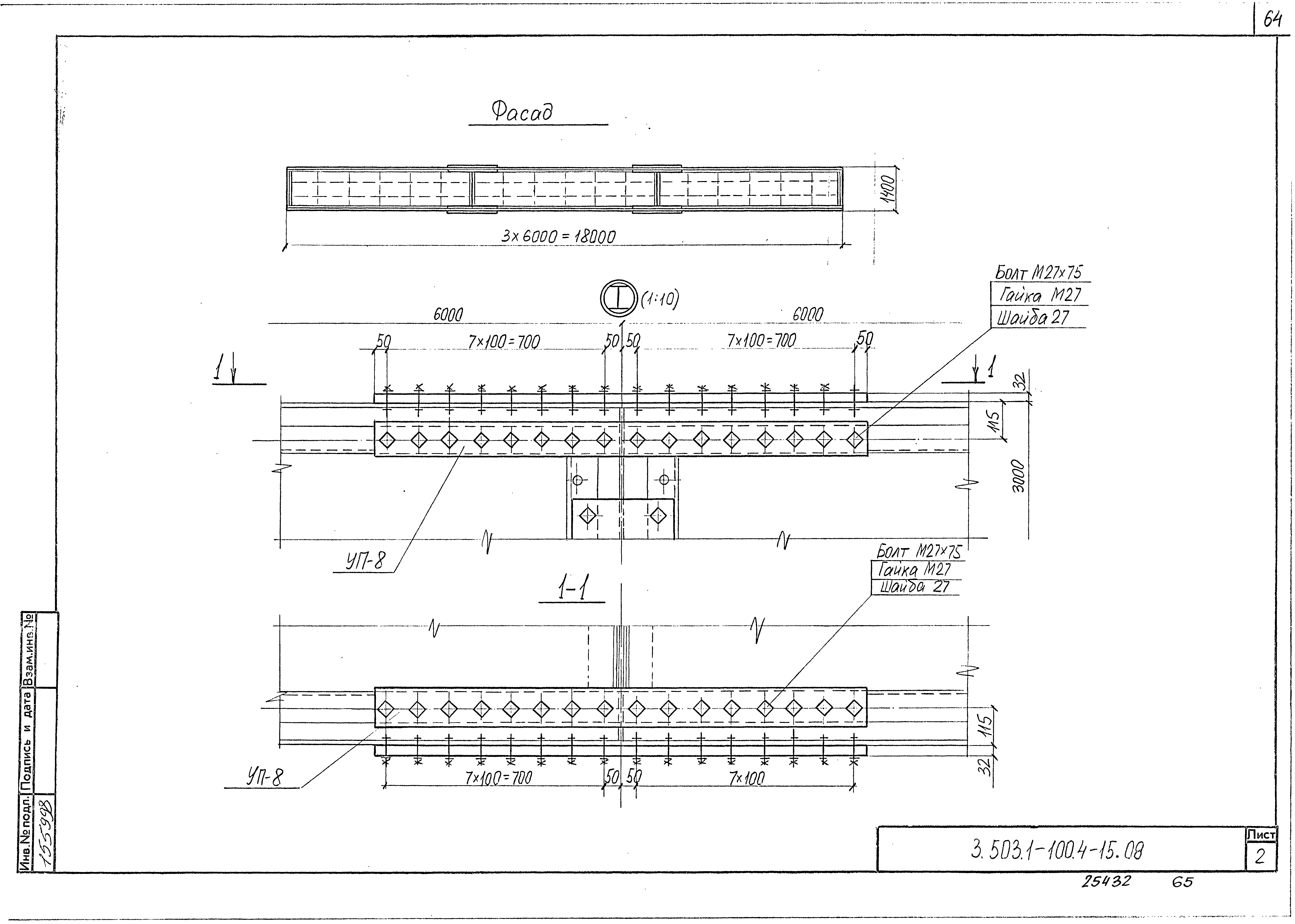
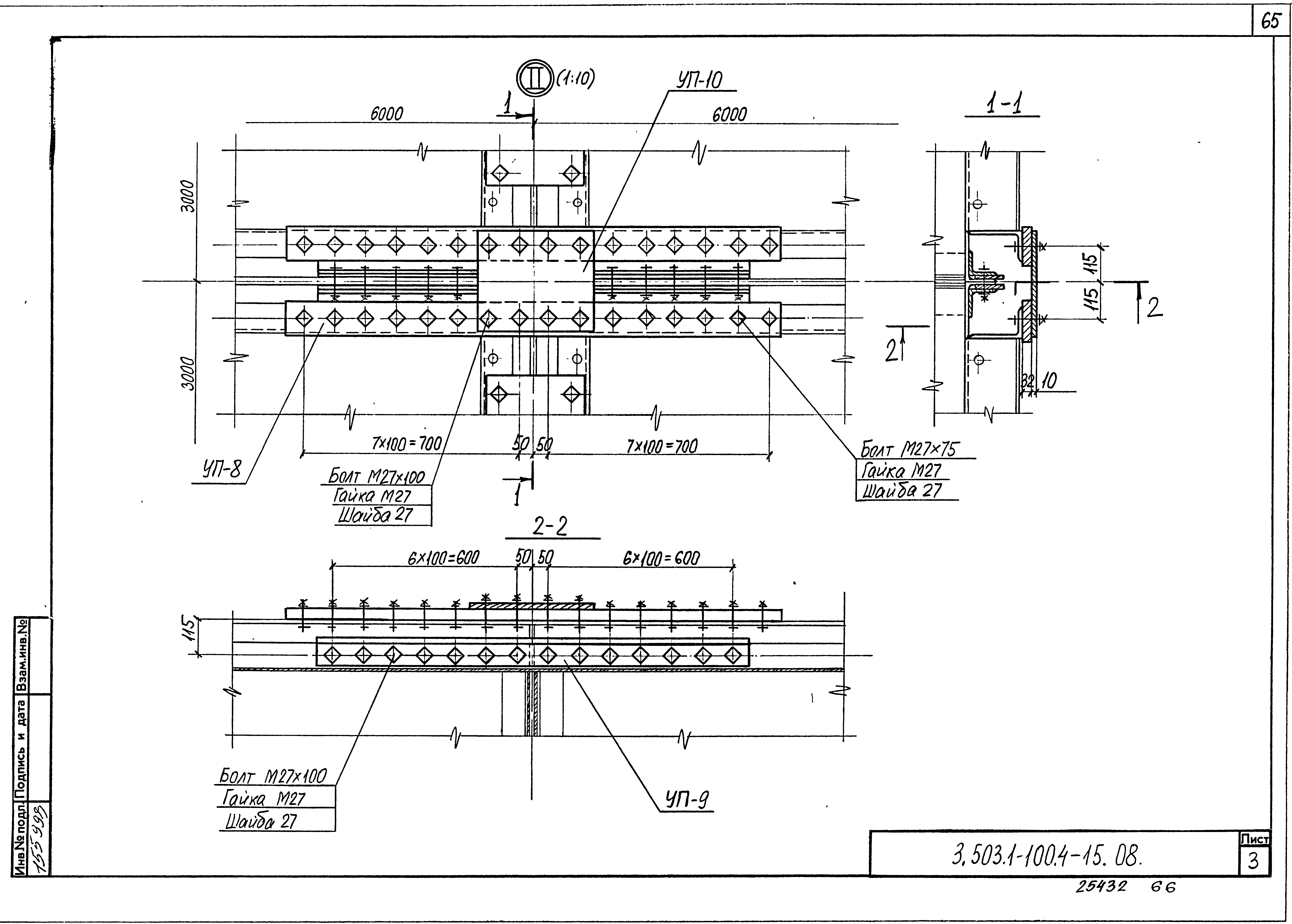
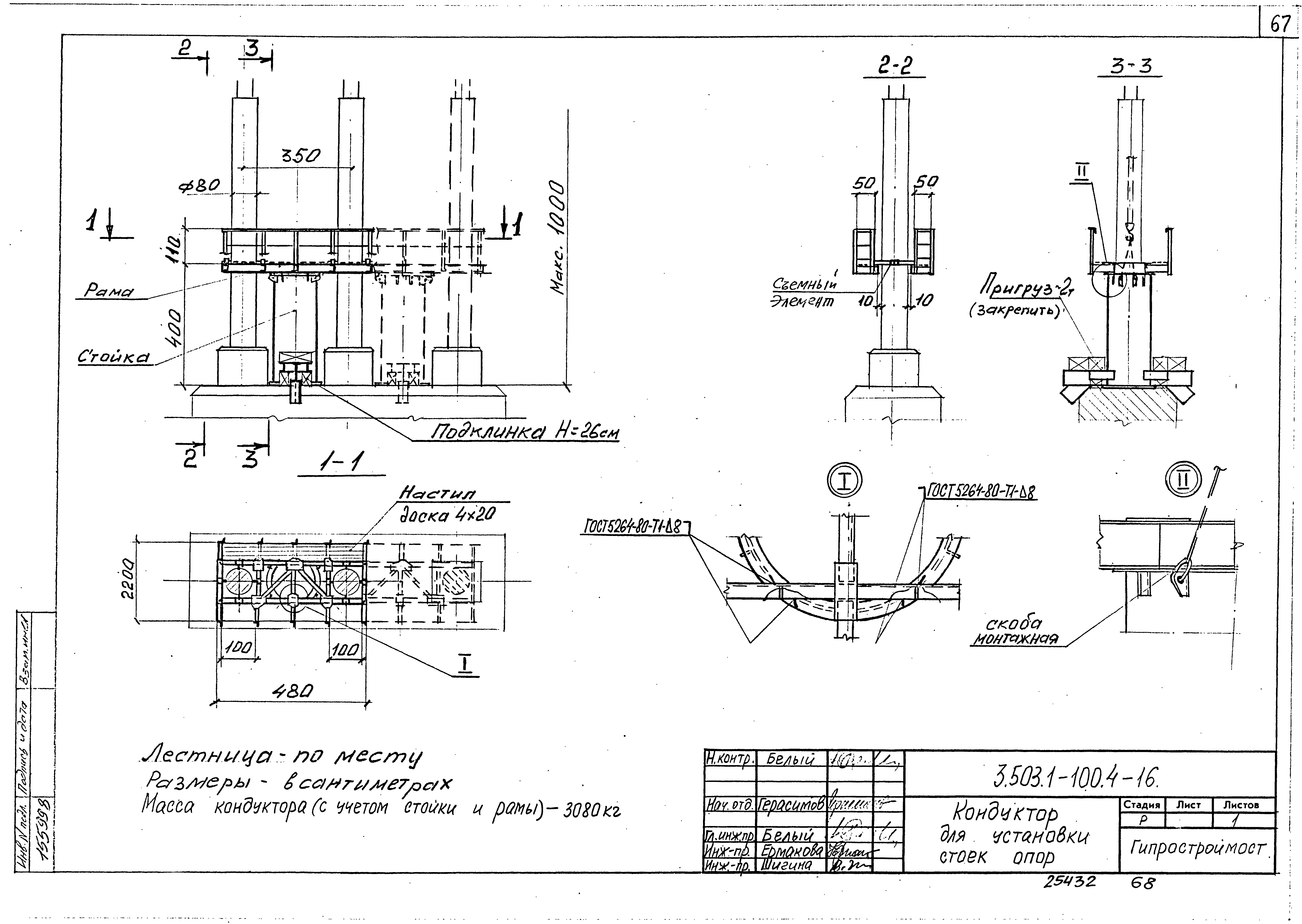
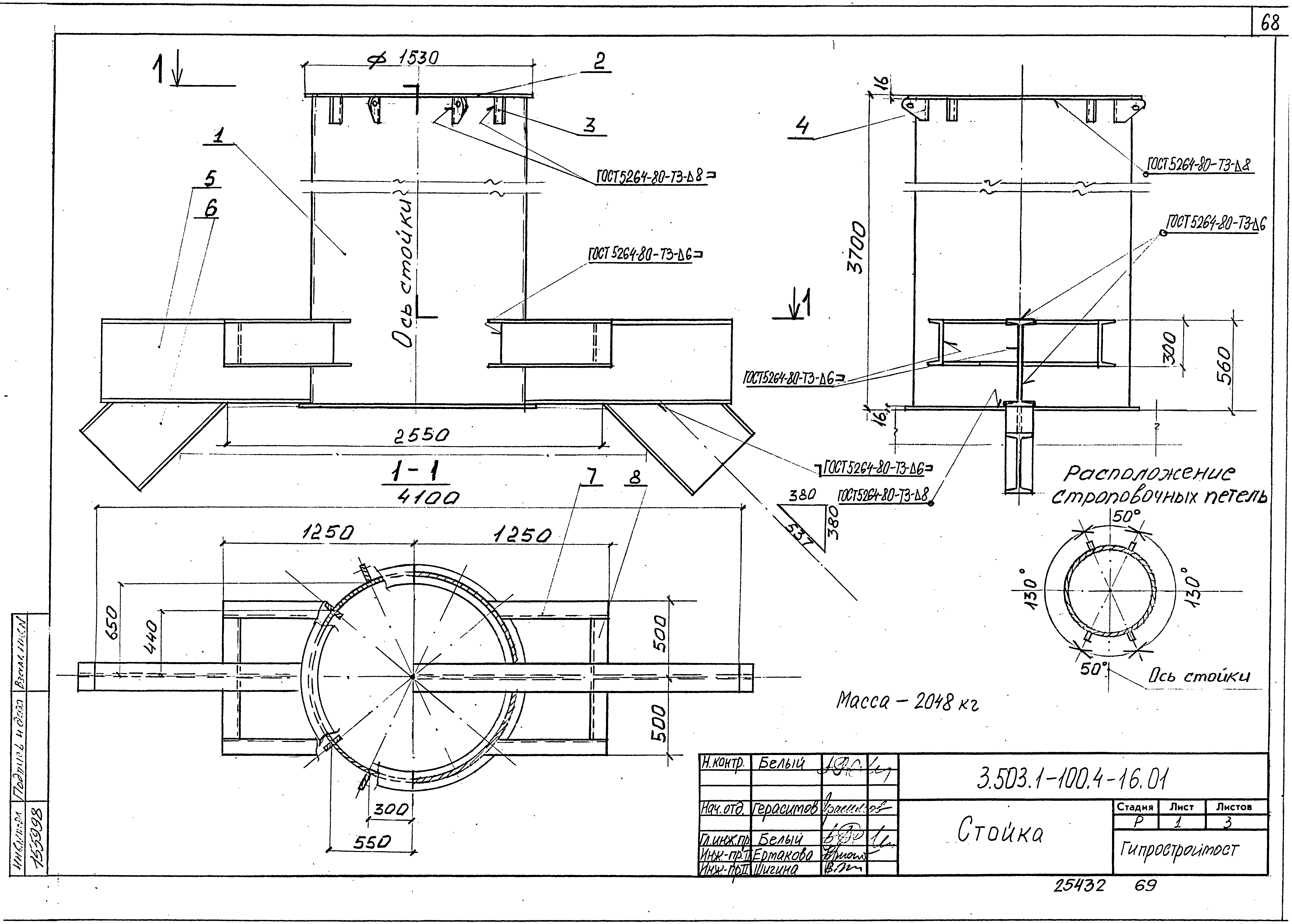
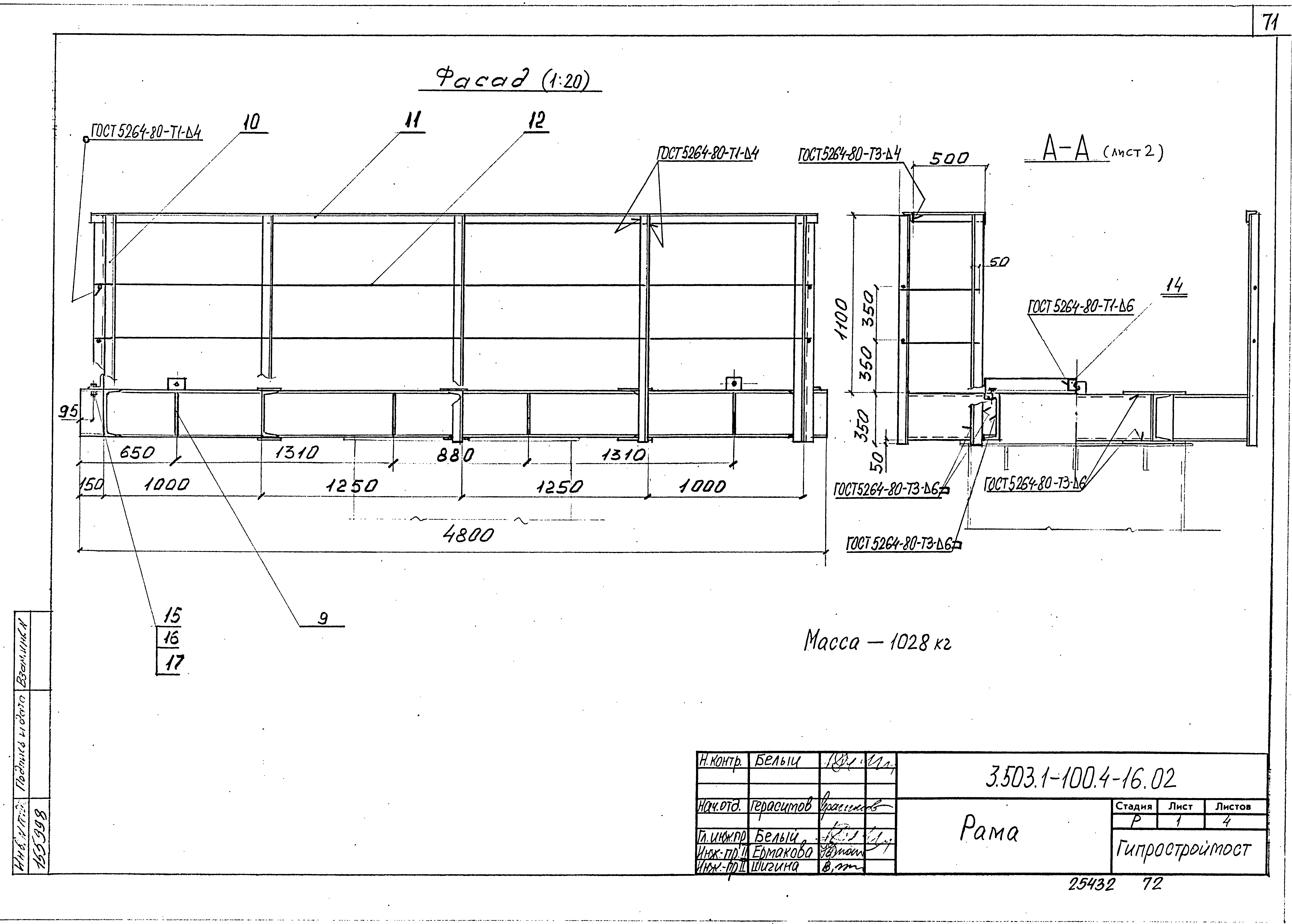
Скачать Серия 3.503.1-100 Выпуск 4. Технологические схемы сооружения опорДата актуализации: 01.01.2021
|
| Обозначение: | Серия 3.503.1-100 |
| Обозначение англ: | Series 3.503.1-100 |
| Статус: | не определен законодательством |
| Название рус.: | Выпуск 4. Технологические схемы сооружения опор |
| Дата добавления в базу: | 01.09.2013 |
| Дата актуализации: | 01.01.2021 |
| Дата введения: | 01.07.1992 |
| Дата окончания срока действия: | 30.06.2003 |
| Разработан: | Гипростроймост Минтрансстроя СССР |
| Утверждён: | 22.11.1991 Минтрансстрой СССР (USSR Mintransstroy АВ-189) |










































































