Скачать Серия 3.503.1-103 Выпуск 1. Стаканные опорные части. Рабочие чертежиДата актуализации: 01.01.2021
|
| Обозначение: | Серия 3.503.1-103 |
| Обозначение англ: | Series 3.503.1-103 |
| Статус: | не определен законодательством |
| Название рус.: | Выпуск 1. Стаканные опорные части. Рабочие чертежи |
| Дата добавления в базу: | 01.09.2013 |
| Дата актуализации: | 01.01.2021 |
| Дата введения: | 01.01.1994 |
| Дата окончания срока действия: | 30.06.2003 |
| Область применения: | Стаканные опорные части автодорожных мостов с применением стального литья марки 25Л предназначены для применения в автодорожных и городских мостах с железобетонными, сталежелезобетонными и стальными пролетными строениями разрезных, комбинированных и неразрезных систем в климатических зонах с расчетными отрицательными температурами не ниже минус 50 градусов Цельсия |
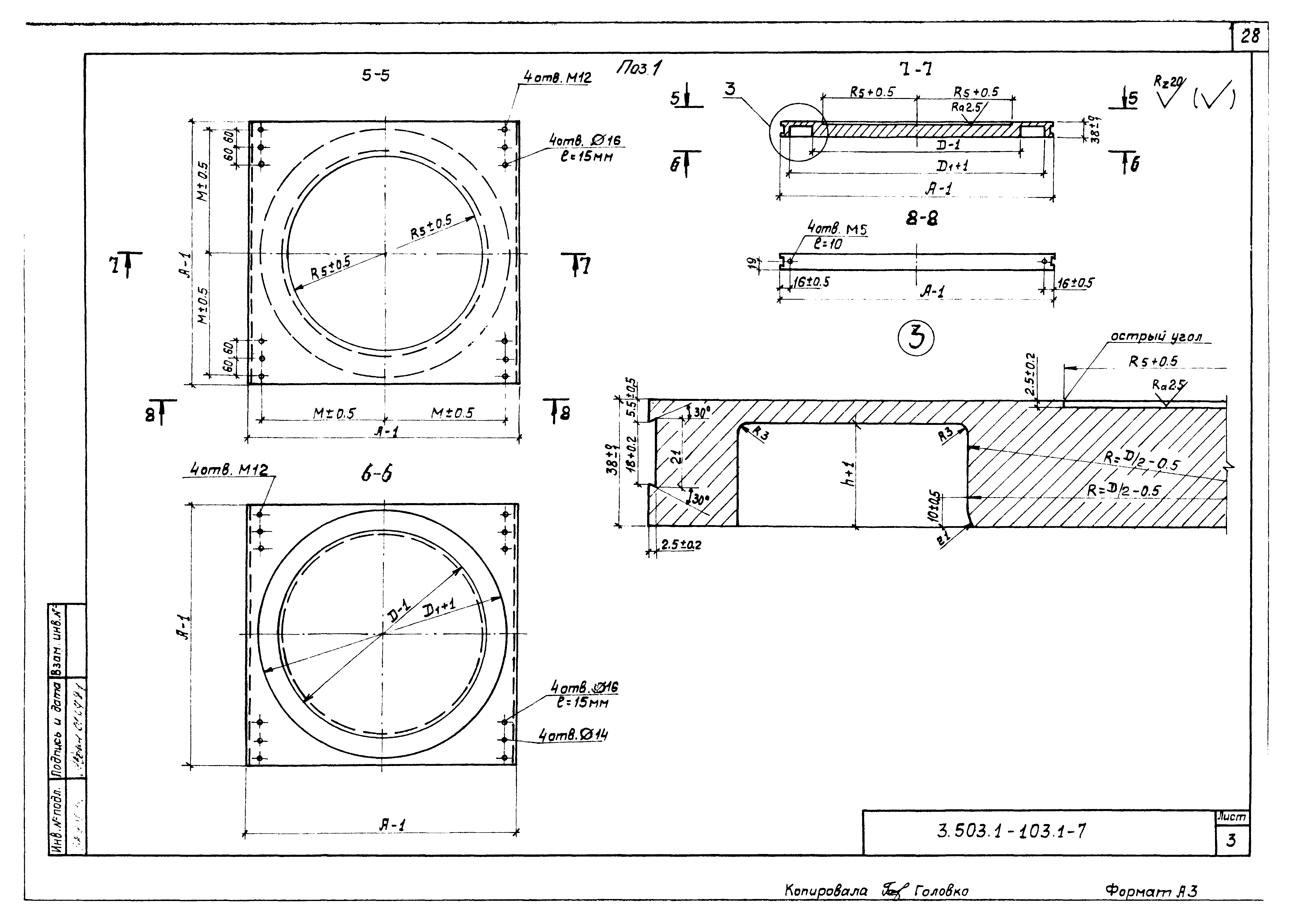
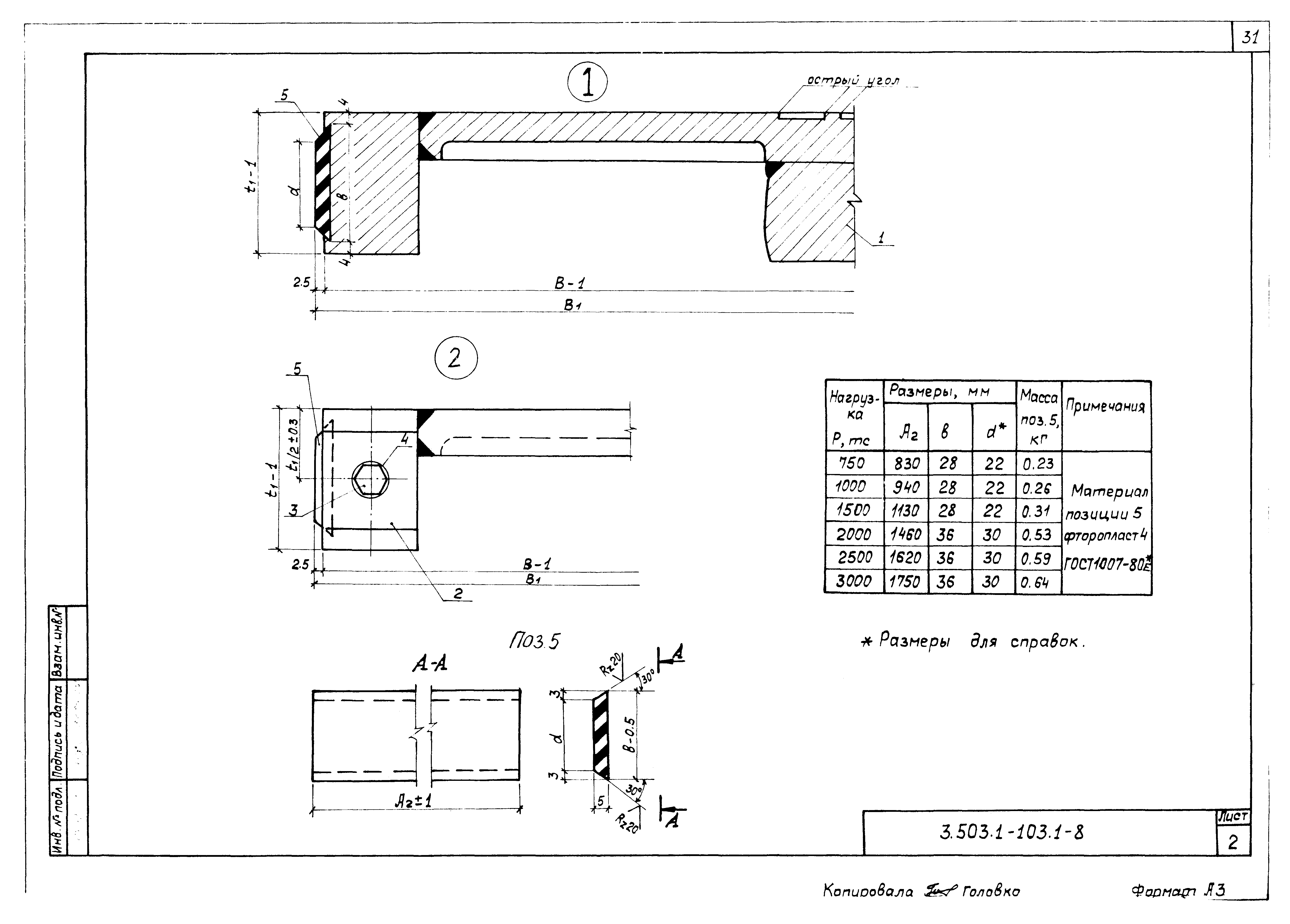
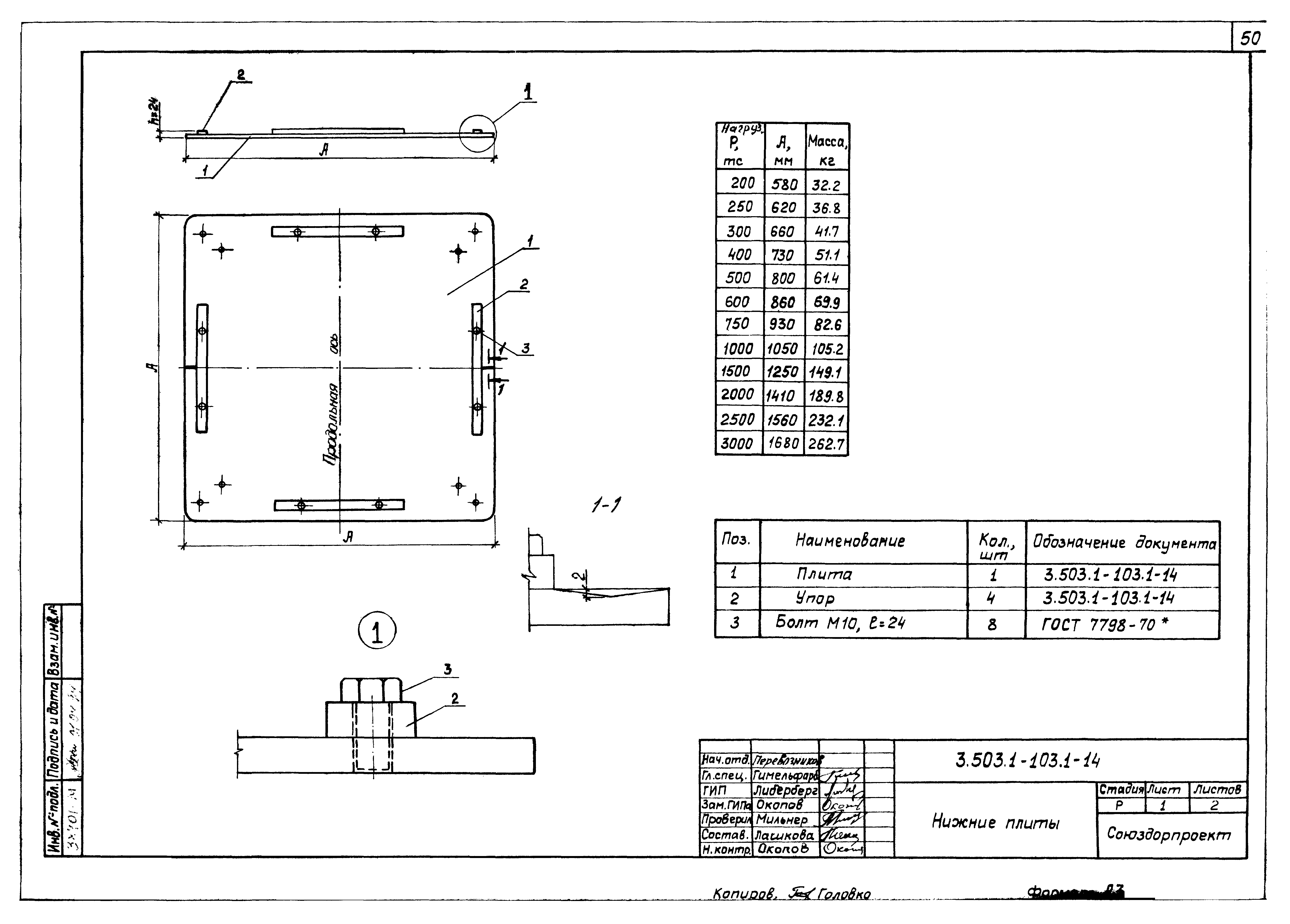
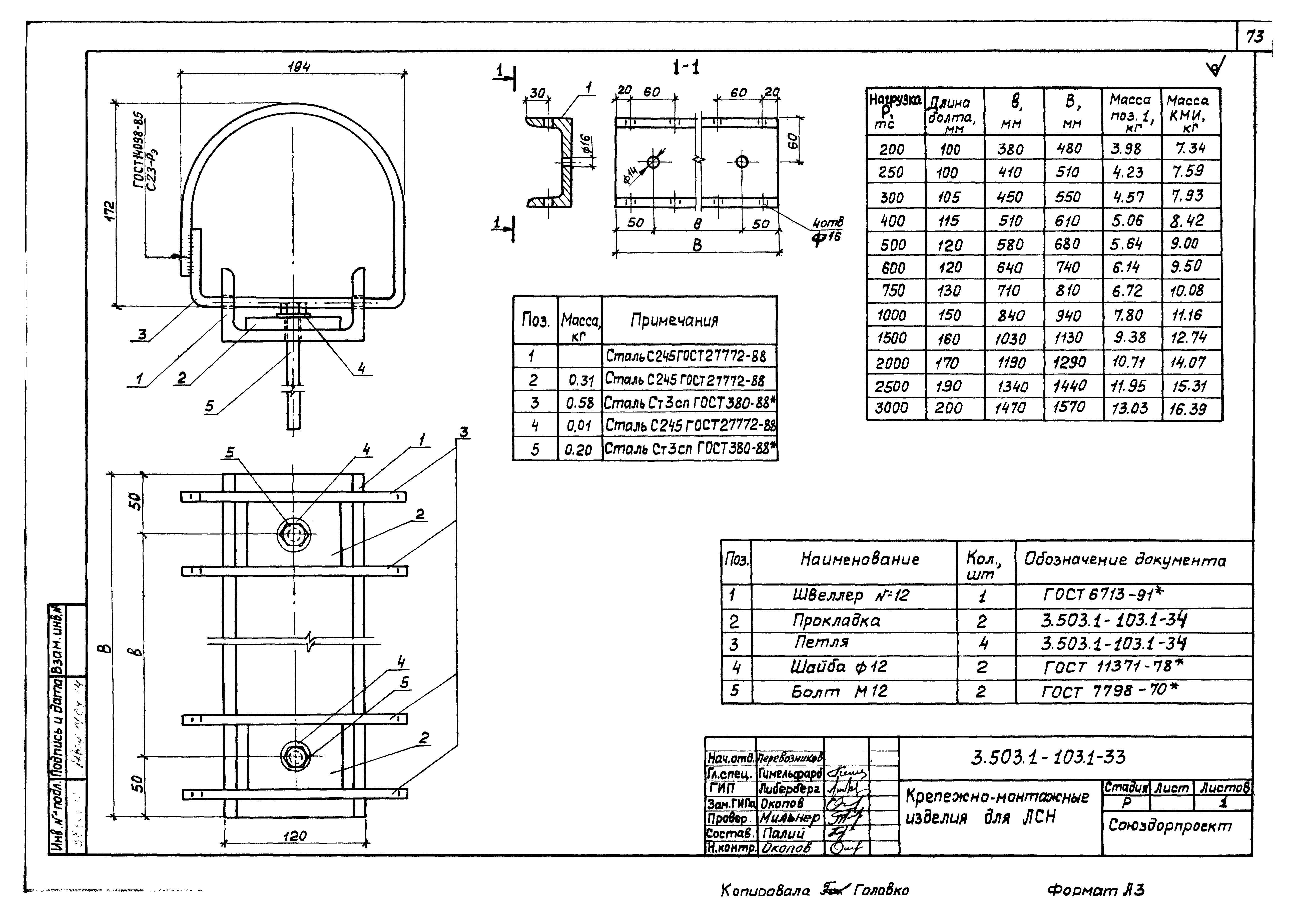
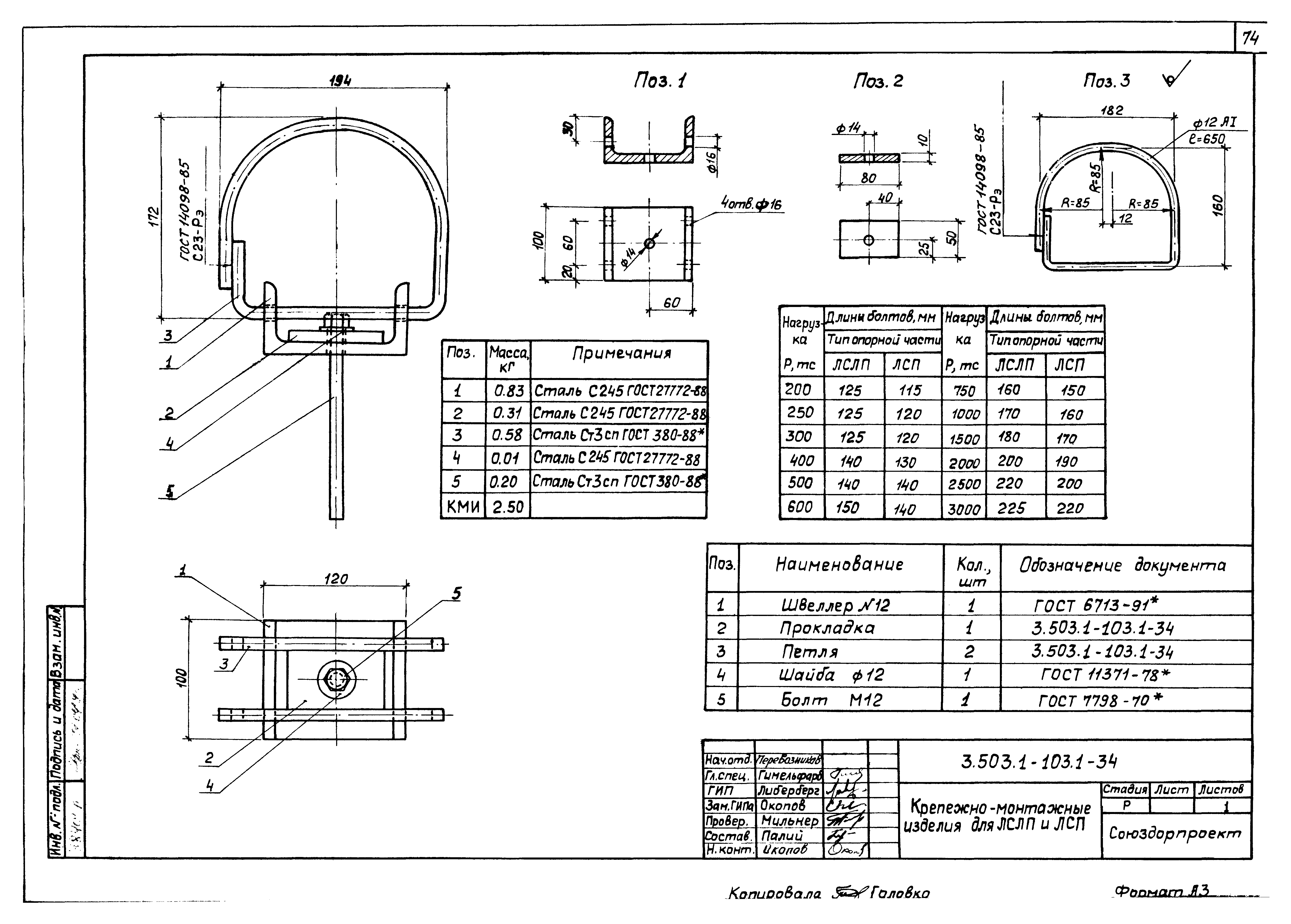
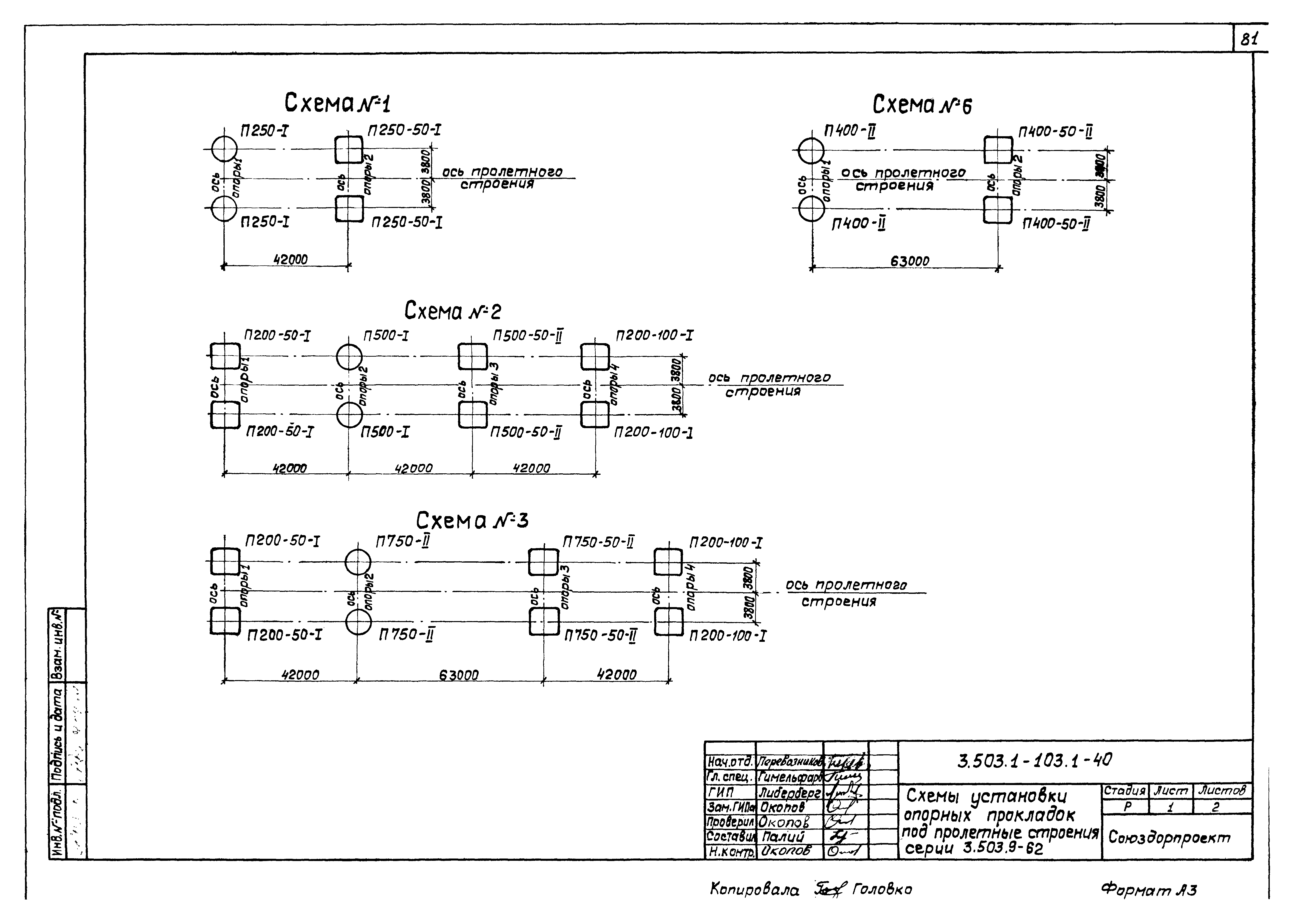
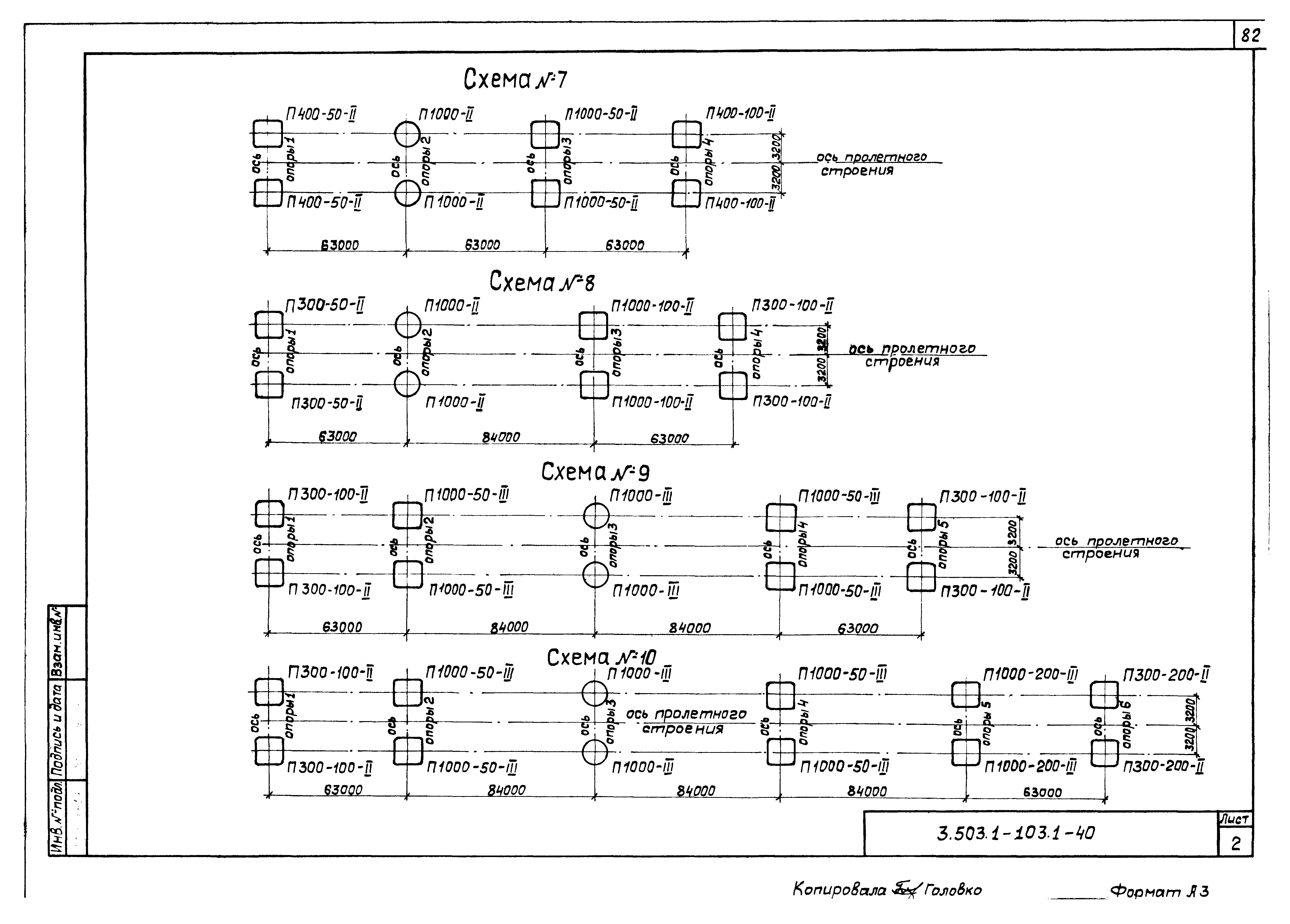
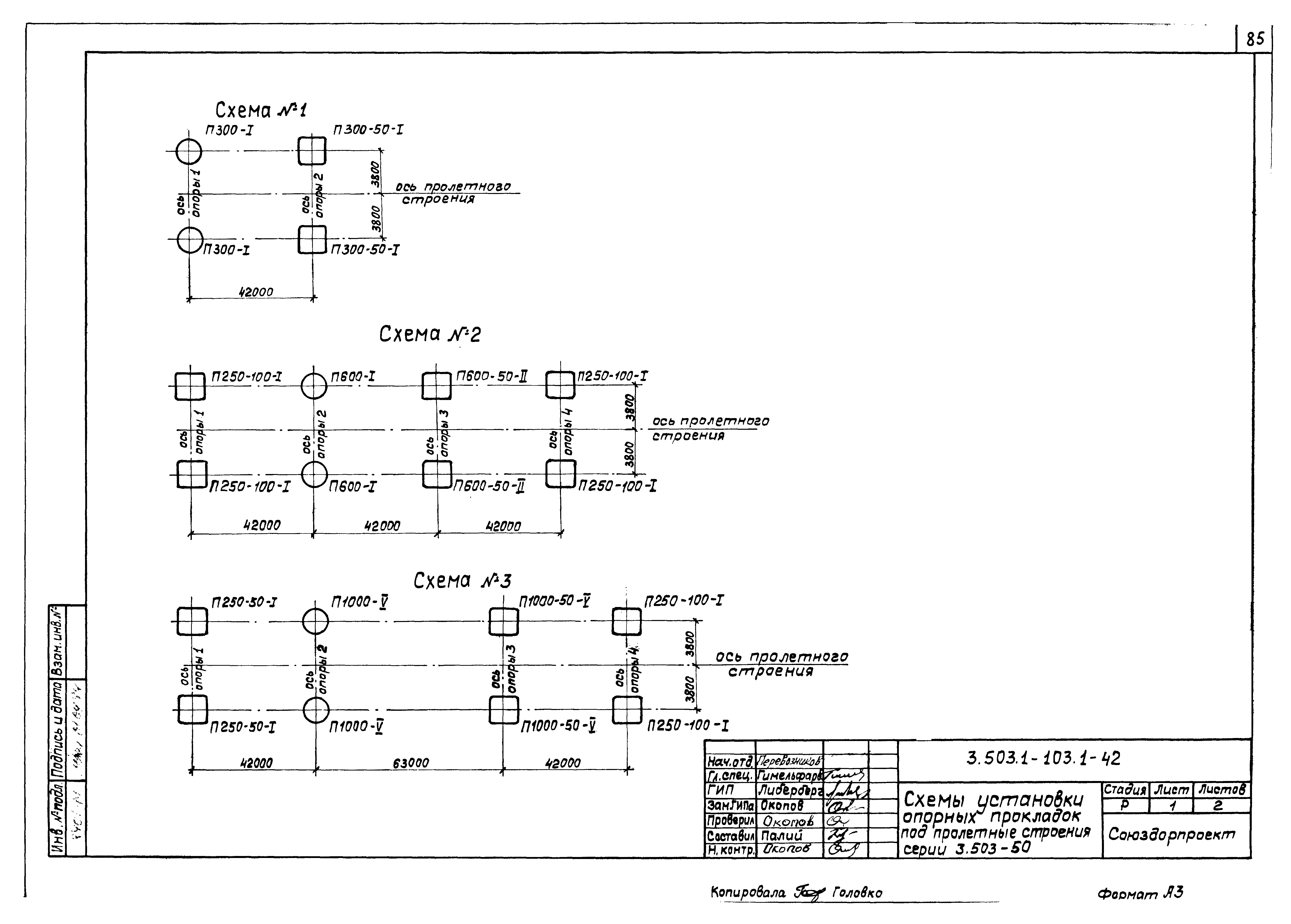
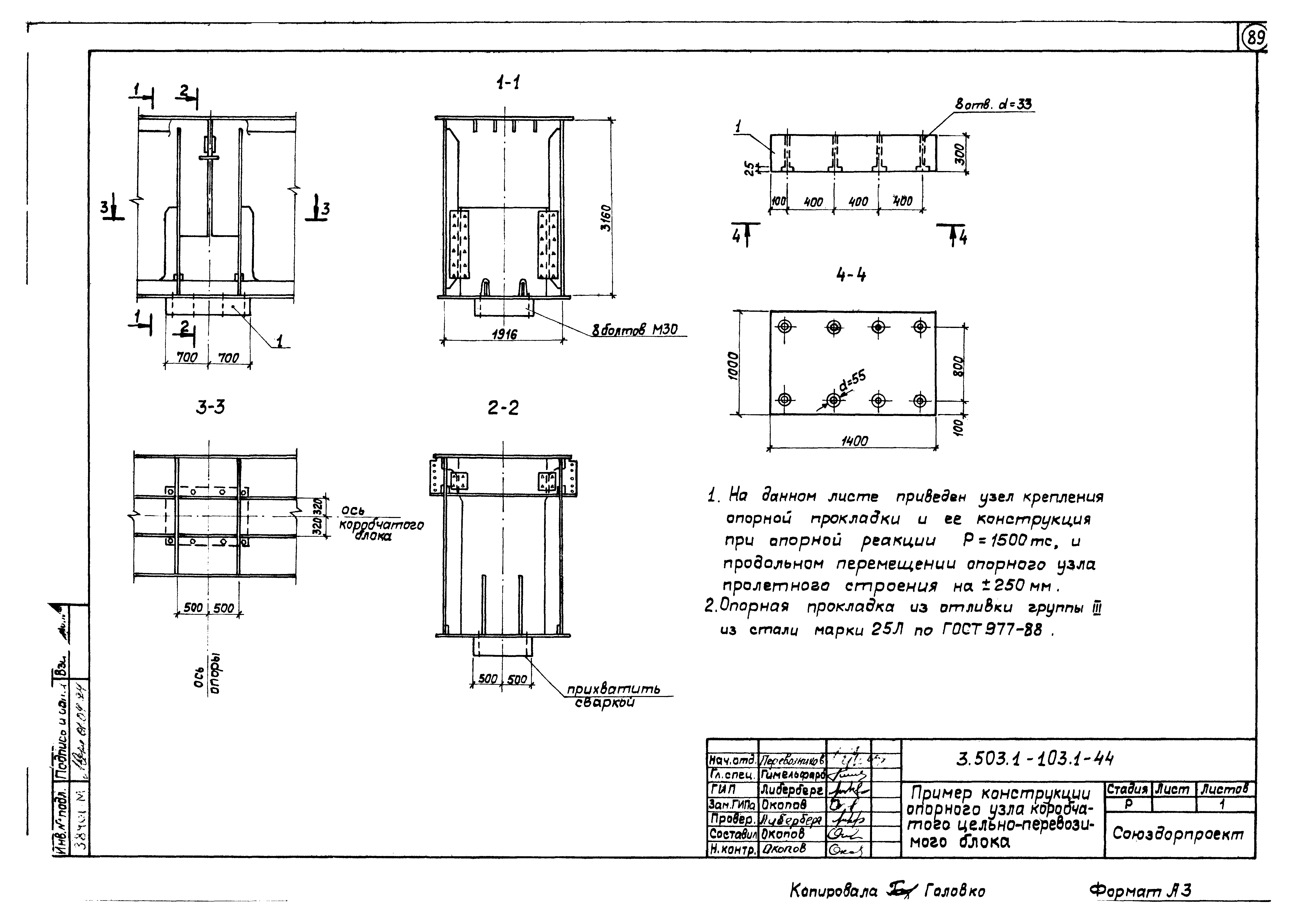
| Оглавление: | 3.503.1-103.1-ПЗ Пояснительная записка 3.503.1-103.1-ТУ Технические условия 3.503.1-103.1-1 Общий вид неподвижных опорных частей ЛСН 3.503.1-103.1-2 Общий вид линейно-подвижных опорных частей ЛСЛП 3.503.1-103.1-3 Общий вид подвижных опорных частей ЛСП 3.503.1-103.1-4 Литые стаканы 3.503.1-103.1-5 Сборные стаканы 3.503.1-103.1-6 Крышки неподвижных опорных частей 3.503.1-103.1-7 Крышки линейно-подвижных опорных частей под нагрузки 200 - 600 тс 3.503.1-103.1-8 Крышки линейно-подвижных опорных частей под нагрузки 750 … 3000 тс 3.503.1-103.1-9 Крышки подвижных опорных частей 3.503.1-103.1-10 Верхние плиты линейно-подвижных опорных частей 3.503.1-103.1-11 Плиты линейно-подвижных опорных частей 3.503.1-103.1-12 Направляющие линейно-подвижных опорных частей 3.503.1-103.1-13 Плиты подвижные опорных частей 3.503.1-103.1-14 Нижние плиты 3.503.1-103.1-15 Уплотнительные кольца 3.503.1-103.1-16 Резиновая прокладка под нагрузку 200 тс 3.503.1-103.1-17 Резиновая прокладка под нагрузку 250 тс 3.503.1-103.1-18 Резиновая прокладка под нагрузку 300 тс 3.503.1-103.1-19 Резиновая прокладка под нагрузку 400 тс 3.503.1-103.1-20 Резиновая прокладка под нагрузку 500 тс 3.503.1-103.1-21 Резиновая прокладка под нагрузку 600 тс 3.503.1-103.1-22 Резиновая прокладка под нагрузку 750 тс 3.503.1-103.1-23 Резиновая прокладка под нагрузку 1000 тс 3.503.1-103.1-24 Резиновая прокладка под нагрузку 1500 тс 3.503.1-103.1-25 Резиновая прокладка под нагрузку 2000 тс 3.503.1-103.1-26 Резиновая прокладка под нагрузку 2500 тс 3.503.1-103.1-27 Резиновая прокладка под нагрузку 3000 тс 3.503.1-103.1-28 Фторопластовые прокладки из листов 290х290 мм 3.503.1-103.1-29 Фторопластовые прокладки из листов 500х500 мм 3.503.1-103.1-30 Футляры для неподвижных опорных частей 3.503.1-103.1-31 Футляры линейно-подвижных опорных частей 3.503.1-103.1-32 Футляры подвижных опорных частей 3.503.1-103.1-33 Крепежно-монтажные изделия для ЛСН 3.503.1-103.1-34 Крепежно-монтажные изделия для ЛСЛП и ЛСП 3.503.1-103.1-35 Болты пластмассовые 3.503.1-103.1-36 Схемы окраски опорных частей 3.503.1-103.1-37 Схемы смазки опорных частей 3.503.1-103.1-38 Опорные прокладки 3.503.1-103.1-39 Узлы крепления опорных прокладок к пролетным строениям 3.503.1-103.1-40 Схемы установки опорных прокладок под пролетные строения серии 3.503.9-62 3.503.1-103.1-41 Схемы установки опорных частей под пролетные строения серии 3.503.9-62 3.503.1-103.1-42 Схемы установки опорных прокладок под пролетные строения серии 3.503-50 3.503.1-103.1-43 Схемы установки опорных частей под пролетные строения серии 3.503-50 3.503.1-103.1-44 Пример конструкции опорного узла коробчатого цельно-перевозимого блока |
| Разработан: | Союздорпроект Минтрансстроя |
| Утверждён: | 02.11.1993 Корпорация Трансстрой (Transstroy Corporation СВ-314) |

























































































