Скачать Серия 3.501-49 Выпуск 14. Пролетное строение Lp=45,0 м с пониженной строительной высотой. Техно-рабочие чертежиДата актуализации: 01.01.2021 Серия 3.501-49
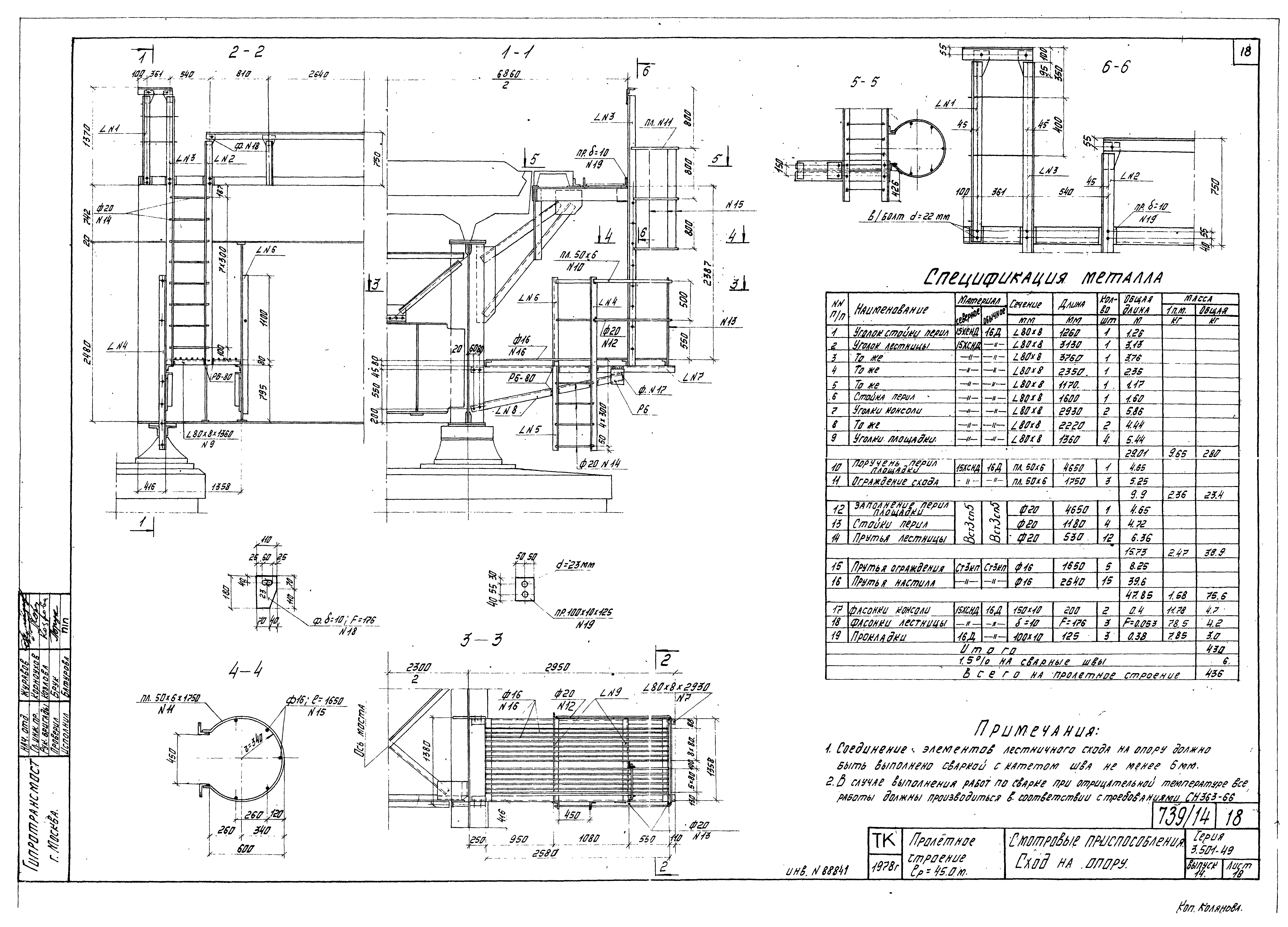
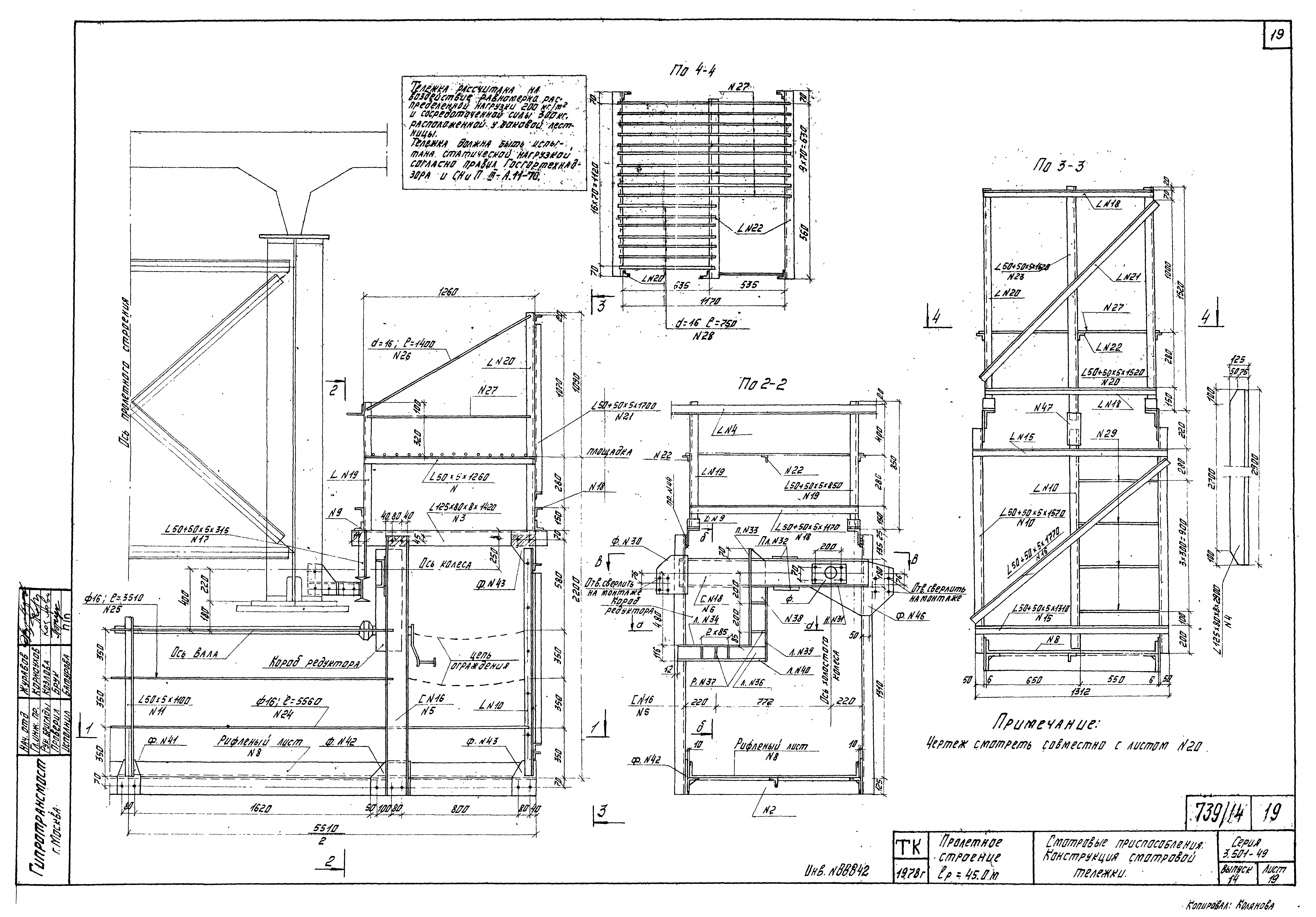
Выпуск 14. Пролетное строение Lp=45,0 м с пониженной строительной высотой. Техно-рабочие чертежи| Обозначение: | Серия 3.501-49 | | Обозначение англ: | Series 3.501-49 | | Статус: | не определен законодательством | | Название рус.: | Выпуск 14. Пролетное строение Lp=45,0 м с пониженной строительной высотой. Техно-рабочие чертежи | | Дата добавления в базу: | 01.09.2013 | | Дата актуализации: | 01.01.2021 | | Дата введения: | 01.01.1980 | | Дата окончания срока действия: | 30.06.2003 | | Разработан: | Гипротрансмост
| | Утверждён: | 19.09.1979 МПС (Ministry of Railroads П-31027)
|
                    
|