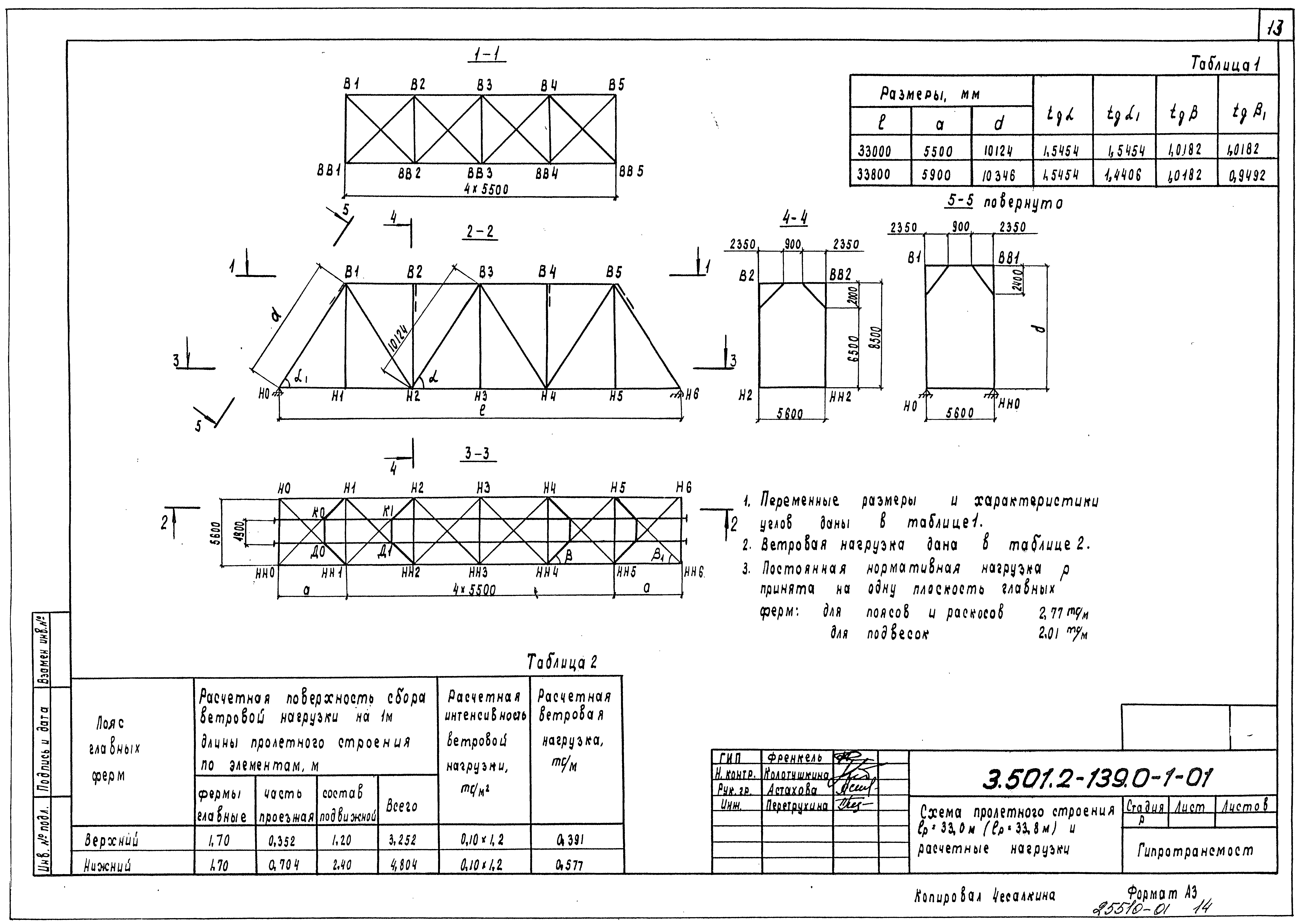
Скачать Серия 3.501.2-139 Выпуск 0-1. Пролетные строения пролетами 33,0 - 55,0 м. Материалы для проектированияДата актуализации: 01.01.2021 Серия 3.501.2-139
Выпуск 0-1. Пролетные строения пролетами 33,0 - 55,0 м. Материалы для проектирования| Обозначение: | Серия 3.501.2-139 | | Обозначение англ: | Series 3.501.2-139 | | Статус: | не определен законодательством | | Название рус.: | Выпуск 0-1. Пролетные строения пролетами 33,0 - 55,0 м. Материалы для проектирования | | Дата добавления в базу: | 01.09.2013 | | Дата актуализации: | 01.01.2021 | | Дата введения: | 01.01.1987 | | Дата окончания срока действия: | 30.06.2003 | | Разработан: | Гипротрансмост
| | Утверждён: | 23.08.1986 МПС СССР (USSR Ministry of Railroads А-3292у)
| | Заменяет собой: | |
                                                             
|