Скачать Серия 3.501.1-146 Выпуск 2. Арматурные изделия. Рабочие чертежиДата актуализации: 01.01.2021
|
| Обозначение: | Серия 3.501.1-146 |
| Обозначение англ: | Series 3.501.1-146 |
| Статус: | не определен законодательством |
| Название рус.: | Выпуск 2. Арматурные изделия. Рабочие чертежи |
| Дата добавления в базу: | 01.09.2013 |
| Дата актуализации: | 01.01.2021 |
| Дата введения: | 01.01.1990 |
| Дата окончания срока действия: | 30.06.2003 |
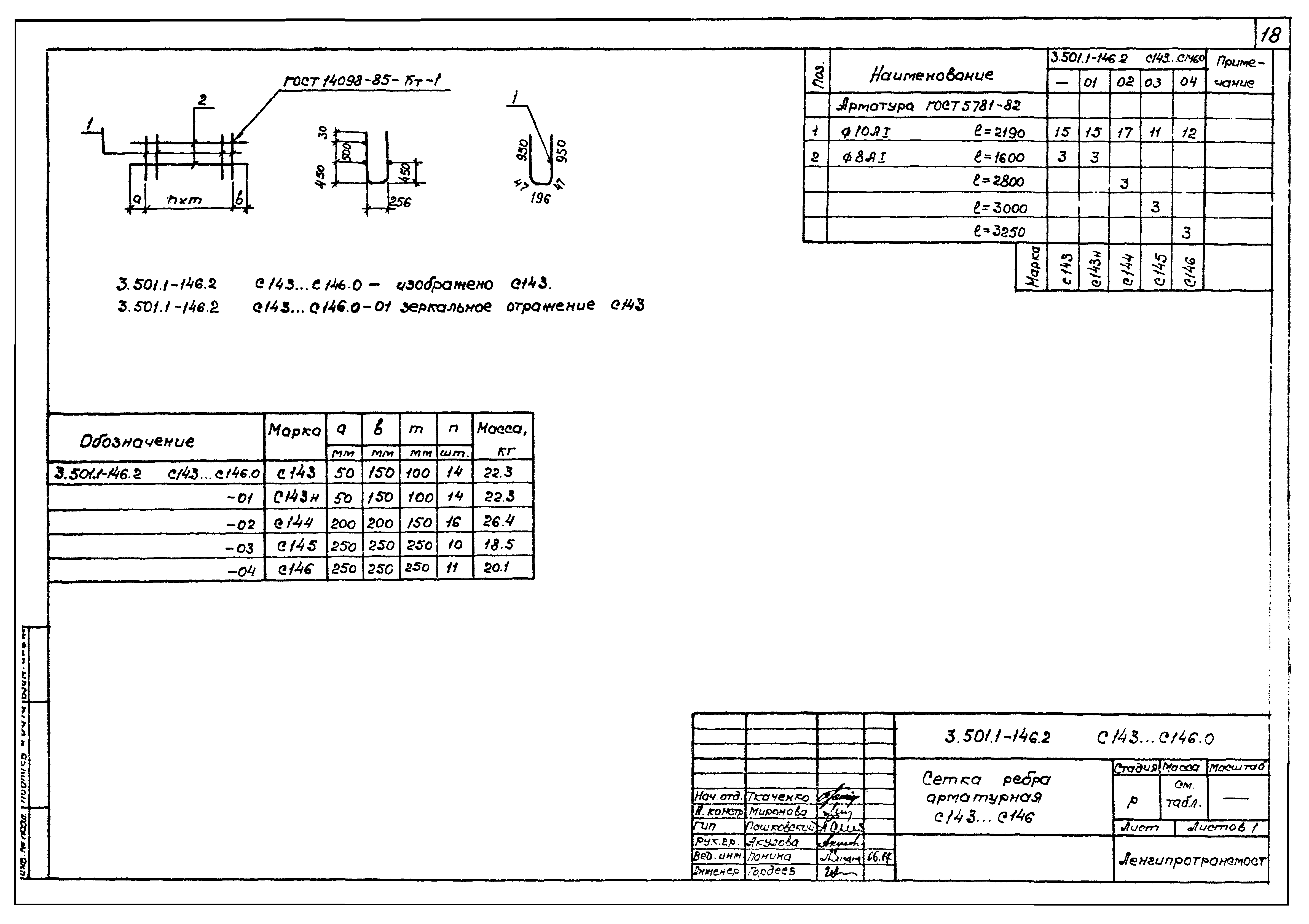
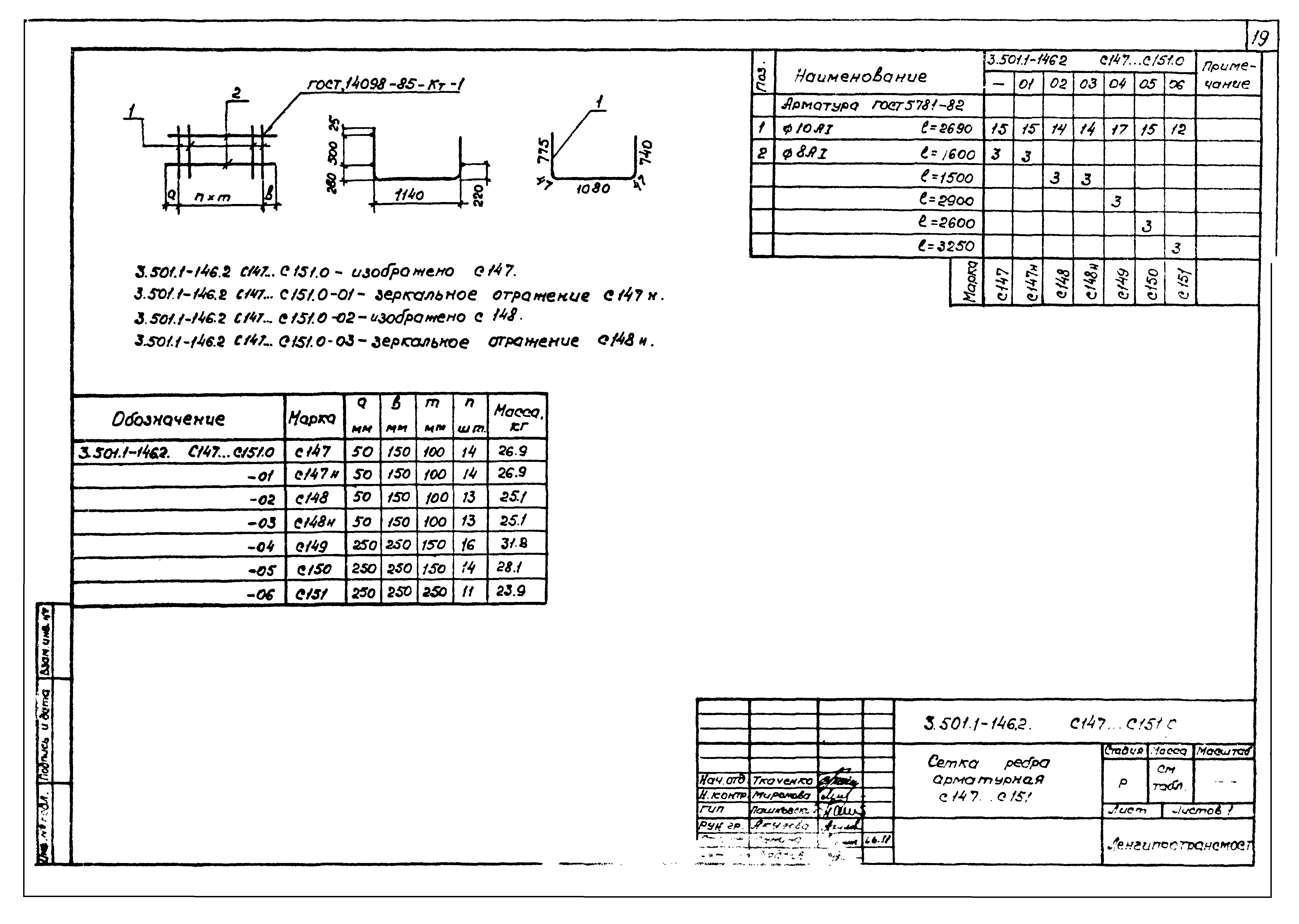
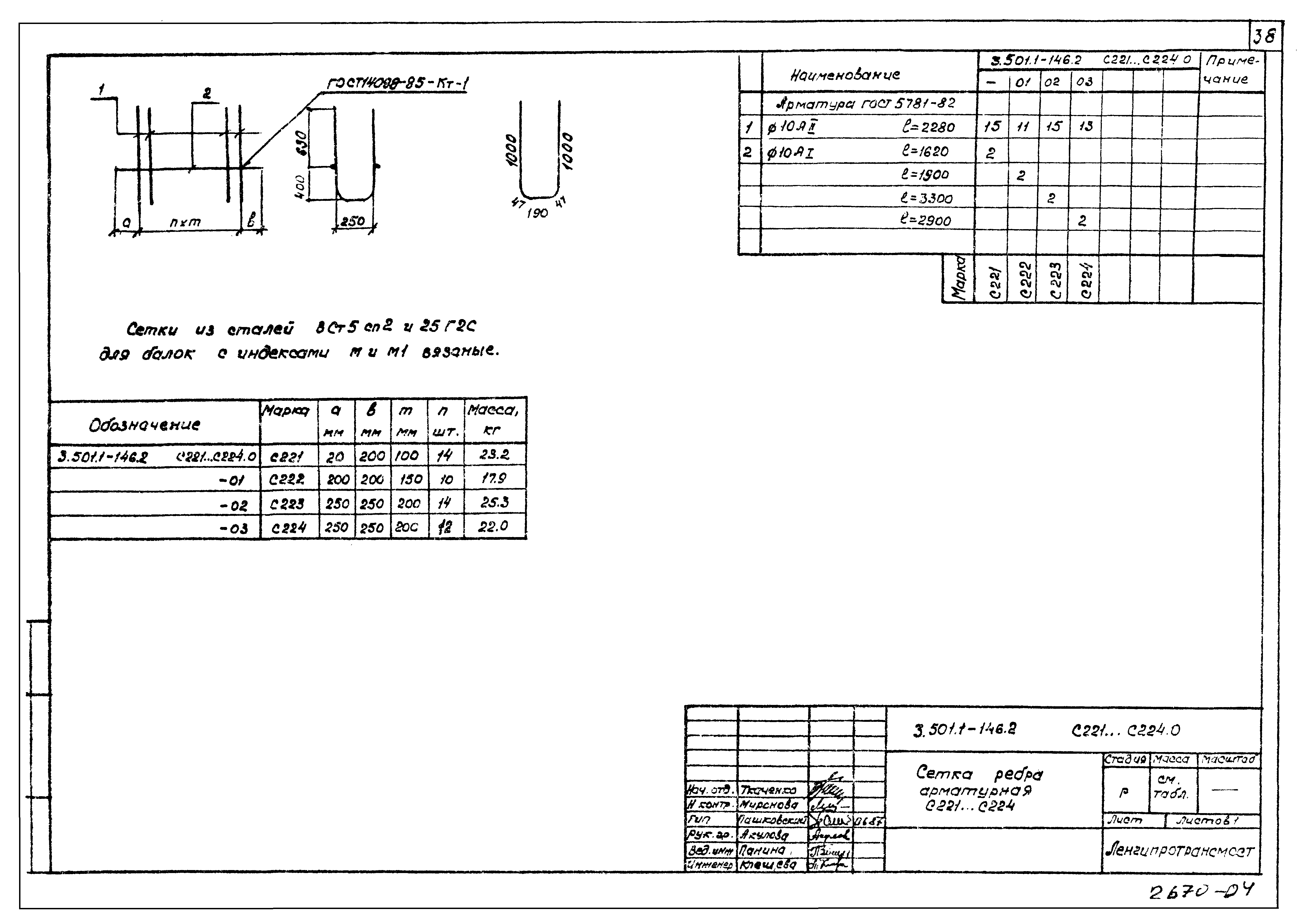
| Оглавление: | 3.501.1.-146.2 С1 … С13.0 Сетка плиты арматурная С1 … С13 3.501.1.-146.2 С14 … С27.0 Сетка плиты арматурная С14 … С27 3.501.1.-146.2 С28 … С39.0 Сетка плиты арматурная С28 … С39 3.501.1.-146.2 С40 … С45.0 Сетка плиты арматурная С40 … С45 3.501.1.-146.2 С48 … С57.0 Сетка плиты арматурная С48 … С57 3.501.1.-146.2 С58 … С63.0 Сетка плиты арматурная С58 … С63 3.501.1.-146.2 С64 … С75.0 Сетка бортика арматурная С64 … С75 3.501.1.-146.2 С76 … С87.0 Сетка бортика арматурная С76 … С87 3.501.1.-146.2 С88 … С100.0 Сетка бортика арматурная С88 … С100 3.501.1.-146.2 С101 … С113.0 Сетка бортика арматурная С101 … С113 3.501.1.-146.2 С114 … С125.0 Сетка бортика арматурная С114 … С125 3.501.1.-146.2 С126 … С137.0 Сетка бортика арматурная С126 … С137 3.501.1.-146.2 С138.0 Сетка бортика арматурная С138.0 3.501.1.-146.2 С201.0 Сетка диафрагмы арматурная С201 3.501.1.-146.2 С139 … С142.0 Сетка ребра арматурная С139 … С142 3.501.1.-146.2 С143 … С146.0 Сетка ребра арматурная С143 … С146 3.501.1.-146.2 С147 … С151.0 Сетка ребра арматурная С147 … С151 3.501.1.-146.2 С152 … С156.0 Сетка ребра арматурная С152 … С156 3.501.1.-146.2 С157 … С161.0 Сетка ребра арматурная С157 … С161 3.501.1.-146.2 С162 … С166.0 Сетка ребра арматурная С162 … С166 3.501.1.-146.2 С167 … С170.0 Сетка ребра арматурная С167 … С170 3.501.1.-146.2 С171 … С174.0 Сетка ребра арматурная С171 … С174 3.501.1.-146.2 С175 … С178.0 Сетка ребра арматурная С175 … С178 3.501.1.-146.2 С179 … С182.0 Сетка ребра арматурная С179 … С182 3.501.1.-146.2 С183 … С184.0 Сетка ребра арматурная С183 … С184 3.501.1.-146.2 С185 … С186.0 Сетка ребра арматурная С185 … С186 3.501.1.-146.2 С187 … С189.0 Сетка ребра арматурная С187 … С189 3.501.1.-146.2 С190 … С192.0 Сетка ребра арматурная С190 … С192 3.501.1.-146.2 С193 … С196.0 Сетка ребра арматурная С193 … С196 3.501.1.-146.2 С197 … С200.0 Сетка ребра арматурная С197 … С200 3.501.1.-146.2 С203 … С205.0 Сетка ребра арматурная С203 … С205 3.501.1.-146.2 С206 … С208.0 Сетка ребра арматурная С206 … С208 3.501.1.-146.2 С209 … С212.0 Сетка ребра арматурная С209 … С212 3.501.1.-146.2 С213 … С216.0 Сетка ребра арматурная С213 … С216 3.501.1.-146.2 С217 … С220.0 Сетка ребра арматурная С217 … С220 3.501.1.-146.2 С221 … С224.0 Сетка ребра арматурная С221 … С224 3.501.1.-146.2 С225 … С229.0 Сетка ребра арматурная С225 … С229 3.501.1.-146.2 С230 … С234.0 Сетка ребра арматурная С230 … С234 3.501.1.-146.2 С235 … С238.0 Сетка диафрагмы арматурная С235 … С238 3.501.1.-146.2 С239 … С250.0 Сетка вутов арматурная С239 … С250 3.501.1.-146.2 С251 … С262.0 Сетка вутов арматурная С251 … С262 3.501.1.-146.2 С263 … С269.0 Сетка плиты арматурная С263 … С269 3.501.1.-146.2 С270 … С273.0 Сетка диафрагмы арматурная С270 … С273 3.501.1.-146.2 С274.0 Сетка бортика арматурная С274 3.501.1.-146.2 С275.0 Сетка арматурная С275 3.501.1.-146.2 С276.0 Сетка арматурная С276 |
| Разработан: | Ленгипротрансмост |
| Утверждён: | 28.07.1989 МПС (Ministry of Railroads Г-1976у) |
















































