Скачать Серия 3.503.1-81 Выпуск 0-3. Материалы для проектирования косых пролетных строений мостов и путепроводов, расположенных на автомобильных дорогах общего пользованияДата актуализации: 01.01.2021
|
| Обозначение: | Серия 3.503.1-81 |
| Обозначение англ: | Series 3.503.1-81 |
| Статус: | не определен законодательством |
| Название рус.: | Выпуск 0-3. Материалы для проектирования косых пролетных строений мостов и путепроводов, расположенных на автомобильных дорогах общего пользования |
| Дата добавления в базу: | 01.09.2013 |
| Дата актуализации: | 01.01.2021 |
| Дата введения: | 01.07.1992 |
| Дата окончания срока действия: | 30.06.2003 |
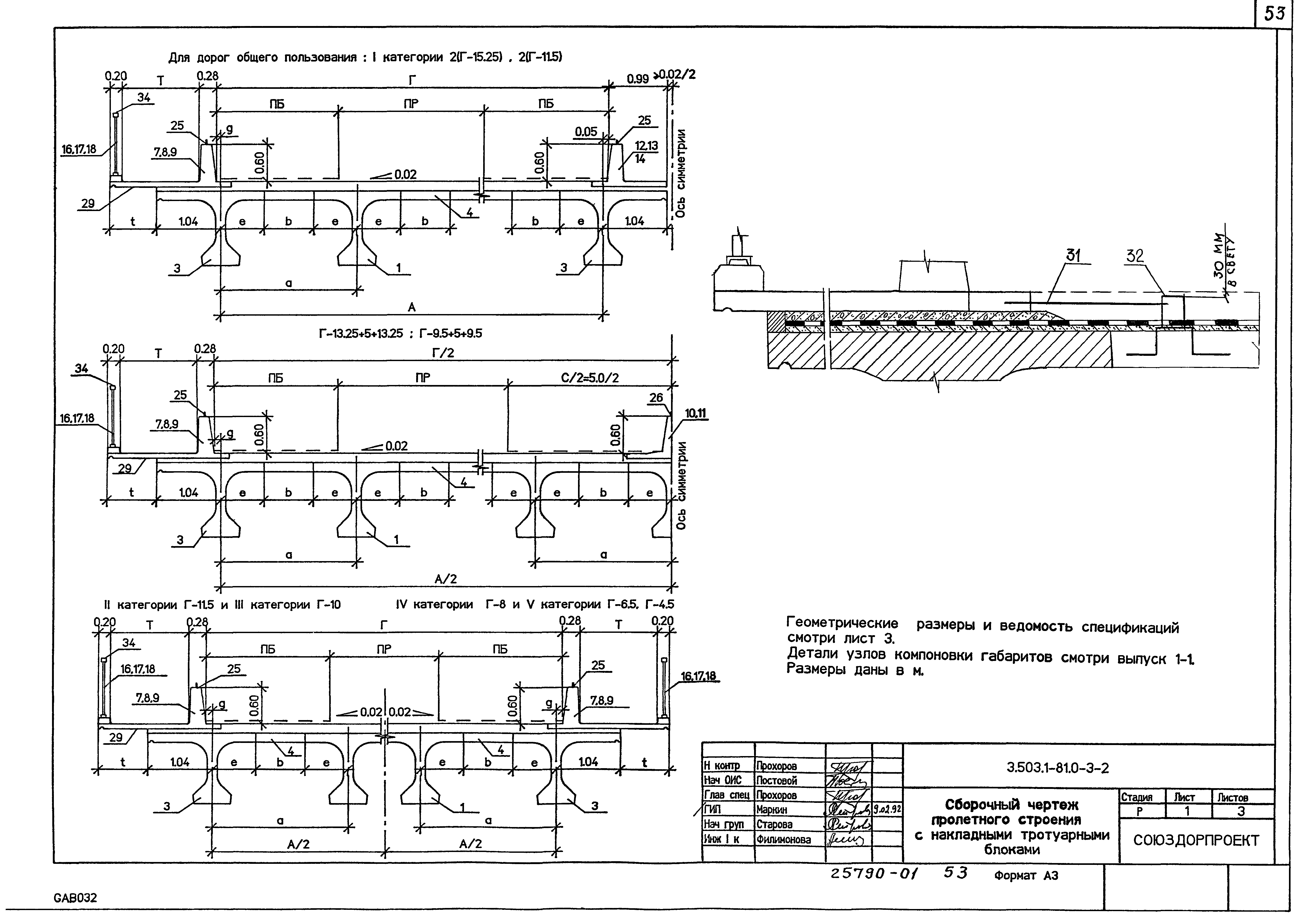
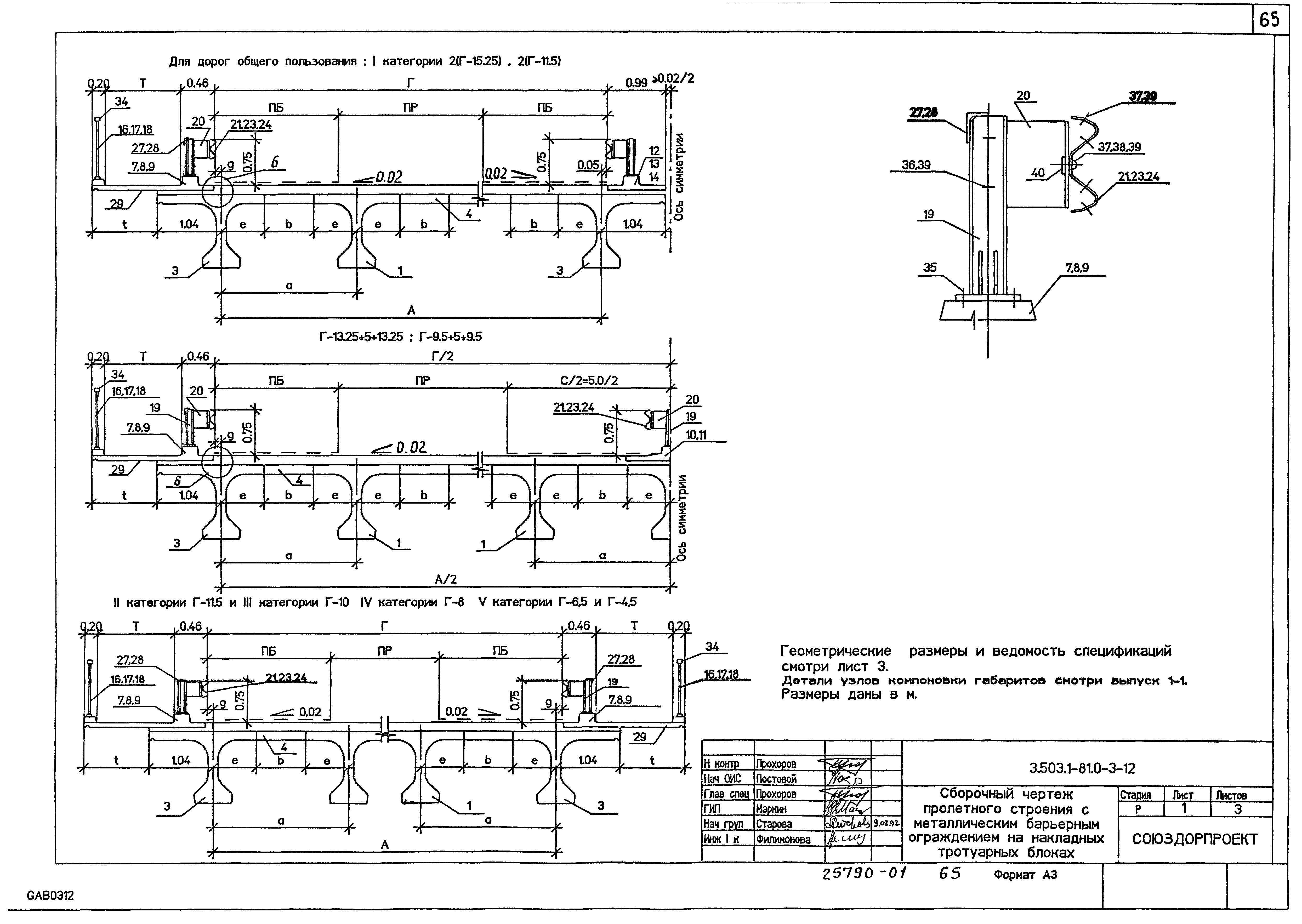
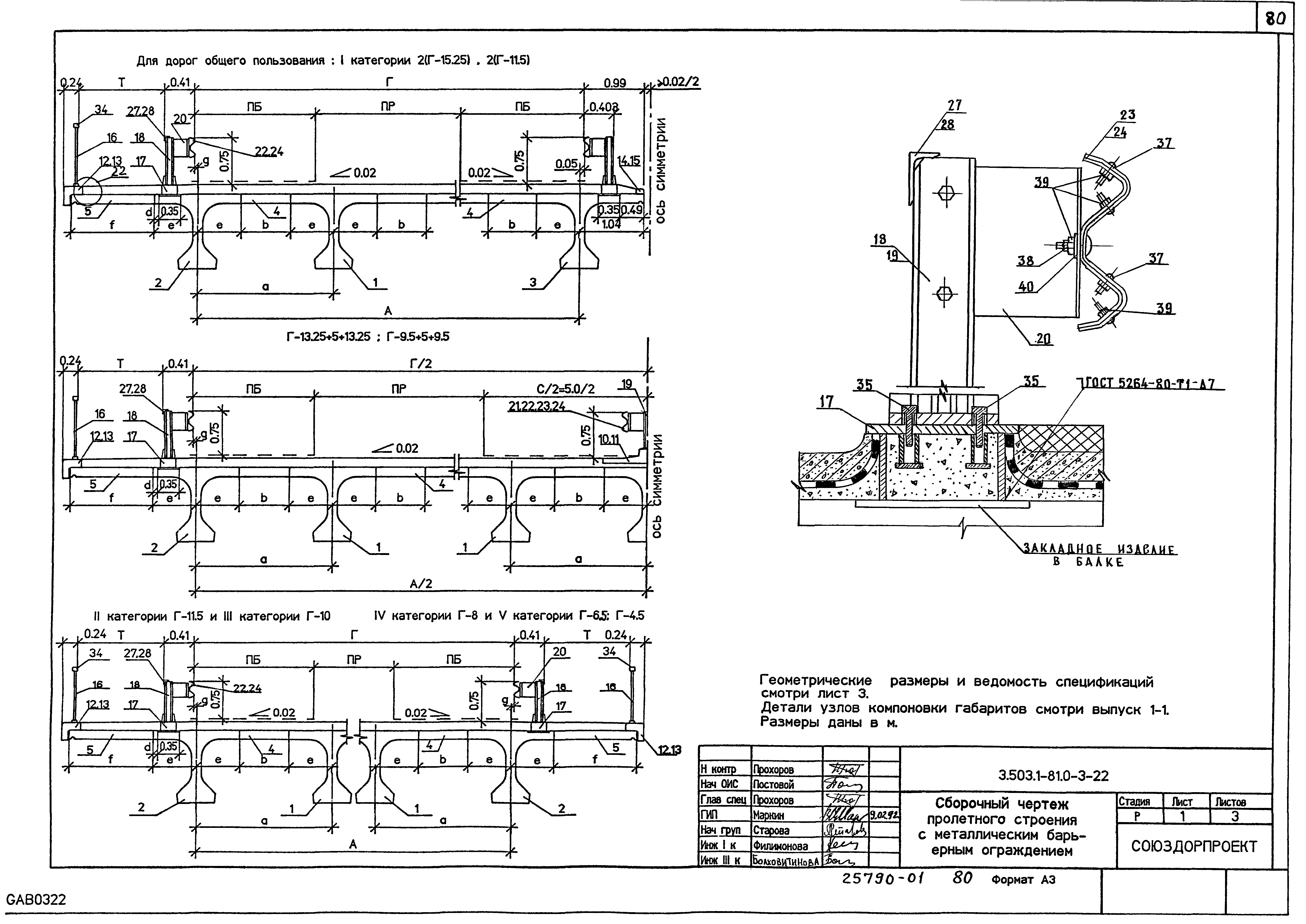
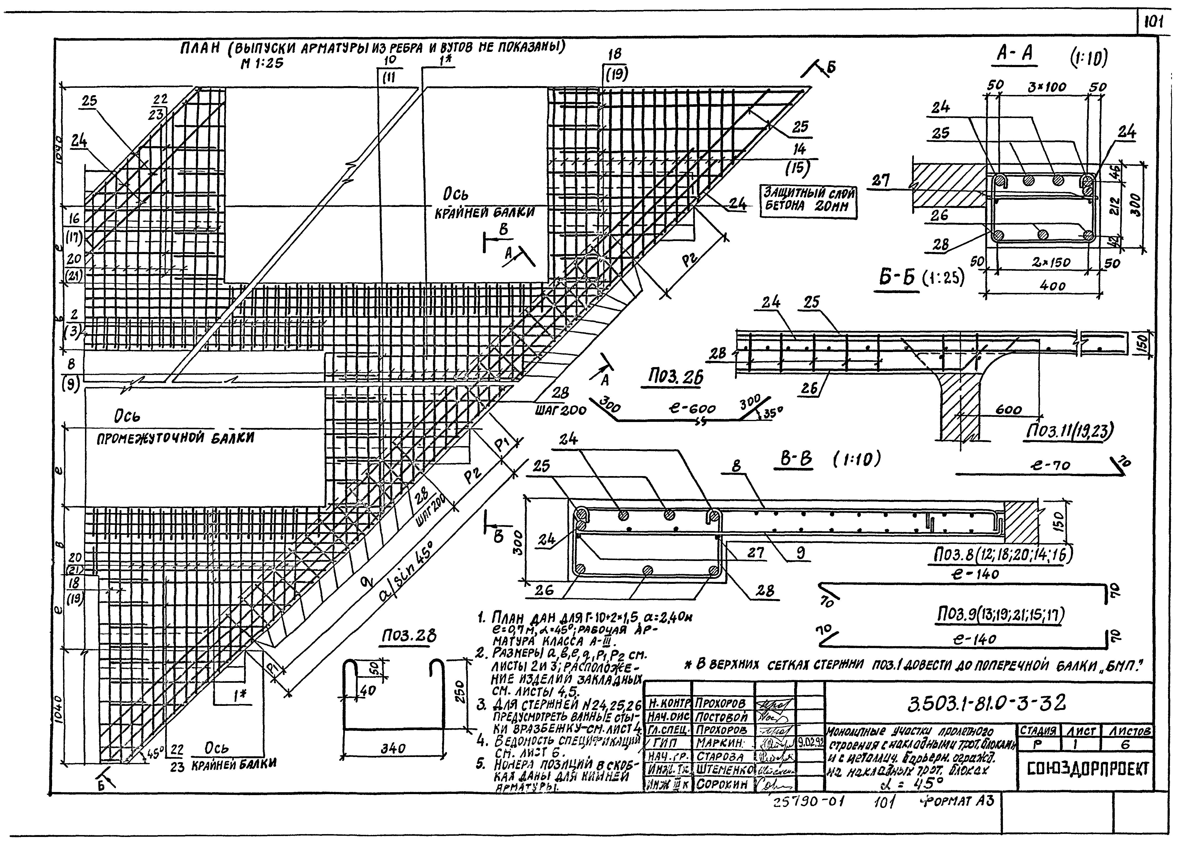
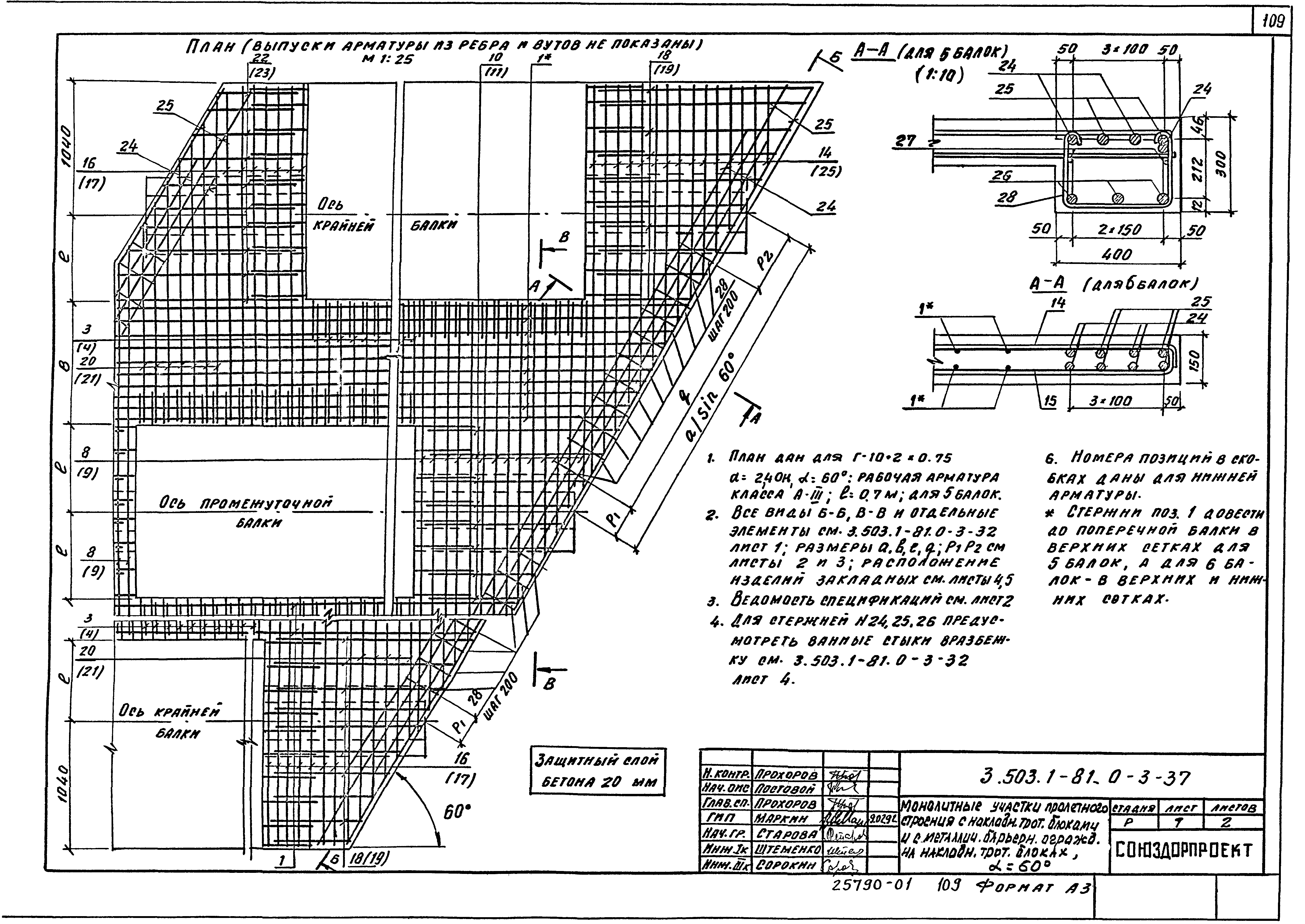
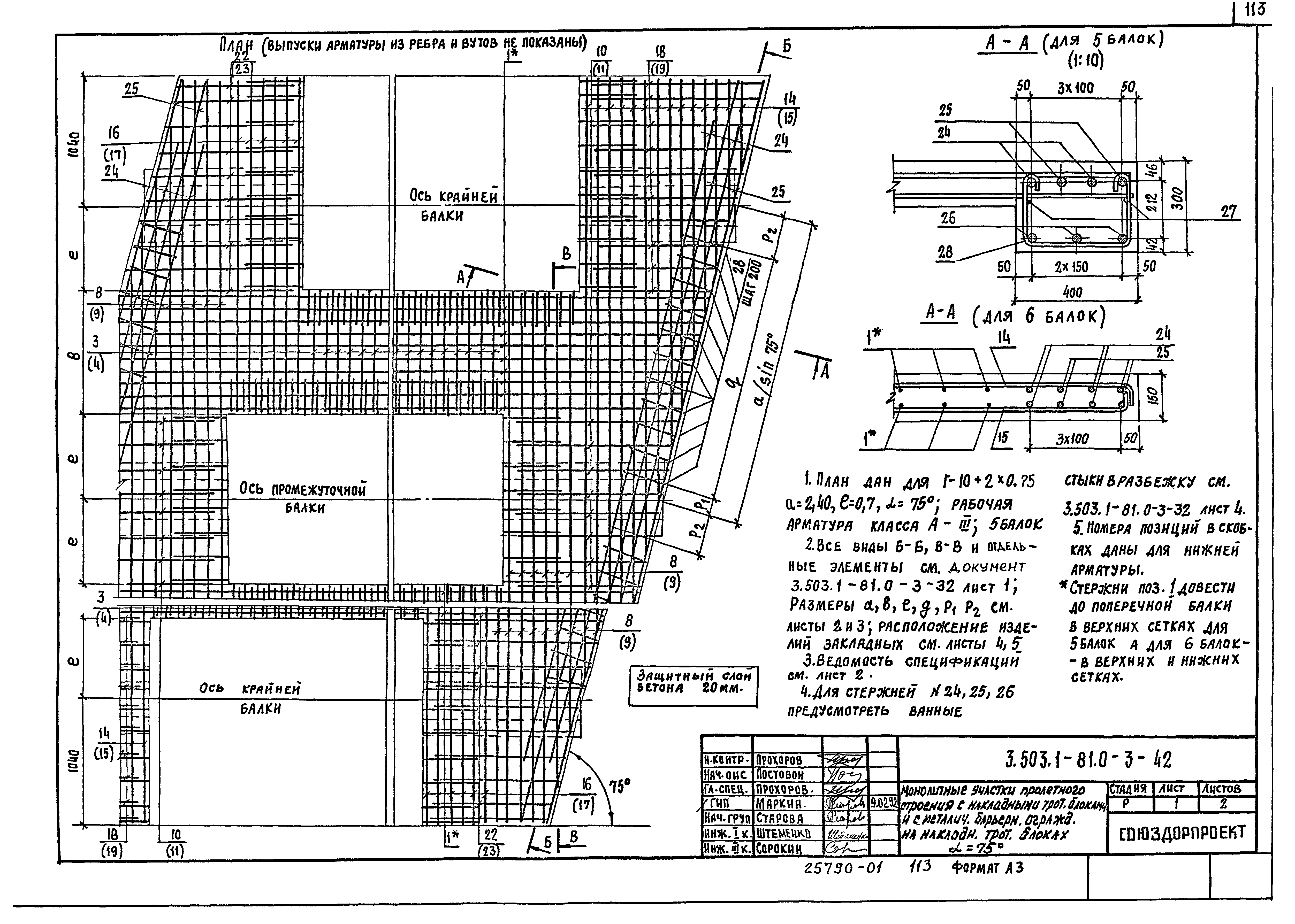
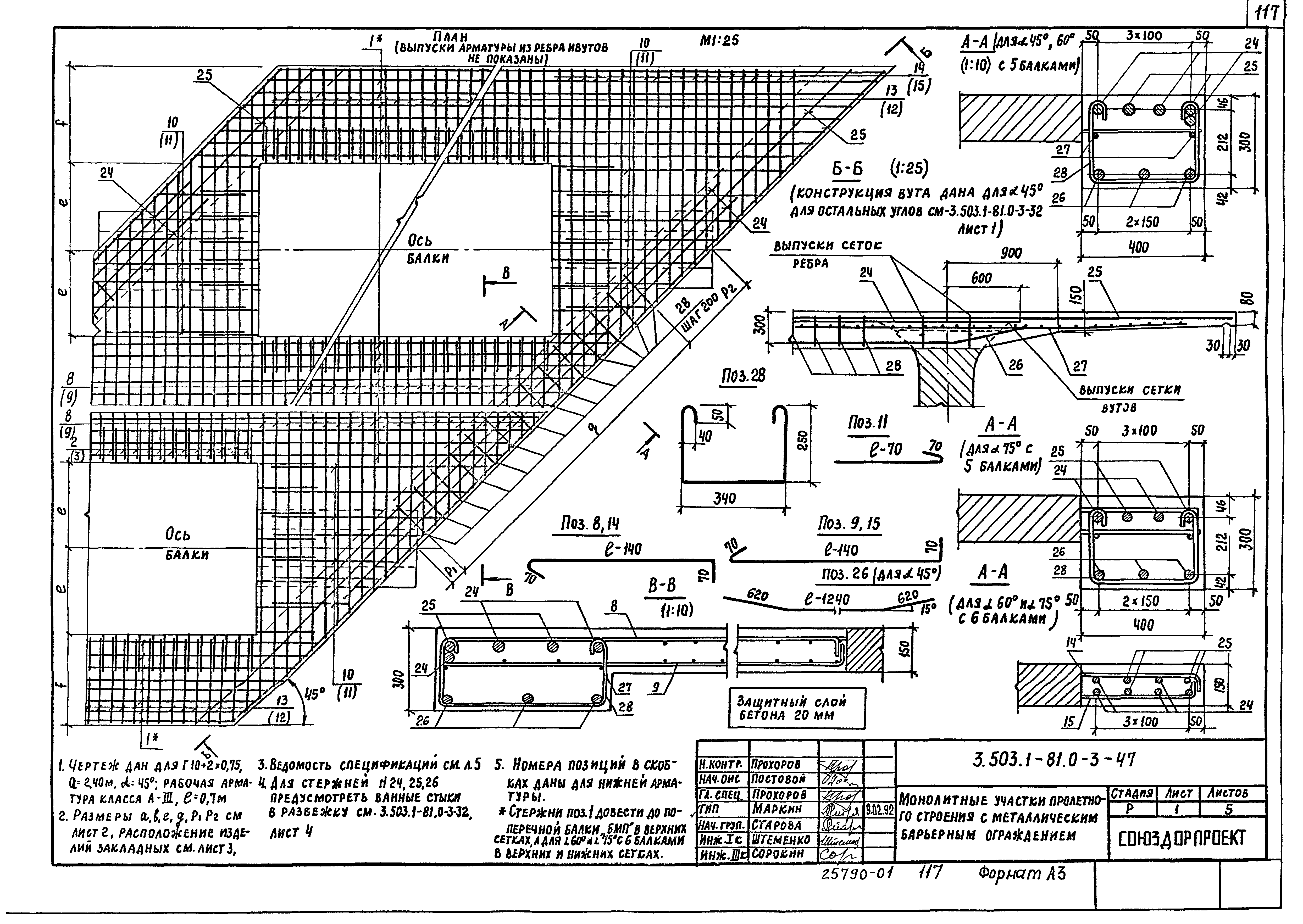
| Оглавление: | 3.503.1-81.0-3-ПЗ Пояснительная записка 3.503.1-81.0-3-1НИ Номенклатура изделий 3.503.1-81.0-3-2 Сборочный чертеж пролетного строения с накладными тротуарными блоками 3.503.1-81.0-3-3 Балки с шириной плиты 140 и 174 см и монолитные участки пролетного строения L=24 м с накладными тротуарными блоками альфа=45 градусов 3.503.1-81.0-3-4 Балки с шириной плиты 140 и 174 см и монолитные участки пролетного строения L=24 м с накладными тротуарными блоками альфа=60 градусов 3.503.1-81.0-3-5 Балки с шириной плиты 140 и 174 см и монолитные участки пролетного строения L=24 м с накладными тротуарными блоками альфа=75 градусов 3.503.1-81.0-3-6 Балки высотой 1,7 м и монолитные участки пролетного строения L=33 м с накладными тротуарными блоками альфа=45 градусов 3.503.1-81.0-3-7 Балки высотой 1,7 м и монолитные участки пролетного строения L=33 м с накладными тротуарными блоками альфа=60 градусов 3.503.1-81.0-3-8 Балки высотой 1,7 м и монолитные участки пролетного строения L=33 м с накладными тротуарными блоками альфа=75 градусов 3.503.1-81.0-3-9 Мостовое полотно с накладными тротуарными блоками альфа=45 градусов 3.503.1-81.0-3-10 Мостовое полотно с накладными тротуарными блоками альфа=60 градусов 3.503.1-81.0-3-11 Мостовое полотно с накладными тротуарными блоками альфа=75 градусов 3.503.1-81.0-3-12 Сборочный чертеж пролетного строения с металлическим барьерным ограждением на накладных тротуарных блоках 3.503.1-81.0-3-13 Балки с шириной плиты 140 и 174 см и монолитные участки пролетного строения L=24 м с металлическим барьерным ограждением на накладных тротуарных блоках альфа=45 градусов 3.503.1-81.0-3-14 Балки с шириной плиты 140 и 174 см и монолитные участки пролетного строения L=24 м с металлическим барьерным ограждением на накладных тротуарных блоках альфа=60 градусов 3.503.1-81.0-3-15 Балки с шириной плиты 140 и 174 см и монолитные участки пролетного строения L=24 м с металлическим барьерным ограждением на накладных тротуарных блоках альфа=75 градусов 3.503.1-81.0-3-16 Балки высотой 1,7 м и монолитные участки пролетного строения L=33 м с металлическим барьерным ограждением на накладных тротуарных блоках альфа=45 градусов 3.503.1-81.0-3-17 Балки высотой 1,7 м и монолитные участки пролетного строения L=33 м с металлическим барьерным ограждением на накладных тротуарных блоках альфа=60 градусов 3.503.1-81.0-3-18 Балки высотой 1,7 м и монолитные участки пролетного строения L=33 м с металлическим барьерным ограждением на накладных тротуарных блоках альфа=75 градусов 3.503.1-81.0-3-19 Мостовое полотно с металлическим барьерным ограждением на накладных тротуарных блоках альфа=45 градусов 3.503.1-81.0-3-20 Мостовое полотно с металлическим барьерным ограждением на накладных тротуарных блоках альфа=60 градусов 3.503.1-81.0-3-21 Мостовое полотно с металлическим барьерным ограждением на накладных тротуарных блоках альфа=75 градусов 3.503.1-81.0-3-22 Сборочный чертеж пролетного строения с металлическим барьерным ограждением 3.503.1-81.0-3-23 Балки с шириной плиты 140 и 174 см и монолитные участки пролетного строения L=24 м с металлическим барьерным ограждением альфа=45 градусов 3.503.1-81.0-3-24 Балки с шириной плиты 140 и 174 см и монолитные участки пролетного строения L=24 м с металлическим барьерным ограждением альфа=60 градусов 3.503.1-81.0-3-25 Балки с шириной плиты 140 и 174 см и монолитные участки пролетного строения L=24 м с металлическим барьерным ограждением альфа=75 градусов 3.503.1-81.0-3-26 Балки высотой 1,7 м и монолитные участки пролетного строения L=33 м с металлическим барьерным ограждением альфа=45 градусов 3.503.1-81.0-3-27 Балки высотой 1,7 м и монолитные участки пролетного строения L=33 м с металлическим барьерным ограждением альфа=60 градусов 3.503.1-81.0-3-28 Балки высотой 1,7 м и монолитные участки пролетного строения L=33 м с металлическим барьерным ограждением альфа=75 градусов 3.503.1-81.0-3-29 Мостовое полотно с металлическим барьерным ограждением альфа=45 градусов 3.503.1-81.0-3-30 Мостовое полотно с металлическим барьерным ограждением альфа=60 градусов 3.503.1-81.0-3-31 Мостовое полотно с металлическим барьерным ограждением альфа=75 градусов 3.503.1-81.0-3-32 Монолитные участки пролетного строения с накладными тротуарными блоками и с металлическим барьерным ограждением на накладных тротуарных блоках альфа=45 градусов 3.503.1-81.0-3-33 Монолитные участки пролетного строения L=24 м с накладными тротуарными блоками и с металлическим барьерным ограждением на накладных тротуарных блоках (альфа=45 градусов; 5 балок) 3.503.1-81.0-3-34 Монолитные участки пролетного строения L=24 м с накладными тротуарными блоками и с металлическим барьерным ограждением на накладных тротуарных блоках (альфа=45 градусов; 6 балок) 3.503.1-81.0-3-35 Монолитные участки пролетного строения L=33 м с накладными тротуарными блоками и с металлическим барьерным ограждением на накладных тротуарных блоках (альфа=45 градусов; 5 балок) 3.503.1-81.0-3-36 Монолитные участки пролетного строения L=33 м с накладными тротуарными блоками и с металлическим барьерным ограждением на накладных тротуарных блоках (альфа=45 градусов; 6 балок) 3.503.1-81.0-3-37 Монолитные участки пролетного строения с накладными тротуарными блоками и с металлическим барьерным ограждением на накладных тротуарных блоках альфа=60 градусов 3.503.1-81.0-3-38 Монолитные участки пролетного строения L=24 м с накладными тротуарными блоками и с металлическим барьерным ограждением на накладных тротуарных блоках (альфа=60 градусов; 5 балок) 3.503.1-81.0-3-39 Монолитные участки пролетного строения L=24 м с накладными тротуарными блоками и с металлическим барьерным ограждением на накладных тротуарных блоках (альфа=60 градусов; 6 балок) 3.503.1-81.0-3-40 Монолитные участки пролетного строения L=33 м с накладными тротуарными блоками и с металлическим барьерным ограждением на накладных тротуарных блоках (альфа=60 градусов; 5 балок) 3.503.1-81.0-3-41 Монолитные участки пролетного строения L=33 м с накладными тротуарными блоками и с металлическим барьерным ограждением на накладных тротуарных блоках (альфа=60 градусов; 6 балок) 3.503.1-81.0-3-42 Монолитные участки пролетного строения с накладными тротуарными блоками и с металлическим барьерным ограждением на накладных тротуарных блоках альфа=75 градусов 3.503.1-81.0-3-43 Монолитные участки пролетного строения L=24 м с накладными тротуарными блоками и с металлическим барьерным ограждением на накладных тротуарных блоках (альфа=75 градусов; 5 балок) 3.503.1-81.0-3-44 Монолитные участки пролетного строения L=24 м с накладными тротуарными блоками и с металлическим барьерным ограждением на накладных тротуарных блоках (альфа=75 градусов; 6 балок) 3.503.1-81.0-3-45 Монолитные участки пролетного строения L=33 м с накладными тротуарными блоками и с металлическим барьерным ограждением на накладных тротуарных блоках (альфа=75 градусов; 5 балок) 3.503.1-81.0-3-46 Монолитные участки пролетного строения L=33 м с накладными тротуарными блоками и с металлическим барьерным ограждением на накладных тротуарных блоках (альфа=75 градусов; 6 балок) 3.503.1-81.0-3-47 Монолитные участки пролетного строения с металлическим барьерным ограждением 3.503.1-81.0-3-48 Монолитные участки пролетного строения L=24 м с металлическим барьерным ограждением (альфа=45 градусов; 5 балок) 3.503.1-81.0-3-49 Монолитные участки пролетного строения L=24 м с металлическим барьерным ограждением (альфа=45 градусов; 6 балок) 3.503.1-81.0-3-50 Монолитные участки пролетного строения L=33 м с металлическим барьерным ограждением (альфа=45 градусов; 5 балок) 3.503.1-81.0-3-51 Монолитные участки пролетного строения L=33 м с металлическим барьерным ограждением (альфа=45 градусов; 6 балок) 3.503.1-81.0-3-52 Монолитные участки пролетного строения L=24 м с металлическим барьерным ограждением (альфа=60 градусов; 5 балок) 3.503.1-81.0-3-53 Монолитные участки пролетного строения L=24 м с металлическим барьерным ограждением (альфа=60 градусов; 6 балок) 3.503.1-81.0-3-54 Монолитные участки пролетного строения L=33 м с металлическим барьерным ограждением (альфа=60 градусов; 5 балок) 3.503.1-81.0-3-55 Монолитные участки пролетного строения L=33 м с металлическим барьерным ограждением (альфа=60 градусов; 6 балок) 3.503.1-81.0-3-56 Монолитные участки пролетного строения L=24 м с металлическим барьерным ограждением (альфа=75 градусов; 5 балок) 3.503.1-81.0-3-57 Монолитные участки пролетного строения L=24 м с металлическим барьерным ограждением (альфа=75 градусов; 6 балок) 3.503.1-81.0-3-58 Монолитные участки пролетного строения L=33 м с металлическим барьерным ограждением (альфа=75 градусов; 5 балок) 3.503.1-81.0-3-59 Монолитные участки пролетного строения L=33 м с металлическим барьерным ограждением (альфа=75 градусов; 6 балок) 3.503.1-81.0-3-60ВМ Ведомость расхода материалов на пролетное строение длиной 24 м 3.503.1-81.0-3-61ВМ Ведомость расхода материалов на пролетное строение длиной 33 м |
| Разработан: | Союздорпроект Минтрансстроя |
| Утверждён: | 03.02.1992 Корпорация Трансстрой (Transstroy Corporation 3002-18/4) |
| Заменяет собой: |
































































































































