Скачать Серия 3.503-12 Выпуск 21. Пролетные строения из пустотных плит длиной от 6 до 18 м, армированных стержневой арматурой классов A-IV и A-V. Северное исполнениеДата актуализации: 01.01.2021
|
| Обозначение: | Серия 3.503-12 |
| Обозначение англ: | Series 3.503-12 |
| Статус: | действует |
| Название рус.: | Выпуск 21. Пролетные строения из пустотных плит длиной от 6 до 18 м, армированных стержневой арматурой классов A-IV и A-V. Северное исполнение |
| Дата добавления в базу: | 01.09.2013 |
| Дата актуализации: | 01.01.2021 |
| Дата введения: | 01.08.1977 |
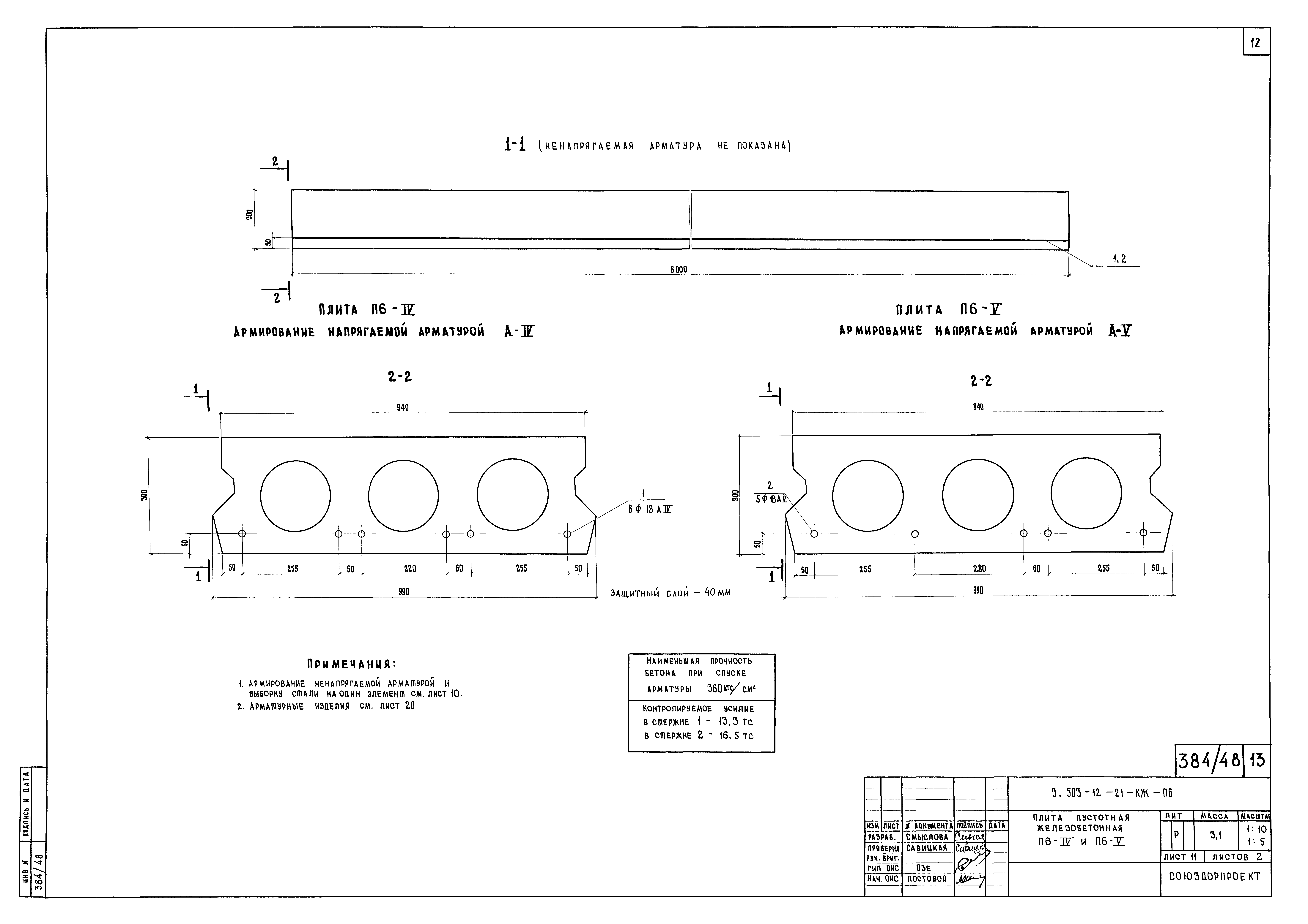
| Оглавление: | Общие данные Плита пустотная железобетонная П6-IV и П6-V Плита пустотная железобетонная П9-IV и П9-V Плита пустотная железобетонная П12-IV и П12-V Плита пустотная железобетонная П15-IV и П15-V Плита пустотная железобетонная П18-IV и П18-V Изделия арматурные и закладные |
| Разработан: | Союздорпроект Минтрансстроя |
| Утверждён: | 12.05.1977 Минтрансстрой (Mintransstroy Б-715) |






















