Скачать Серия 3.503.3-56 Пролетные строения автодорожных мостов сталежелезобетонные из прокатных широкополочных двутавров пролетами 21 и 24 м габаритами Г-8, Г-10 и Г-11,5. Рабочие чертежиДата актуализации: 01.01.2021
|
| Обозначение: | Серия 3.503.3-56 |
| Обозначение англ: | Series 3.503.3-56 |
| Статус: | действует |
| Название рус.: | Пролетные строения автодорожных мостов сталежелезобетонные из прокатных широкополочных двутавров пролетами 21 и 24 м габаритами Г-8, Г-10 и Г-11,5. Рабочие чертежи |
| Дата добавления в базу: | 01.09.2013 |
| Дата актуализации: | 01.01.2021 |
| Дата введения: | 01.09.1982 |
| Область применения: | В настоящем проекте разработаны рабочие чертежи металлоконструкций и сборной железобетонной плиты проезжей части пролетных строений с ездой поверху для условий эксплуатации в климатических зонах с расчетной температурой выше минус 40 градусов Цельсия |
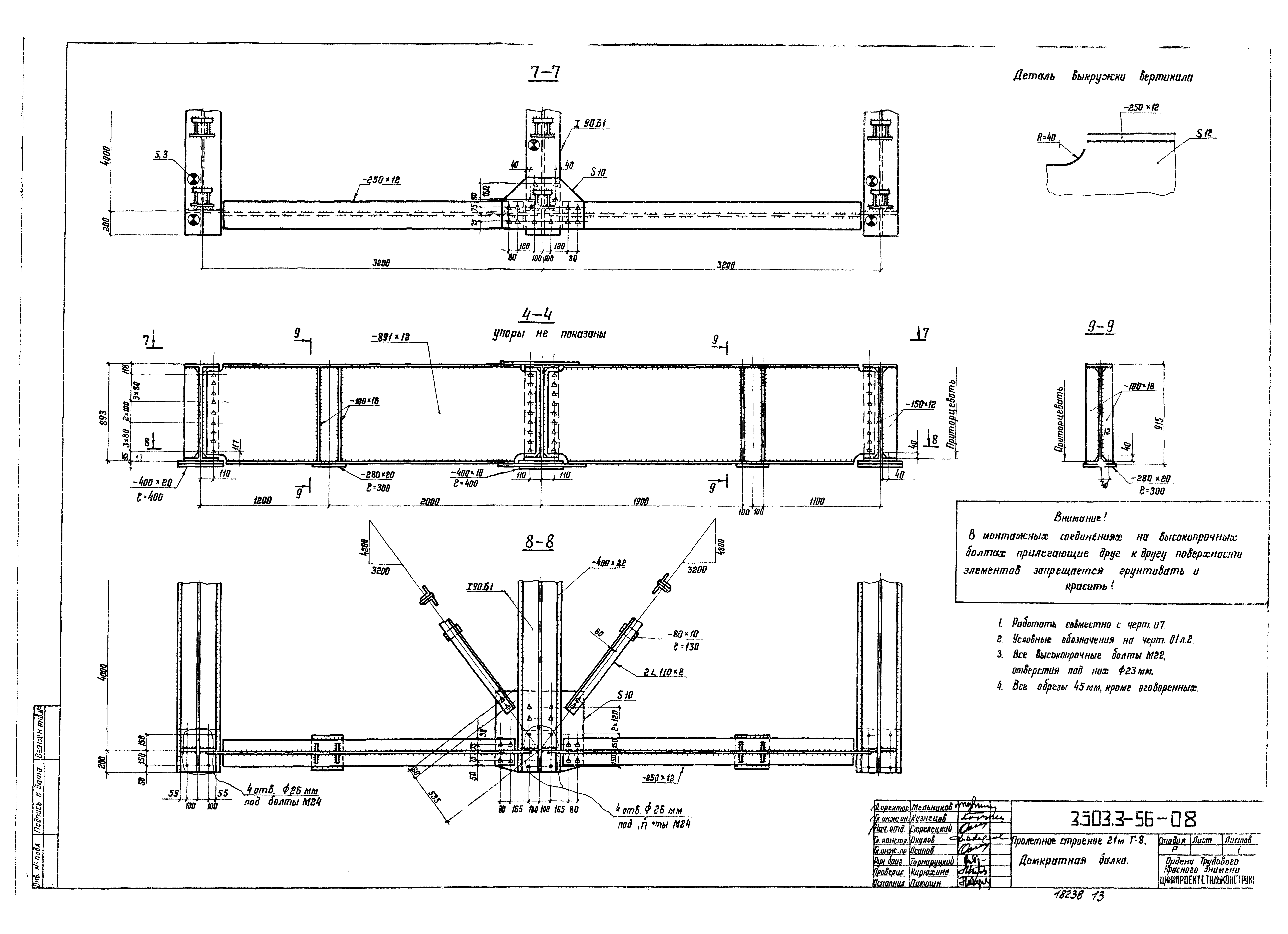
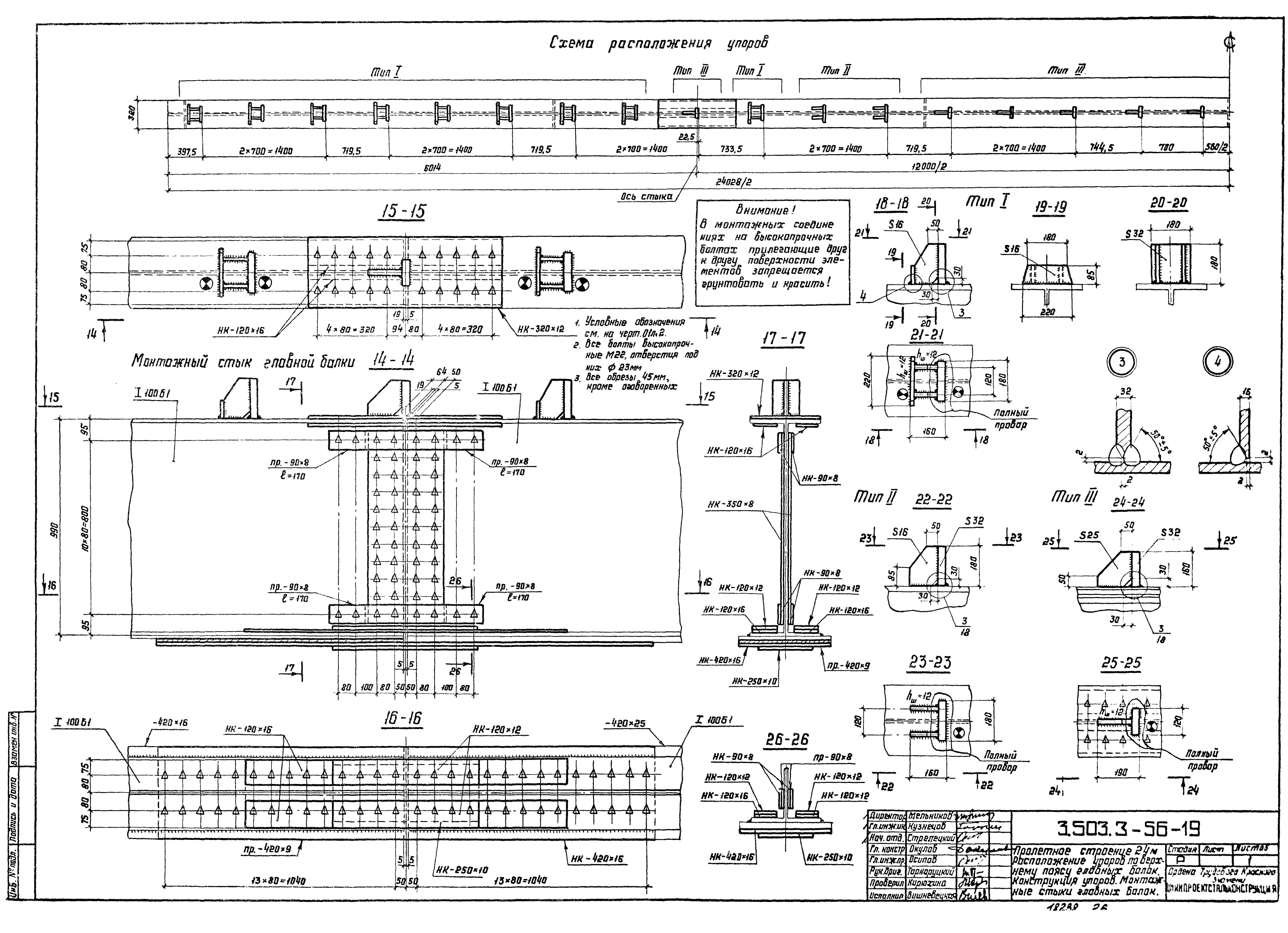
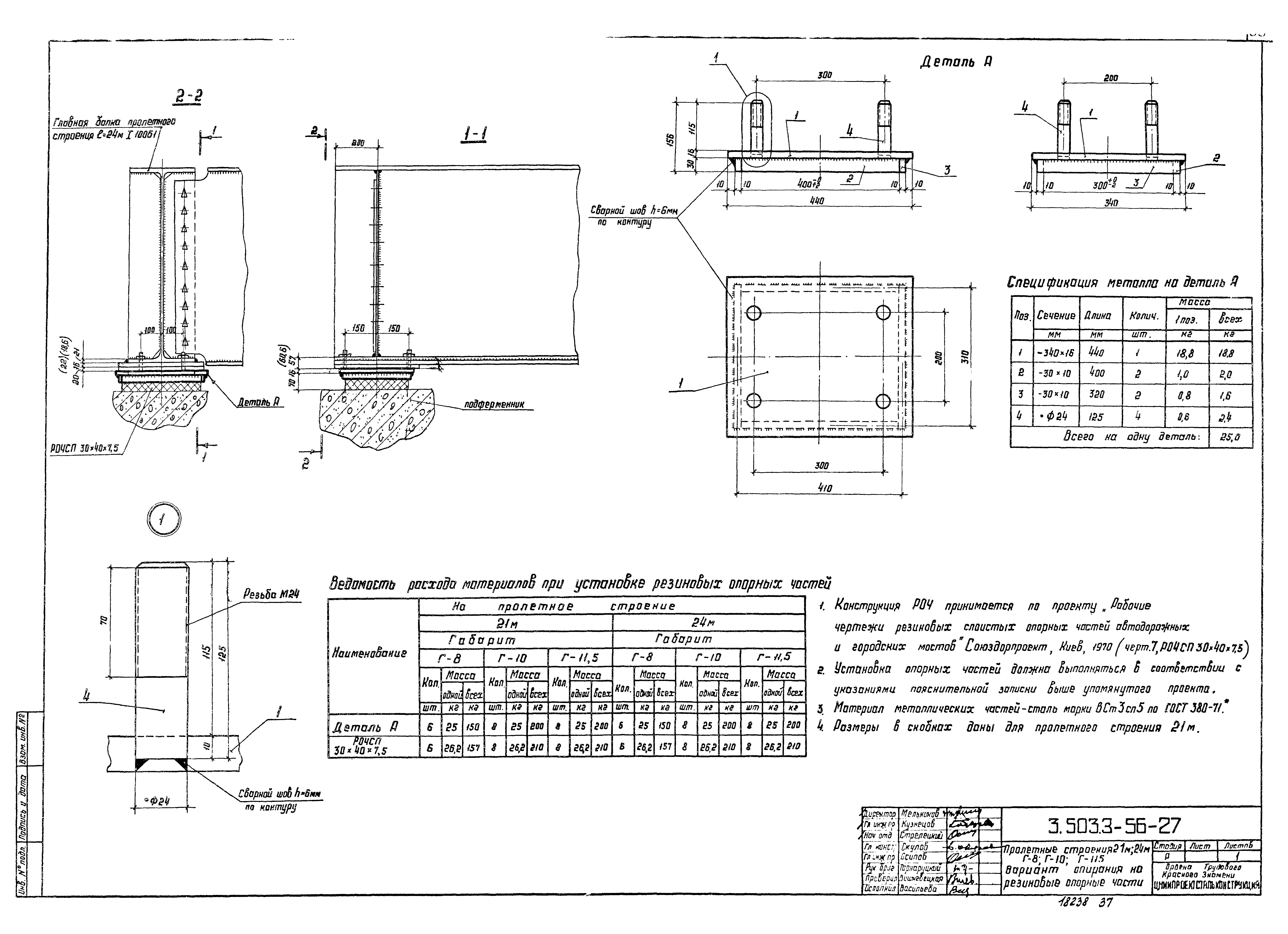
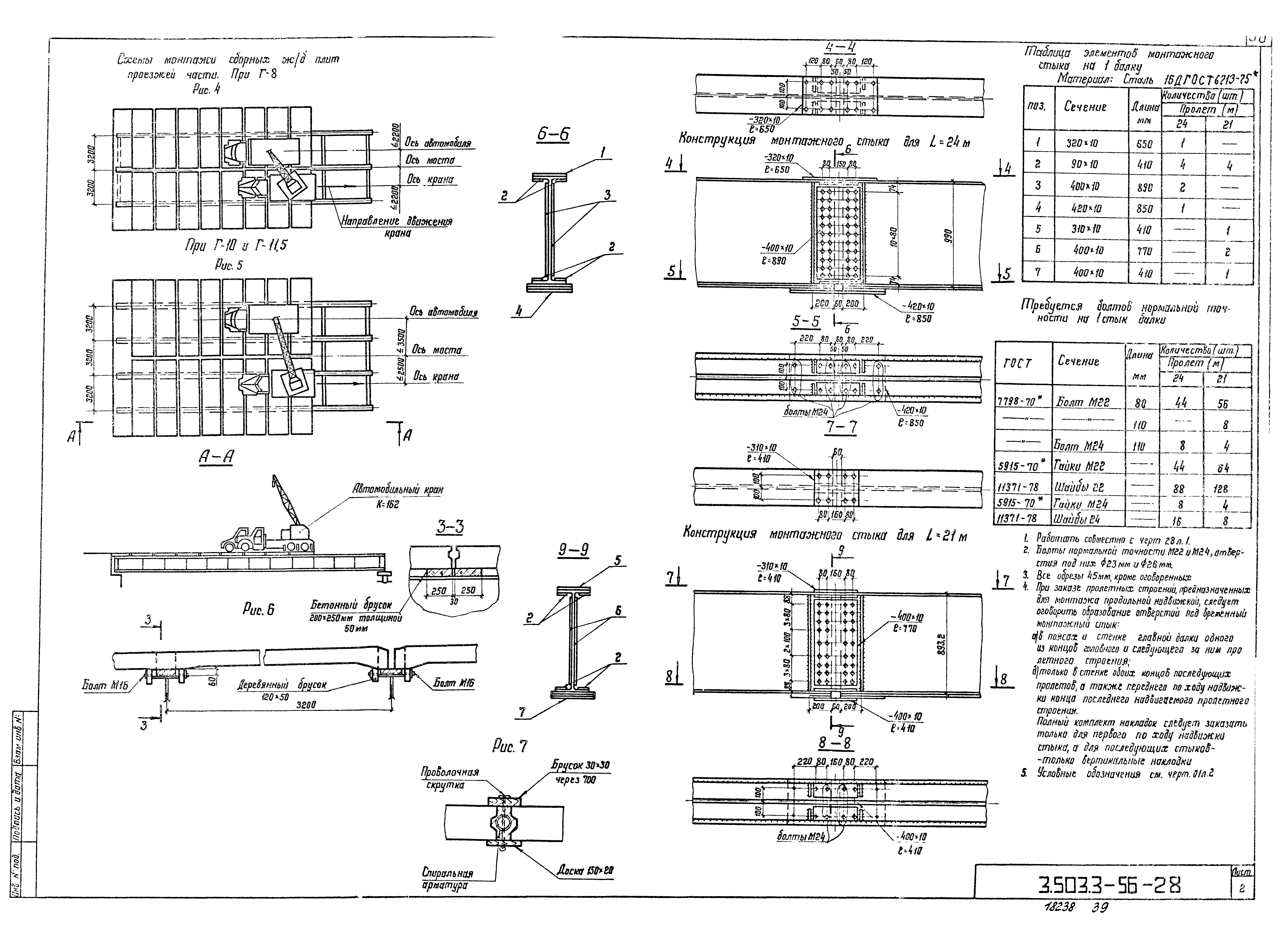
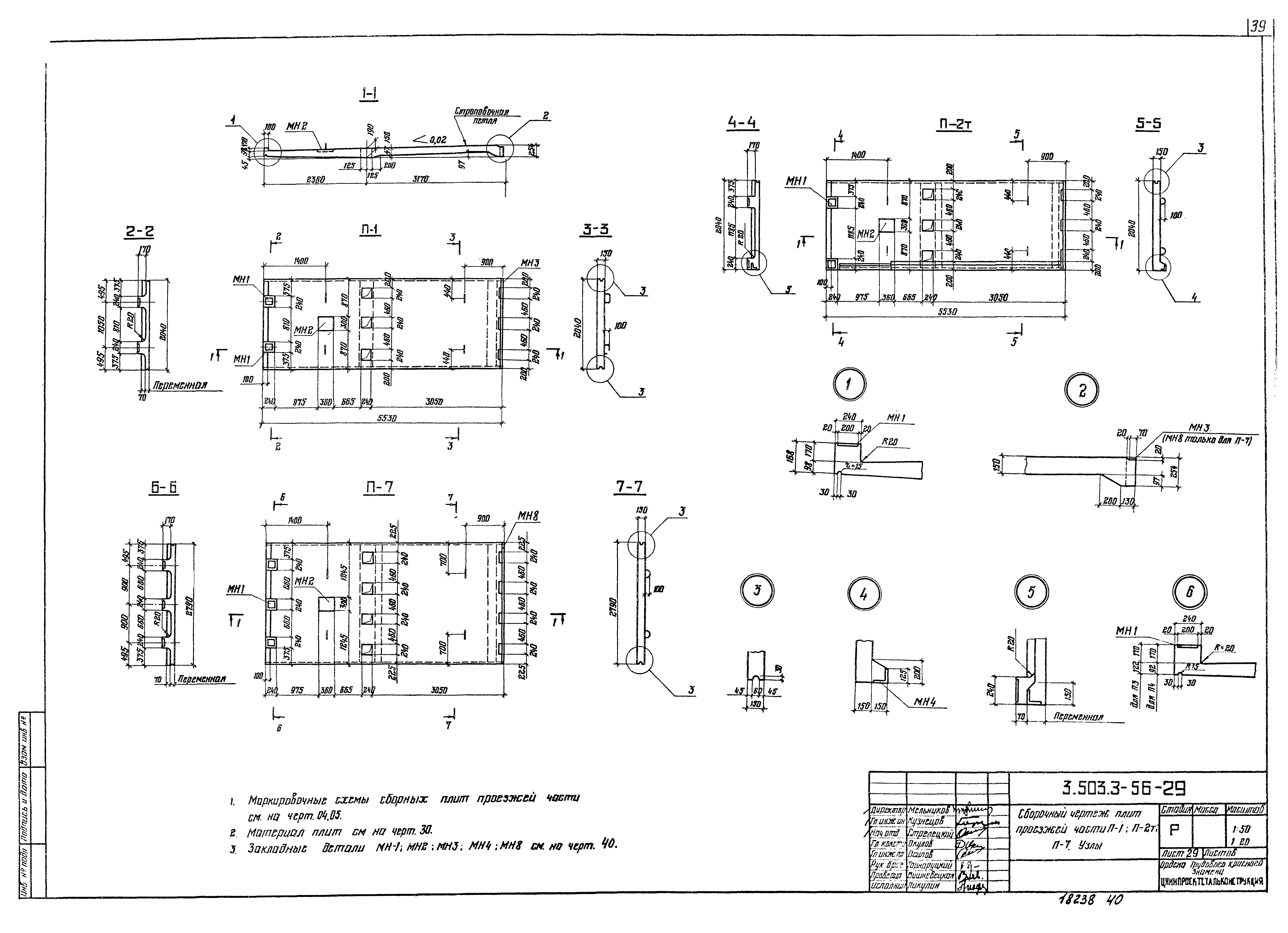
| Оглавление: | 3.503.3-56 черт. 01 л.л 1; 2 Пояснительная записка 3.503.3-56 черт. 02 л.л.1; 2 Расчетный лист 3.503.3-56 черт. 3 Пролетные строения 21 и 24 м. Ведомость расхода материалов на пролетные строения. Ведомость расхода материалов на сборные железобетонные плиты проезжей части 3.503.3-56 черт. 4 Пролетное строение 21 м, Г-8, Г-10, Г-11,5. Фасад. Схемы расположения сборных железобетонных плит проезжей части. Поперечные разрезы. Ведомость монтажных элементов 3.503.3-56 черт. 5 Пролетное строение 24 м, Г-8, Г-10, Г-11,5. Фасад. Схемы расположения сборных железобетонных плит проезжей части. Поперечные разрезы. Ведомость монтажных элементов 3.503.3-56 черт. 6 Поперечные разрезы проезжей части для пролетных строений 21 и 24 м, Г-8; Г-10; Г-11,5 3.503.3-56 черт. 7 Пролетное строение 21м Г-8. Общий вид металлоконструкций 3.503.3-56 черт. 8 Пролетное строение 21м Г-8. Домкратная балка 3.503.3-56 черт. 9 Пролетное строение 21м Г-8. Поперечные связи в пролете. Узлы 3.503.3-56 черт. 10 Пролетное строение 21м. Расположение упоров по верхнему поясу главных балок. Конструкция упоров. Монтажные стыки главных балок 3.503.3-56 черт. 11 л.л.1; 2 Пролетное строение 21м Г-8. Техническая спецификация стали. Сводная ведомость высокопрочных болтов и болтов нормальной точности 3.503.3-56 черт. 12 Пролетное строение 21м Г-10 и Г-11,5. Общий вид металлоконструкций 3.503.3-56 черт. 13 Пролетное строение 21м Г-10 и Г-11,5. Домкратная балка 3.503.3-56 черт. 14 Пролетное строение 21м Г-10 и Г-11,5. Поперечные связи в пролете. Узлы 3.503.3-56 черт. 15 л.л 1; 2 Пролетное строение 21м Г-10 и Г-11,5. Техническая спецификация стали. Сводная ведомость высокопрочных болтов и болтов нормальной точности 3.503.3-56 черт. 16 Пролетное строение 24 м Г-8. Общий вид металлоконструкций 3.503.3-56 черт. 17 Пролетное строение 24 м Г-8. Домкратная балка 3.503.3-56 черт. 18 Пролетное строение 24 м Г-8. Поперечные связи в пролете. Узлы 3.503.3-56 черт. 19 Пролетное строение 24 м. Расположение упоров по верхнему поясу главных балок. Конструкция упоров. Монтажные стыки главных балок 3.503.3-56 черт. 20 л.л. 1; 2 Пролетное строение 24 м Г-8. Техническая спецификация стали. Сводная ведомость высокопрочных болтов и болтов нормальной точности 3.503.3-56 черт. 21 Пролетное строение 24 м Г-10, Г-11,5. Общий вид металлоконструкций 3.503.3-56 черт. 22 Пролетное строение 24 м Г-10 и Г-11,5. Домкратная балка 3.503.3-56 черт. 23 Пролетное строение 24 м Г-10, Г-11,5. Поперечные связи в пролете. Узлы 3.503.3-56 черт. 24 л.л. 1; 2 Пролетное строение 24 м Г-10, Г-11,5. Техническая спецификация стали. Сводная ведомость высокопрочных болтов и болтов нормальной точности 3.503.3-56 черт. 25 л.л. 1; 2 Конструкция ограждения проезжей части и перил 3.503.3-56 черт. 26 Деформационные швы 3.503.3-56 черт. 27 Пролетные строения 21 м ; 24 м Г-8, Г-10, Г-11,5. Вариант опирания на резиновые опорные части 3.503.3-56 черт. 28 л.л. 1; 2 Схемы монтажа пролетных строений. Указания по монтажу плит проезжей части 3.503.3-56 черт. 29 Сборочный чертеж плит проезжей части П_1, П-2т, П-7. Узлы 3.503.3-56 черт. 30 Сборочный чертеж плит проезжей части П-3, П-4, П-5т, П-6т, П-8, П-9 3.503.3-56 черт. 31 Армирование плиты проезжей части П-1 3.503.3-56 черт. 32 Армирование плит проезжей части П-2т.н. 3.503.3-56 черт. 33 Армирование плиты проезжей части П-3 3.503.3-56 черт. 34 Армирование плиты проезжей части П-4 3.503.3-56 черт. 35 Армирование плиты проезжей части П-5 т.н. 3.503.3-56 черт. 36 Армирование плиты проезжей части П-6 т.н. 3.503.3-56 черт. 37 Армирование плиты проезжей части П-7 3.503.3-56 черт. 38 Армирование плиты проезжей части П-8 3.503.3-56 черт. 39 Армирование плиты проезжей части П-9 3.503.3-56 черт. 40 Конструкция закладных деталей. Поперечные и продольные швы омоноличивания плит проезжей части |
| Разработан: | ЦНИИпроектстальконструкция |
| Утверждён: | 09.10.1981 Минавтодор РСФСР (Russian Federation Minavtodor 35) |


















































