Скачать Серия 3.501.1-165 Выпуск 2-1. Пролетные строения длиной 12, 15 и 18 м сборные железобетонные с ненапрягаемой арматурой. Металлические изделия. Рабочие чертежиДата актуализации: 01.01.2021
|
| Обозначение: | Серия 3.501.1-165 |
| Обозначение англ: | Series 3.501.1-165 |
| Статус: | не определен законодательством |
| Название рус.: | Выпуск 2-1. Пролетные строения длиной 12, 15 и 18 м сборные железобетонные с ненапрягаемой арматурой. Металлические изделия. Рабочие чертежи |
| Дата добавления в базу: | 01.09.2013 |
| Дата актуализации: | 01.01.2021 |
| Дата введения: | 23.05.1991 |
| Дата окончания срока действия: | 30.06.2003 |
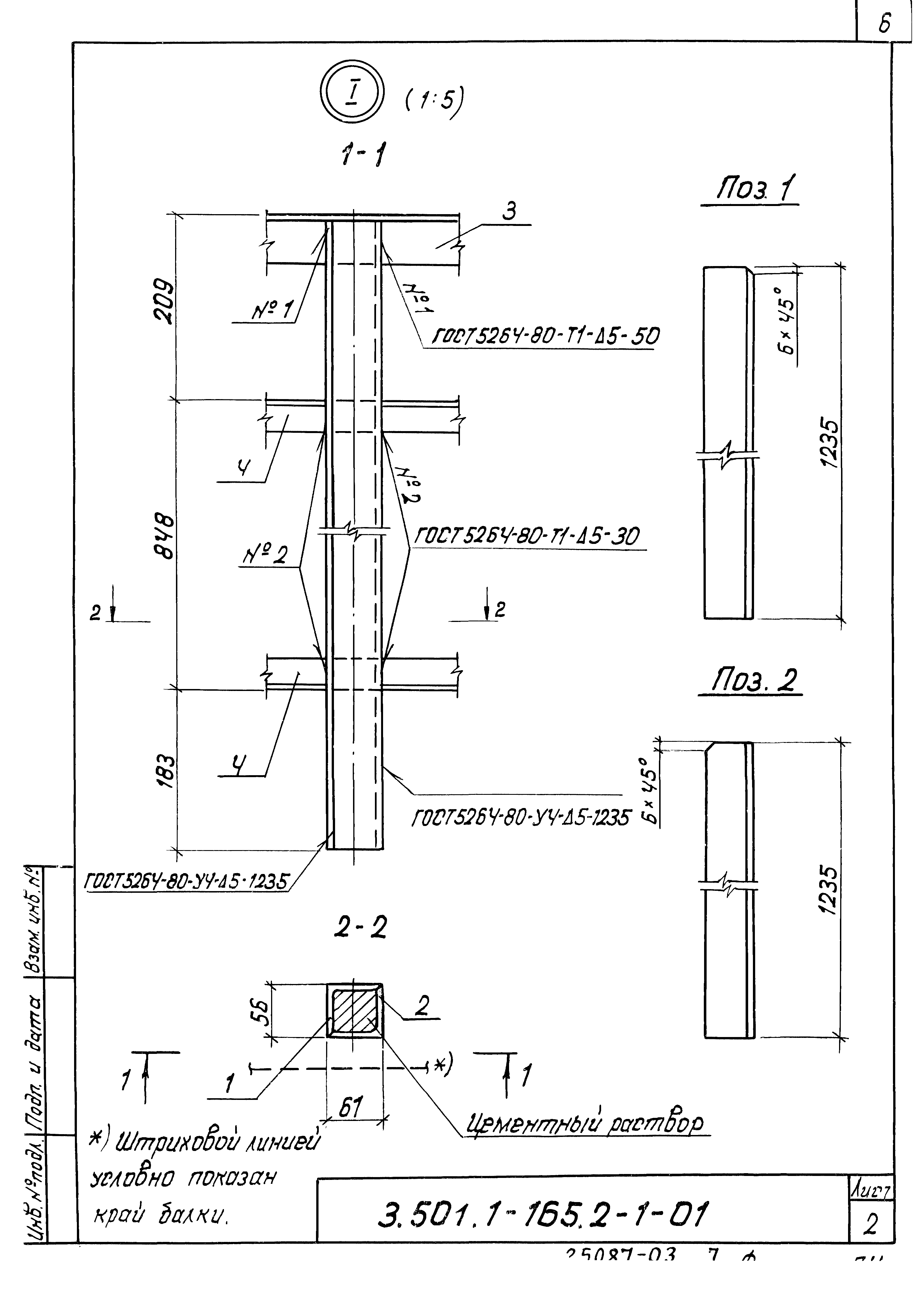
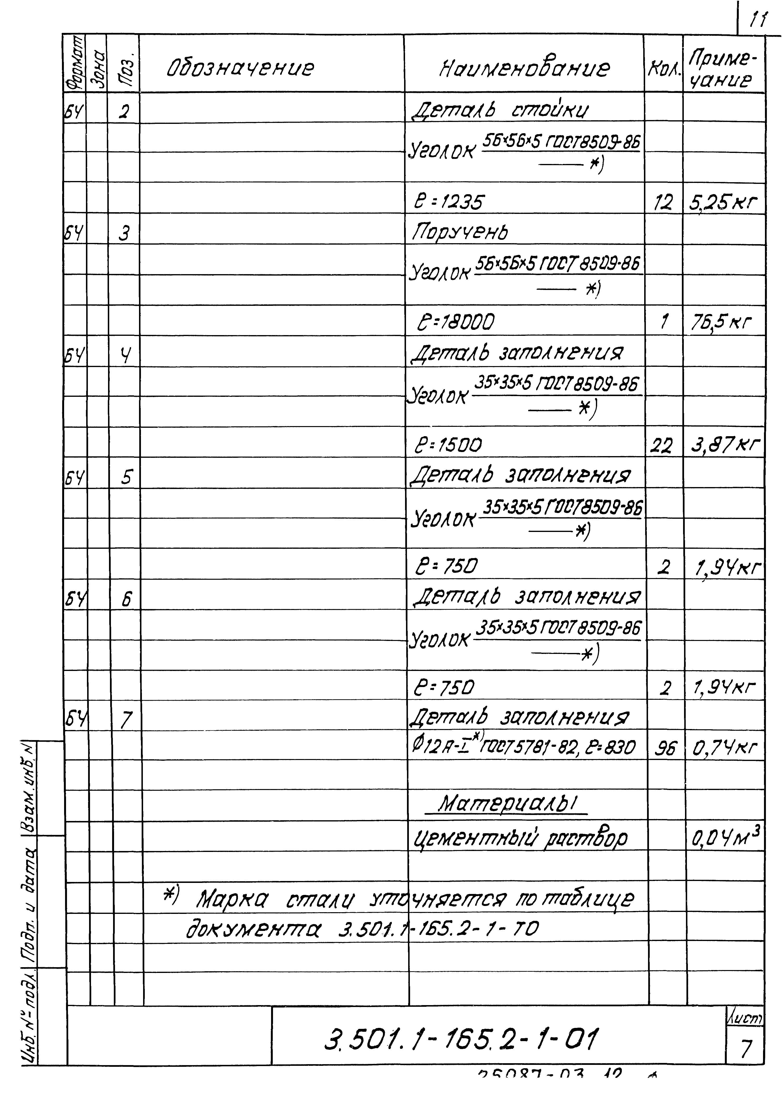
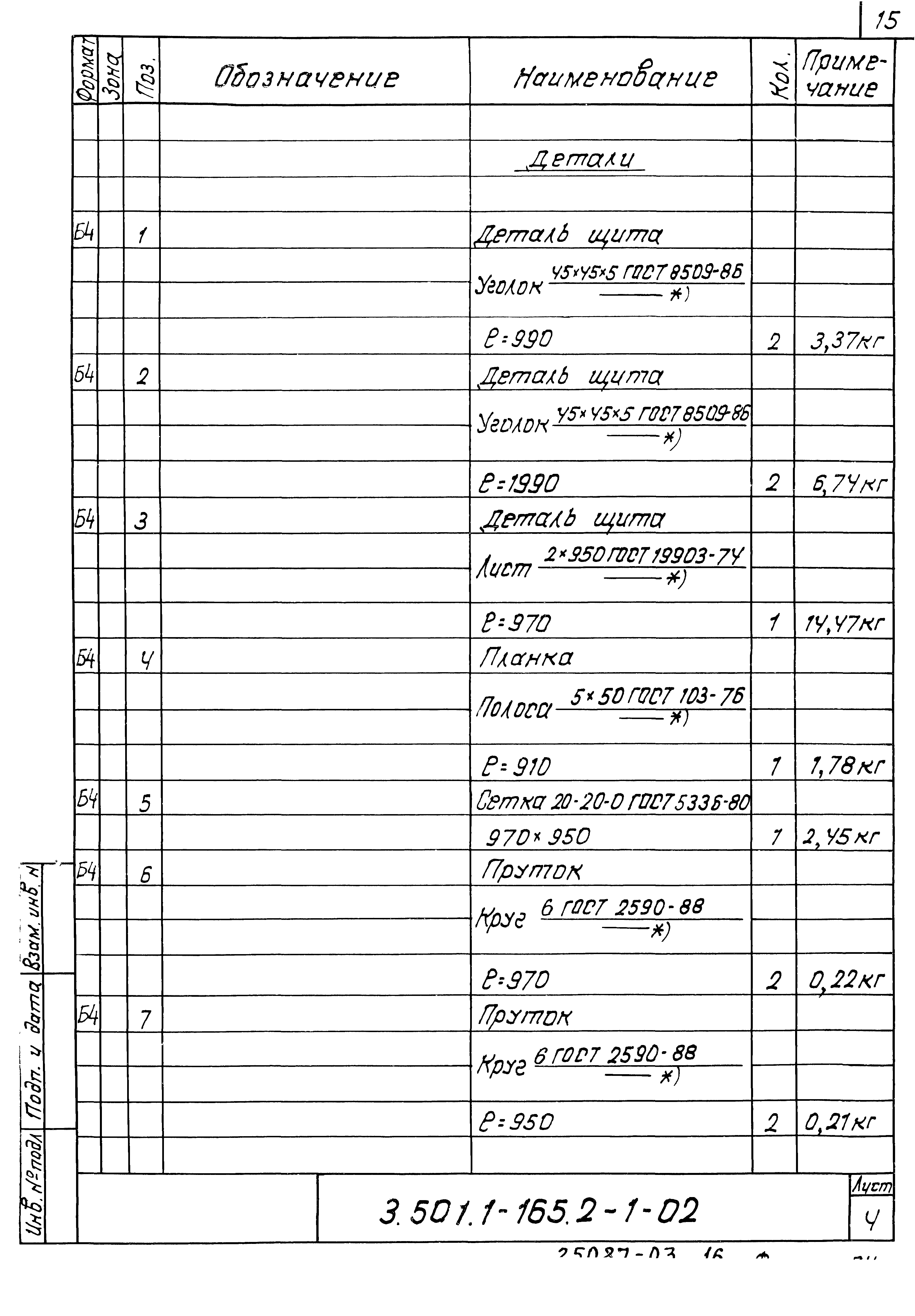
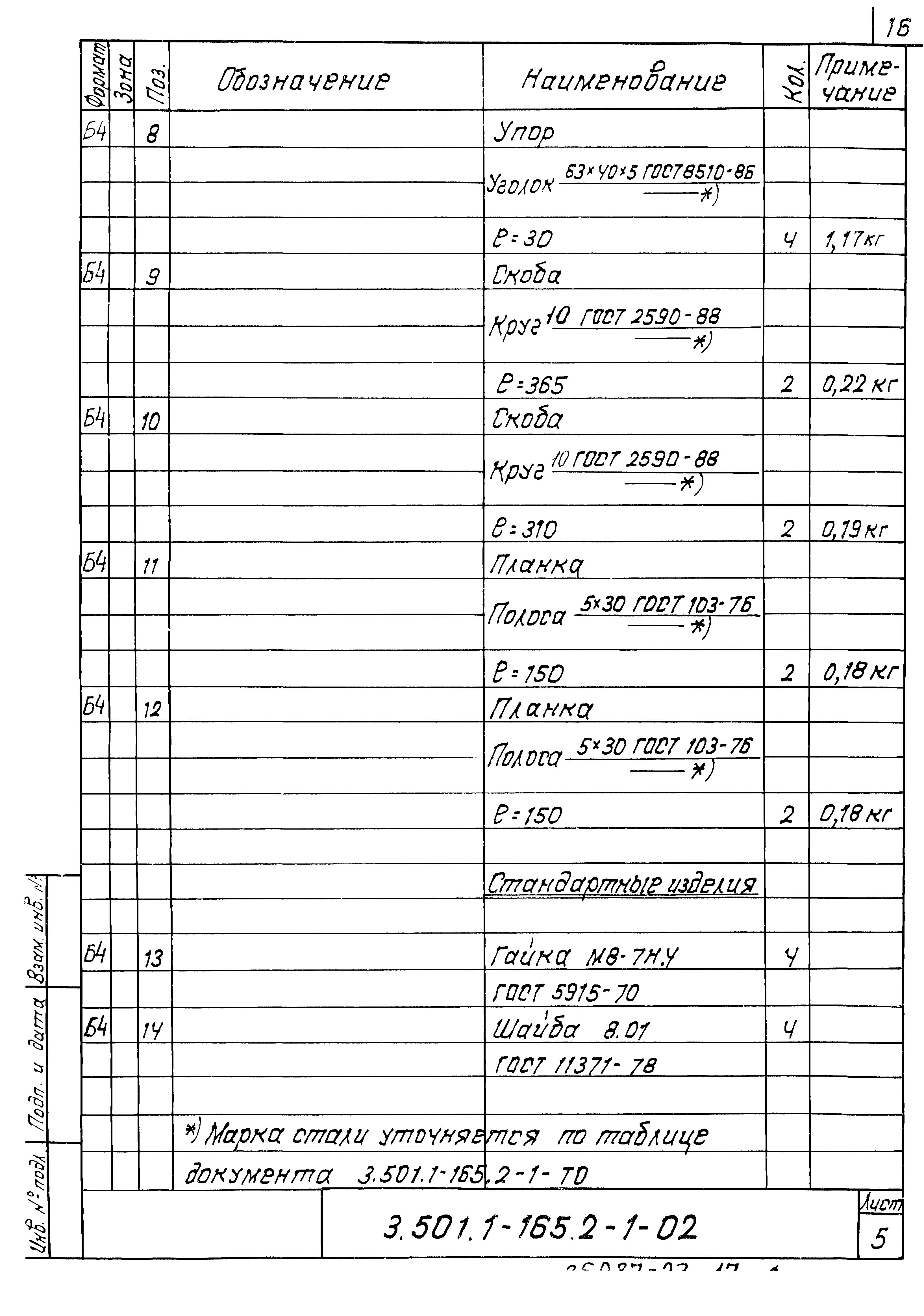
| Оглавление: | 3.501.1-165.2-1-ТО Техническое описание 3.501.1-165.2-1-01 Ограждение перильное ПО (ПО12 … ПО18) 3.501.1-165.2-1-02 Щит ограждения контактной сети 3.501.1-165.2-1-03 Лист перекрытия деформационного шва |
| Разработан: | Гипротрансмост |
| Утверждён: | 16.05.1988 МПС (Ministry of Railroads ЦУЭП-15/44/132) |


















