Скачать Серия 3.501.1-165 Выпуск 0-2. Опоры и сходы мостов с железобетонными пролетными строениями. Материалы для проектированияДата актуализации: 01.01.2021
|
| Обозначение: | Серия 3.501.1-165 |
| Обозначение англ: | Series 3.501.1-165 |
| Статус: | не определен законодательством |
| Название рус.: | Выпуск 0-2. Опоры и сходы мостов с железобетонными пролетными строениями. Материалы для проектирования |
| Дата добавления в базу: | 01.09.2013 |
| Дата актуализации: | 01.01.2021 |
| Дата введения: | 01.05.1993 |
| Дата окончания срока действия: | 30.06.2003 |
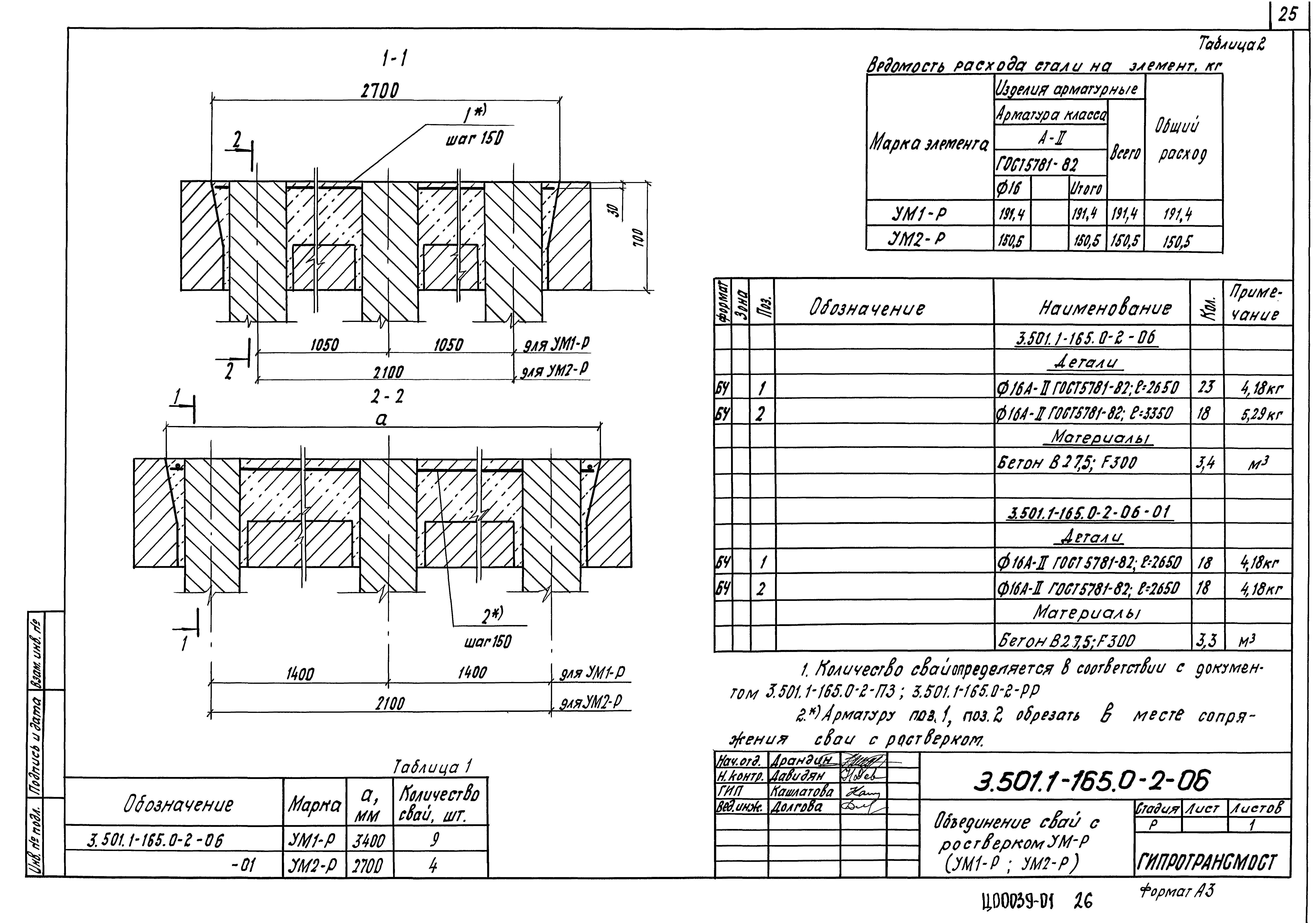
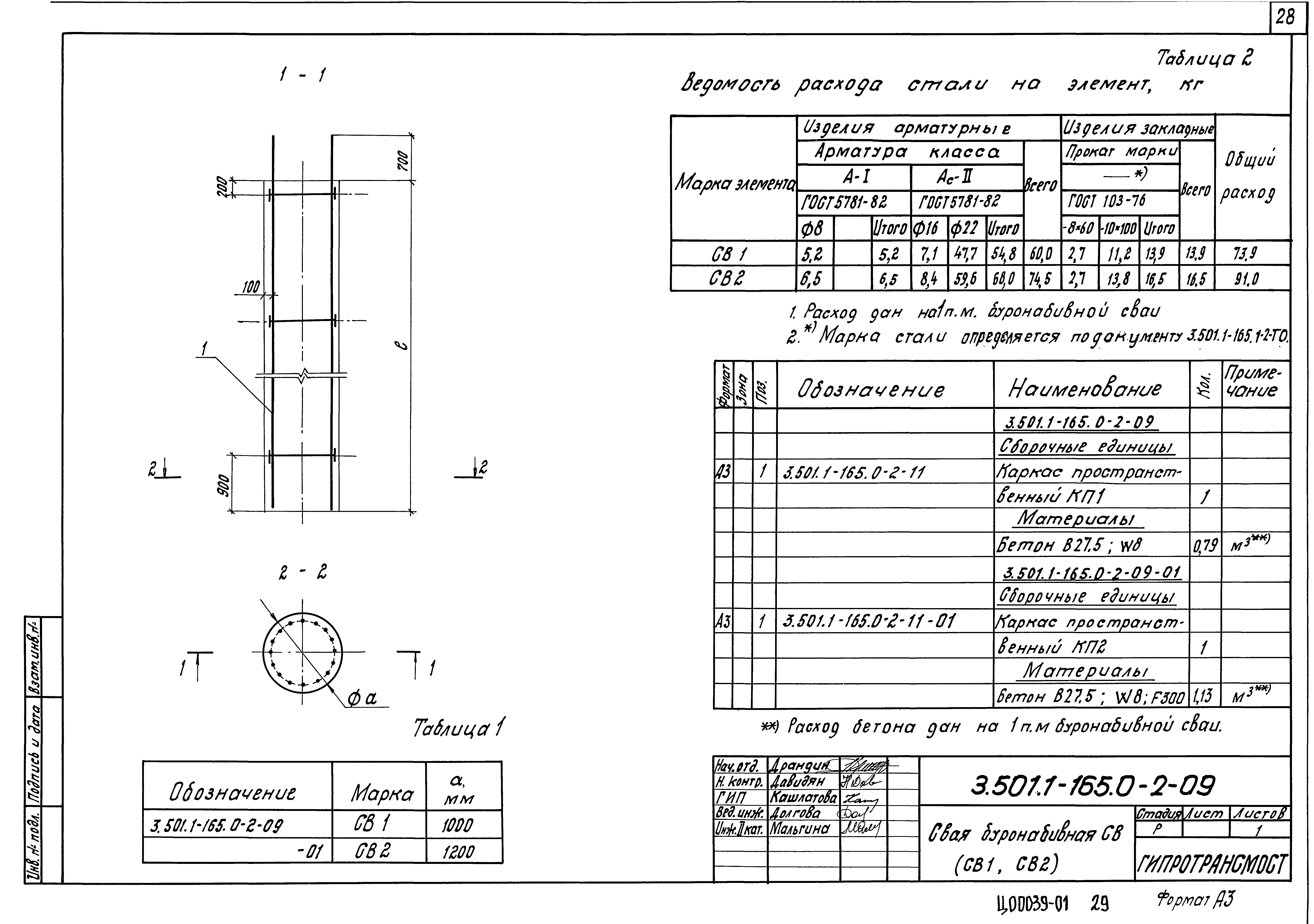
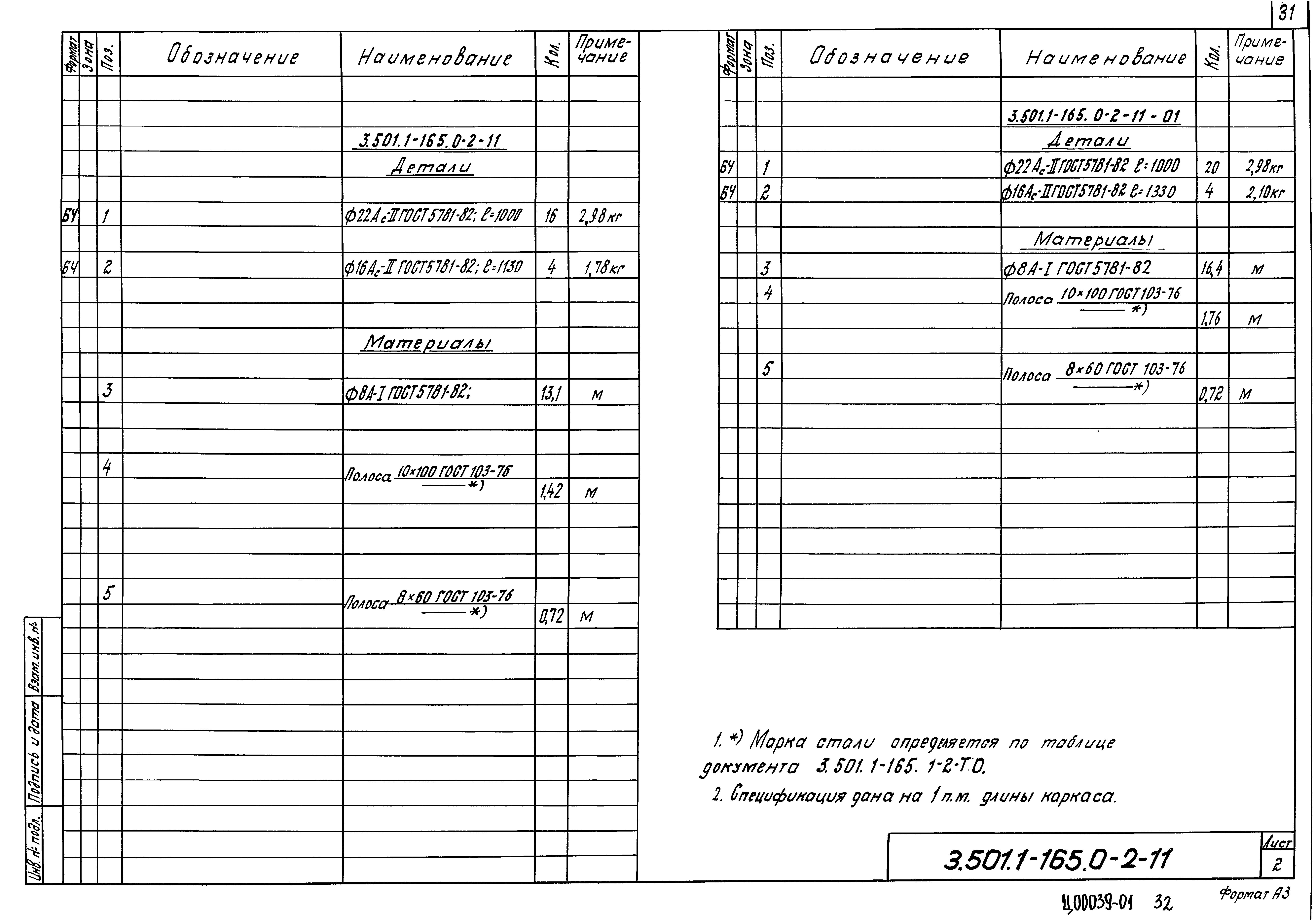
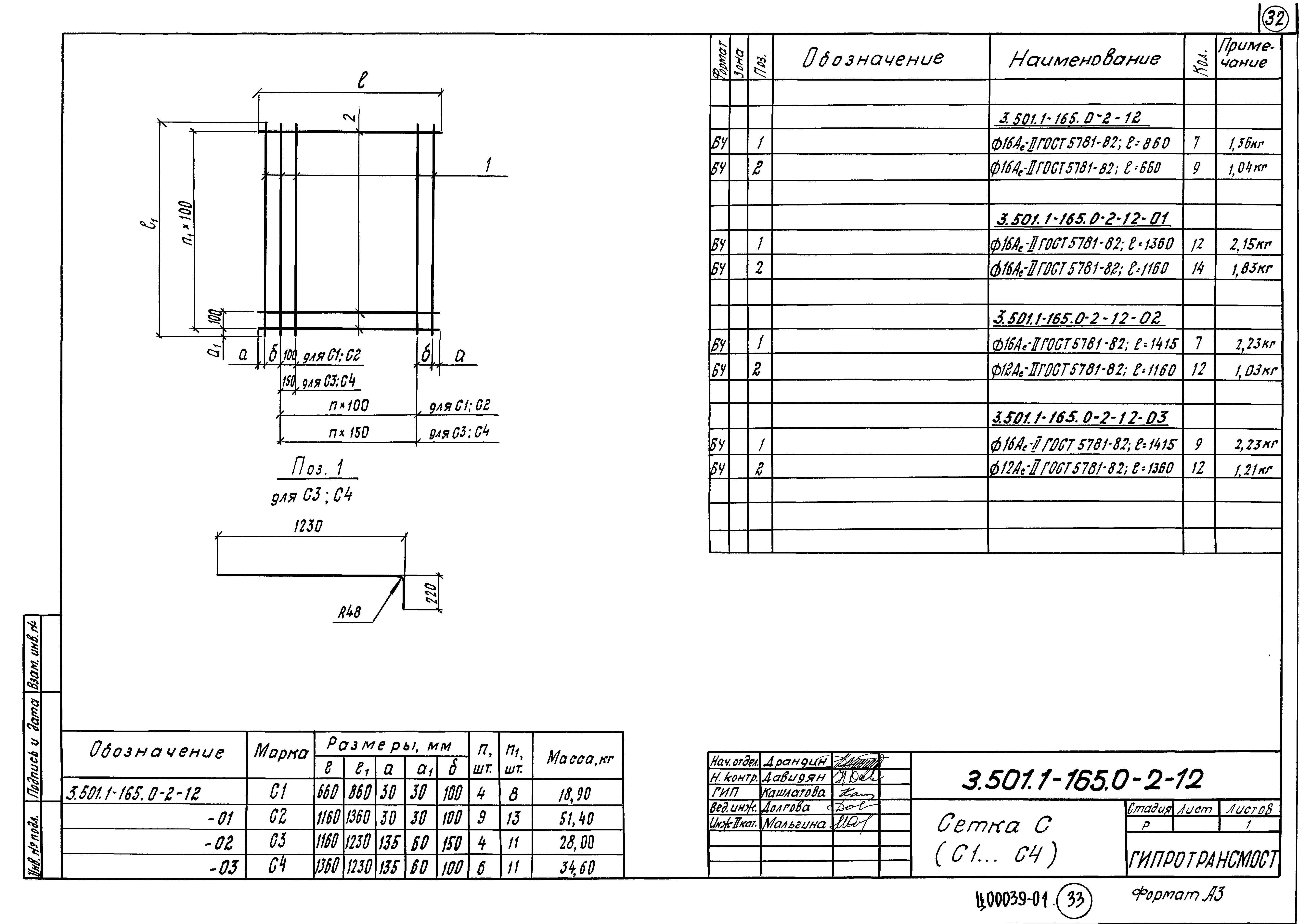
| Оглавление: | 3.501.1-165.0-2-ПЗ Пояснительная записка 3.501.1-165.0-2-РР Комплекс расчетных параметров 3.501.1-165.0-2-НИ Номенклатура изделий 3.501.1-165.0-2-ТБ Сводная таблица расхода материалов 3.501.1-165.0-2-СМ Основные данные по пролетным строениям 3.501.1-165.0-2-01 Опора моста. Концевая и промежуточная 3.501.1-165.0-2-02 Опора схода 3.501.1-165.0-2-03 Сход продольный и поперечный 3.501.1-165.0-2-04 Объединение стойки с ригелем УМ-С (УМ1-С; УМ2-С) 3.501.1-165.0-2-05 Объединение сваи с насадкой УМ1-Н 3.501.1-165.0-2-06 Объединение свай с ростверком УМ-Р (УМ1-Р; УМ2-Р) 3.501.1-165.0-2-07 Объединение стойки со стаканом фундамента. Узел1 (У1.1; У1.2) 3.501.1-165.0-2-08 Объединение распорки с косоуром. Узел 2 (У2.1; У2.2) 3.501.1-165.0-2-09 Свая буронабивная СВ (СВ1; СВ2) 3.501.1-165.0-2-10 Стакан монолитный СМ1 3.501.1-165.0-2-11 Каркас пространственный КП (КП1; КП2) 3.501.1-165.0-2-12 Сетка С (С1 … С4) |
| Разработан: | Гипротрансмост |
| Утверждён: | 16.05.1988 МПС (Ministry of Railroads ЦУЭП-15/44/132) |
































