Скачать Серия 3.501.1-165 Выпуск 1-2. Опоры и сходы мостов с железобетонными пролетными строениями. Железобетонные изделия. Рабочие чертежиДата актуализации: 01.01.2021
|
| Обозначение: | Серия 3.501.1-165 |
| Обозначение англ: | Series 3.501.1-165 |
| Статус: | не определен законодательством |
| Название рус.: | Выпуск 1-2. Опоры и сходы мостов с железобетонными пролетными строениями. Железобетонные изделия. Рабочие чертежи |
| Дата добавления в базу: | 01.09.2013 |
| Дата актуализации: | 01.01.2021 |
| Дата введения: | 01.05.1993 |
| Дата окончания срока действия: | 30.06.2003 |
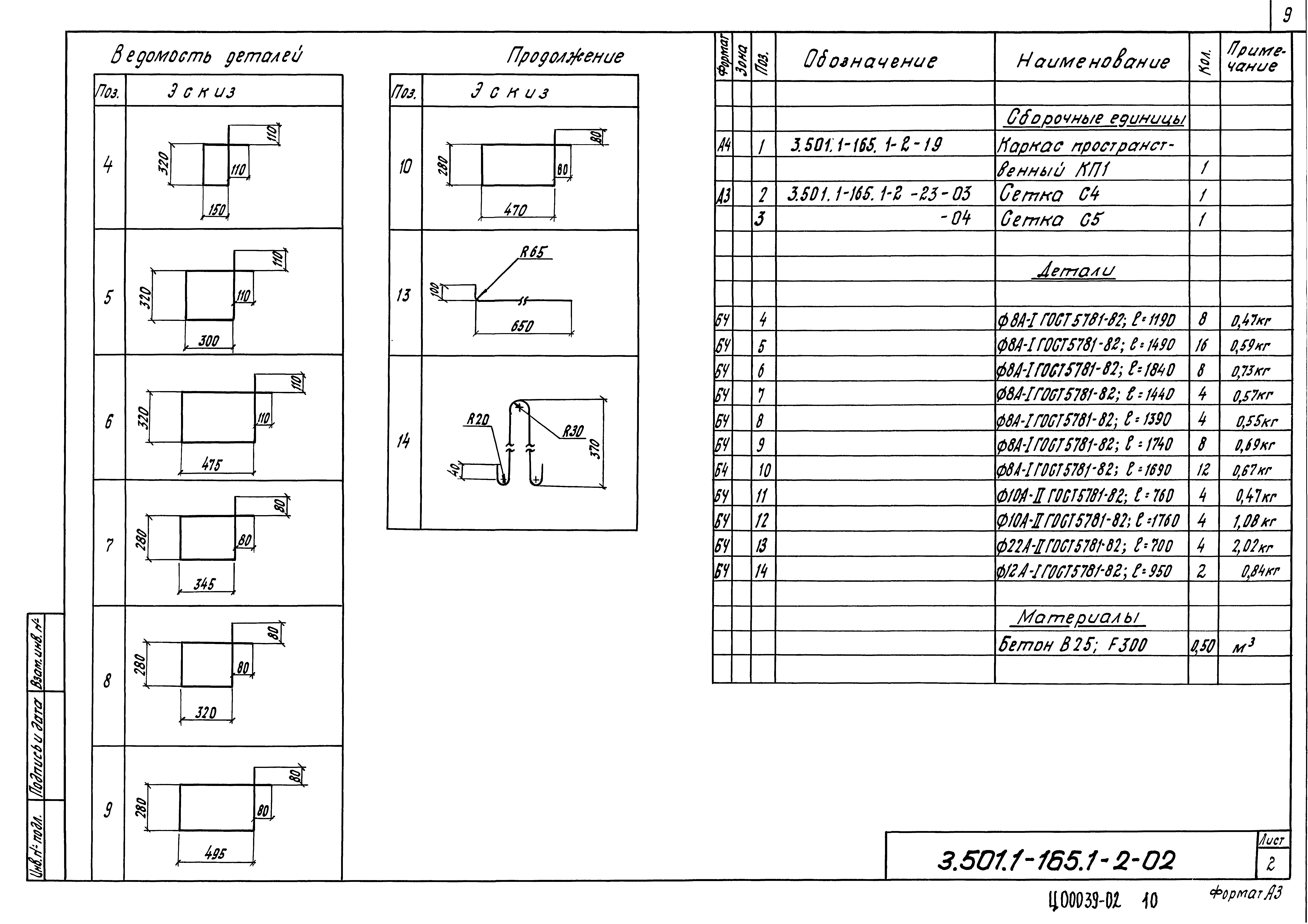
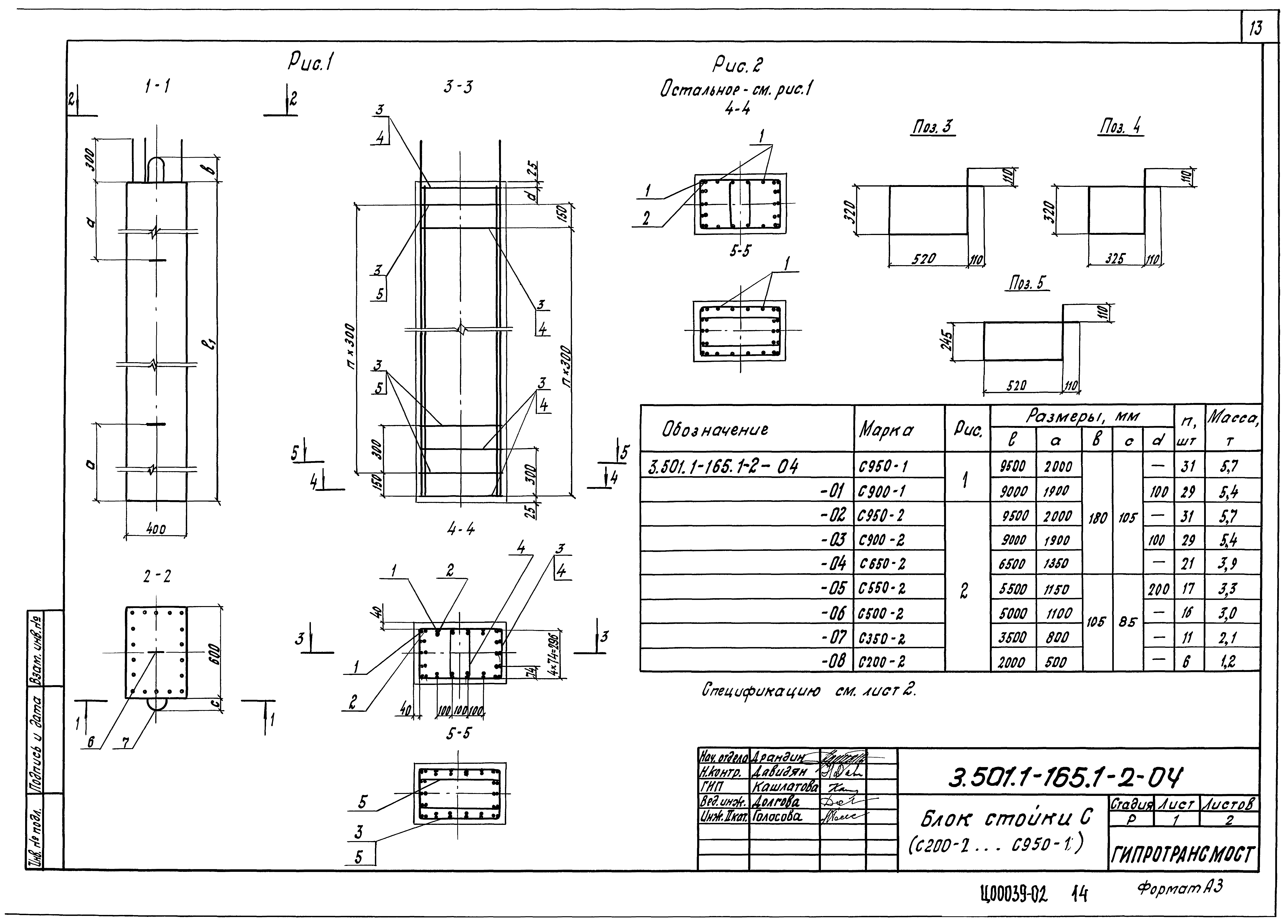
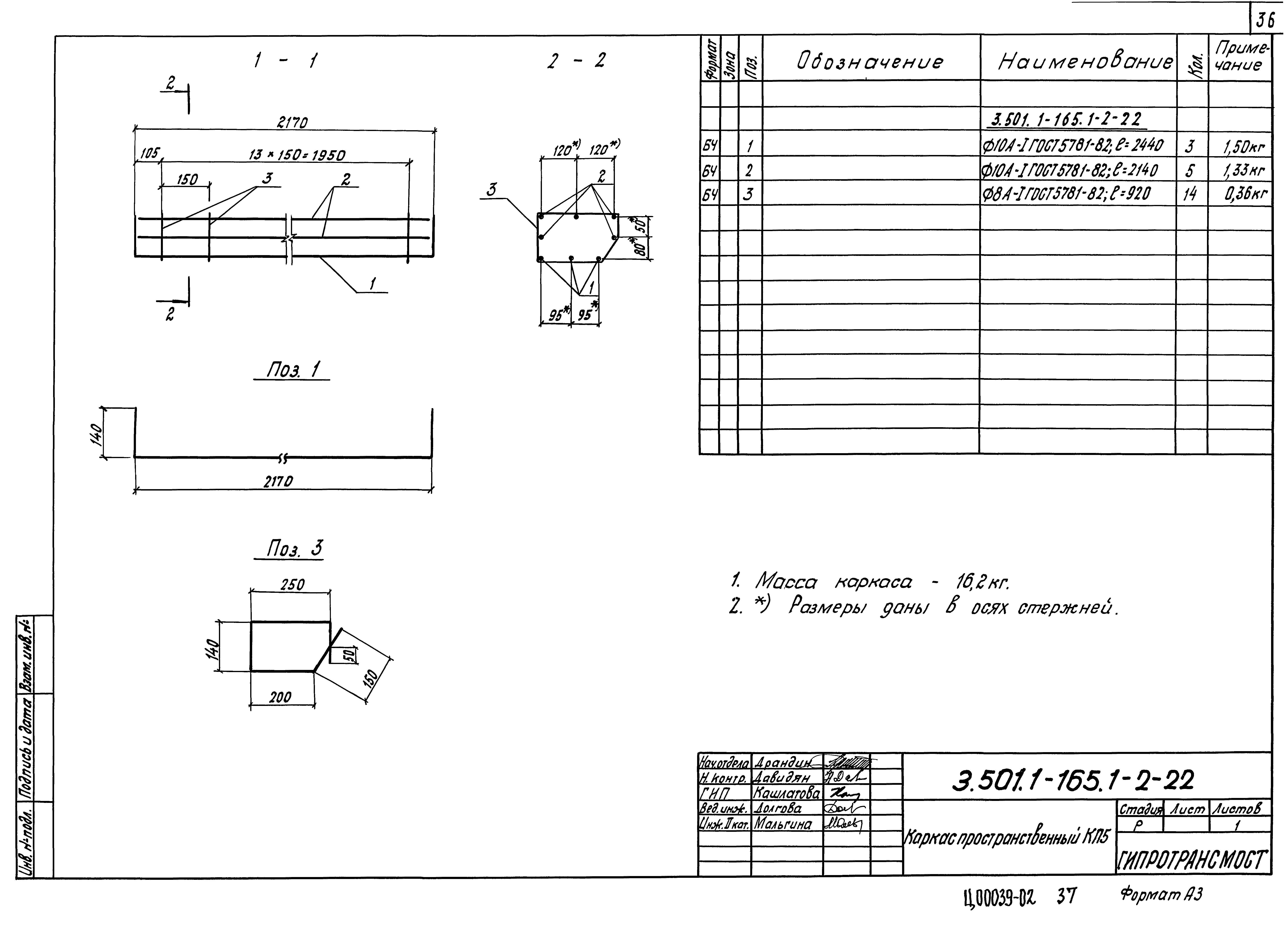
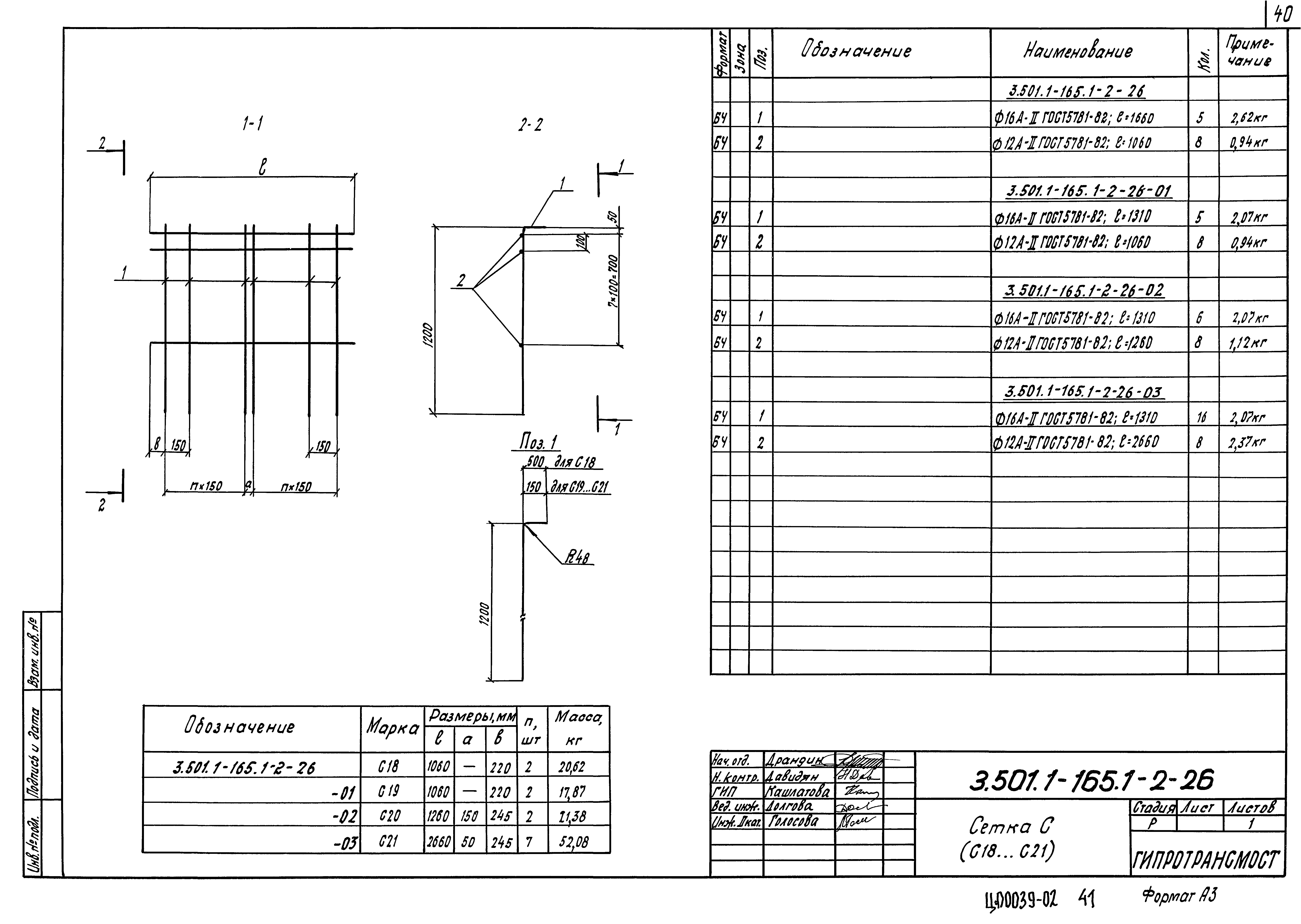
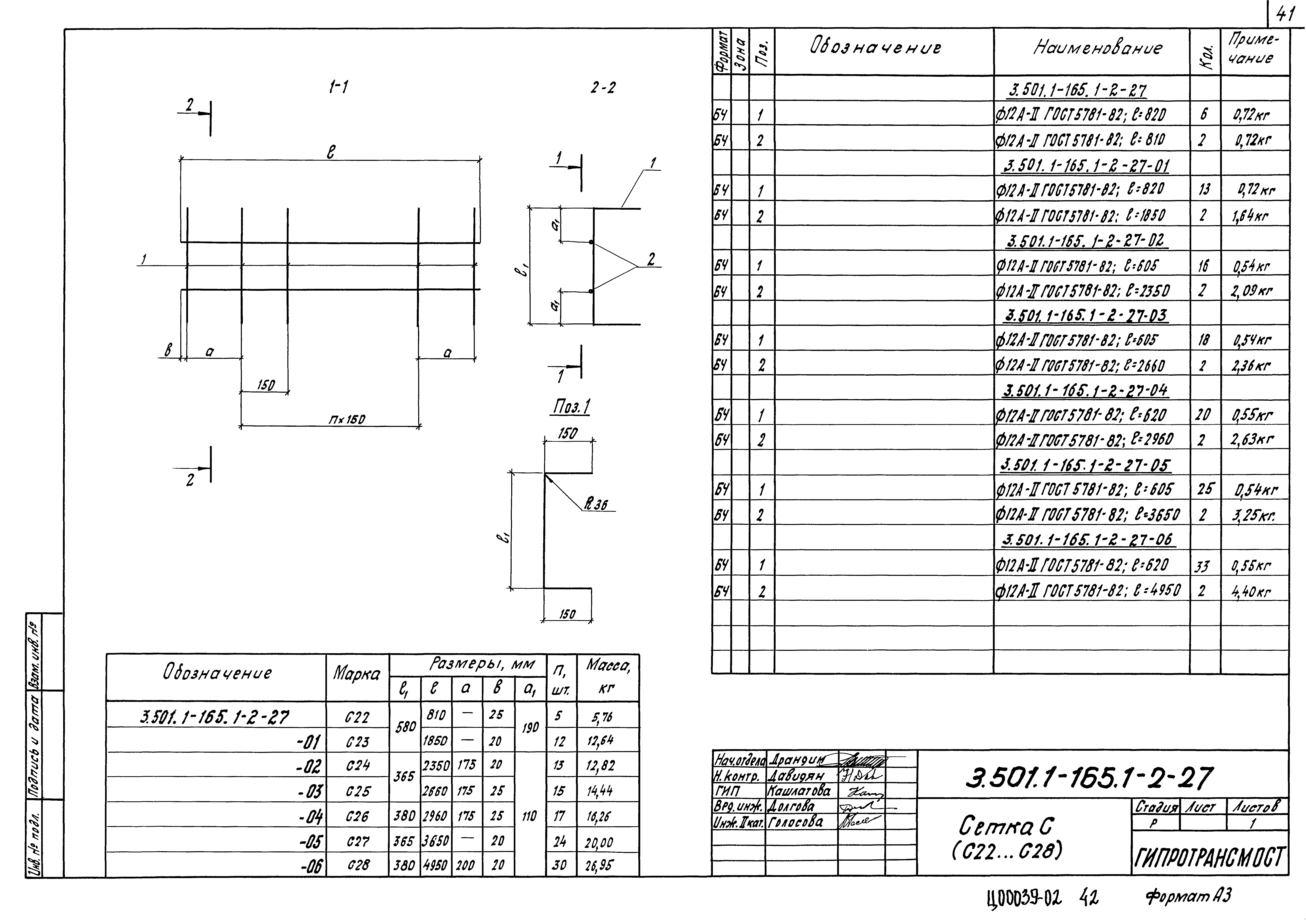
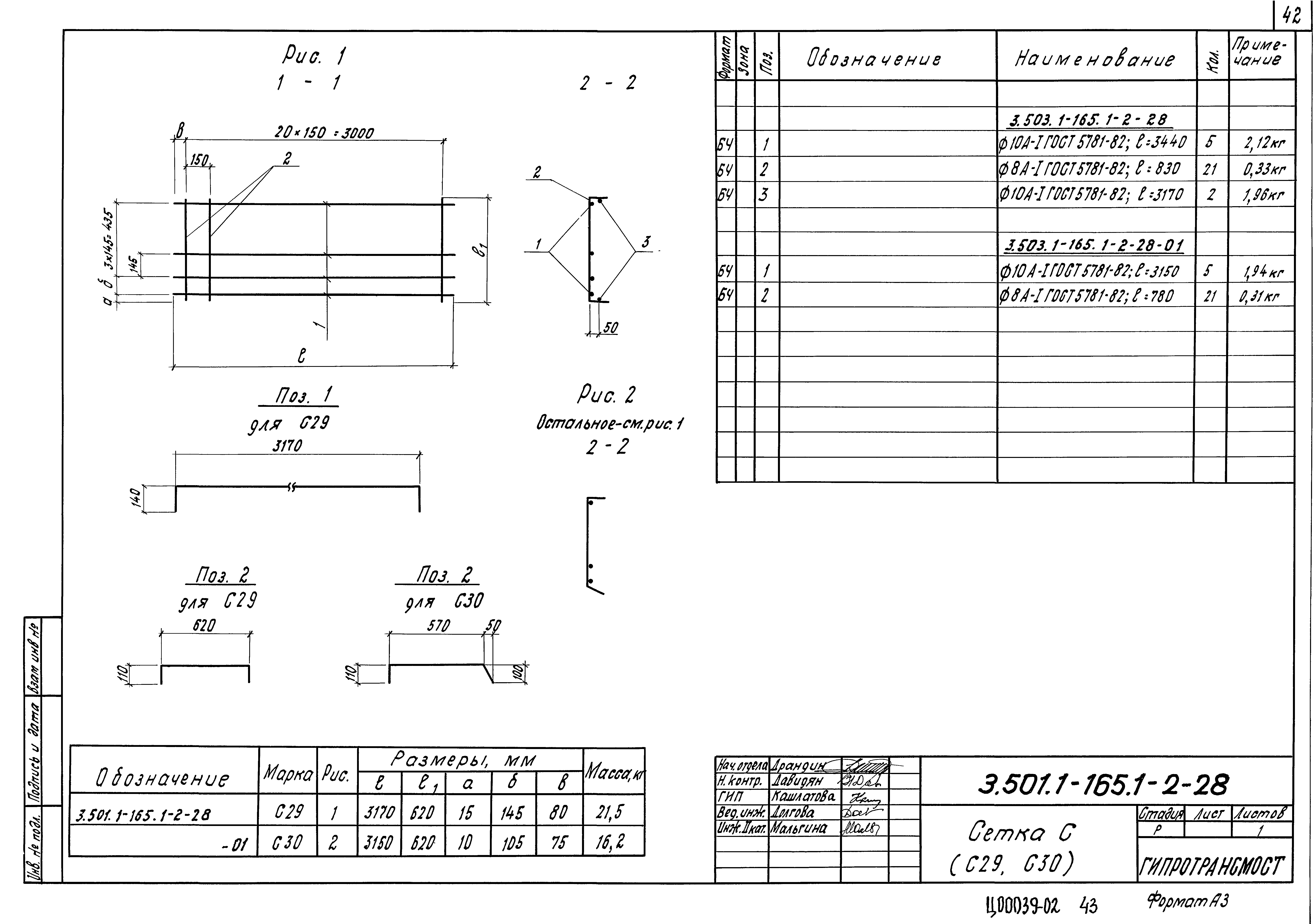
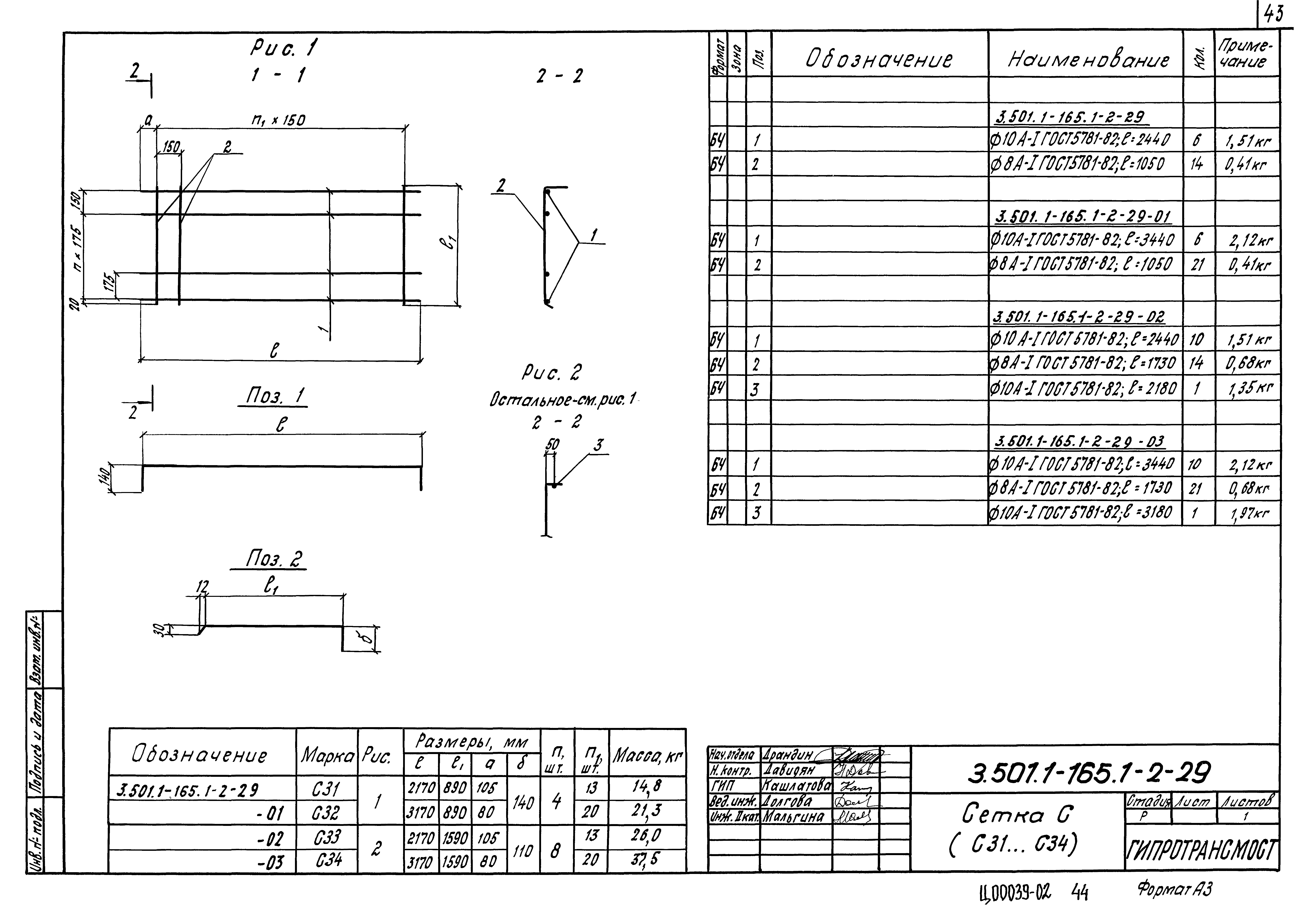
| Оглавление: | 3.501.1-165.1-2-ТО Техническое описание 3.501.1-165.1-2-01 Блок ригеля Р (Р1 … Р4) 3.501.1-165.1-2-02 Блок ригеля Р5 3.501.1-165.1-2-03 Блок ригеля РБ (Р1-Б … Р4-Б) 3.501.1-165.1-2-04 Блок стойки С (С200-2 … С950-1) 3.501.1-165.1-2-05 Блок фундамента Ф1 3.501.1-165.1-2-06 Блок фундамента Ф2 3.501.1-165.1-2-07 Блок ростверка ПР (ПР1, ПР2) 3.501.1-165.1-2-08 Блок насадки Н1 3.501.1-165.1-2-09 Блок фундаментной плиты ФП1 3.501.1-165.1-2-10 Блок распорки ЛР1 3.501.1-165.1-2-11 Блок косоура ЛБ (ЛБ10-1 … ЛБ12-2) 3.501.1-165.1-2-12 Блок косоура ЛБ (ЛБ12-3 … ЛБ10-3н) 3.501.1-165.1-2-13 Блок лестничной площадки ЛП1 3.501.1-165.1-2-14 Блок лестничной площадки ЛП2 3.501.1-165.1-2-15 Блок лестничной площадки ЛП (ЛП3, ЛП4) 3.501.1-165.1-2-16 Блок лестничной площадки ЛП (ЛП5, ЛП6) 3.501.1-165.1-2-17 Блок лестничного марша ЛМ (ЛМ1 … ЛМ6) 3.501.1-165.0-2-18 Блок балки ЛК (ЛК1 … ЛК5) 3.501.1-165.0-2-19 Каркас пространственный КП1 3.501.1-165.0-2-209 Каркас пространственный КП2 3.501.1-165.0-2-21 Каркас пространственный КП (КП3, КП4) 3.501.1-165.0-2-22 Каркас пространственный КП5 3.501.1-165.0-2-23 Сетка С (С1 … С5) 3.501.1-165.0-2-24 Сетка С (С6 … С9) 3.501.1-165.0-2-25 Сетка С (С10 … С17) 3.501.1-165.0-2-26 Сетка С (С18 … С21) 3.501.1-165.0-2-27 Сетка С (С22 … С28) 3.501.1-165.0-2-28 Сетка С (С29, С30) 3.501.1-165.0-2-29 Сетка С (С31 … С34) 3.501.1-165.0-2-30 Сетка С (С35 … С38) 3.501.1-165.0-2-31 Сетка С (С39 … С44) 3.501.1-165.0-2-32 Сетка С (С45 … С50) 3.501.1-165.0-2-33 Изделие закладное МН1 3.501.1-165.0-2-34 Изделие закладное МН2 3.501.1-165.0-2-35 Изделие закладное МН (МН3, МН4) 3.501.1-165.0-2-36 Ведомость расхода стали на элемент, кг |
| Разработан: | Гипротрансмост |
| Утверждён: | 16.05.1988 МПС (Ministry of Railroads ЦУЭП-15/44/132) |




















































