Скачать Серия 3.501.1-165 Выпуск 3-3. Пролетные строения длиной от 24 до 36 м металлические с железобетонной плитой. Плиты железобетонные сборные. Технические условияДата актуализации: 01.01.2021
|
| Обозначение: | Серия 3.501.1-165 |
| Обозначение англ: | Series 3.501.1-165 |
| Статус: | не определен законодательством |
| Название рус.: | Выпуск 3-3. Пролетные строения длиной от 24 до 36 м металлические с железобетонной плитой. Плиты железобетонные сборные. Технические условия |
| Дата добавления в базу: | 01.09.2013 |
| Дата актуализации: | 01.01.2021 |
| Дата введения: | 01.02.1992 |
| Дата окончания срока действия: | 30.06.2003 |
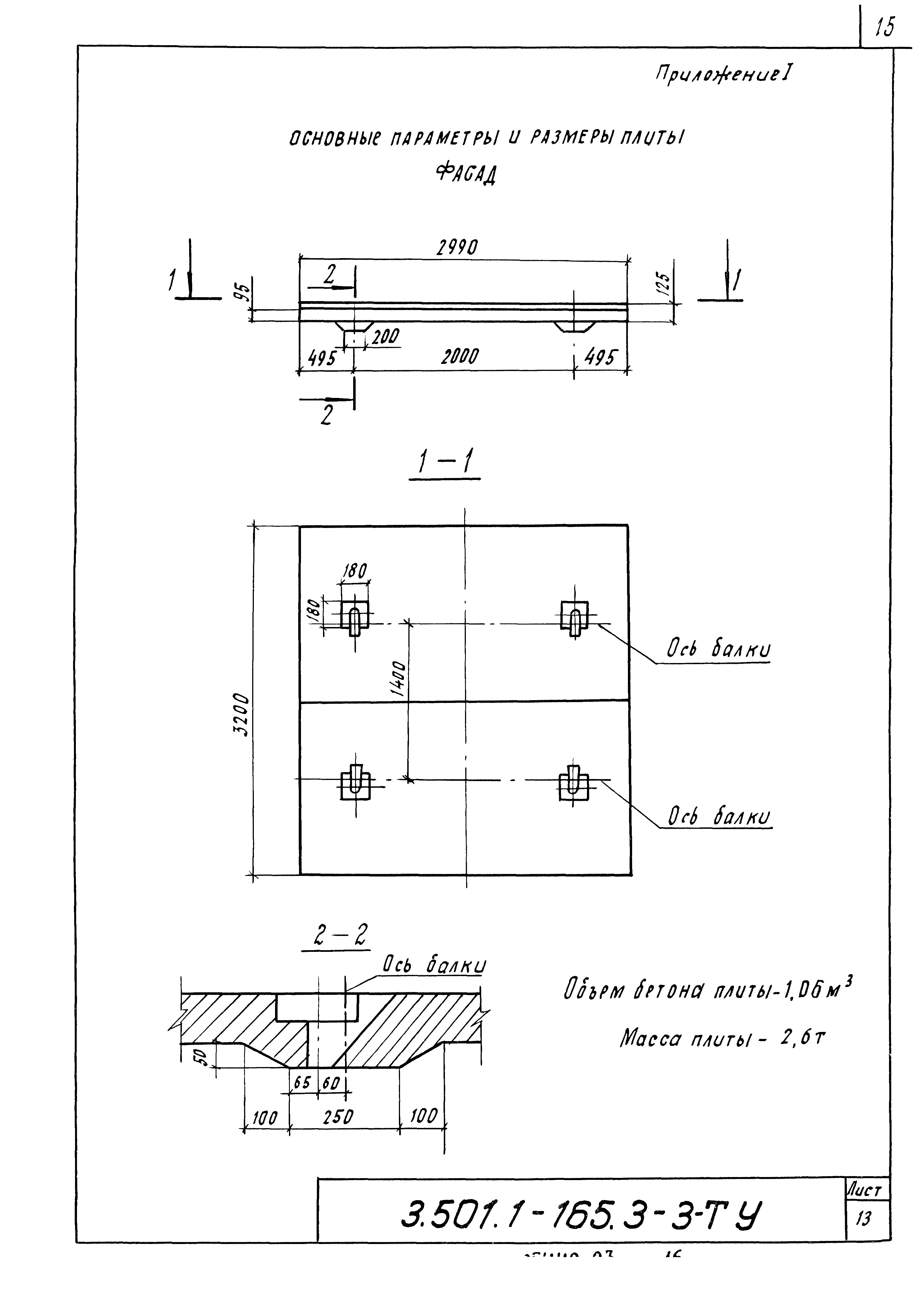
| Оглавление: | 1 Вводная часть 2 Технические требования 3 Методы контроля 4 Правила приемки 5 Транспортирование и хранение 6 Гарантии поставщика 7 Требования безопасности Приложение 1 Основные параметры и размеры плиты Приложение 2 Перечень государственных стандартов и ведомственных документов, на которые даны ссылки в ТУ |
| Разработан: | Гипротрансмост |
| Утверждён: | 16.05.1988 МПС (Ministry of Railroads ЦУЭП-15/44/132) |

















