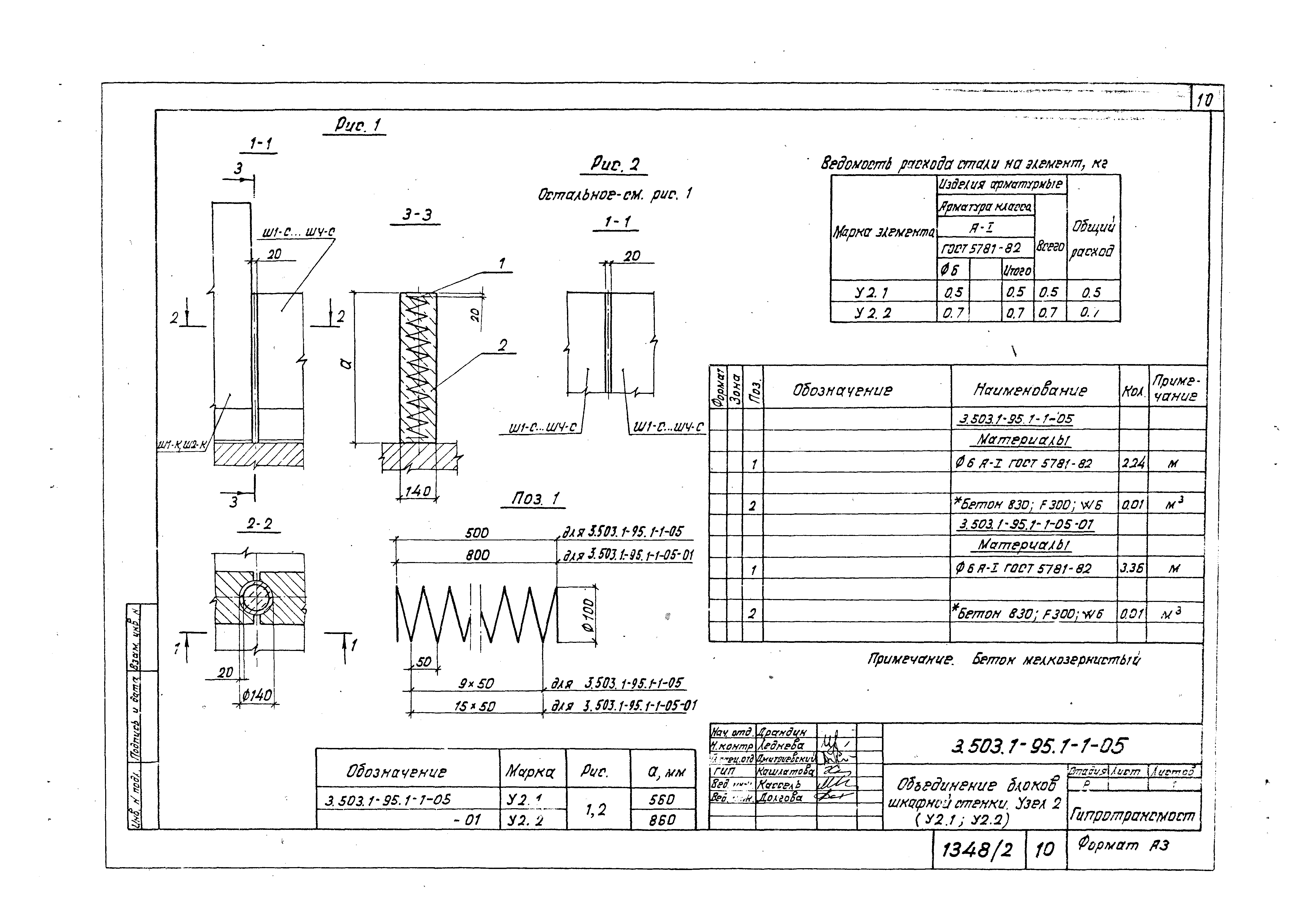
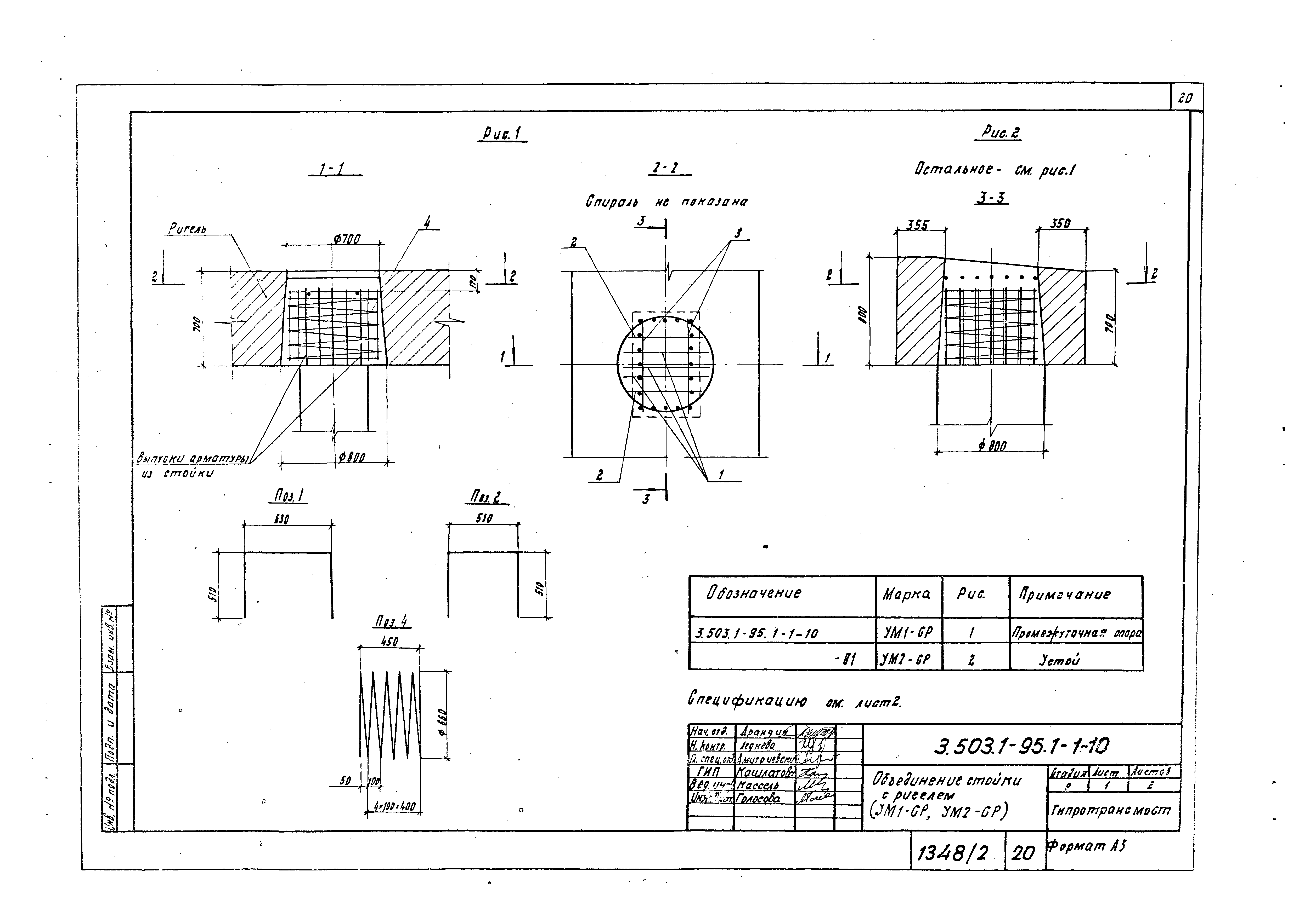
Скачать Серия 3.503.1-95 Выпуск 1-1. Прямые путепроводы. Монолитные конструкции и узлы. Рабочие чертежиДата актуализации: 01.01.2021
|
| Обозначение: | Серия 3.503.1-95 |
| Обозначение англ: | Series 3.503.1-95 |
| Статус: | не определен законодательством |
| Название рус.: | Выпуск 1-1. Прямые путепроводы. Монолитные конструкции и узлы. Рабочие чертежи |
| Дата добавления в базу: | 01.09.2013 |
| Дата актуализации: | 01.01.2021 |
| Дата введения: | 01.12.1990 |
| Дата окончания срока действия: | 30.06.2003 |
| Разработан: | Гипротрансмост |
| Утверждён: | 04.07.1988 Министерство транспортного строительства СССР (USSR Ministry of Transport Construction АВ-455) |
| Заменяет собой: |





















































