Скачать Серия 3.503.1-91 Выпуск 0. Материалы для проектированияДата актуализации: 01.01.2021
|
| Обозначение: | Серия 3.503.1-91 |
| Обозначение англ: | Series 3.503.1-91 |
| Статус: | не определен законодательством |
| Название рус.: | Выпуск 0. Материалы для проектирования |
| Дата добавления в базу: | 01.09.2013 |
| Дата актуализации: | 01.01.2021 |
| Дата введения: | 01.06.1990 |
| Дата окончания срока действия: | 30.06.2003 |
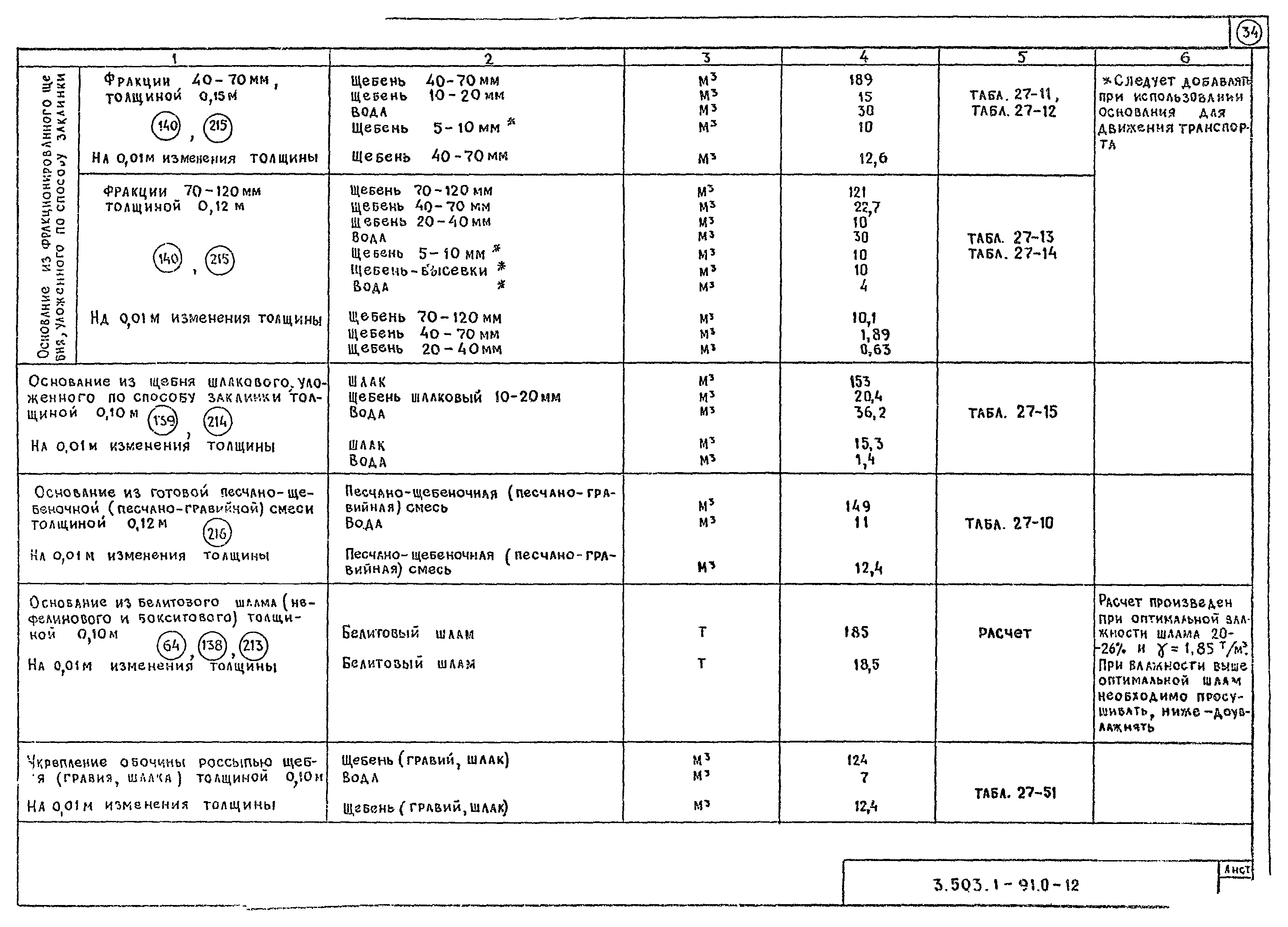
| Оглавление: | 3.503.1-91.0-01ПЗ Пояснительная записка 3.503.1-91.0-02ВД Ссылочная ведомость 3.503.1-91.0-03НИ Номенклатура изделий 3.503.1-91.0-04 Примеры характерных поперечных профилей автомобильных дорог 3.503.1-91.0-05 Пример раскладки слоя из СИМ ("Дорнит Ф-2") 3.503.1-91.0-06 Варианты укрепления обочин автомобильных дорог 3.503.1-91.0-07 Конструкции швов сжатия и расширения 3.503.1-91.0-08 Конструкции швов сжатия и расширения (для стыков опытного применения) 3.503.1-91.0-09 Каталог дорожных одежд 3.503.1-91.0-10 Перечень оснований для устройства дорожных одежд 3.503.1-91.0-11 Гранулометрические составы для смесей, укрепленных и не укрепленных неорганическими вяжущими 3.503.1-91.0-12 Расход материалов на 1000 кв. м покрытия, основания |
| Разработан: | Союздорпроект Минтрансстроя |
| Утверждён: | 04.12.1989 Минтрансстрой СССР (USSR Mintransstroy АВ-535) |


































