Скачать Серия 3.503.1-91 Выпуск 1. Плиты. Рабочие чертежиДата актуализации: 01.01.2021
|
| Обозначение: | Серия 3.503.1-91 |
| Обозначение англ: | Series 3.503.1-91 |
| Статус: | не определен законодательством |
| Название рус.: | Выпуск 1. Плиты. Рабочие чертежи |
| Дата добавления в базу: | 01.09.2013 |
| Дата актуализации: | 01.01.2021 |
| Дата введения: | 01.06.1990 |
| Дата окончания срока действия: | 30.06.2003 |
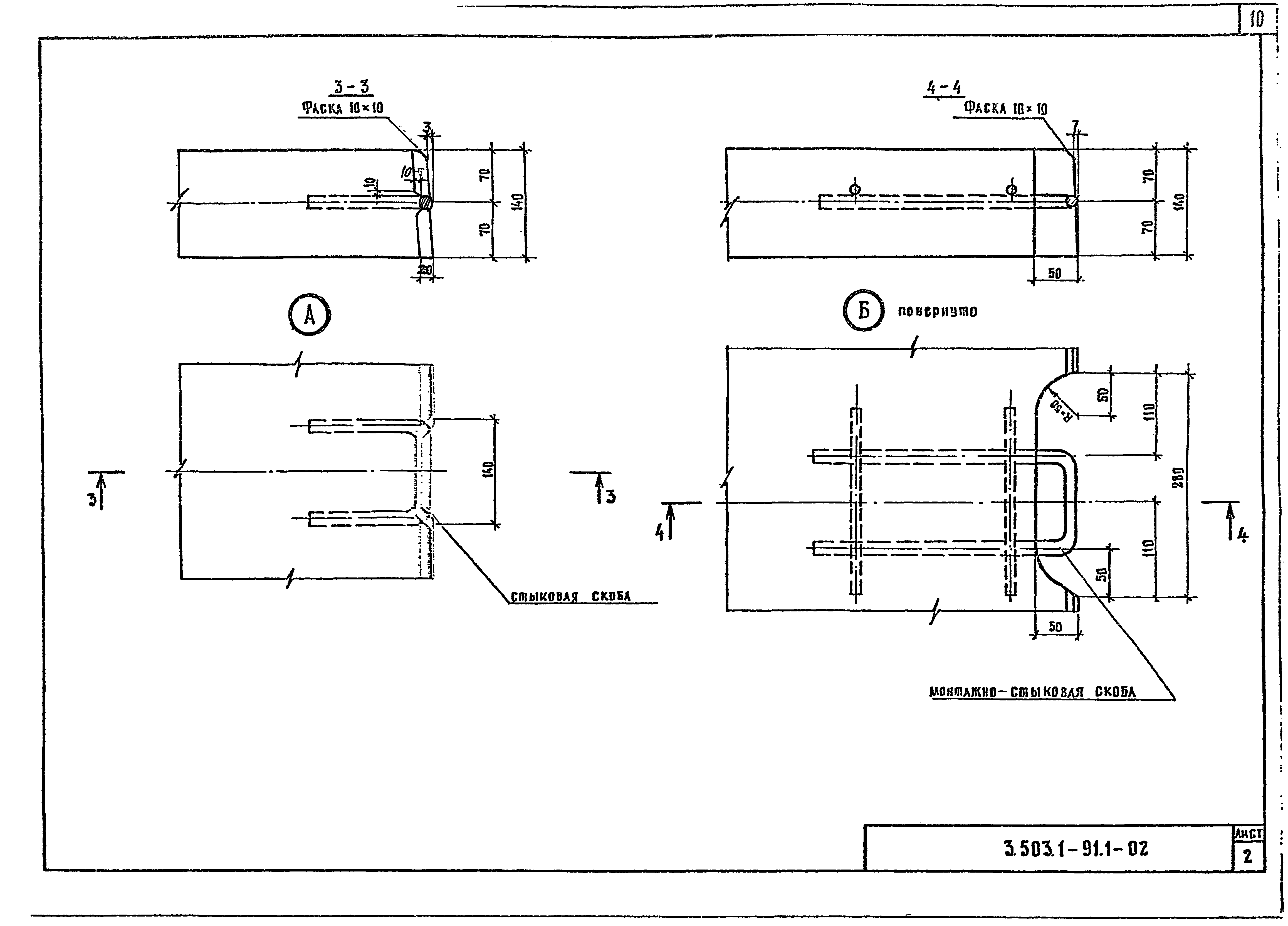
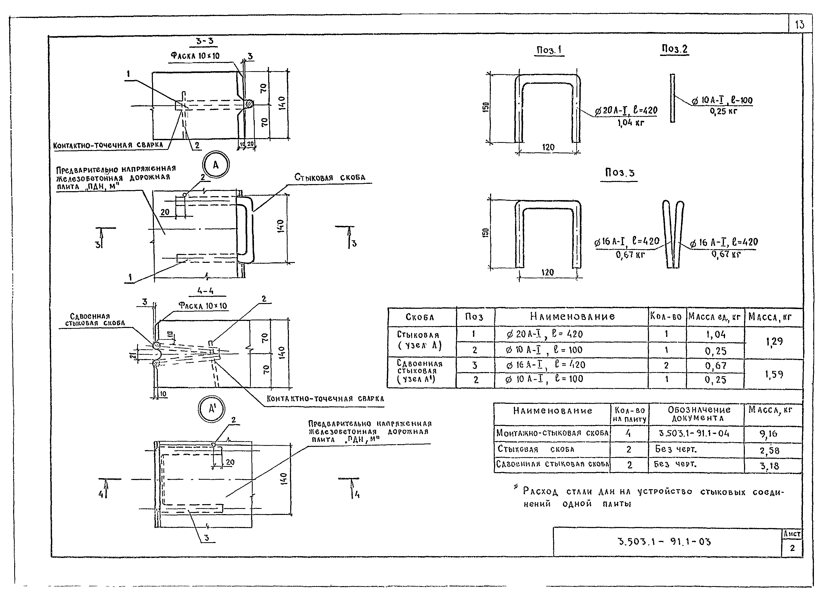
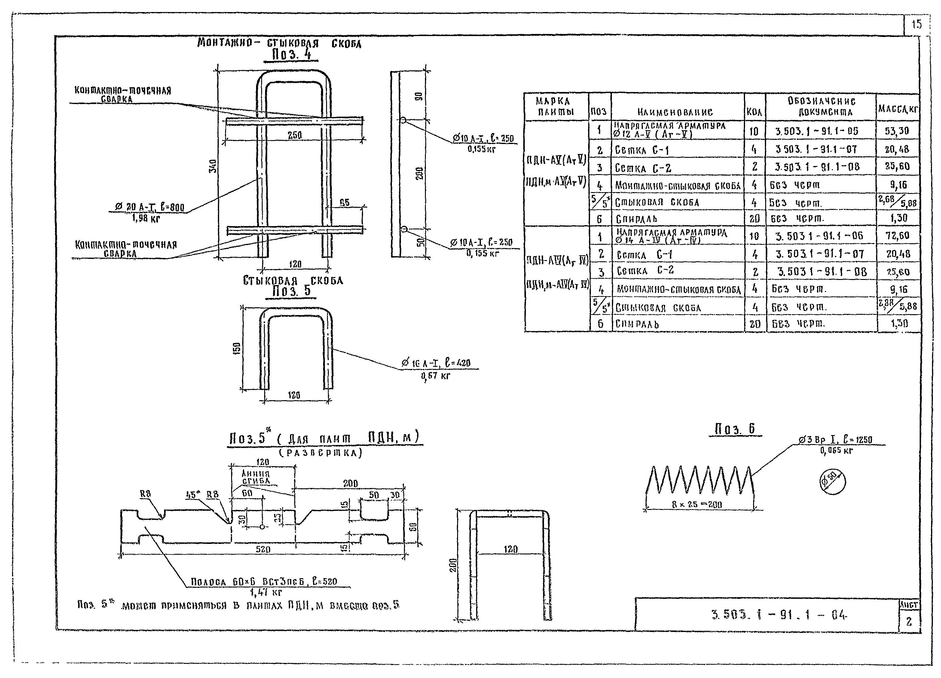
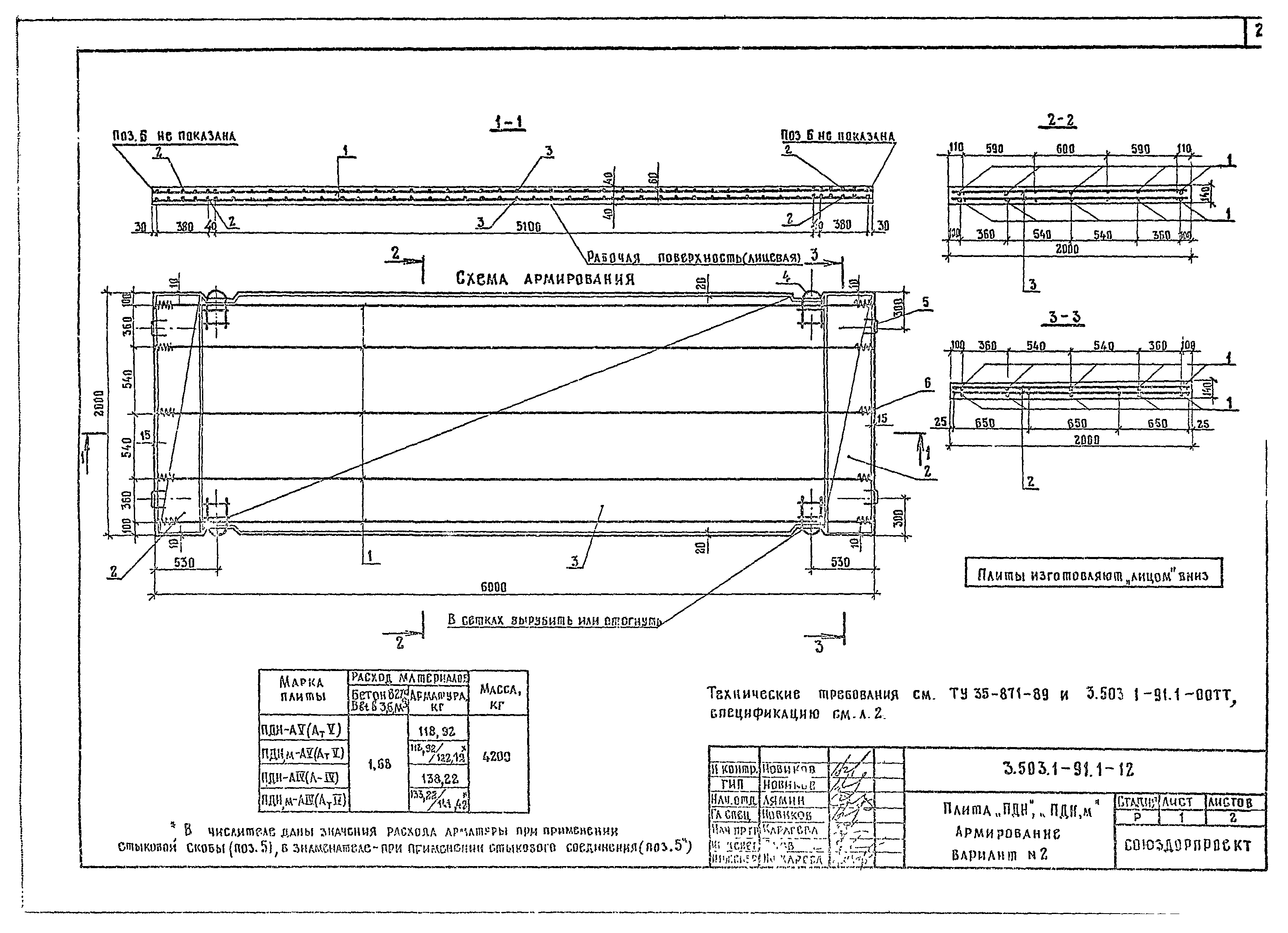
| Оглавление: | 3.503.1-91.1-00ТТ Технические требования 3.503.1-91.1-01 Плита "ПДН". Опалубочный чертеж 3.503.1-91.1-02 Плита "ПДН, м". Опалубочный чертеж 3.503.1-91.1-03 Конструкция стыкового соединения для открытого применения в плитах "ПДН", "ПДН, м" 3.503.1-91.1-04 Плита "ПДН", "ПДН, м". Армирование. Основной вариант 3.503.1-91.1-05 Напрягаемый стержень. Арматура класса А-V (Ат-V) 3.503.1-91.1-06 Напрягаемый стержень. Арматура класса А-IV (Ат-IV) 3.503.1-91.1-07 Сетка С-1 3.503.1-91.1-08 Сетка С-2 3.503.1-91.1-09 Плита "ПДН", "ПДН, м". Армирование. Вариант № 1 3.503.1-91.1-10 Сетка С-1 3.503.1-91.1-11 Сетка С-2 3.503.1-91.1-12 Плита "ПДН", "ПДН, м". Армирование. Вариант № 2 3.503.1-91.1-13 Сетка С-1 3.503.1-91.1-14 Плита "ПДН", "ПДН, м". Армирование. Вариант № 3 3.503.1-91.1-15 Сетка С-1 3.503.1-91.1-16 Плита "ПДН", "ПДН, м". Армирование. Для открытого применения 3.503.1-91.1-17 Напрягаемый стержень. Арматура класса А-VI (Ат-VI) 3.503.1-91.1-18РС Ведомость расхода стали |
| Разработан: | Союздорпроект Минтрансстроя |
| Утверждён: | 04.12.1989 Минтрансстрой СССР (USSR Mintransstroy АВ-535) |



























