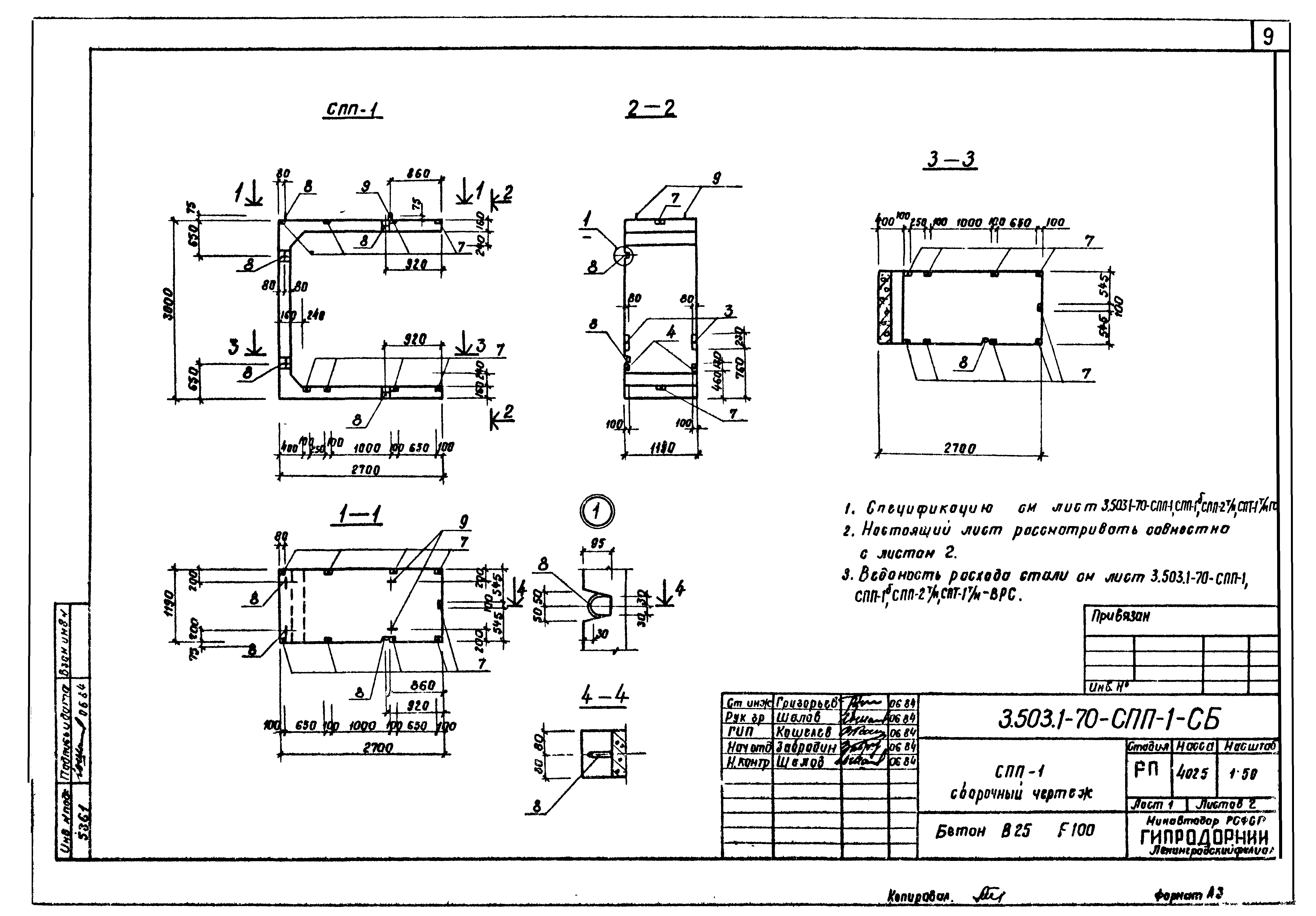
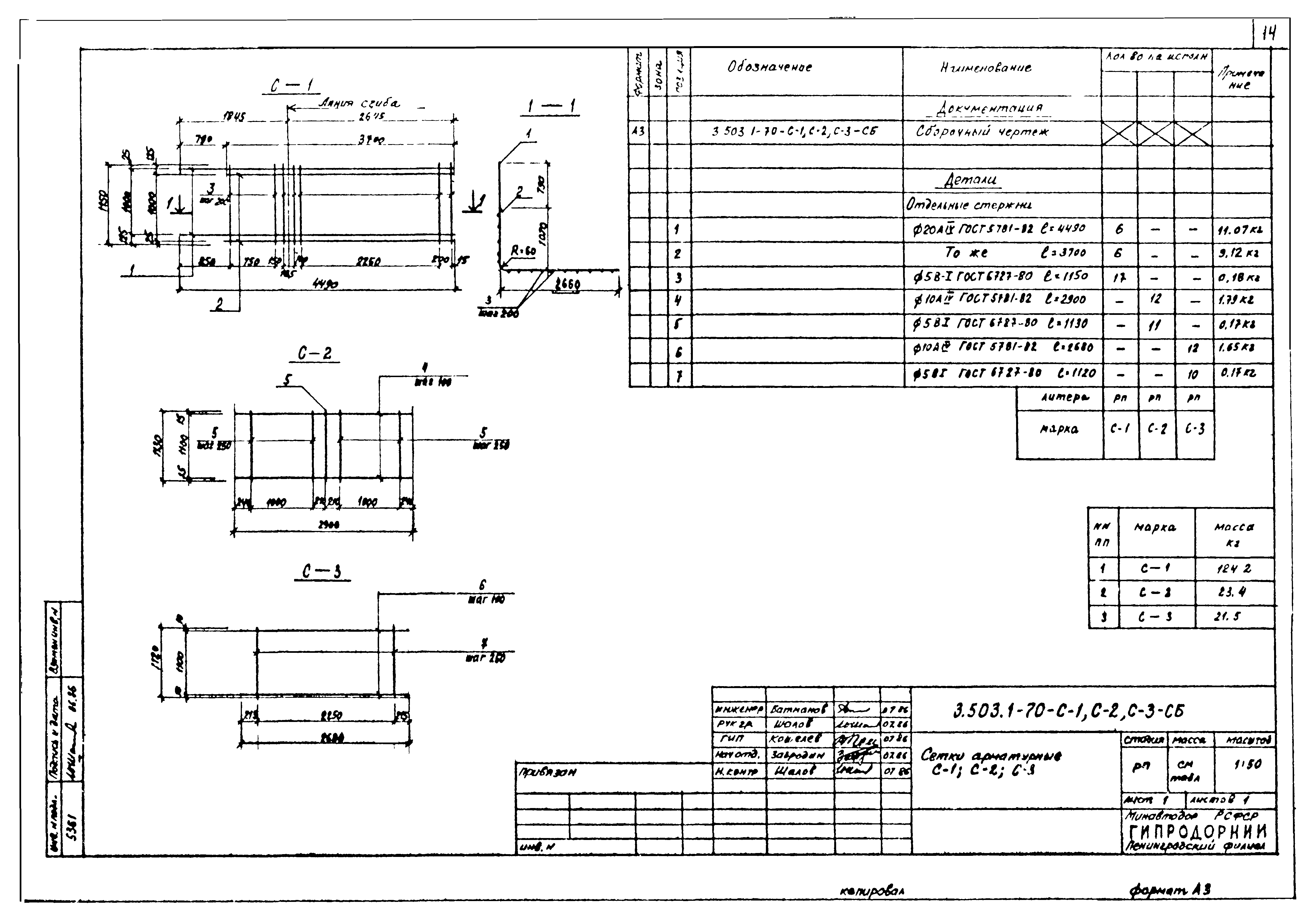
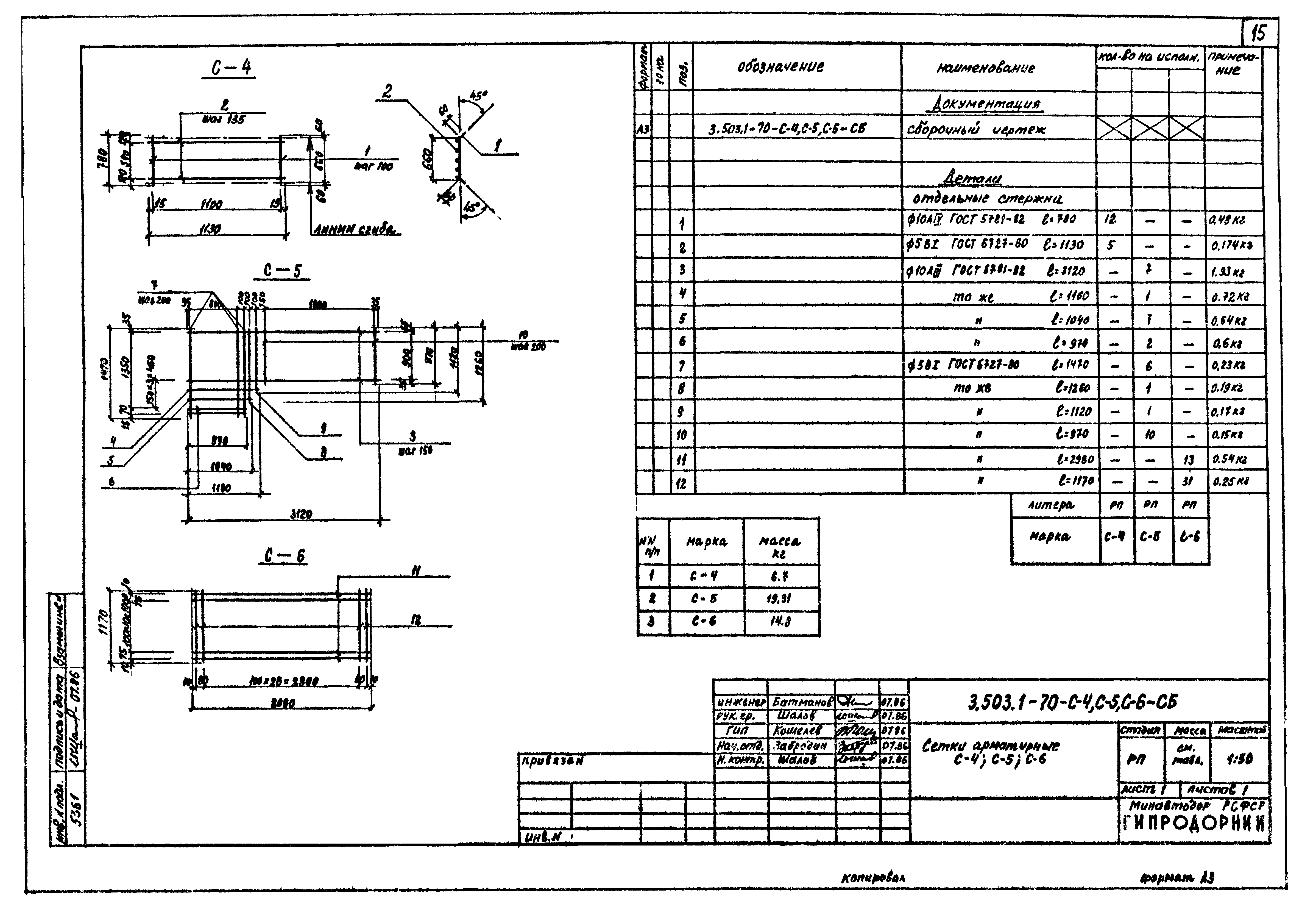
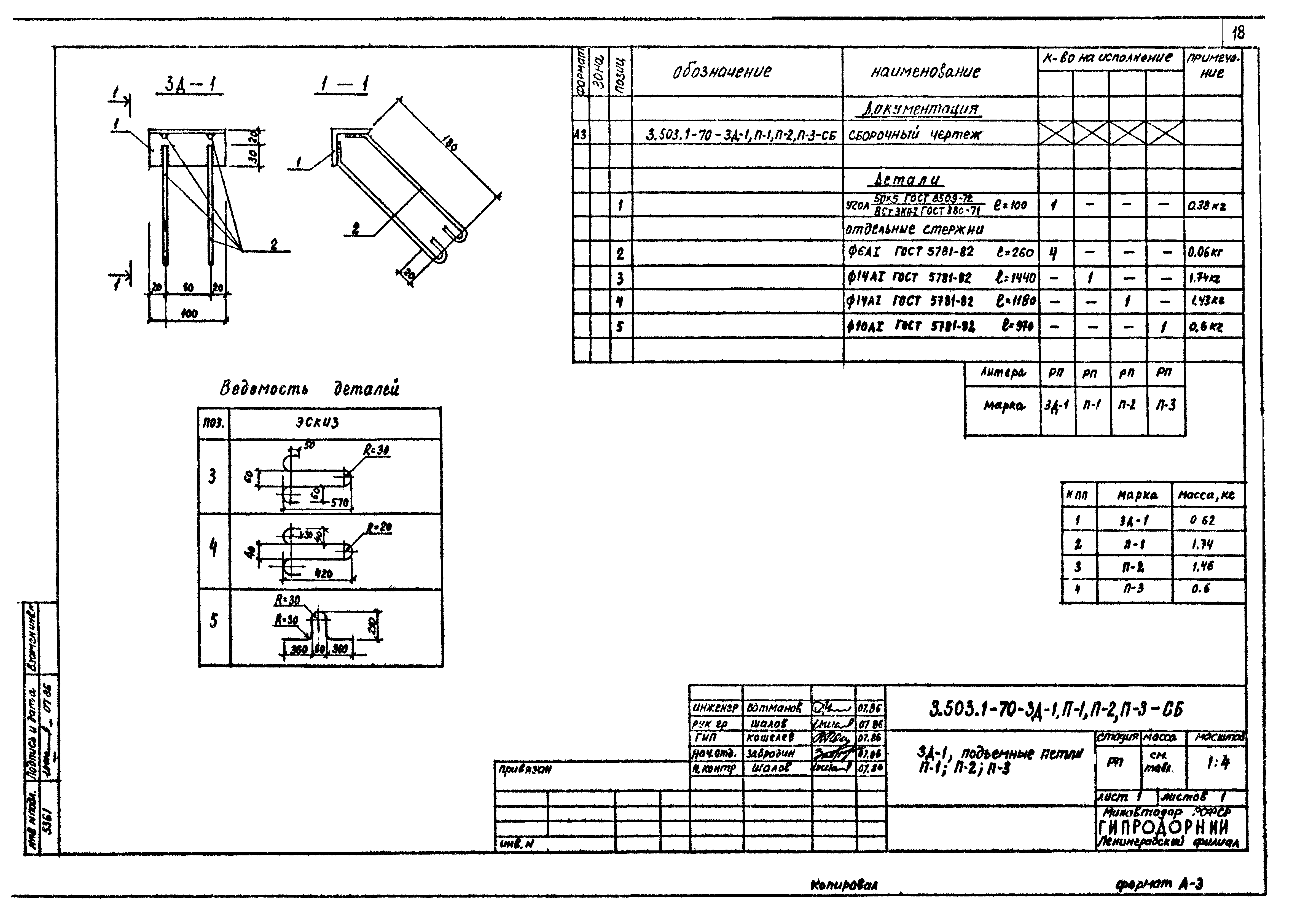
Скачать Серия 3.503.1-70 Сборные железобетонные конструкции автопавильонов. Опалубочные и арматурные изделияДата актуализации: 01.01.2021 Серия 3.503.1-70
Сборные железобетонные конструкции автопавильонов. Опалубочные и арматурные изделия| Обозначение: | Серия 3.503.1-70 | | Обозначение англ: | Series 3.503.1-70 | | Статус: | действует | | Название рус.: | Сборные железобетонные конструкции автопавильонов. Опалубочные и арматурные изделия | | Дата добавления в базу: | 01.09.2013 | | Дата актуализации: | 01.01.2021 | | Дата введения: | 01.01.1986 | | Разработан: | Ленинградский филиал Гипродорнии
| | Утверждён: | 05.04.1985 Минавтодор РСФСР (Russian Federation Minavtodor 28)
|
                   
|