Скачать Серия 3.503.1-89 Выпуск 2. Изделия. Рабочие чертежиДата актуализации: 01.01.2021
|
| Обозначение: | Серия 3.503.1-89 |
| Обозначение англ: | Series 3.503.1-89 |
| Статус: | не определен законодательством |
| Название рус.: | Выпуск 2. Изделия. Рабочие чертежи |
| Дата добавления в базу: | 01.09.2013 |
| Дата актуализации: | 01.01.2021 |
| Дата введения: | 01.03.1990 |
| Дата окончания срока действия: | 30.06.2003 |
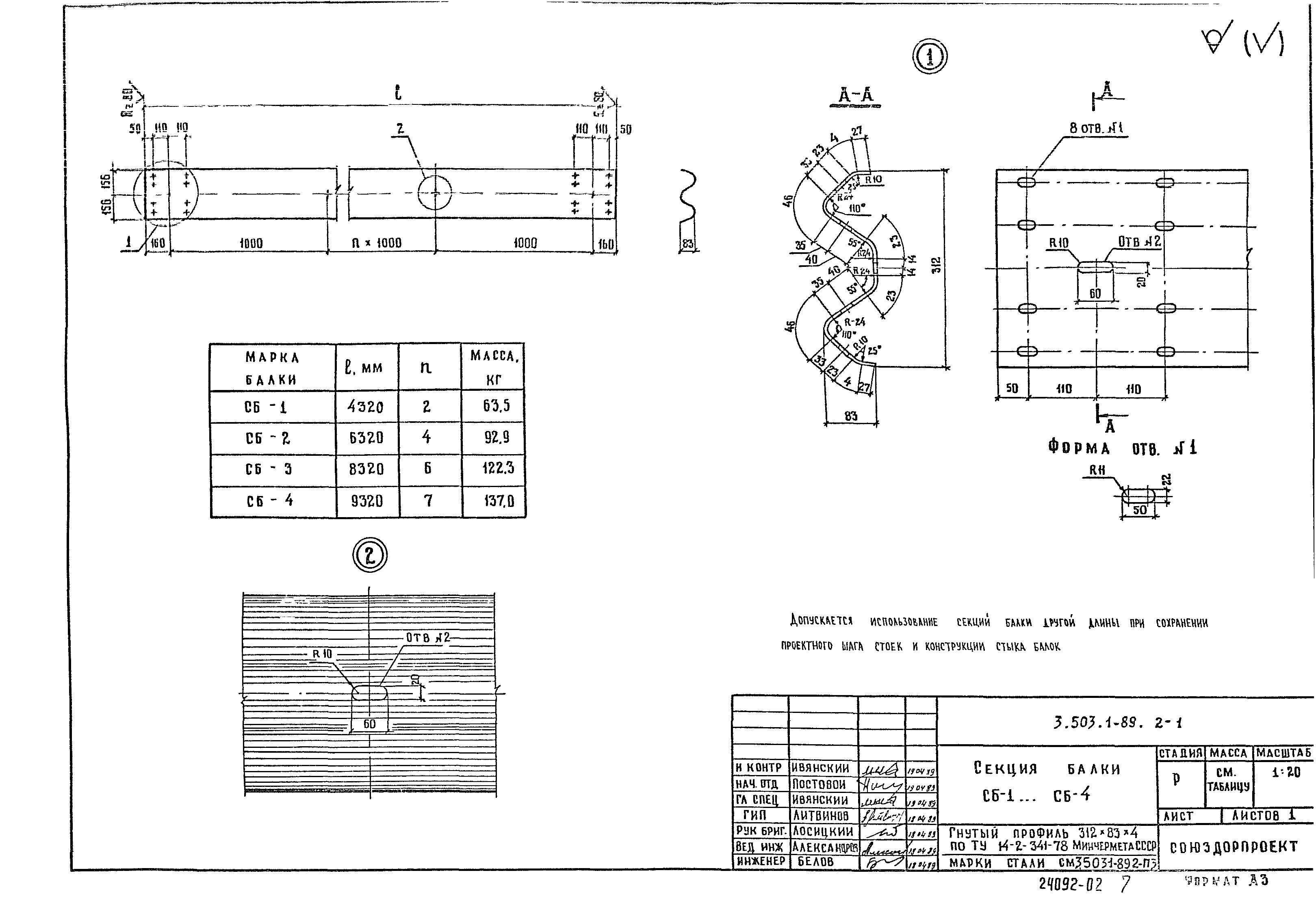
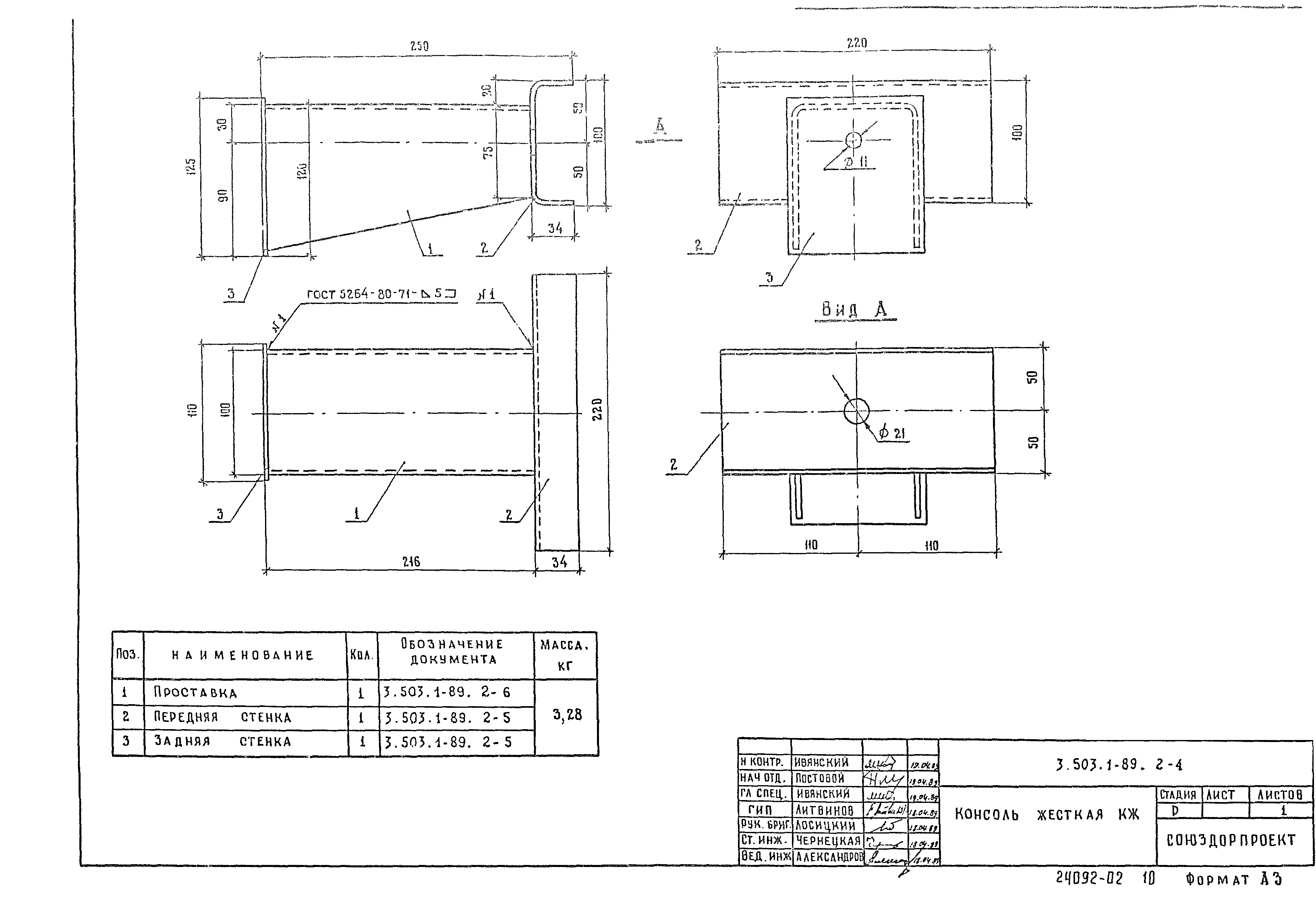
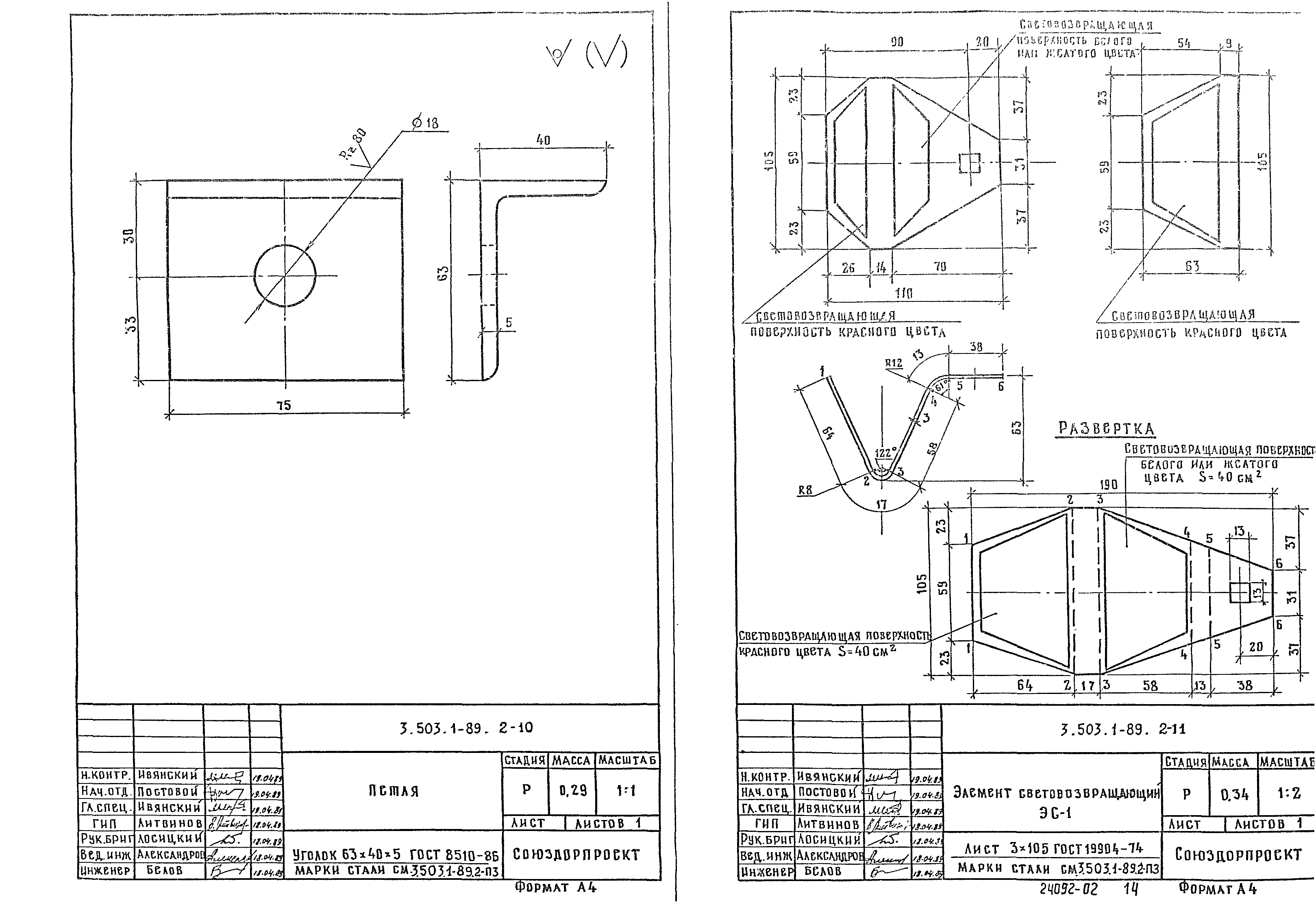
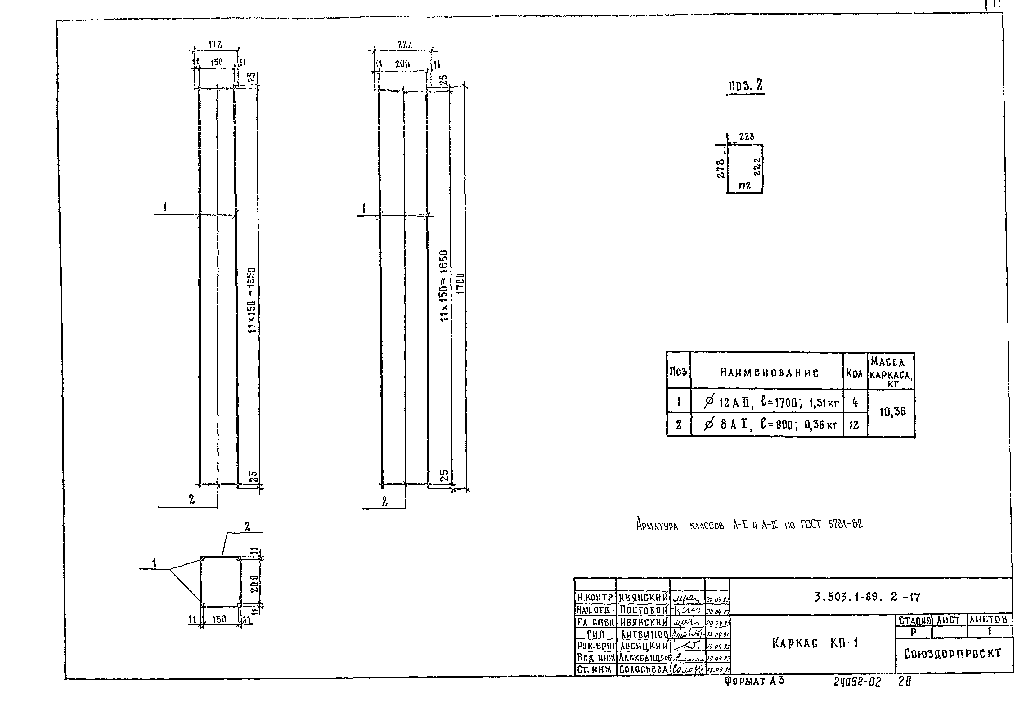
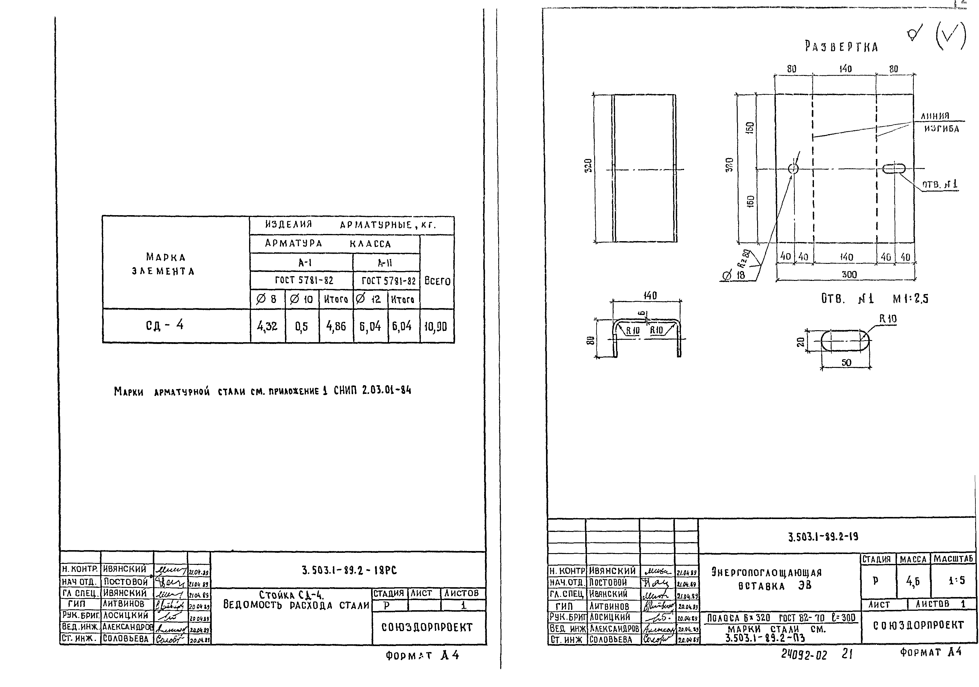
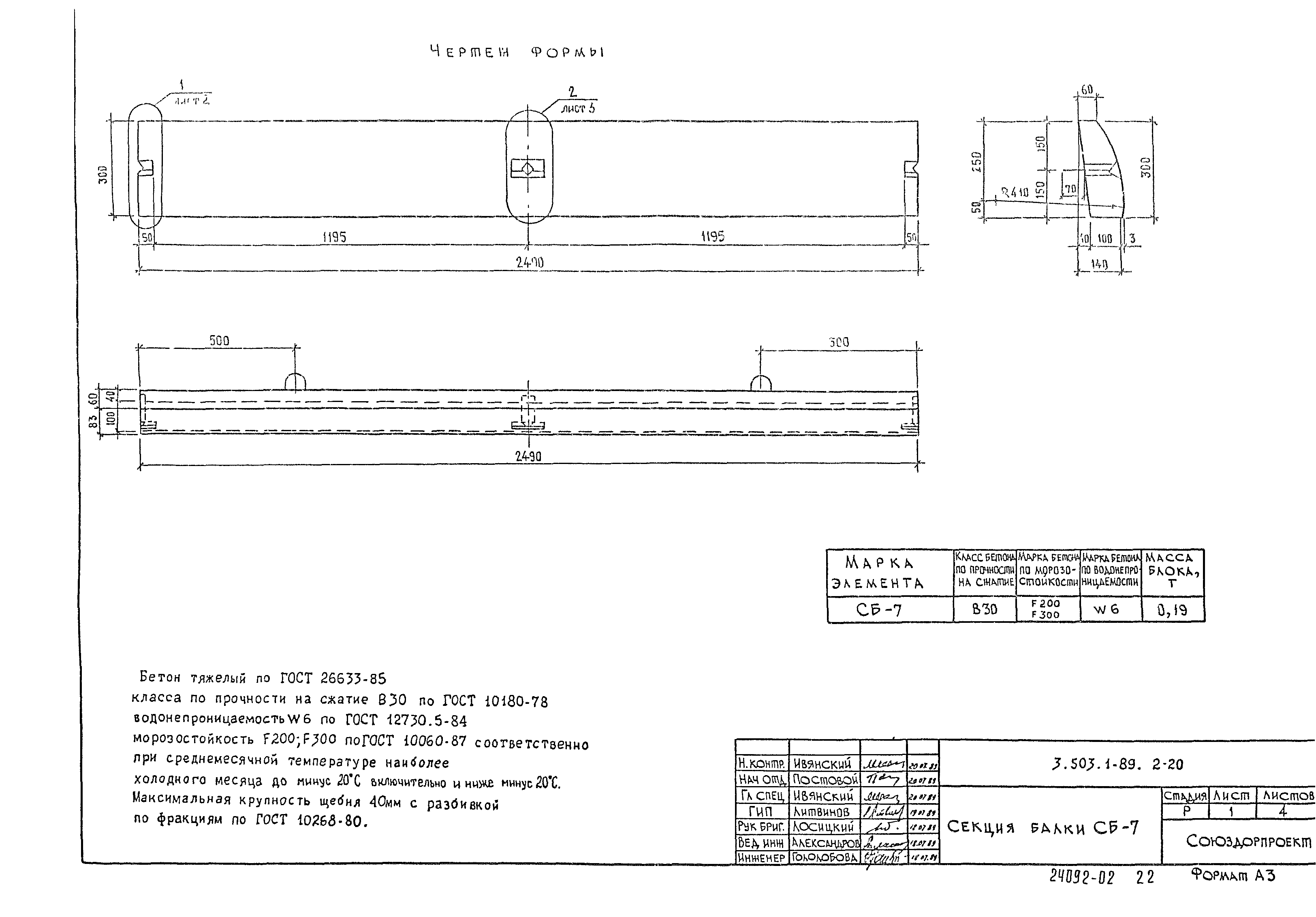
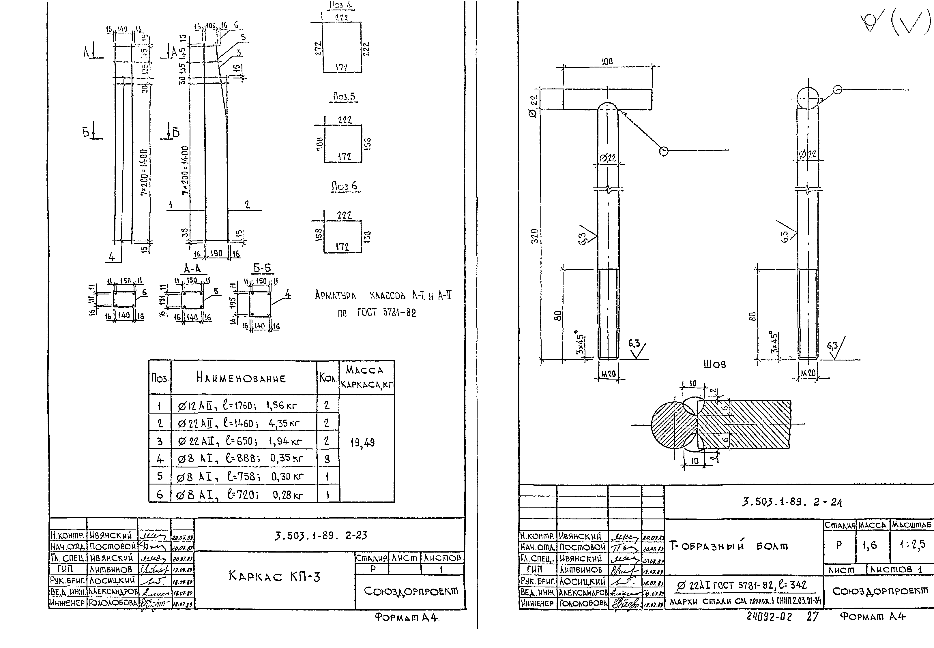
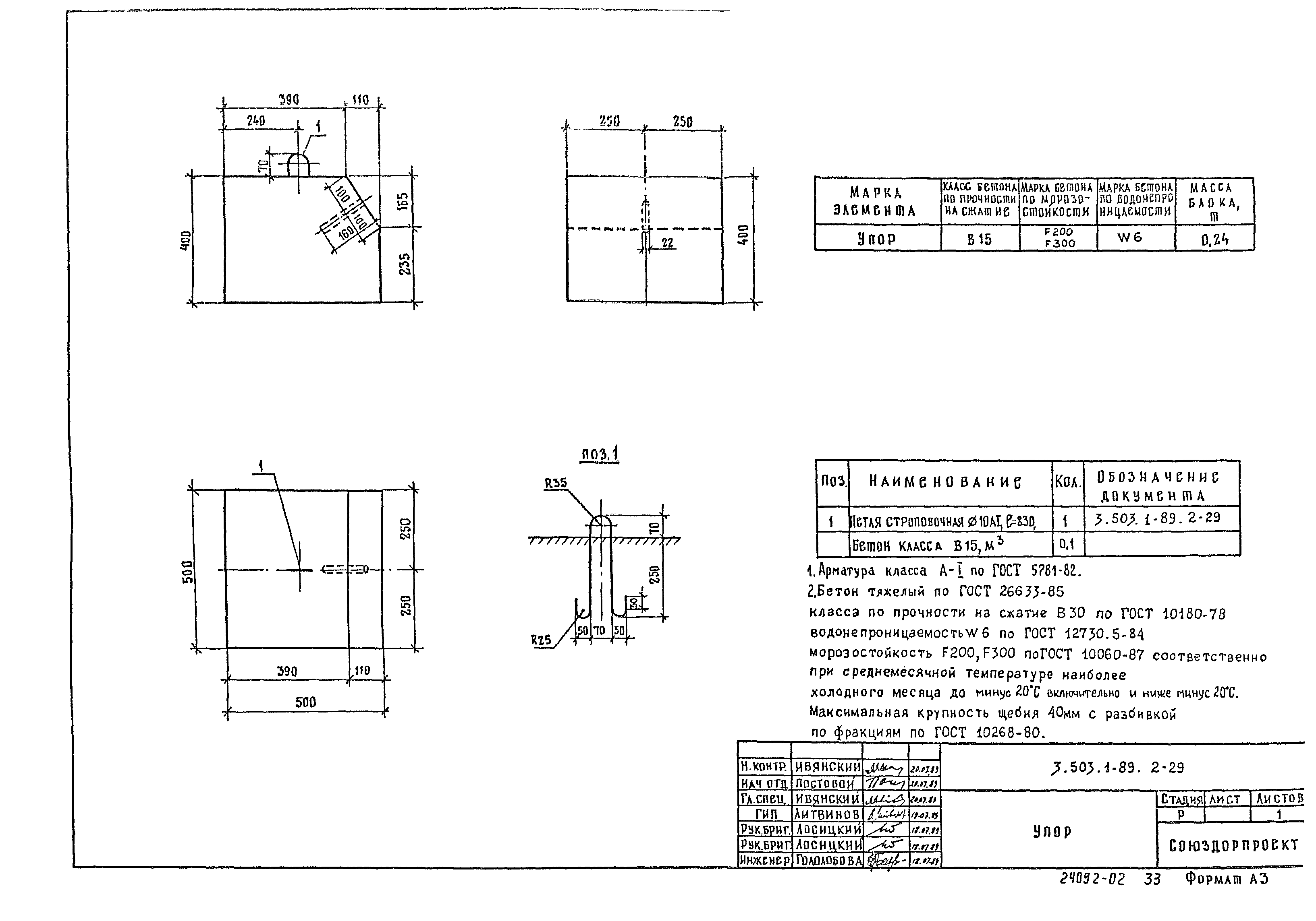
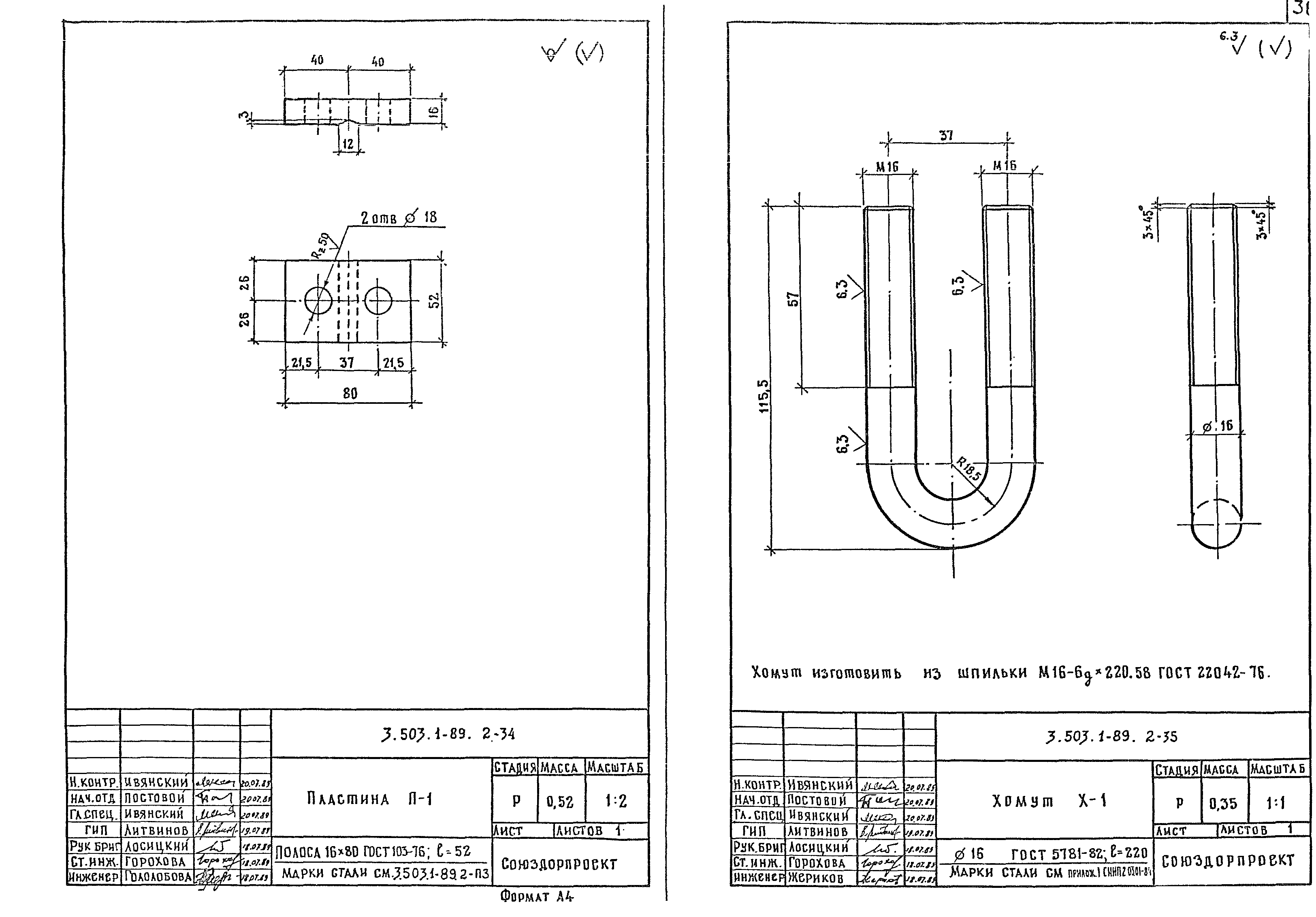
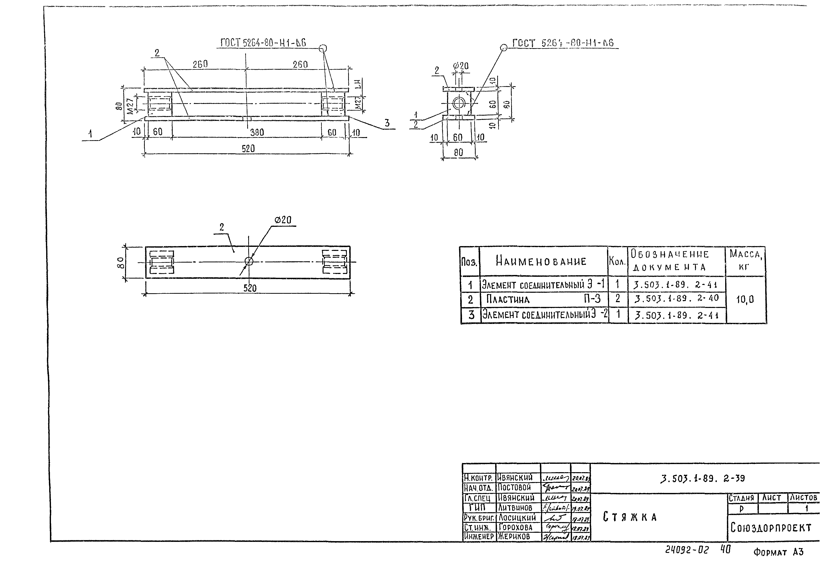
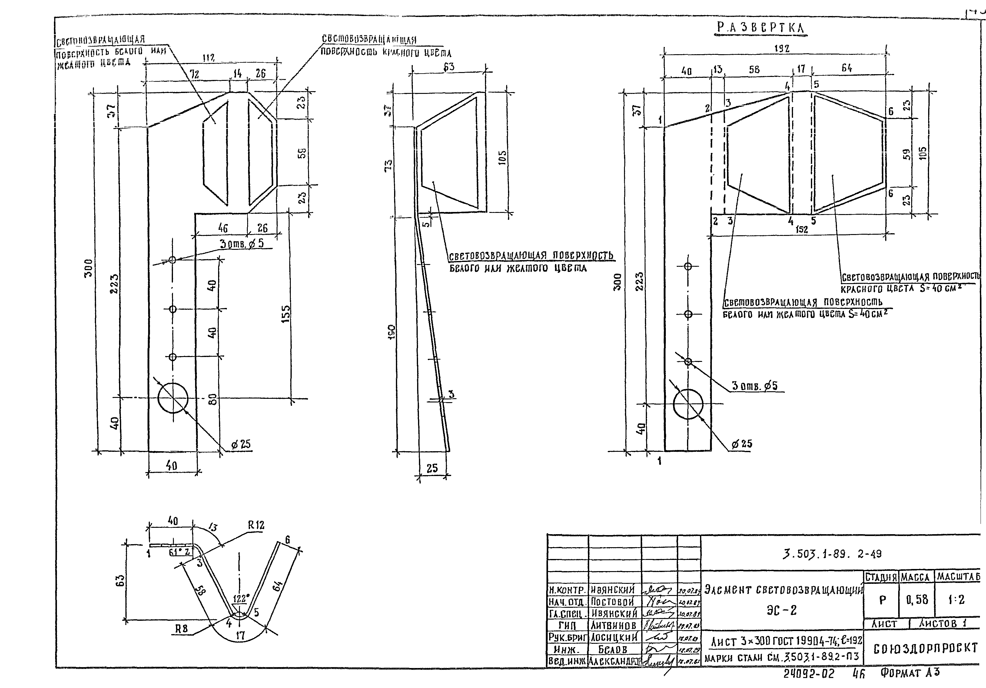
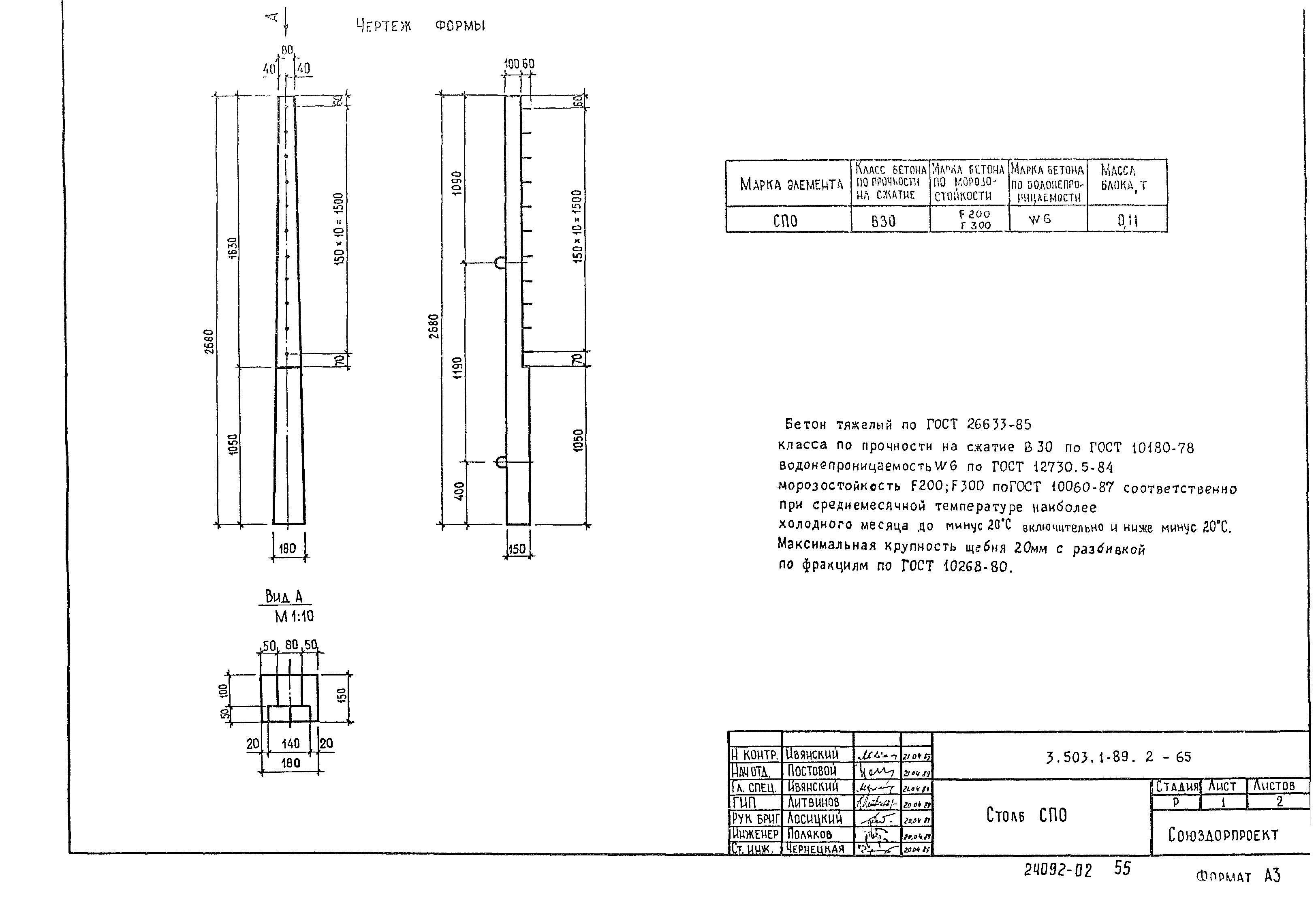
| Оглавление: | 3.503.1-89.2-ПЗ Пояснительная записка 3.503.1-89.2-1 Секция балки СБ-1 … СБ-4 3.503.1-89.2-2 Секция балки СБ-5, СБ-6. Элемент концевой ЭК-1, ЭК-2 3.503.1-89.2-3 Стойка СД-1. СД-2 3.503.1-89.2-4 Консоль жесткая КЖ 3.503.1-89.2-5 Задняя стенка. Передняя стенка 3.503.1-89.2-6 Проставка 3.503.1-89.2-7 Связь диагональная СДД 3.503.1-89.2-8 Наконечник Н-1, Н-2 3.503.1-89.2-9 Стержень 3.503.1-89.2-10 Петля 3.503.1-89.2-11 Элемент световозвращающий ЭС-1 3.503.1-89.2-12 Стойка СД-3 3.503.1-89.2-13 Скоба СК-1 3.503.1-89.2-14 Консоль-распорка КР-1 … КР-3 3.503.1-89.2-15 Распорка Р-1 … Р-3 3.503.1-89.2-16 Стойка СД-4 3.503.1-89.2-17 Каркас КП-1 3.503.1-89.2-18РС Стойка СД-4. Ведомость расхода стали 3.503.1-89.2-19 Энергопоглощающая вставка ЭВ 3.503.1-89.2-20 Секция балки СБ-7 3.503.1-89.2-21 Каркас КП-2 3.503.1-89.2-22 Стойка СД-5 3.503.1-89.2-23 Каркас КП-3 3.503.1-89.2-24 Т-образный болт 3.503.1-89.2-25РС Стойка СД-5. Секция балки СБ-7. Ведомость расхода стали 3.503.1-89.2-26 Секция балки СБ-8 3.503.1-89.2-27 Стойки СД-6, СД-8 3.503.1-89.2-28 Стойка СД-7 3.503.1-89.2-29 Упор 3.503.1-89.2-30 Каркас КП-4 3.503.1-89.2-31 Каркас КП-5 3.503.1-89.2-32РС Стойка СД-6, СД-7, СД-8. Упор. Ведомость расхода стали 3.503.1-89.2-33 Сжим СЖ-1 3.503.1-89.2-34 Пластина П-1 3.503.1-89.2-35 Хомут Х-1 3.503.1-89.2-36 Сжим СЖ-2 3.503.1-89.2-37 Хомут Х-2 3.503.1-89.2-38 Пластина П-2 3.503.1-89.2-39 Стяжка 3.503.1-89.2-40 Пластина П-3 3.503.1-89.2-41 Элемент соединительный Э-1, Э-2 3.503.1-89.2-42 Тяж Т-1 3.503.1-89.2-43 Тяж с проушиной Т-2 3.503.1-89.2-44 Компенсатор КС 3.503.1-89.2-45 Компенсатор КС (левая часть) 3.503.1-89.2-46 Компенсатор КС (правая часть) 3.503.1-89.2-47 Лист верхний 3.503.1-89.2-48 Лист нижний 3.503.1-89.2-49 Элемент световозвращающий ЭС-2 3.503.1-89.2-50 Стойка СД-9 3.503.1-89.2-51 Стойка СД-10 3.503.1-89.2-52 Стойка СД-11 3.503.1-89.2-53 Стойка СД-12 3.503.1-89.2-54 Стойка СД-13 3.503.1-89.2-54 Стойка СД-14 3.503.1-89.2-56 Стойка СД-15 3.503.1-89.2-57 Распорка Р-4. Р-5. Связь СВ-1, СВ-2 3.503.1-89.2-58 Скоба СК-2 3.503.1-89.2-59 Брусок БР-1 3.503.1-89.2-60 Брусок БР-2 3.503.1-89.2-61 Анкер А-1 3.503.1-89.2-62 Анкер А-2 3.503.1-89.2-63 Болт Б-1 … Б-3 3.503.1-89.2-64 Крюк 3.503.1-89.2-65 Столб СПО 3.503.1-89.2-66 Каркас КП-6 3.503.1-89.2-67РС Столб СПО. Ведомость расхода стали 3.503.1-89.2-68 Столбик СС-1 3.503.1-89.2-69 Каркас КП-7 3.503.1-89.2-70РС Столбик СС-1. Ведомость расхода стали |
| Разработан: | Союздорпроект Минтрансстроя СоюздорНИИ |
| Утверждён: | 04.10.1989 Минтрансстрой СССР (USSR Mintransstroy АВ-463) |
| Принят: | 11.09.1989 МВД СССР (USSR Ministry of Internal Affairs 27/г-1567) |
| Издан: | ЦИТП Госстроя СССР (CITP, Gosstroy (USSR) 1990 г. ) |

























































