Скачать Серия 3.503.9-80 Выпуск 1. Опоры дорожных знаков, устанавливаемых у бровки земляного полотна. Материалы для проектирования и рабочие чертежиДата актуализации: 01.01.2021
|
| Обозначение: | Серия 3.503.9-80 |
| Обозначение англ: | Series 3.503.9-80 |
| Статус: | не определен законодательством |
| Название рус.: | Выпуск 1. Опоры дорожных знаков, устанавливаемых у бровки земляного полотна. Материалы для проектирования и рабочие чертежи |
| Дата добавления в базу: | 01.09.2013 |
| Дата актуализации: | 01.01.2021 |
| Дата введения: | 01.09.1988 |
| Дата окончания срока действия: | 30.06.2003 |
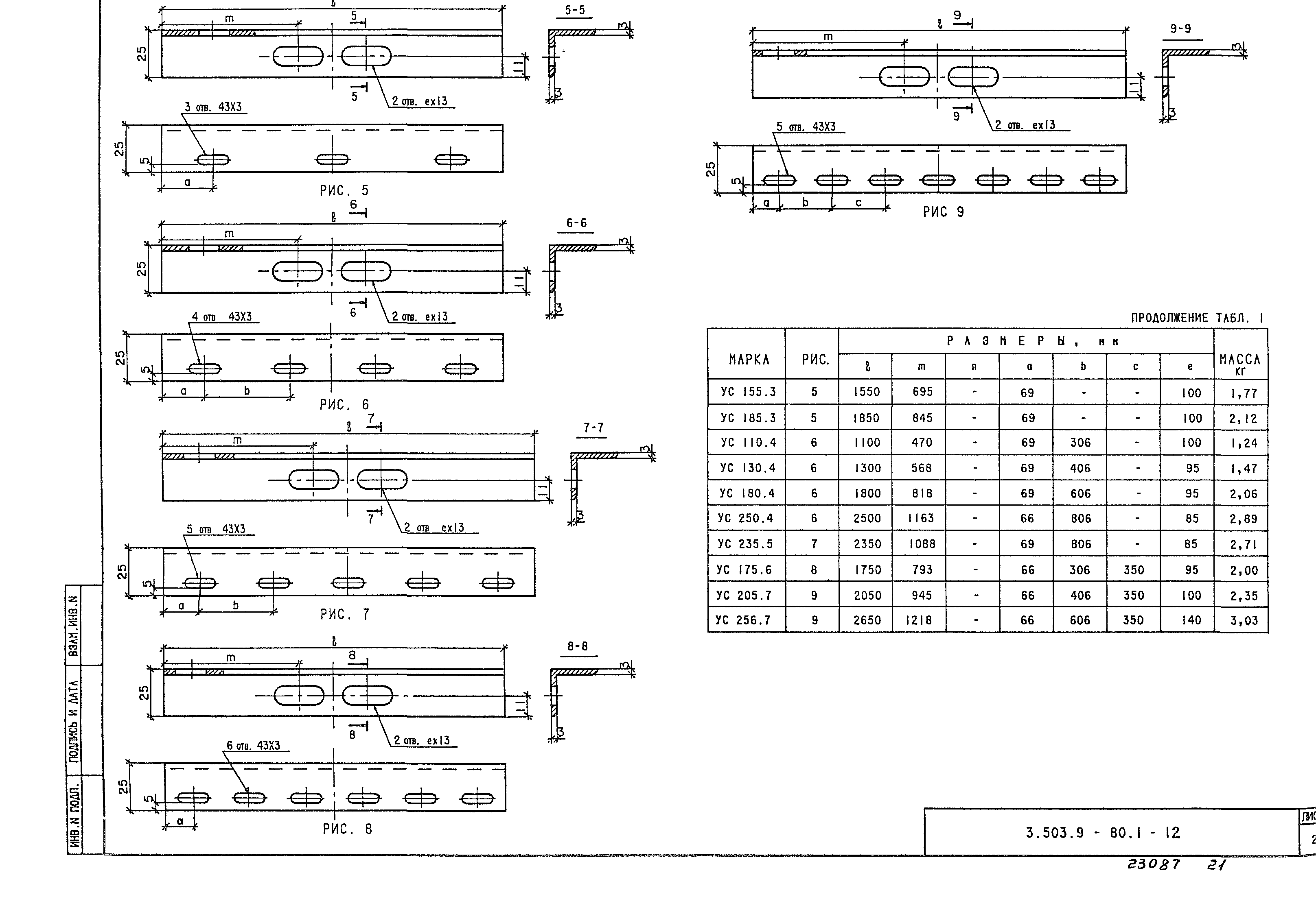
| Оглавление: | 3.503.9-80.1-ПЗ Пояснительная записка 3.503.9-80.1-1 Схемы размещения дорожных знаков на автомобильных дорогах 3.503.9-80.1-2 Установка стоек 3.503.9-80.1-3 Узлы крепления щитков знаков к стойке 3.503.9-80.1-4НИ Стойки металлические. Номенклатура 3.503.9-80.1-5НИ Стойки железобетонные ми асбестоцементные. Номенклатура 3.503.9-80.1-6НИ Стойки из деревянного кругляка и бруса. Номенклатура 3.503.9-80.1-7 Стойка СКЖ1.20 - СКЖБ.65 3.503.9-80.1-8РС Стойки железобетонные. Ведомость расхода стали 3.503.9-80.1-9 Каркас КП1.20 - КП6.65 3.503.9-80.1-10 Хомут Х1 - Х8 3.503.9-80.1-11 Пластина П1 - П6 3.503.9-80.1-12 Уголок УН55.1 - УН135.3, УС45.2 - УС256.7, УУ28.3 - УУ70.6, УСН30, УСВ30, УСВ75 3.503.9-80.1-13НИ Фундаменты. Номенклатура 3.503.9-80.1-14 Фундамент Ф1 - Ф3. Сборочный чертеж. Ведомость расхода стали 3.503.9-80.1-15 Сетка С1 - С4 3.503.9-80.1-16 Строповочная петля ПС1 - ПС4, ПФ1 3.503.9-80.1-17 Таблица подбора стоек для знаков (I - IV типоразмеры) 3.503.9-80.1-18 Таблица подбора стоек для знаков, имеющих один типоразмер 3.503.9-80.1-19 Таблица подбора стоек, уголков и крепежных изделий для знаков типа УЭДП 3.503.9-80.1-20 Таблицы подбора уголков 3.503.9-80.1-21 Таблицы подбора фундаментов, хомутов, пластин и крепежных изделий |
| Разработан: | Союздорпроект Минтрансстроя |
| Утверждён: | 15.02.1988 Минтрансстрой СССР (USSR Mintransstroy АВ-118) |
| Принят: | 23.12.1987 МВД СССР (USSR Ministry of Internal Affairs 27/г-2918) |
| Издан: | ЦИТП Госстроя СССР (CITP, Gosstroy (USSR) 1989 г. ) |
| Заменяет собой: |



































