Скачать Серия 3.501.1-179.94 Выпуск 1-1. Блоки стен, фундаментов и оголовков. Технические условия. Рабочие чертежиДата актуализации: 01.01.2021
|
| Обозначение: | Серия 3.501.1-179.94 |
| Обозначение англ: | Series 3.501.1-179.94 |
| Статус: | не определен законодательством |
| Название рус.: | Выпуск 1-1. Блоки стен, фундаментов и оголовков. Технические условия. Рабочие чертежи |
| Дата добавления в базу: | 01.09.2013 |
| Дата актуализации: | 01.01.2021 |
| Дата введения: | 01.07.1995 |
| Дата окончания срока действия: | 30.06.2003 |
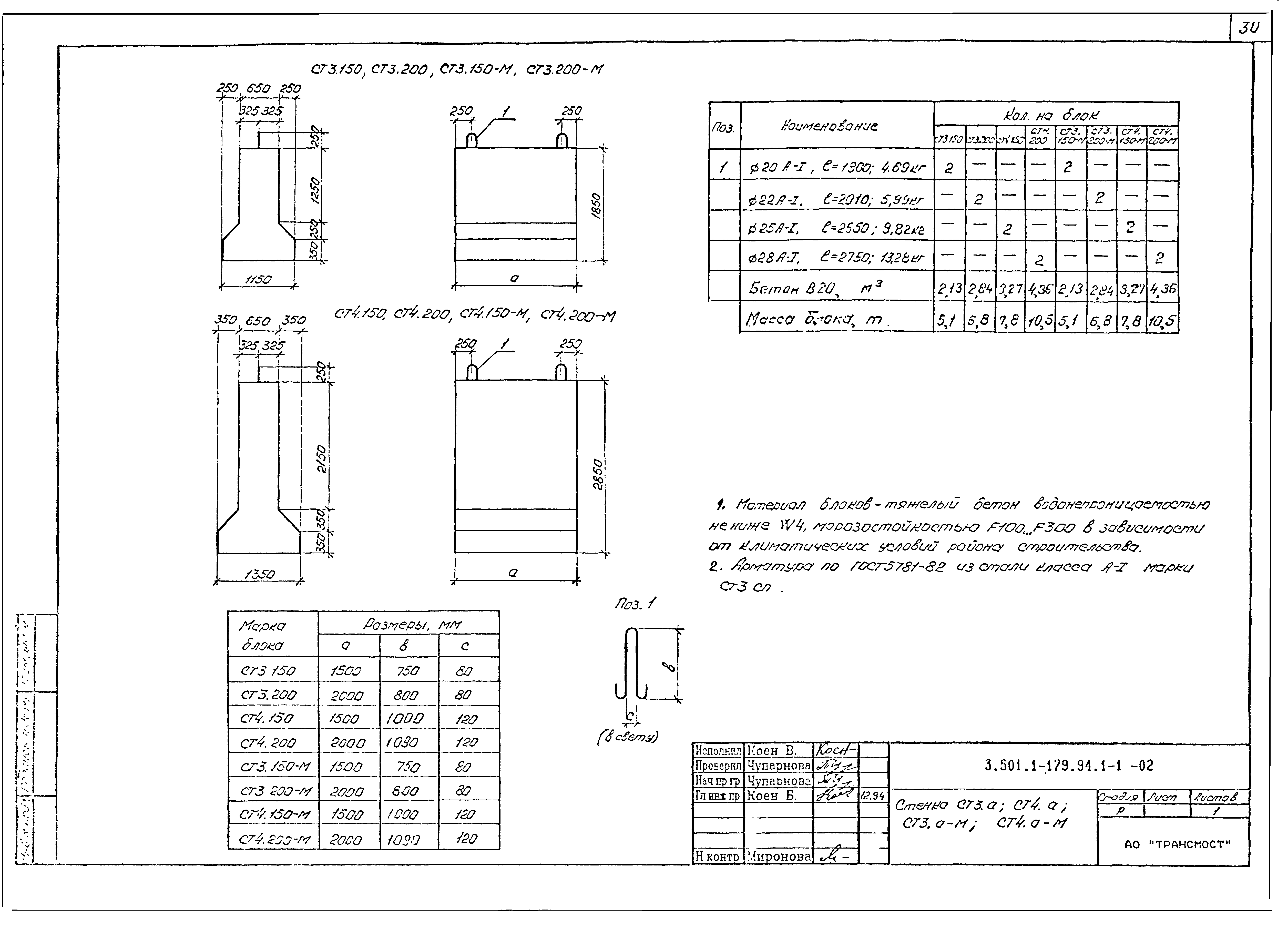
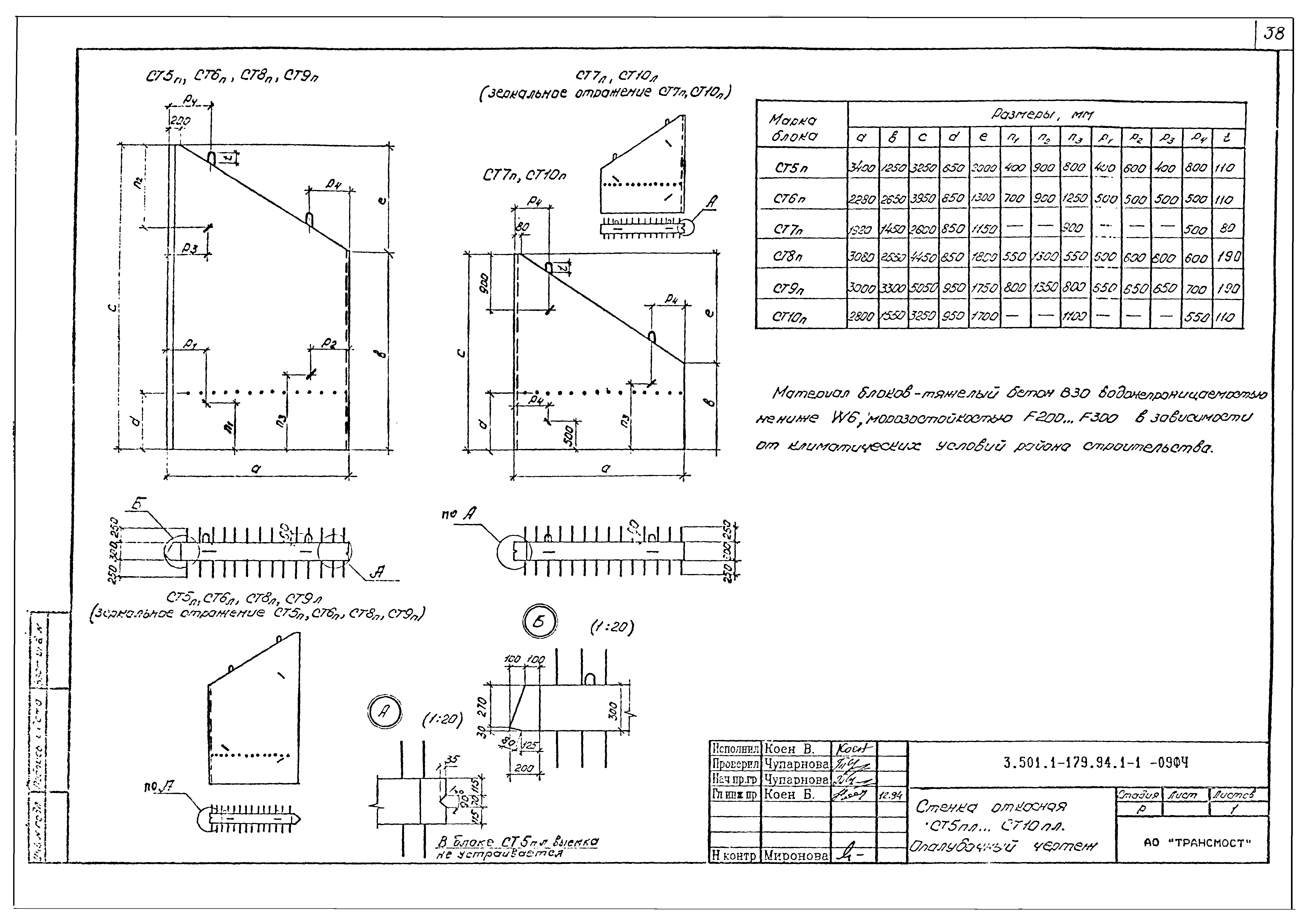
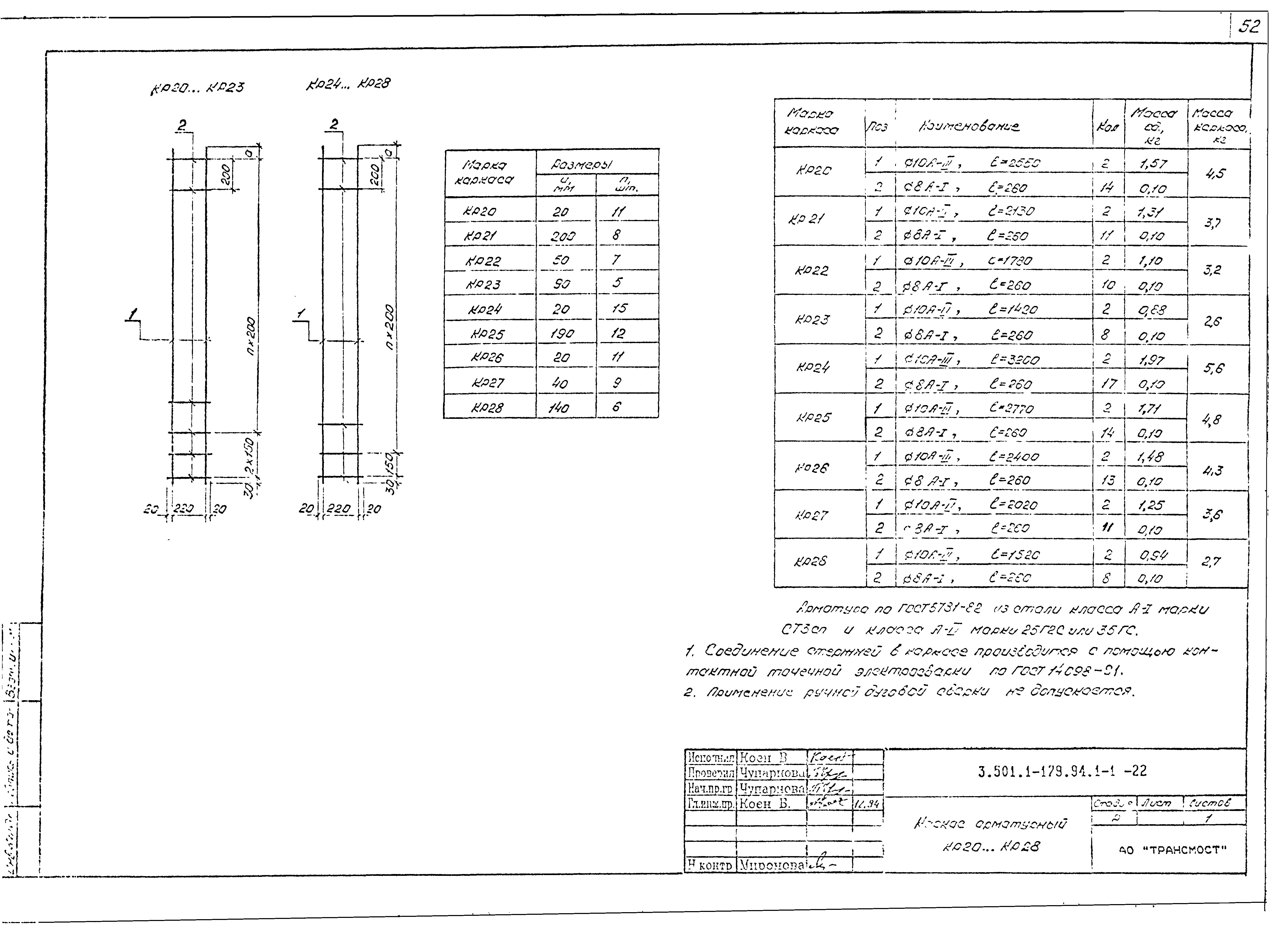
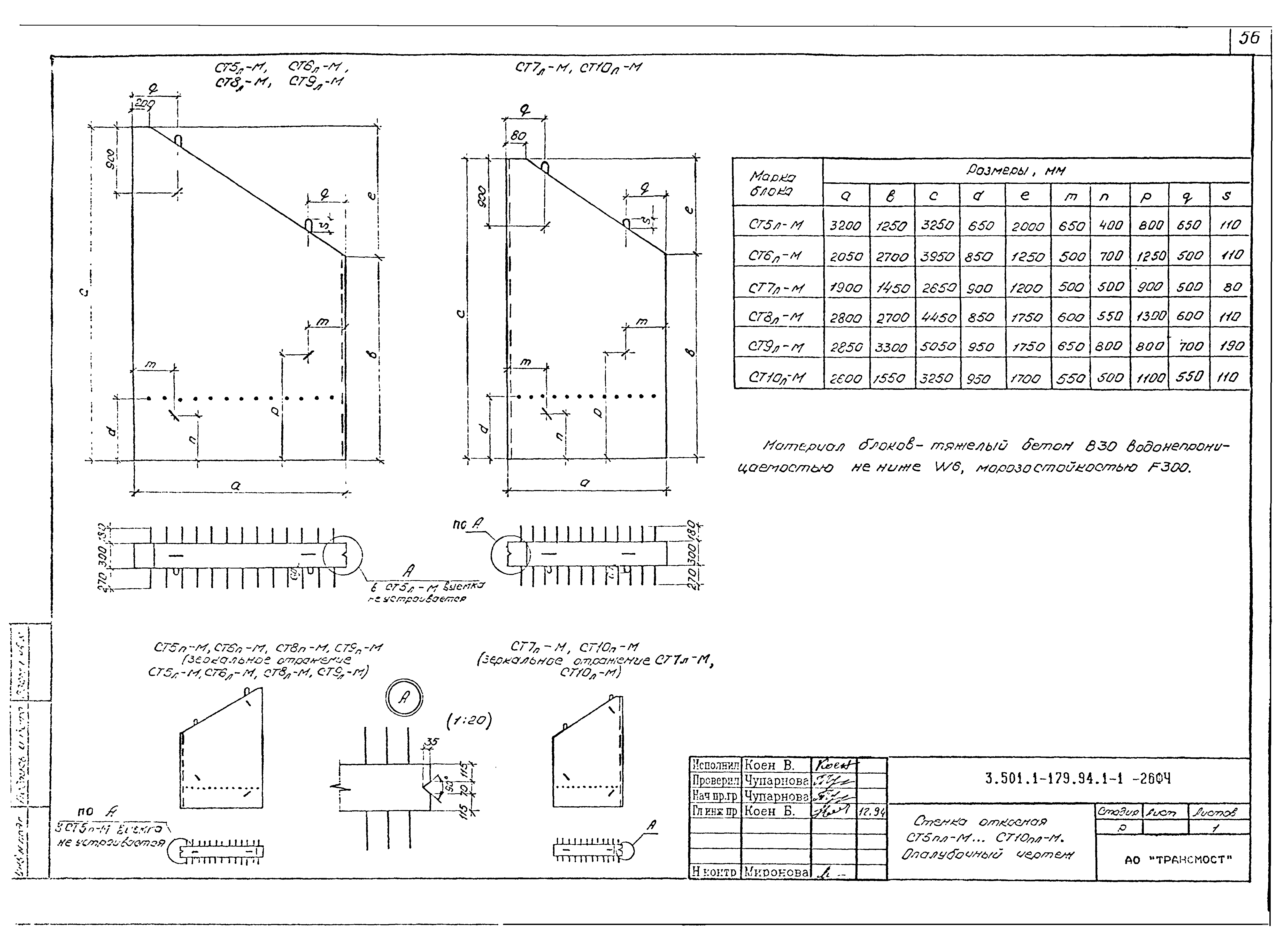
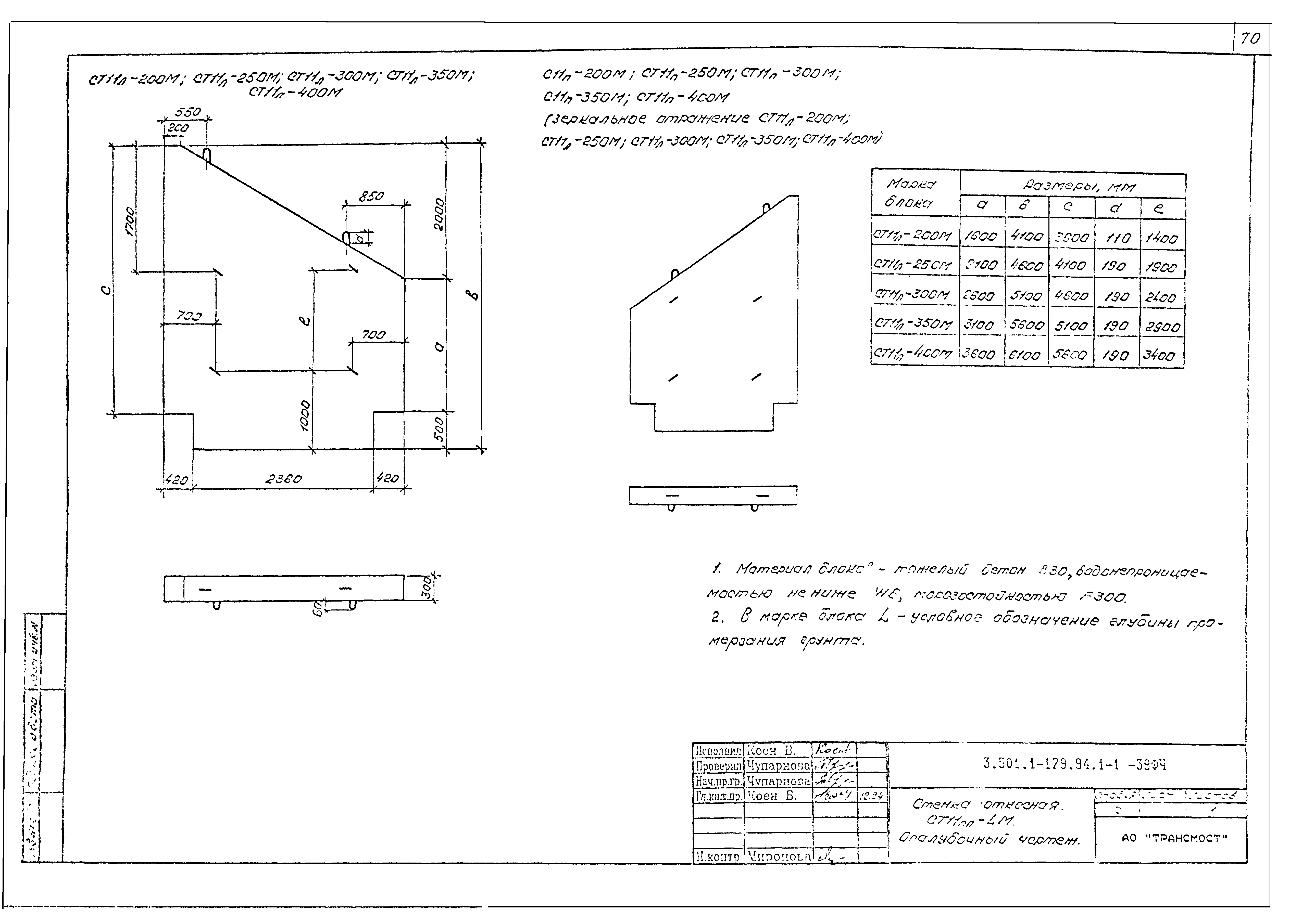
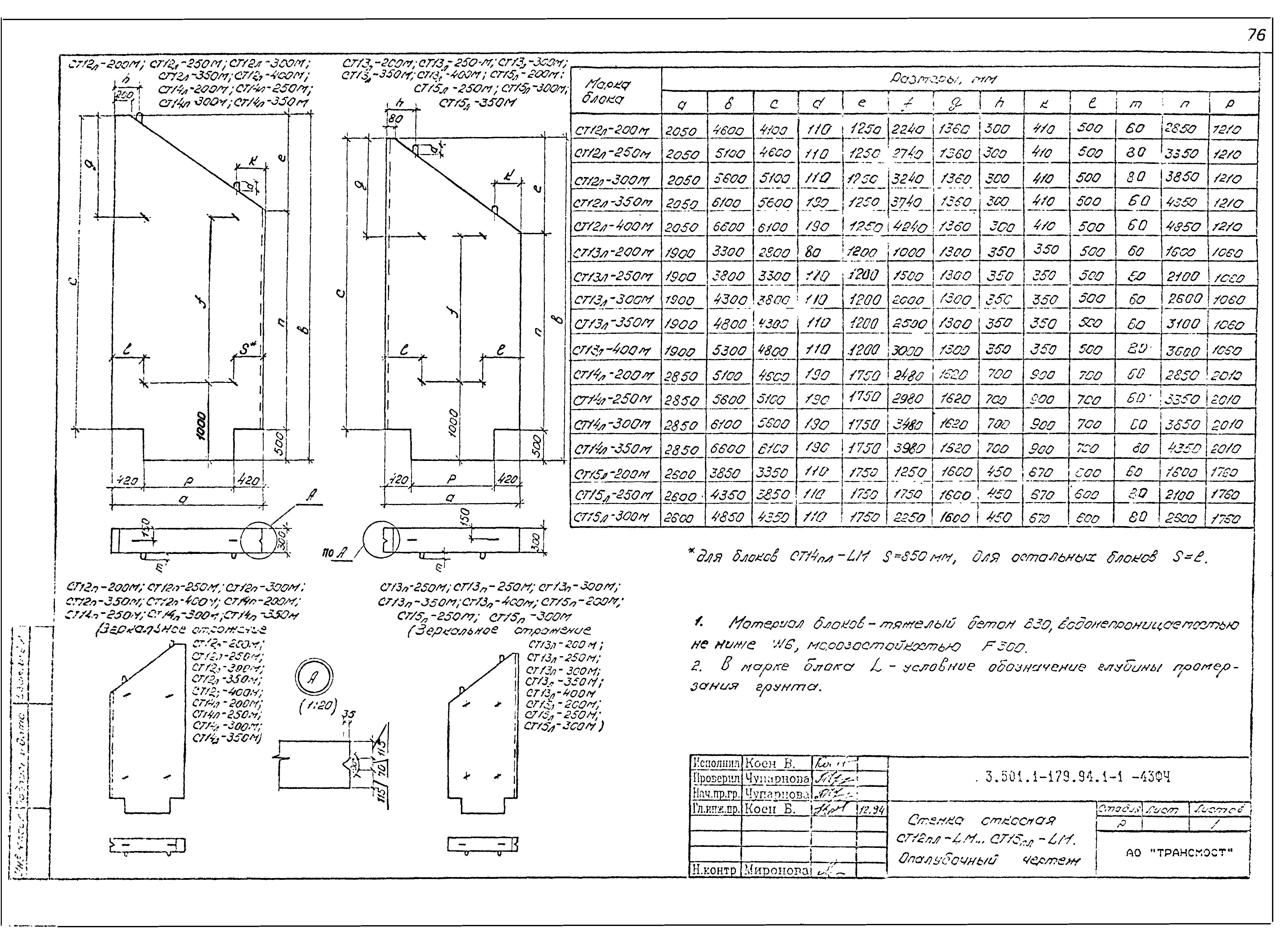
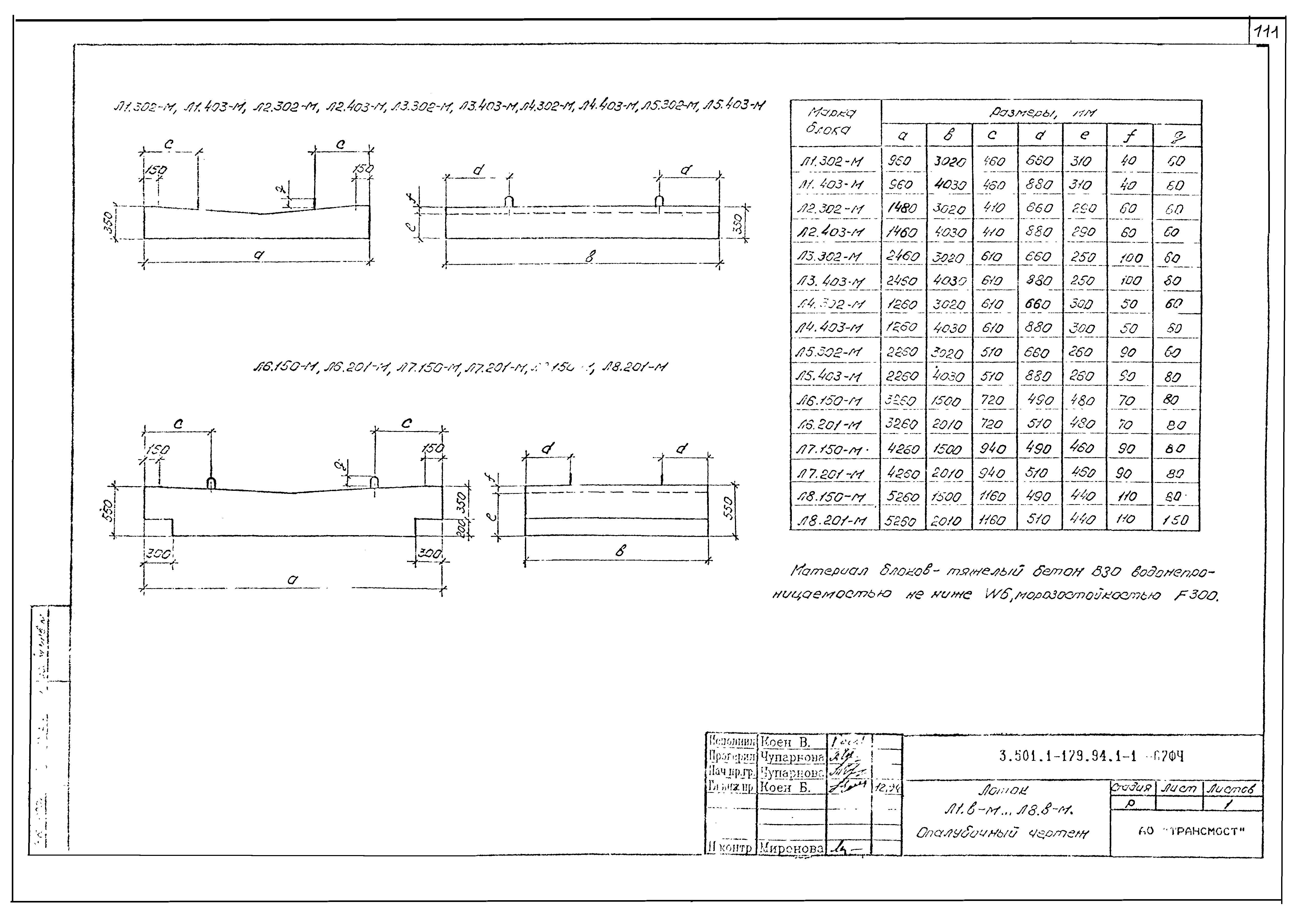
| Оглавление: | 3.501.1-179.94.1-1-ТО Техническое описание 3.501.1-179.94.1-1-ТУ Технические условия 3.501.1-179.94.1-1-01 Стенка СТ1.а; СТ2.а; СТ1.а-м; СТ2.а-м 3.501.1-179.94.1-1-02 Стенка СТ3.а; СТ4.а; СТ3.а-м; СТ4.а-м 3.501.1-179.94.1-1-03 Блок кордона БК; БК-М и блок фундамента Ф11.302-М; Ф11.403-М 3.501.1-179.94.1-1-04ФЧ Насадка Н. Опалубочный чертеж 3.501.1-179.94.1-1-05 Насадка Н1.а; Н2.а; Н1.а-М; Н2.а-М 3.501.1-179.94.1-1-06 Насадка Н3.а; Н4.а; Н3.а-м; Н4.а-М 3.501.1-179.94.1-1-07 Насадка Н5.а; Н6.а; Н5.а-М; Н6.а-М 3.501.1-179.94.1-1-08 Сетка арматурная С1 … С10 3.501.1-179.94.1-1-09ФЧ Стенка откосная СТ5пл … СТ10пл. Опалубочный чертеж 3.501.1-179.94.1-1-10 Стенка откосная СТ5пл; СТ6пл; СТ8пл; СТ9пл 3.501.1-179.94.1-1-11 Каркас арматурный КР1 … КР10 3.501.1-179.94.1-1-12 Каркас арматурный КР11 … КР19 3.501.1-179.94.1-1-13 Сетка арматурная С11 3.501.1-179.94.1-1-14 Сетка арматурная С12 3.501.1-179.94.1-1-15 Сетка арматурная С13 3.501.1-179.94.1-1-16 Сетка арматурная С14 3.501.1-179.94.1-1-17 Сетка арматурная С15 3.501.1-179.94.1-1-18 Сетка арматурная С16 3.501.1-179.94.1-1-19 Сетка арматурная С17 3.501.1-179.94.1-1-20 Сетка арматурная С18 3.501.1-179.94.1-1-21 Стенка откосная СТ7пл, СТ10пл 3.501.1-179.94.1-1-22 Каркас арматурный КР20 … КР28 3.501.1-179.94.1-1-23 Сетка арматурная С19 3.501.1-179.94.1-1-24 Сетка арматурная С20 3.501.1-179.94.1-1-25ВМ Ведомость расхода материалов в блоках труб для умеренных и суровых условий 3.501.1-179.94.1-1-26ФЧ Стенка откосная СТ5пл-М … СТ10пл-м. Опалубочный чертеж 3.501.1-179.94.1-1-27 Стенка откосная СТ5пл-М; СТ6пл-М; СТ8пл-М; СТ9пл-М 3.501.1-179.94.1-1-28 Каркас арматурный КР29-М … КР36-М 3.501.1-179.94.1-1-29 Каркас арматурный КР37-М … КР44-М 3.501.1-179.94.1-1-30 Сетка арматурная С21пл-М 3.501.1-179.94.1-1-31 Сетка арматурная С22-М; С23-М 3.501.1-179.94.1-1-32 Сетка арматурная С24-М; С25-М 3.501.1-179.94.1-1-33 Сетка арматурная С26-М 3.501.1-179.94.1-1-34 Сетка арматурная С27-М 3.501.1-179.94.1-1-35 Стенка откосная СТ7пл-М, СТ10пл-М 3.501.1-179.94.1-1-36 Каркас арматурный КР45-М … КР51-М 3.501.1-179.94.1-1-37 Сетка арматурная С28-М 3.501.1-179.94.1-1-38 Сетка арматурная С29-М 3.501.1-179.94.1-1-39ФЧ Стенка откосная СТ11пл-LM. Опалубочный чертеж 3.501.1-179.94.1-1-40 Стенка откосная СТ11пл-LM 3.501.1-179.94.1-1-41 Сетка арматурная С30-М … С34-М 3.501.1-179.94.1-1-42 Сетка арматурная С35-М … С39-М 3.501.1-179.94.1-1-43 ФЧ Стенка откосная СТ12пл-LM … СТ15пл-LM. Опалубочный чертеж 3.501.1-179.94.1-1-44 Стенка откосная СТ12пл - LM 3.501.1-179.94.1-1-45 Сетка арматурная С40-М … С44-М 3.501.1-179.94.1-1-46 Сетка арматурная С45-М … С49-М 3.501.1-179.94.1-1-47 Стенка откосная СТ13пл - LM 3.501.1-179.94.1-1-48 Сетка арматурная С50-М … С54-М 3.501.1-179.94.1-1-49 Сетка арматурная С55-М … С59-М 3.501.1-179.94.1-1-50 Сетка откосная СТ14пл - LM 3.501.1-179.94.1-1-51 Сетка арматурная С60-М … С63-М 3.501.1-179.94.1-1-52 Сетка арматурная С64-М … С67-М 3.501.1-179.94.1-1-53 Сетка откосная СТ15пл - LM 3.501.1-179.94.1-1-54 Сетка арматурная С68-М … С70-М 3.501.1-179.94.1-1-55 Сетка арматурная С71-М … С73-М 3.501.1-179.94.1-1-56 Каркас арматурный КР52-М … КР71-М 3.501.1-179.94.1-1-57 Каркас арматурный КР72-М … КР91-М 3.501.1-179.94.1-1-58 Каркас арматурный КР92-М … КР111-М 3.501.1-179.94.1-1-59 Каркас арматурный КР112-М … КР122-М 3.501.1-179.94.1-1-60 Каркас арматурный КР123-М … КР132-М 3.501.1-179.94.1-1-61 Каркас арматурный КР133-М … КР144-М 3.501.1-179.94.1-1-62 Каркас арматурный КР145-М … КР163-М 3.501.1-179.94.1-1-63 Каркас арматурный КР164-М … КР174-М 3.501.1-179.94.1-1-64 Каркас арматурный КР175-М … КР184-М 3.501.1-179.94.1-1-65 Каркас арматурный КР185-М … КР192-М 3.501.1-179.94.1-1-66 Изделие закладное МН-1М 3.501.1-179.94.1-1-67ФЧ Лоток Л1.в-М … Л8.в-М. Опалубочный чертеж 3.501.1-179.94.1-1-68 Лоток Л1.в-М … Л5.в-М 3.501.1-179.94.1-1-69 Каркас арматурный КР193-М; КР194-М 3.501.1-179.94.1-1-70 Сетка арматурная С74-М … С83-М 3.501.1-179.94.1-1-71 Лоток Л6.в-М … Л8.в-М 3.501.1-179.94.1-1-72 Каркас арматурный КР195-М; КР196-М 3.501.1-179.94.1-1-73 Сетка арматурная С96-М; С97-М 3.501.1-179.94.1-1-74 Сетка арматурная С84-М … С89-М 3.501.1-179.94.1-1-75 Сетка арматурная С90-М … С95-М 3.501.1-179.94.1-1-76ФЧ Блок фундамента Ф9.в-М; Ф10.в-М. Опалубочный чертеж 3.501.1-179.94.1-1-77ФЧ Блок фундамента Ф7.в-М; Ф8.в-М. Опалубочный чертеж 3.501.1-179.94.1-1-78ФЧ Блок фундамента Ф4.в-М; Ф6.в-М. Опалубочный чертеж 3.501.1-179.94.1-1-79 Блок фундамента Ф9.в-М; Ф10.в-М 3.501.1-179.94.1-1-80 Каркас арматурный КР197-М … КР200-М 3.501.1-179.94.1-1-81 Сетка арматурная С98-М … С105-М 3.501.1-179.94.1-1-82 Блок фундамента Ф4-вм 3.501.1-179.94.1-1-83 Сетка арматурная С106-М … С112-М 3.501.1-179.94.1-1-84 Блок фундамента Ф5-вМ 3.501.1-179.94.1-1-85 Сетка арматурная С113-М … С125-М 3.501.1-179.94.1-1-86 Блок фундамента Ф6-вМ 3.501.1-179.94.1-1-87 Сетка арматурная С126-М … С138-М 3.501.1-179.94.1-1-88 Блок фундамента Ф7.в-М, Ф8.в-М 3.501.1-179.94.1-1-89 Сетка арматурная С139-м … С143-М 3.501.1-179.94.1-1-90 Сетка арматурная С144-М … С148-М 3.501.1-179.94.1-1-91 Сетка арматурная С149-М … С153-М 3.501.1-179.94.1-1-92 Сетка арматурная С154-М … С160-М 3.501.1-179.94.1-1-93 Сетка арматурная С161-М 3.501.1-179.94.1-1-94 Изделие закладное МН2-М 3.501.1-179.94.1-1-95ВМ Ведомость расхода материалов в блоках труб для особо суровых условий |
| Разработан: | ОАО Трансмост |
| Утверждён: | 01.09.1988 Минтрансстрой (Mintransstroy АБ-559) |
| Заменяет собой: |
|












































































































































