Скачать Серия 3.504.1-23 Выпуск 3. Анкерные тяги. Рабочие чертежиДата актуализации: 01.01.2021
|
| Обозначение: | Серия 3.504.1-23 |
| Обозначение англ: | Series 3.504.1-23 |
| Статус: | действует |
| Название рус.: | Выпуск 3. Анкерные тяги. Рабочие чертежи |
| Дата добавления в базу: | 01.09.2013 |
| Дата актуализации: | 01.01.2021 |
| Дата введения: | 01.10.1985 |
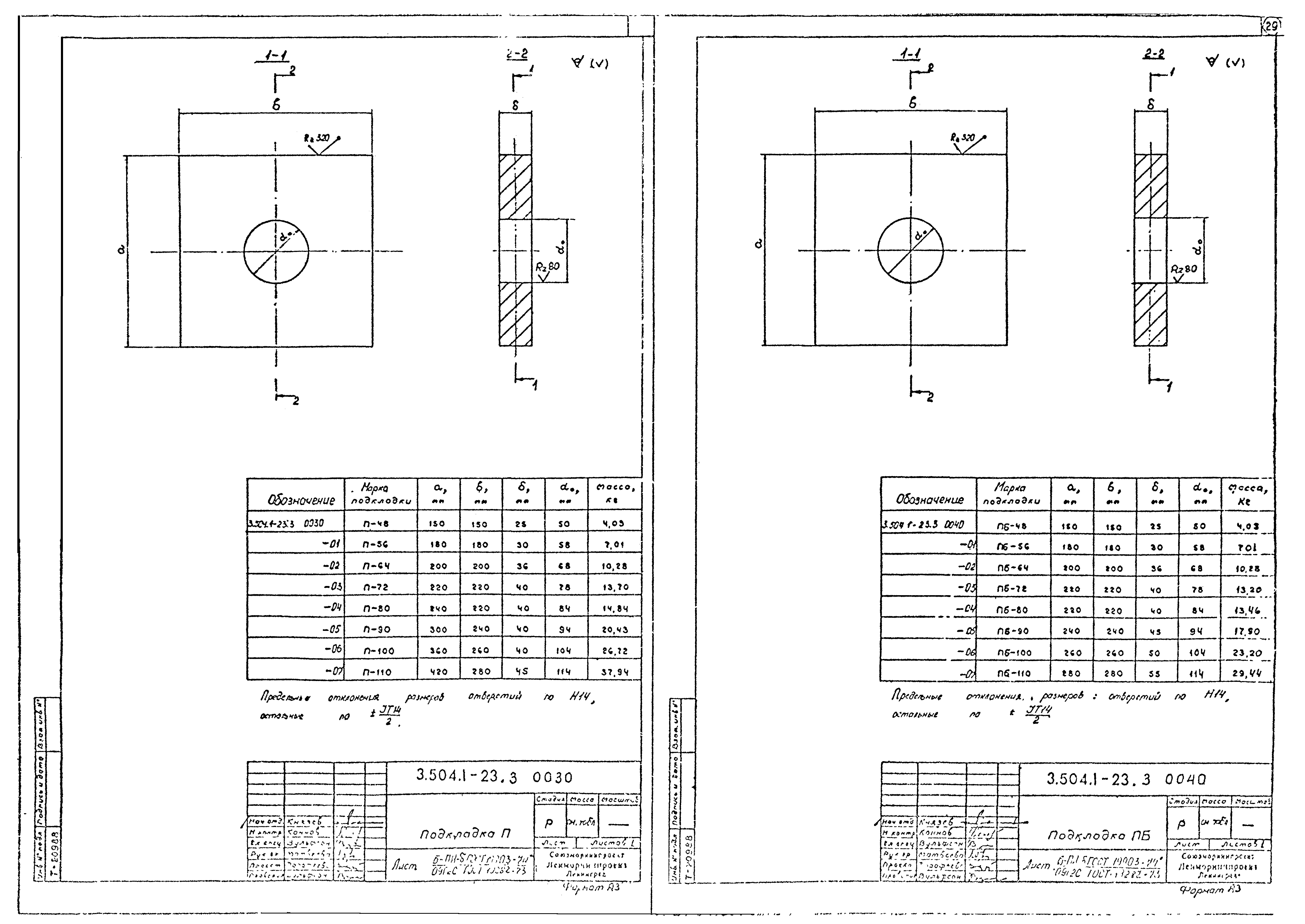
| Оглавление: | 3.504.1-23.3 0000ПЗ Пояснительная записка 3.504.1-23.3 1000 Звено анкерной тяги АТ 49 … 89.42 3.504.1-23.3 2000 Звено анкерной тяги АТЛ 46 … 86.42 3.504.1-23.3 1000 СБ Звено анкерной тяги АТ 49 … 89.42. Сборочный чертеж 3.504.1-23.3 2000 СБ Звено анкерной тяги АТЛ 46 … 86.42. Сборочный чертеж 3.504.1-23.3 1100 Звено анкерной тяги АТ 49 … 89.45; АТ 49 … 89.48; АТ 49 … 89.50 3.504.1-23.3 2100 Звено анкерной тяги АТЛ 46 … 86.45; АТЛ 46 … 86.48; АТЛ 46 … 86.50 3.504.1-23.3 1100 СБ Звено анкерной тяги АТ 49 … 89.45; АТ 49 … 89.48; АТ 49 … 89.50. Сборочный чертеж 3.504.1-23.3 2100 СБ Звено анкерной тяги АТЛ 46 … 86.45; АТЛ 46 … 86.48; АТЛ 46 … 86.50. Сборочный чертеж 3.504.1-23.3 1200 Звено анкерной тяги АТ 49 … 89.53; АТ 49 … 89.56 3.504.1-23.3 2200 Звено анкерной тяги АТЛ 46 … 86.53; АТЛ 46 … 86.56 3.504.1-23.3 1200 СБ Звено анкерной тяги АТ 49 … 89.53; АТ 49 … 89.56. Сборочный чертеж 3.504.1-23.3 2200 СБ Звено анкерной тяги АТЛ 46 … 86.53; АТЛ 46 … 86.56. Сборочный чертеж 3.504.1-23.3 1300 Звено анкерной тяги АТ 49 … 89.60; АТ 49 … 89.63; АТ 49 … 89.65 3.504.1-23.3 2300 Звено анкерной тяги АТЛ 46 … 86.60; АТЛ 46 … 86.63; АТЛ 46 … 86.65 3.504.1-23.3 1300 СБ Звено анкерной тяги АТ 49 … 89.60; АТ 49 … 89.63; АТ 49 … 89.65. Сборочный чертеж 3.504.1-23.3 2300 СБ Звено анкерной тяги АТЛ 46 … 86.60; АТЛ 46 … 86.63; АТЛ 46 … 86.65. Сборочный чертеж 3.504.1-23.3 1400 Звено анкерной тяги АТ 49 … 89.70 3.504.1-23.3 2400 Звено анкерной тяги АТЛ 46 … 86.70 3.504.1-23.3 1400 СБ Звено анкерной тяги АТ 49 … 89.70. Сборочный чертеж 3.504.1-23.3 2400 СБ Звено анкерной тяги АТЛ 46 … 86.70. Сборочный чертеж 3.504.1-23.3 1500 Звено анкерной тяги АТ 49 … 89.75; АТ 49 …89.80 3.504.1-23.3 2500 Звено анкерной тяги АТЛ 46 … 86.75; АТЛ 46 …86.80 3.504.1-23.3 1500 СБ Звено анкерной тяги АТ 49 … 89.75; АТ 49 …89.80. Сборочный чертеж 3.504.1-23.3 2500 СБ Звено анкерной тяги АТЛ 46 … 86.75; АТЛ 46 …86.80. Сборочный чертеж 3.504.1-23.3 1600 Звено анкерной тяги АТ 49 … 89.85; АТ 49 … 89.90 3.504.1-23.3 2600 Звено анкерной тяги АТЛ 46 … 86.85; АТЛ 46 … 86.90 3.504.1-23.3 1600 СБ Звено анкерной тяги АТ 49 … 89.85; АТ 49 … 89.90. Сборочный чертеж 3.504.1-23.3 2600 СБ Звено анкерной тяги АТЛ 46 … 86.85; АТЛ 46 … 86.90. Сборочный чертеж 3.504.1-23.3 1700 Звено анкерной тяги АТ 49 … 89.95; АТ 49 … 89.100 3.504.1-23.3 2700 Звено анкерной тяги АТЛ 46 … 86.95; АТЛ 46 … 86.100 3.504.1-23.3 1700 СБ Звено анкерной тяги АТ 49 … 89.95; АТ 49 … 89.100. Сборочный чертеж 3.504.1-23.3 2700 СБ Звено анкерной тяги АТЛ 46 … 86.95; АТЛ 46 … 86.100. Сборочный чертеж 3.504.1-23.3 0001 Шпилька ШК 3.504.1-23.3 0002 Шпилька Ш 3.504.1-23.3 0003 Шпилька ШЛ 3.504.1-23.3 0004 Шпилька ШУ 3.504.1-23.3 0010 Муфта МН 3.504.1-23.3 0020 Муфта МС 3.504.1-23.3 0030 Подкладка П 3.504.1-23.3 0040 Подкладка ПБ |
| Разработан: | Ленморниипроект |
| Утверждён: | 26.06.1985 Министерство морского флота СССР (USSR Ministry of the Merchant Marine ) |





























