Скачать Серия 1.238-1 Выпуск 1. Козырьки длиной 155, 220 и 279 см и плиты длиной 129 смДата актуализации: 01.01.2021
|
| Обозначение: | Серия 1.238-1 |
| Обозначение англ: | Series 1.238-1 |
| Статус: | заменен |
| Название рус.: | Выпуск 1. Козырьки длиной 155, 220 и 279 см и плиты длиной 129 см |
| Дата добавления в базу: | 01.09.2013 |
| Дата актуализации: | 01.01.2021 |
| Дата введения: | 01.01.1980 |
| Дата окончания срока действия: | 01.09.1984 |
| Область применения: | Козырьки входов и парапетные плиты предназначены для применения в общественных зданиях со стенами из кирпича или крупных блоков из местных материалов, возводимых в обычных условиях строительства, в I - V снеговых районах |
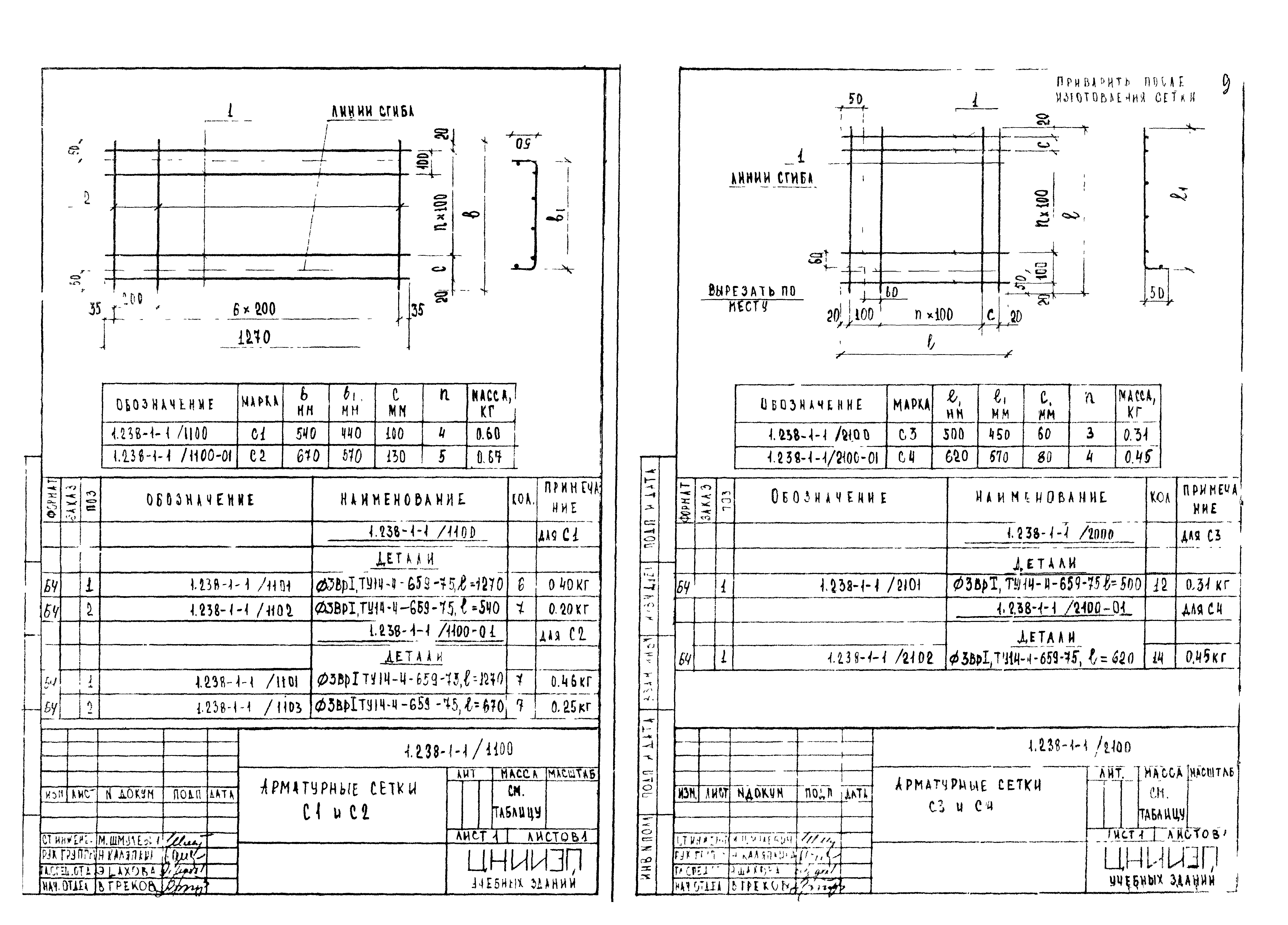
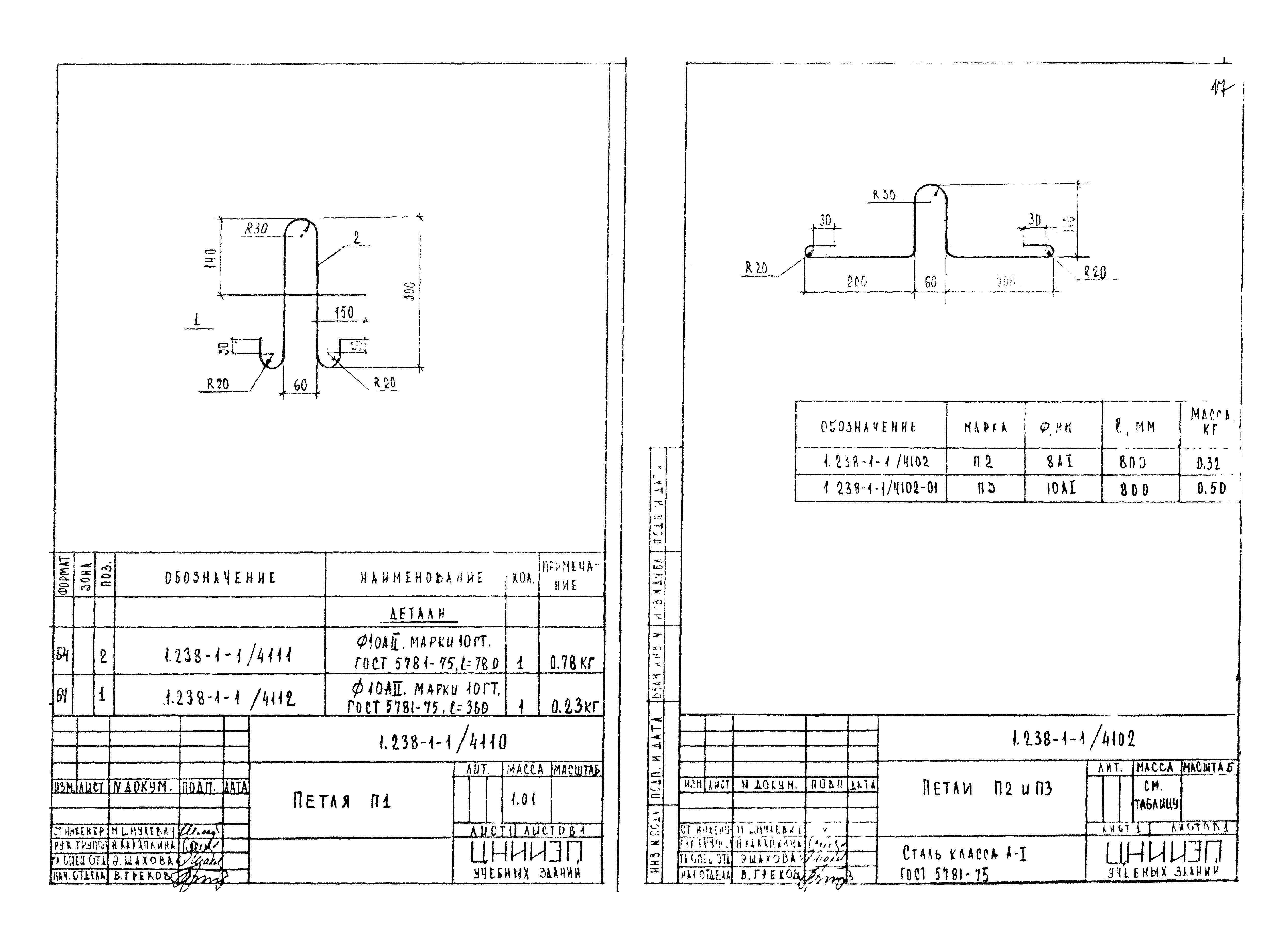
| Оглавление: | 1.238-1-1/0000 ТО Техническое описание 1.238-1-1/1000 Плиты парапетные АП 13.5; АП13,6. Спецификация 1.238-1-1/1000 СБ Плиты парапетные АП 13.5; АП13,6. Сборочный чертеж 1.238-1-1/2000 Плиты парапетные АП 5.5-1; АП6,6-1. Спецификация 1.238-1-1/2000 СБ Плиты парапетные АП 5.5-1; АП6,6-1. Сборочный чертеж 1.238-1-1/3000 Плиты парапетные АП 5.5-2; АП6,6-2. Спецификация 1.238-1-1/3000 СБ Плиты парапетные АП 5.5-2; АП6,6-2. Сборочный чертеж 1.238-1-1/1100 Арматурные сетки С1 и С2 1.238-1-1/2100 Арматурные сетки С3 и С4 1.238-1-1/4000 Козырьки входов КВ16, КВ22, КВ28. Спецификация 1.238-1-1/4000 СБ Козырьки входов КВ16, КВ22, КВ28. Сборочный чертеж 1.238-1-1/4100 Пространственные каркасы ПК1 + ПК3. Спецификация 1.238-1-1/4100 СБ Пространственные каркасы ПК1 + ПК3. Сборочный чертеж 1.238-1-1/4120 Арматурные сетки С5 и С7. Спецификация 1.238-1-1/4120 СБ Арматурные сетки С5 и С7. Сборочный чертеж 1.238-1-1/4130 Арматурные сетки С8 + С10. Спецификация 1.238-1-1/4130 СБ Арматурные сетки С8 + С10. Сборочный чертеж 1.238-1-1/4140 Арматурные сетки С11+ С13. Спецификация 1.238-1-1/4140 СБ Арматурные сетки С11+ С13. Сборочный чертеж 1.238-1-1/4110 Петля П1 1.238-1-1/4102 Петли П2 и П3 1.238-1-1/4150 Закладная деталь М1 1.238-1-1/5000 Козырьки входов КВ16-1 и КВ22-1. Спецификация 1.238-1-1/5000 СБ Козырьки входов КВ16-1 и КВ22-1. Сборочный чертеж 1.238-1-1/5100 Пространственные каркасы ПК4 и ПК5. Спецификация 1.238-1-1/5100 СБ Пространственные каркасы ПК4 и ПК5. Сборочный чертеж 1.238-1-1/5110 Плоские каркасы КР1 и КР2 1.238-1-1/5120 Плоский каркас КР3 1.238-1-1/5130 Закладные деталь М2 1.238-1-1/6000 Козырек входов КВ22-2. Спецификация 1.238-1-1/6000 СБ Козырек входов КВ22-2. Сборочный чертеж 1.238-1-1/6100 Пространственный каркас ПК6. Спецификация 1.238-1-1/6100 СБ Пространственный каркас ПК6. Сборочный чертеж 1.238-1-1/6130 Плоский каркас КР4 1.238-1-1/6120 Плоский каркас КР5 1.238-1-1/6110 Арматурная сетка С14 1.238-1-1/4001 Тумба для электропроводки 1.238-1-1/0000 Д1 Выборка стали 1.238-1-1/0000 Д2 Данные для испытания по прочности трещиностойкости и жесткости |
| Разработан: | ЦНИИЭП учебных зданий Госгражданстроя |
| Утверждён: | 30.11.1979 Государственный комитет по гражданскому строительству и архитектуре при Госстрое СССР (254) |
| Чем заменён: | |
| Нормативные ссылки: |
|






























