Скачать Серия 1.241-1 Выпуск 9. Предварительно напряженные панели длиной 898 см, шириной 99, 119 и 149 см, армированные высокопрочной проволокой диаметром 5 класса Вр-II, с линейно-групповым расположением арматуры. Метод натяжения - механическийДата актуализации: 01.01.2021
|
| Обозначение: | Серия 1.241-1 |
| Обозначение англ: | Series 1.241-1 |
| Статус: | не действует |
| Название рус.: | Выпуск 9. Предварительно напряженные панели длиной 898 см, шириной 99, 119 и 149 см, армированные высокопрочной проволокой диаметром 5 класса Вр-II, с линейно-групповым расположением арматуры. Метод натяжения - механический |
| Дата добавления в базу: | 01.09.2013 |
| Дата актуализации: | 01.01.2021 |
| Дата окончания срока действия: | 01.06.1980 |
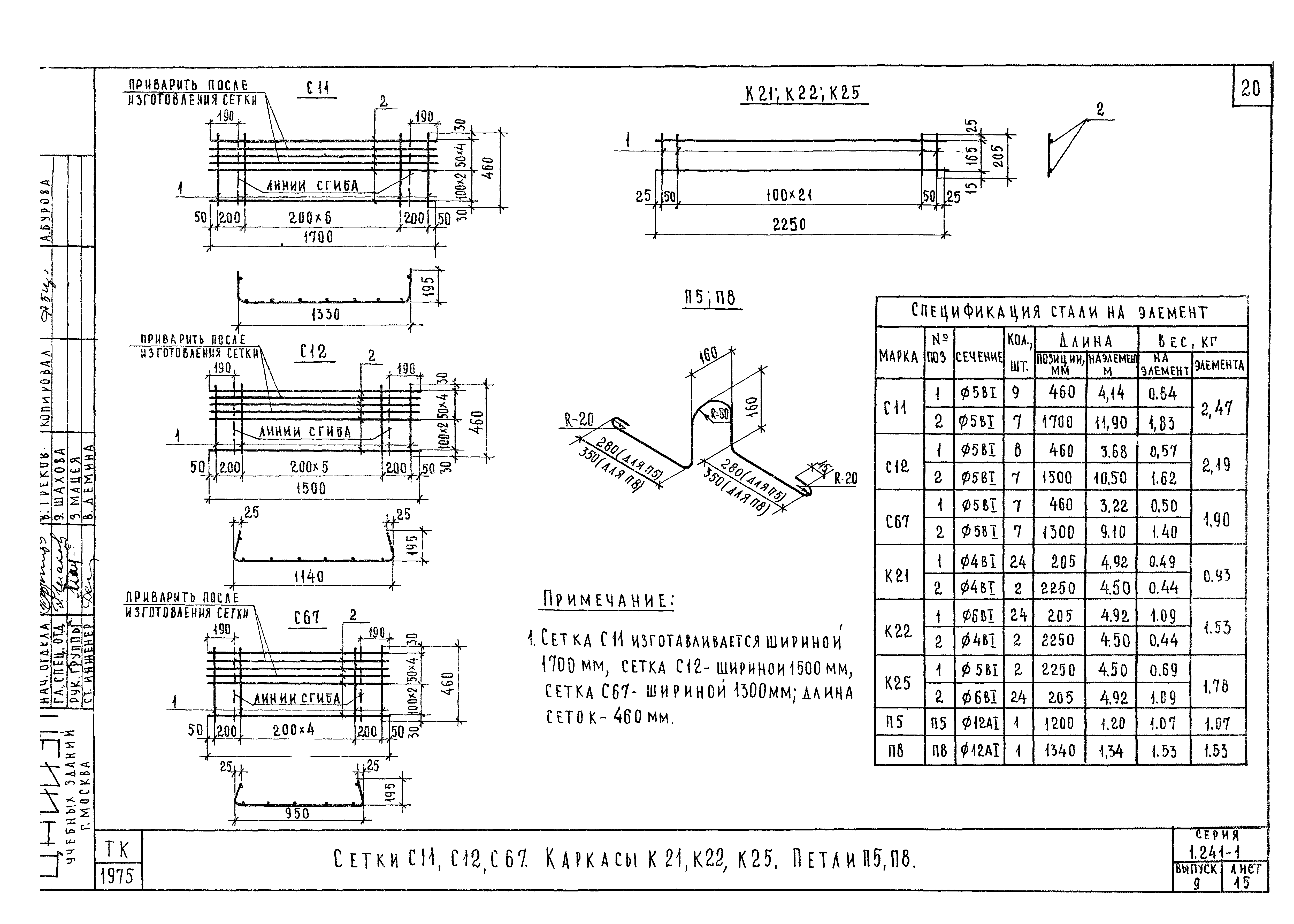
| Оглавление: | Пояснительная записка Номенклатура Величины предварительных напряжений в арматуре и потери предварительного напряжения Панель ПК4.5-90.15 Опалубочный чертеж. Армирование Панель ПК6-90.15 Опалубочный чертеж. Армирование Панель ПК8-90.15 Опалубочный чертеж. Армирование Панель ПК4.5-90.12 Опалубочный чертеж. Армирование Панель ПК6-90.12 Опалубочный чертеж. Армирование Панель ПК8-90.12 Опалубочный чертеж. Армирование Панель ПК4.5-90.10 Опалубочный чертеж. Армирование Панель ПК6-90.10 Опалубочный чертеж. Армирование Панель ПК8-90.10 Опалубочный чертеж. Армирование Опалубочные сечения панелей. Деталь I Сечение 1-1. Деталь установки петли П8. Узлы 1-4 Сетки С47, С48, С53, С56, С66. Отдельный стержень 01 Сетки С11, С12, С67. Каркасы К21, К22, К25. Петли П5, П8 Предварительно напряженные панели с усиленными торцами Деталь заделки торцов панелей Данные для испытаний панелей по прочности Данные для испытаний панелей по трещиностойкости и жесткости |
| Разработан: | ЦНИИЭП учебных зданий Госгражданстроя |
| Утверждён: | 01.09.1977 Государственный комитет по гражданскому строительству и архитектуре при Госстрое СССР |






















