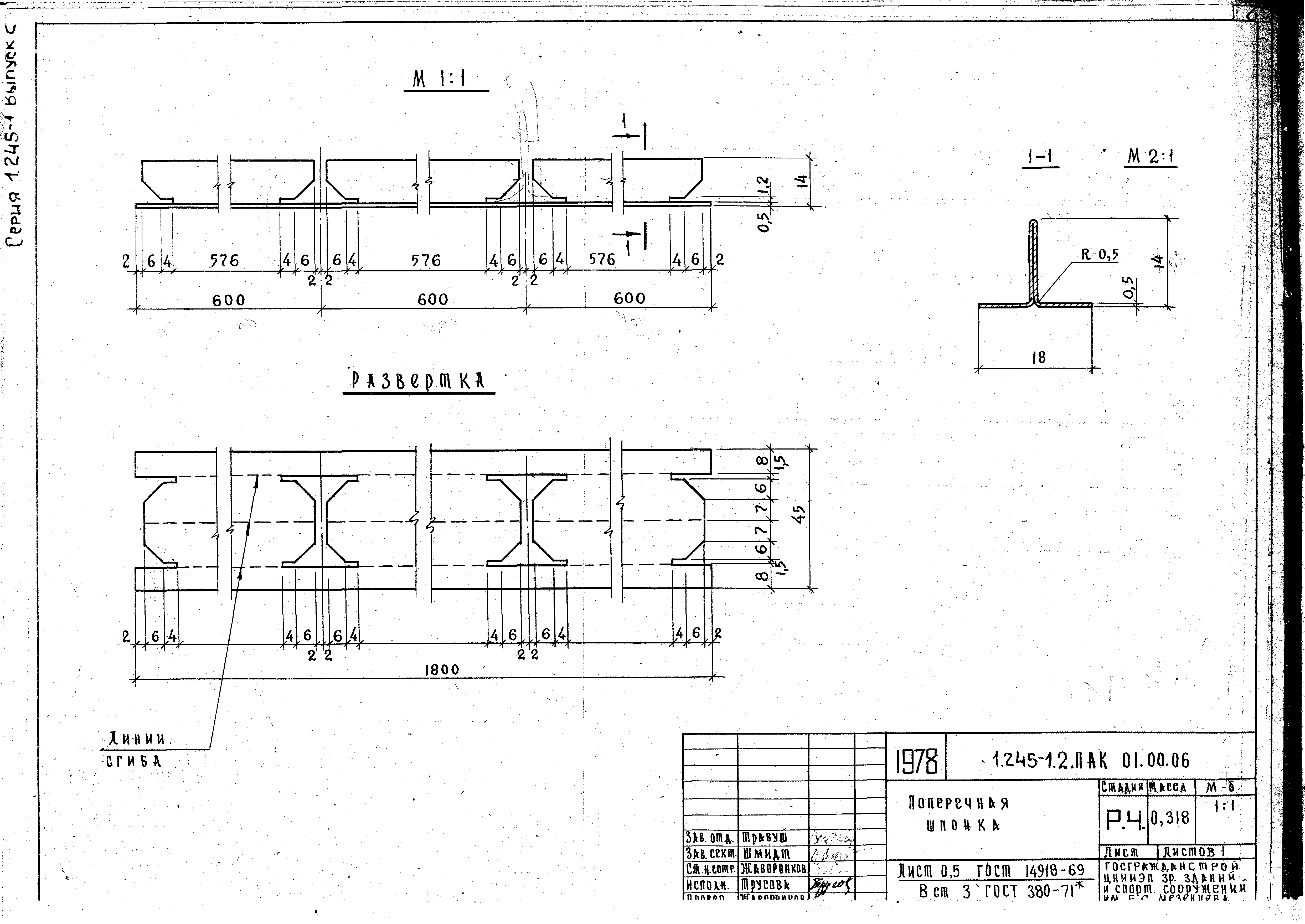
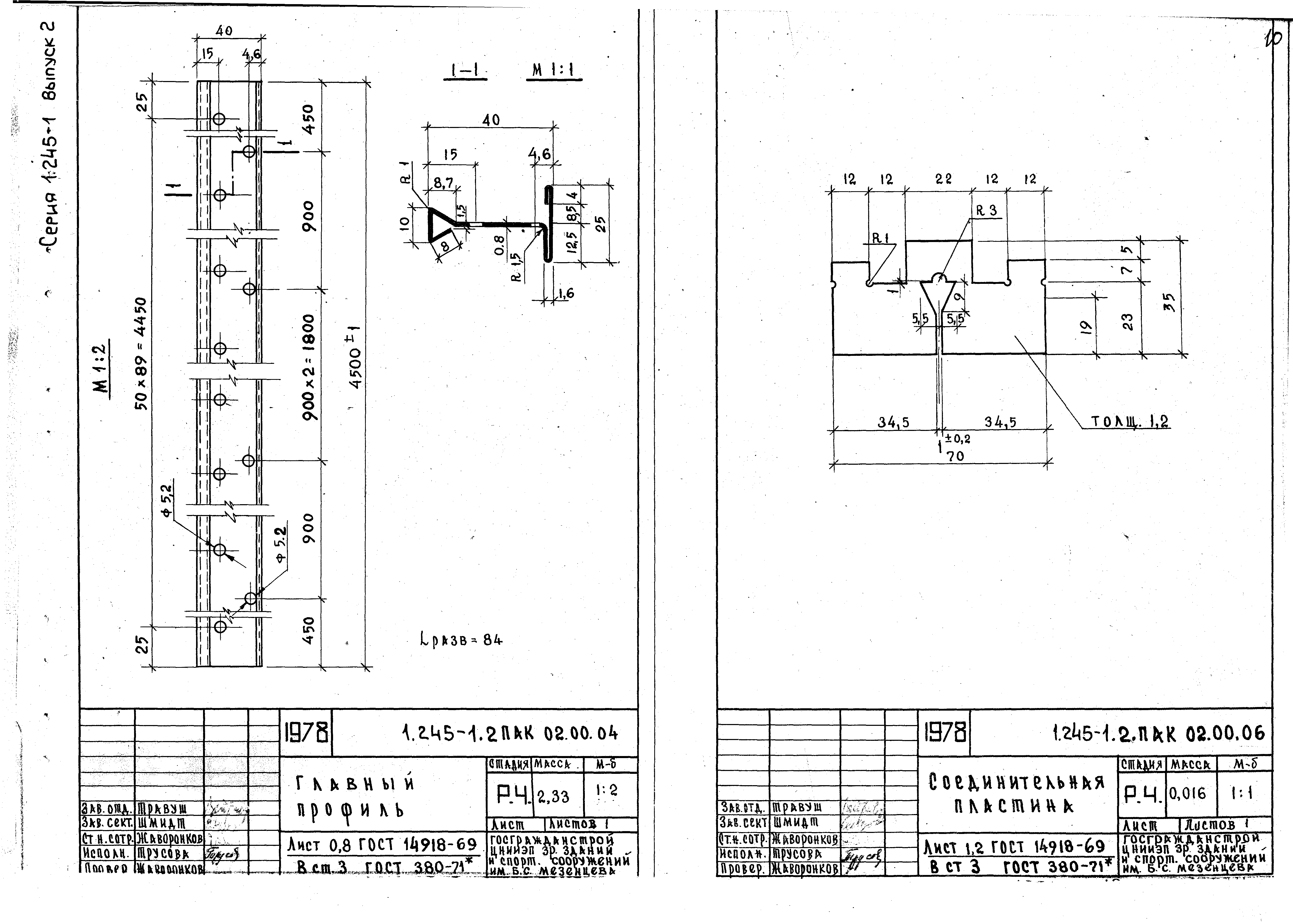
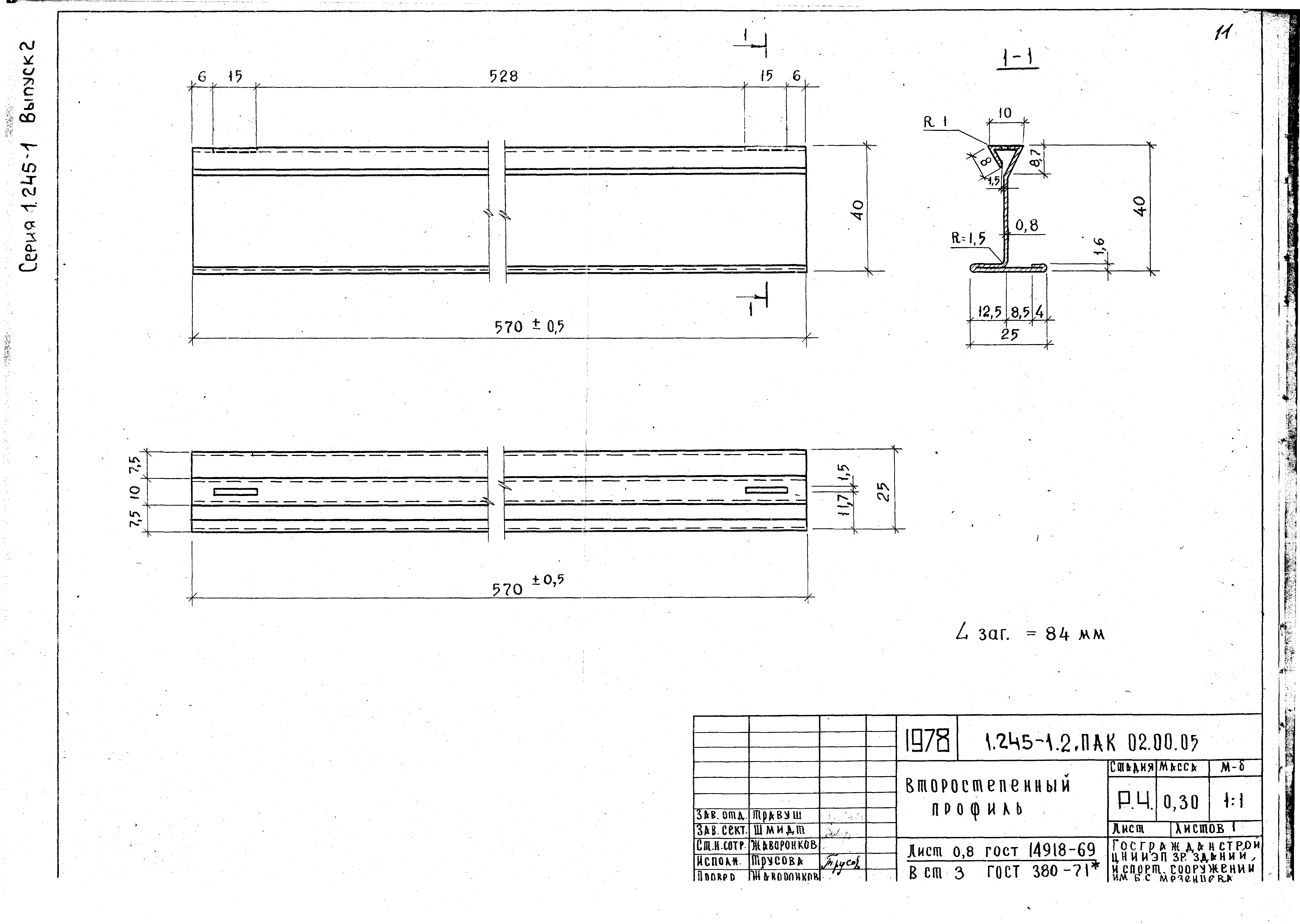
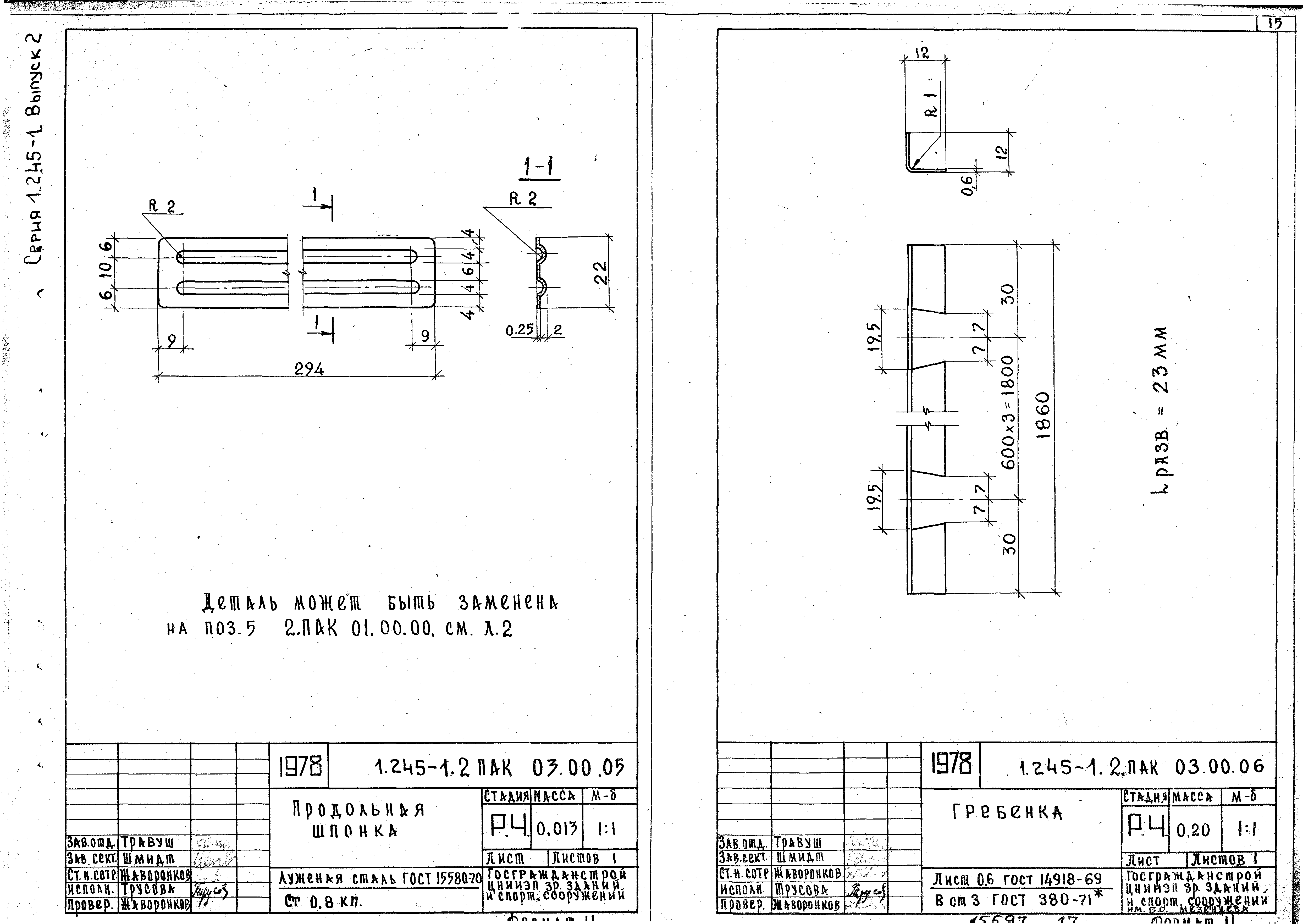
Скачать Серия 1.245-1 Выпуск 2. Подвесные потолки из плит АКМИГРАН или АКМИНИТ. Рабочие чертежиДата актуализации: 01.01.2021
|
| Обозначение: | Серия 1.245-1 |
| Обозначение англ: | Series 1.245-1 |
| Статус: | не действует |
| Название рус.: | Выпуск 2. Подвесные потолки из плит "АКМИГРАН" или "АКМИНИТ". Рабочие чертежи |
| Дата добавления в базу: | 01.09.2013 |
| Дата актуализации: | 01.01.2021 |
| Дата введения: | 01.10.1978 |
| Дата окончания срока действия: | 01.05.1988 |
| Разработан: | ЦНИИЭП зрелищных зданий и спортивных сооружений Госгражданстроя |
| Утверждён: | 15.08.1978 Государственный комитет по гражданскому строительству и архитектуре при Госстрое СССР (178) |























