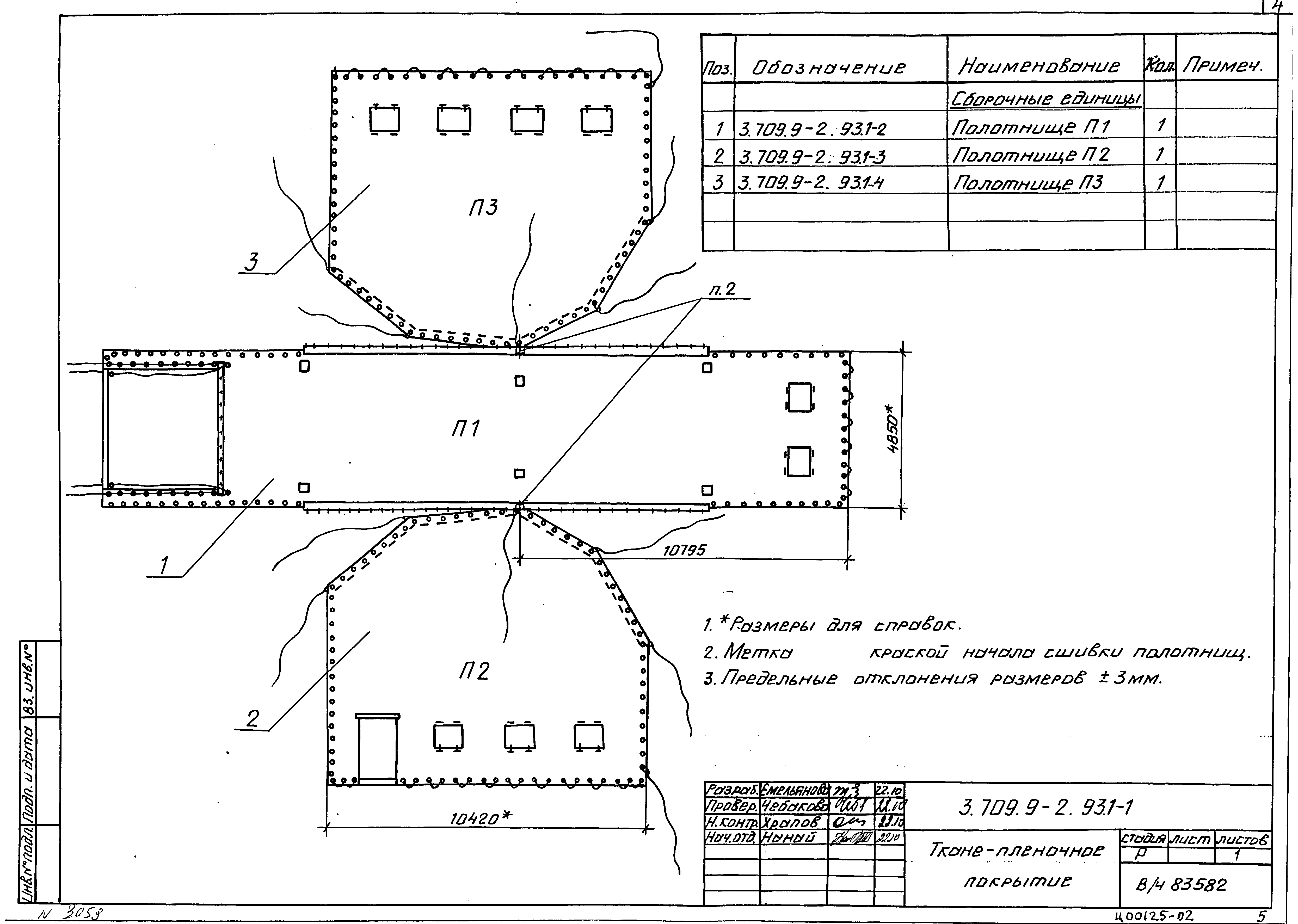
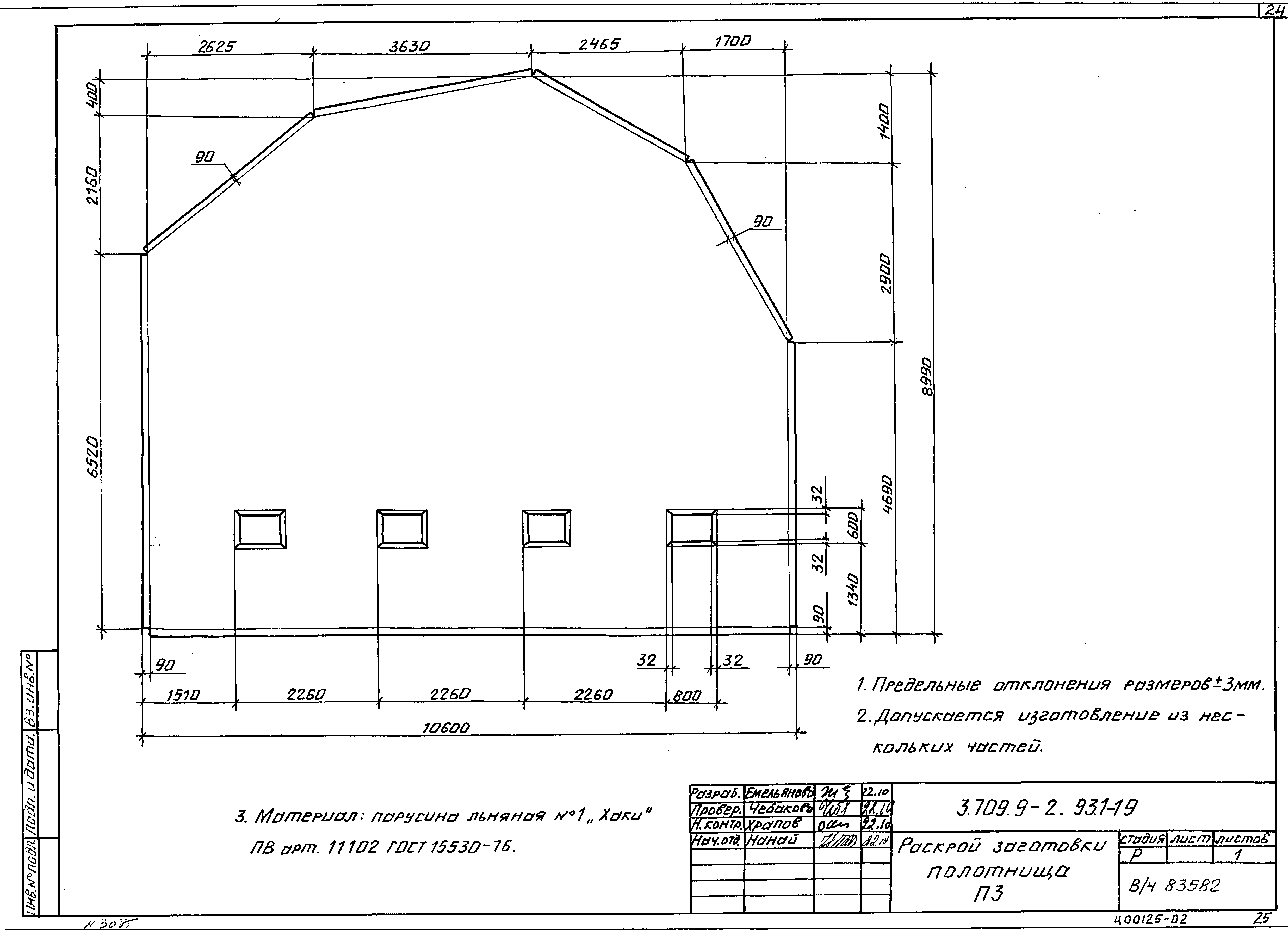
Скачать Серия 3.709.9-2.93 Выпуск 1. Ткане-пленочное покрытие. Настил. Рабочие чертежиДата актуализации: 01.01.2021 Серия 3.709.9-2.93
Выпуск 1. Ткане-пленочное покрытие. Настил. Рабочие чертежи| Обозначение: | Серия 3.709.9-2.93 | | Обозначение англ: | Series 3.709.9-2.93 | | Статус: | не определен законодательством | | Название рус.: | Выпуск 1. Ткане-пленочное покрытие. Настил. Рабочие чертежи | | Дата добавления в базу: | 01.09.2013 | | Дата актуализации: | 01.01.2021 | | Дата введения: | 01.01.1994 | | Дата окончания срока действия: | 30.06.2003 | | Разработан: | Войсковая часть 83582
| | Утверждён: | 29.11.1993 Госстрой России (Russian Federation Gosstroy 9-3-3/253)
|
                          
|