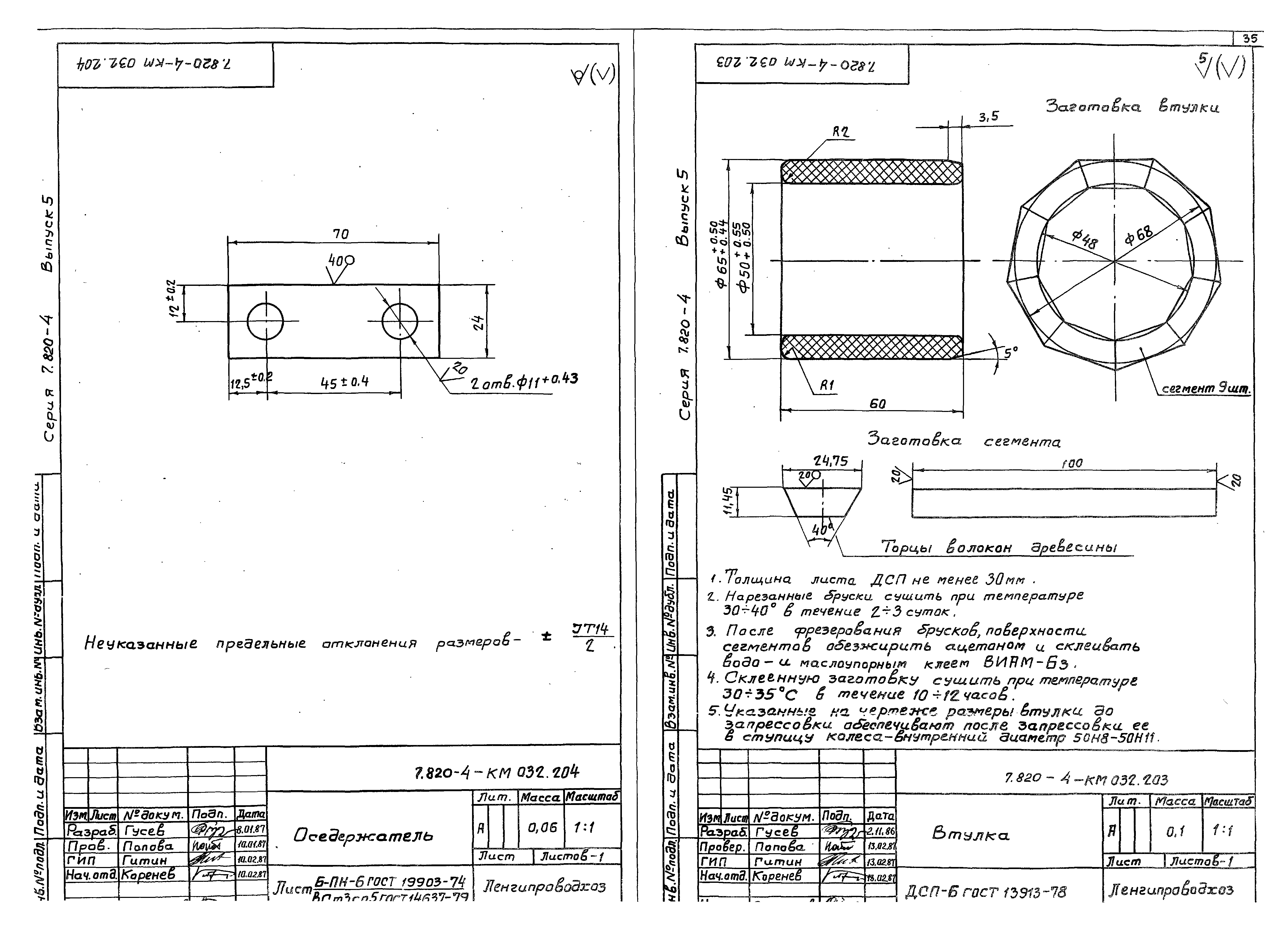
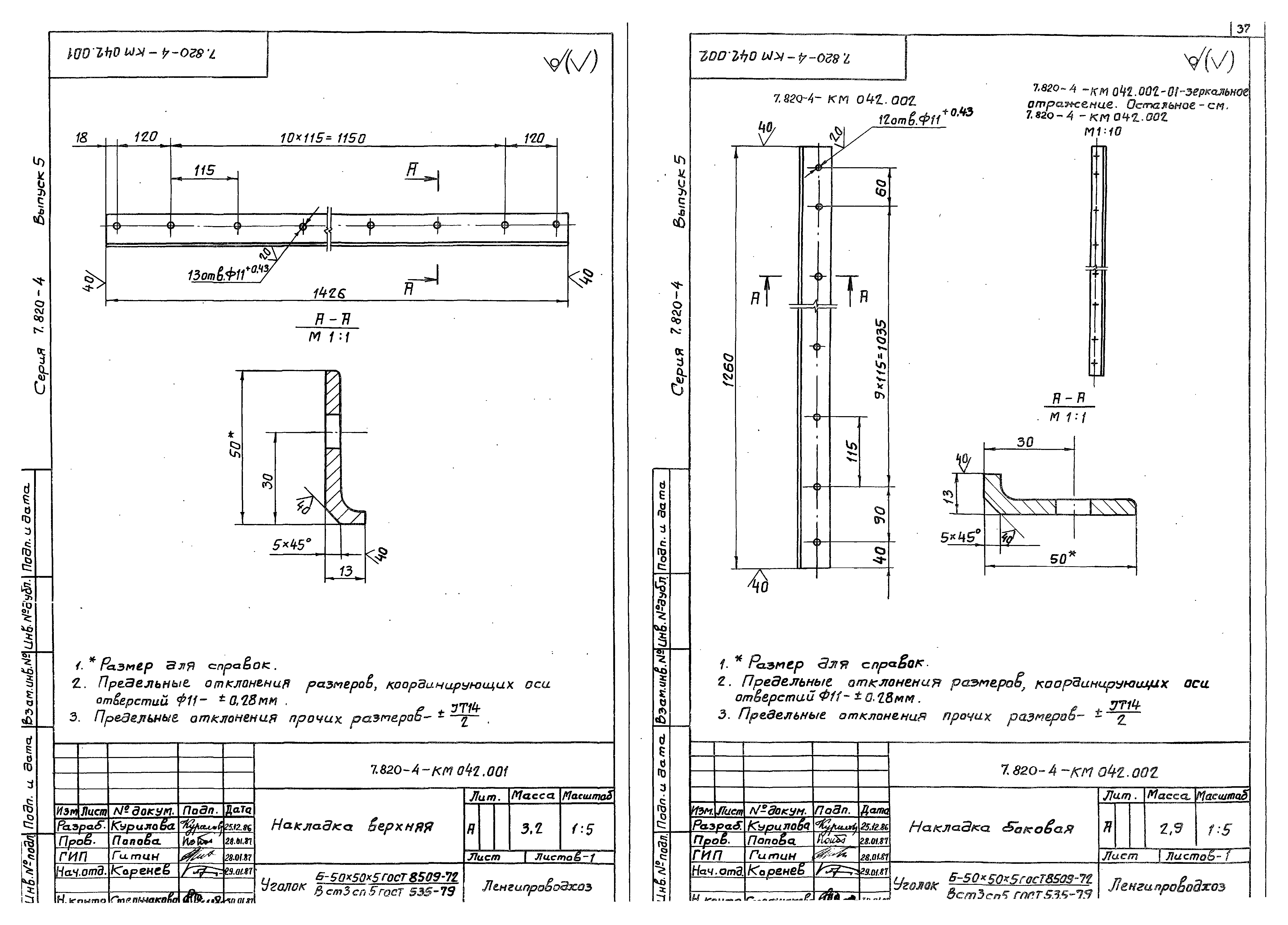
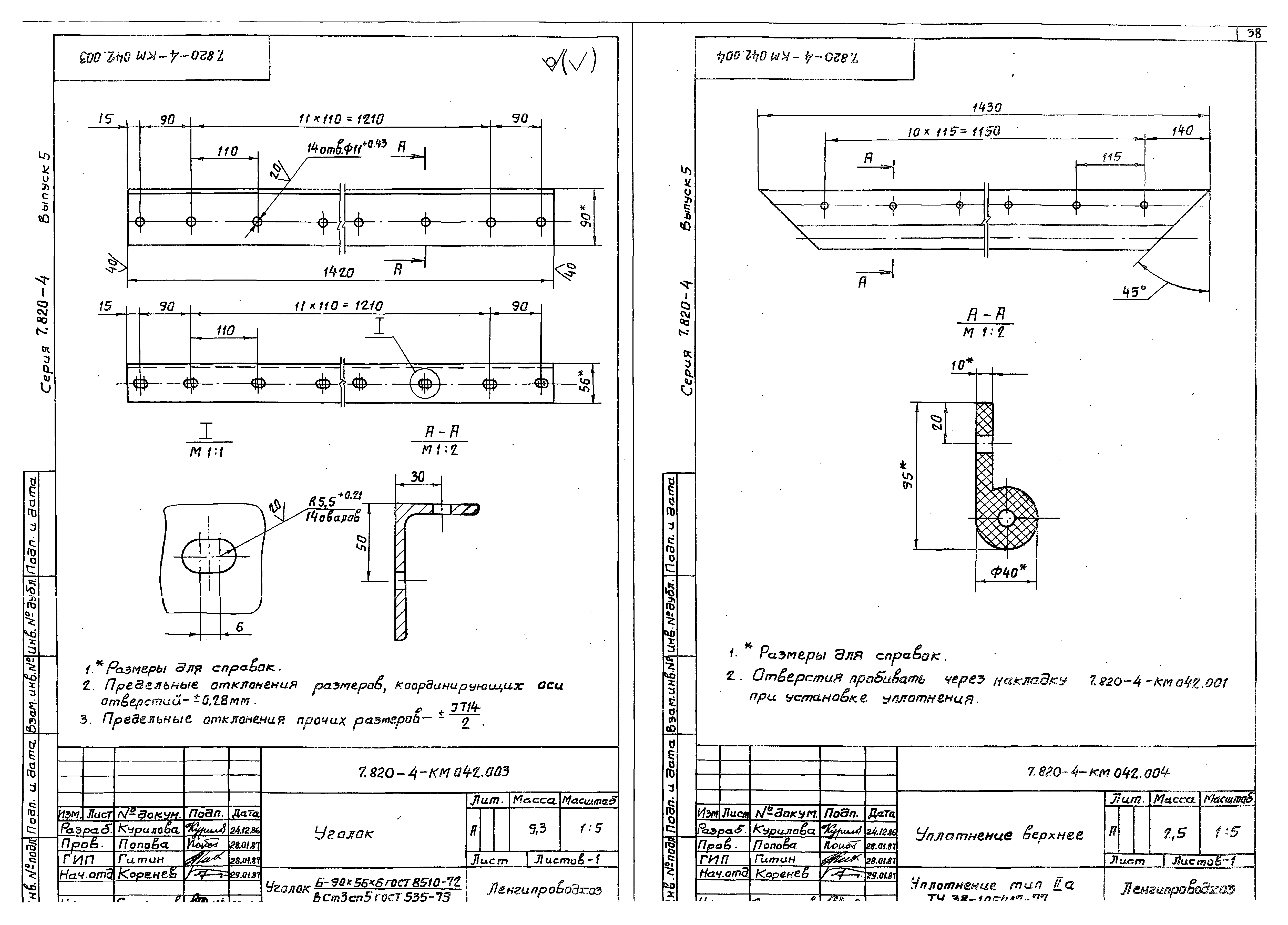
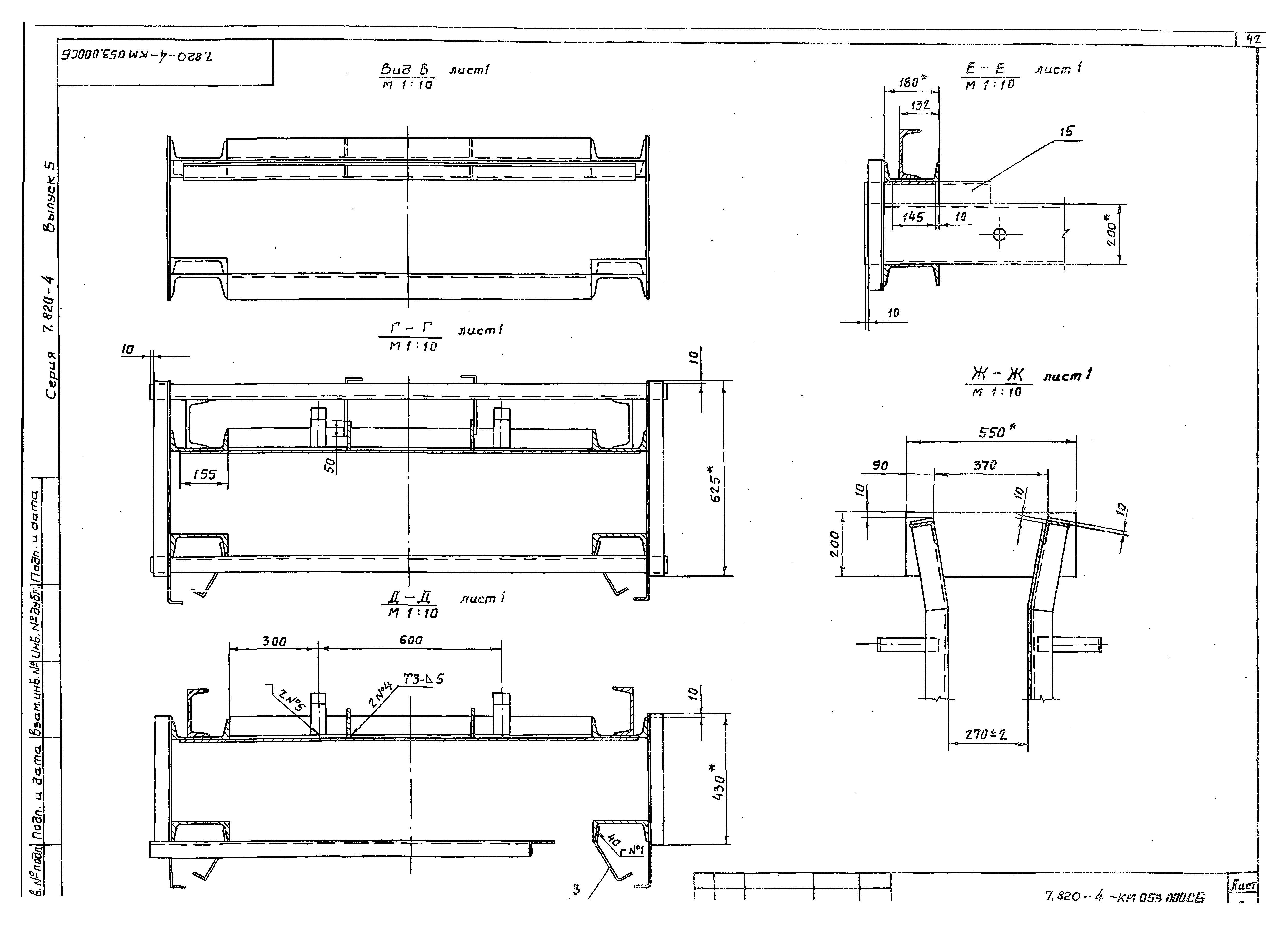
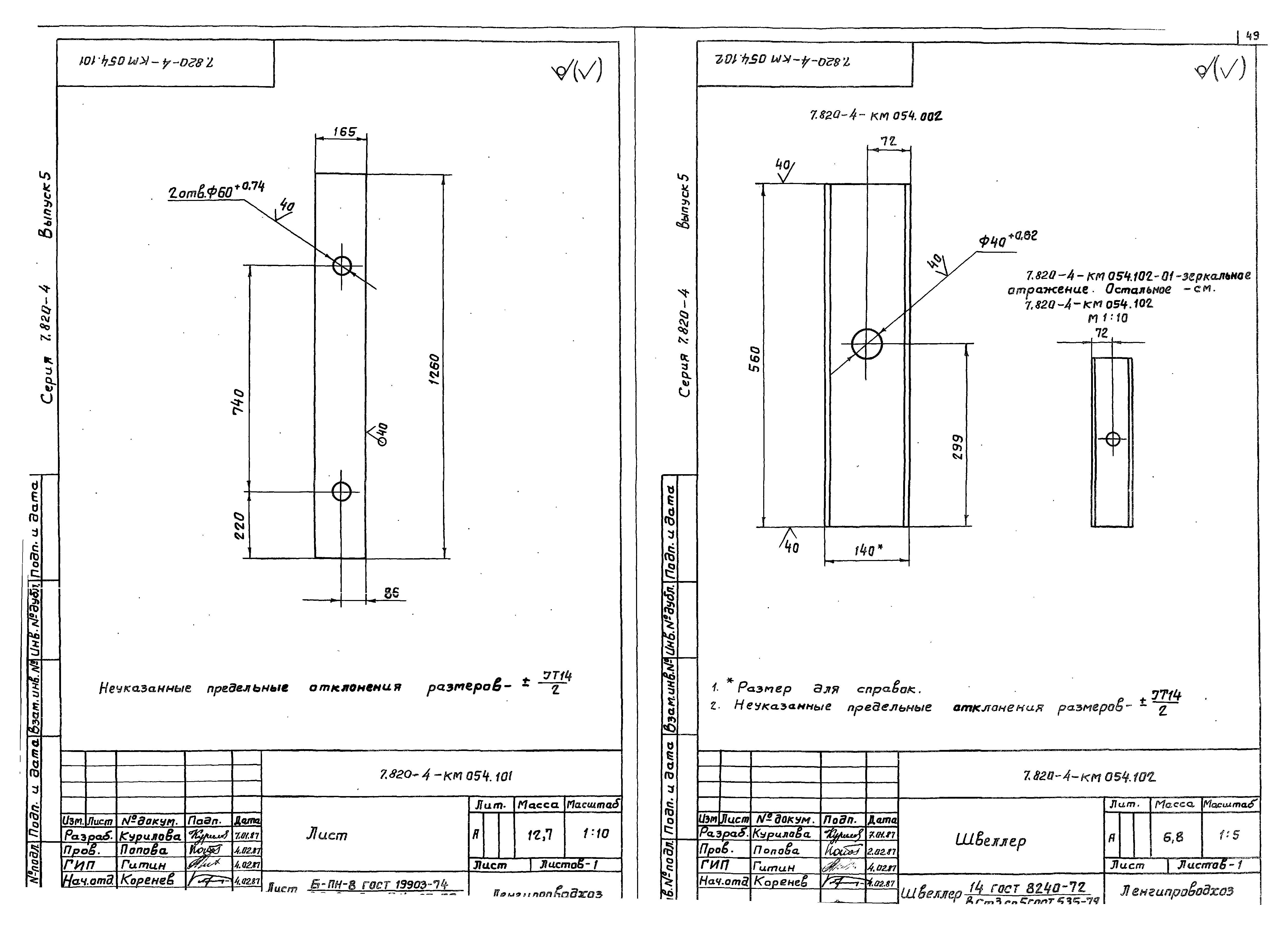
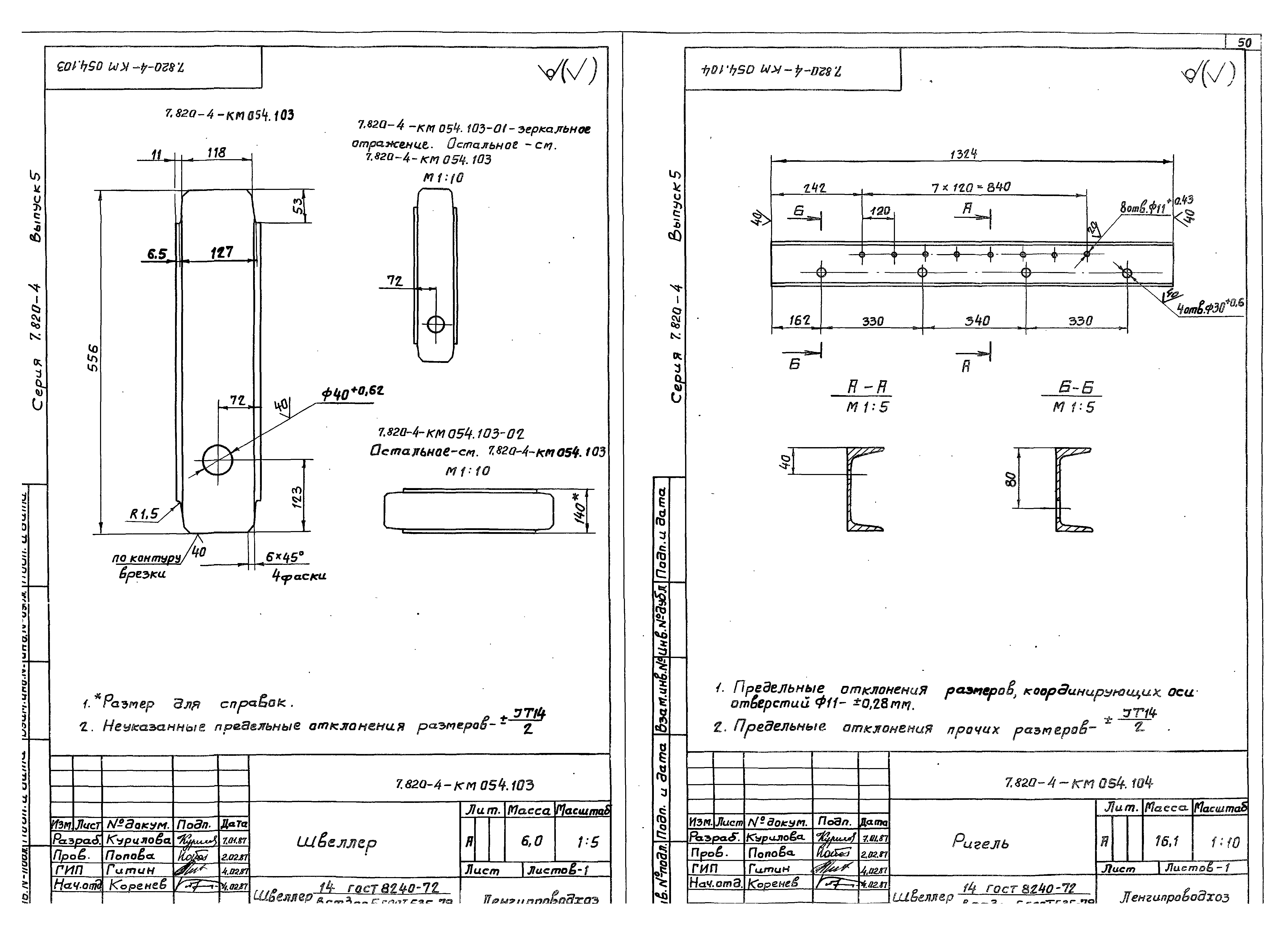
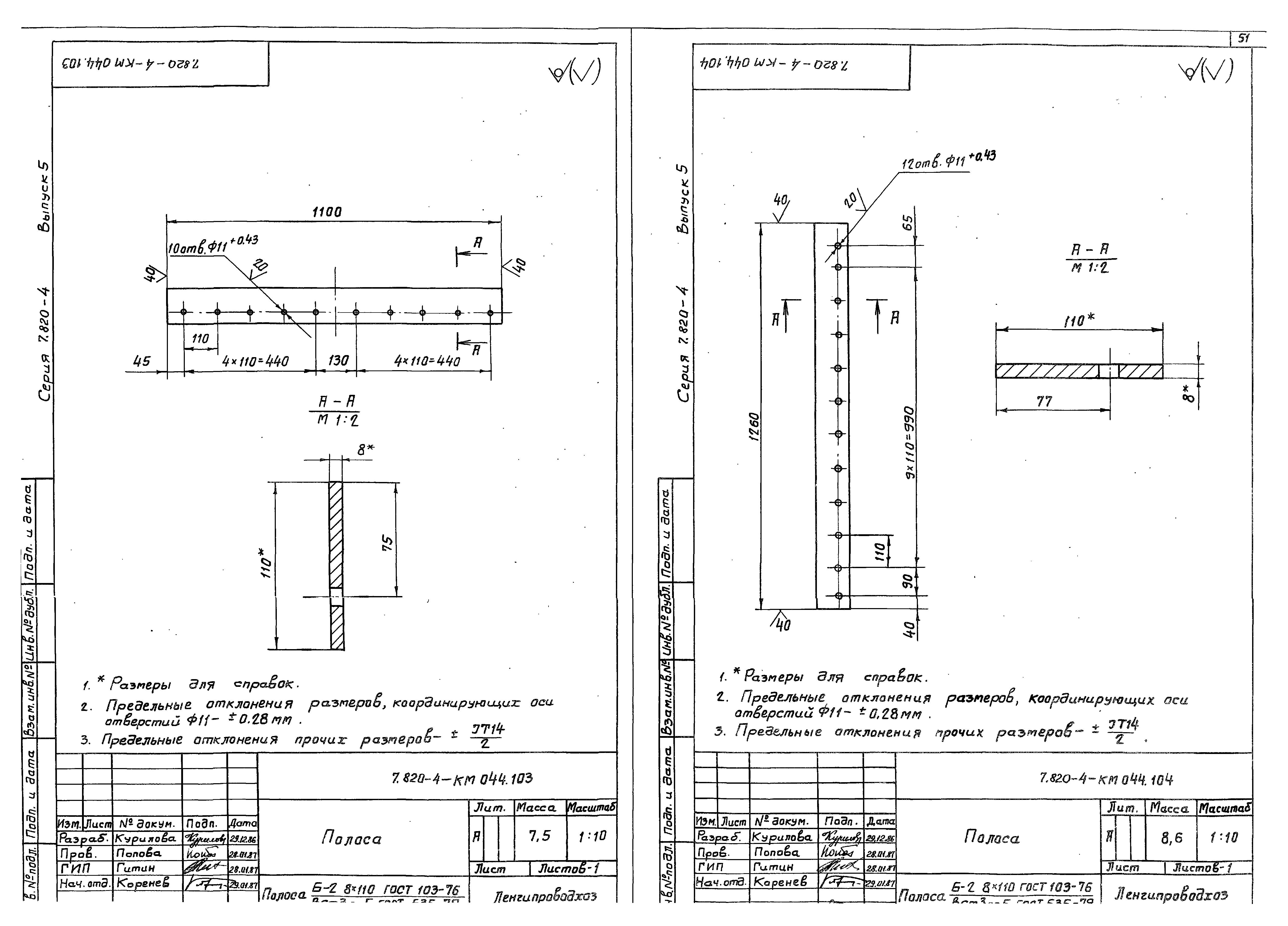
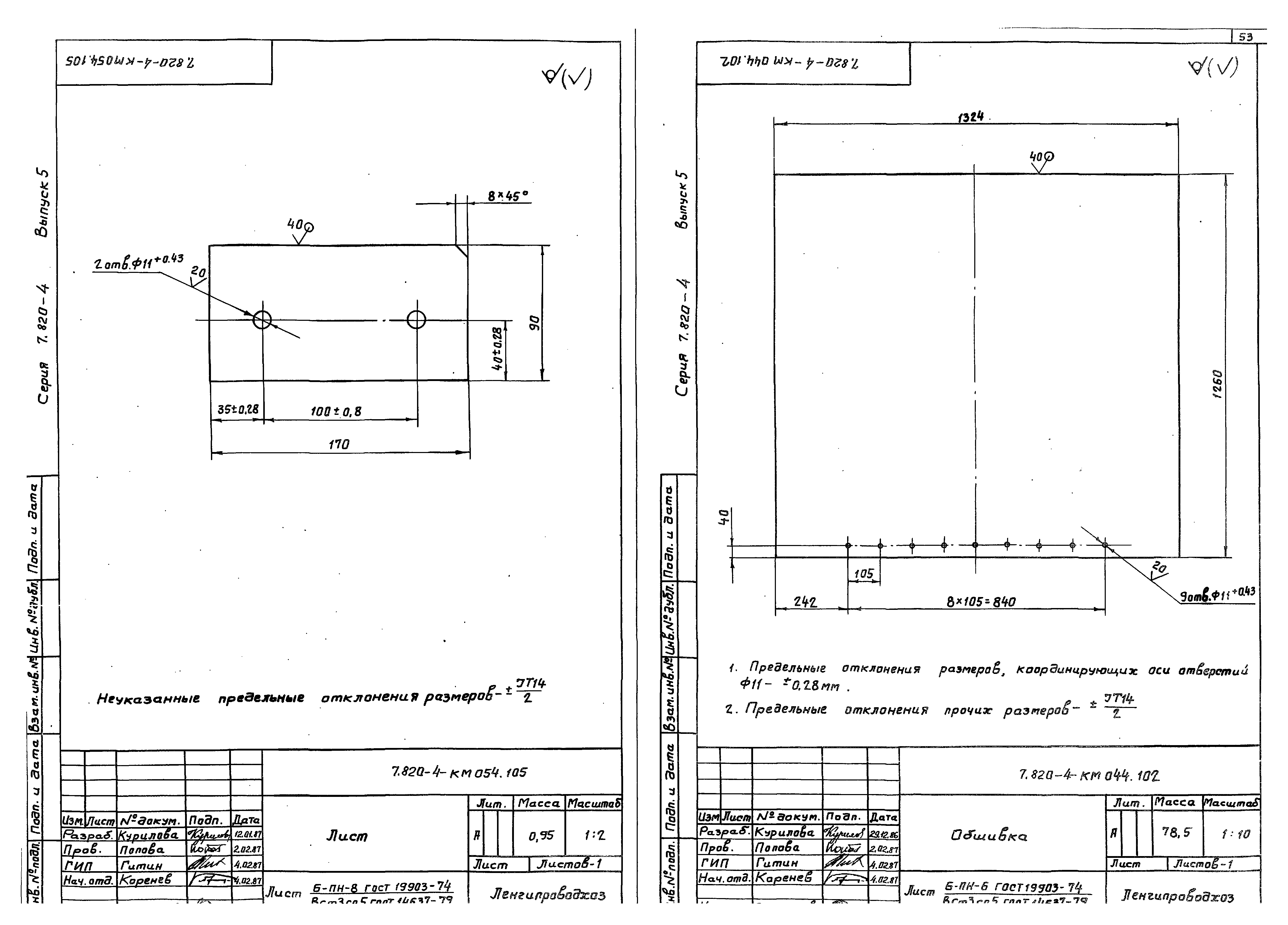
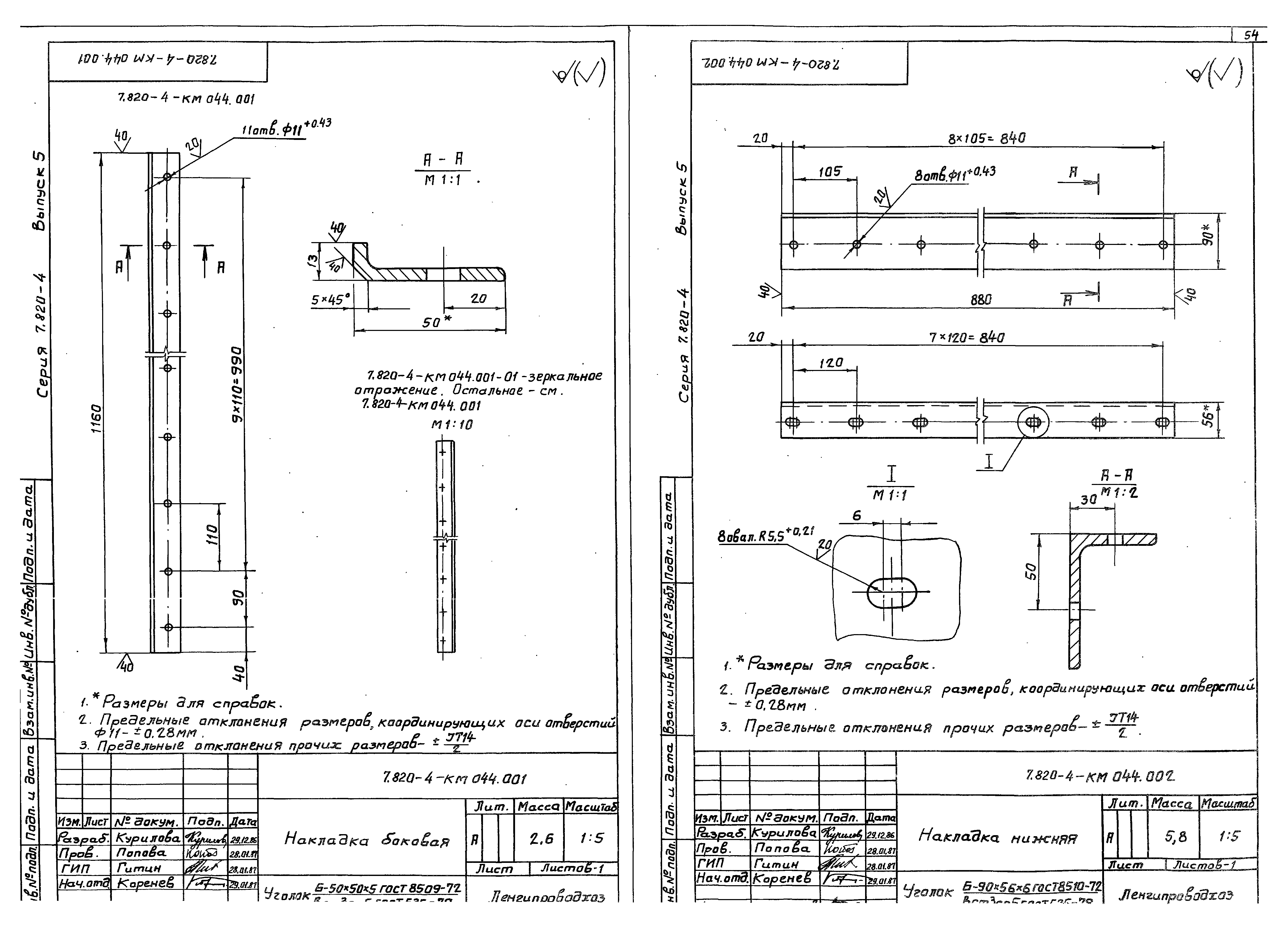
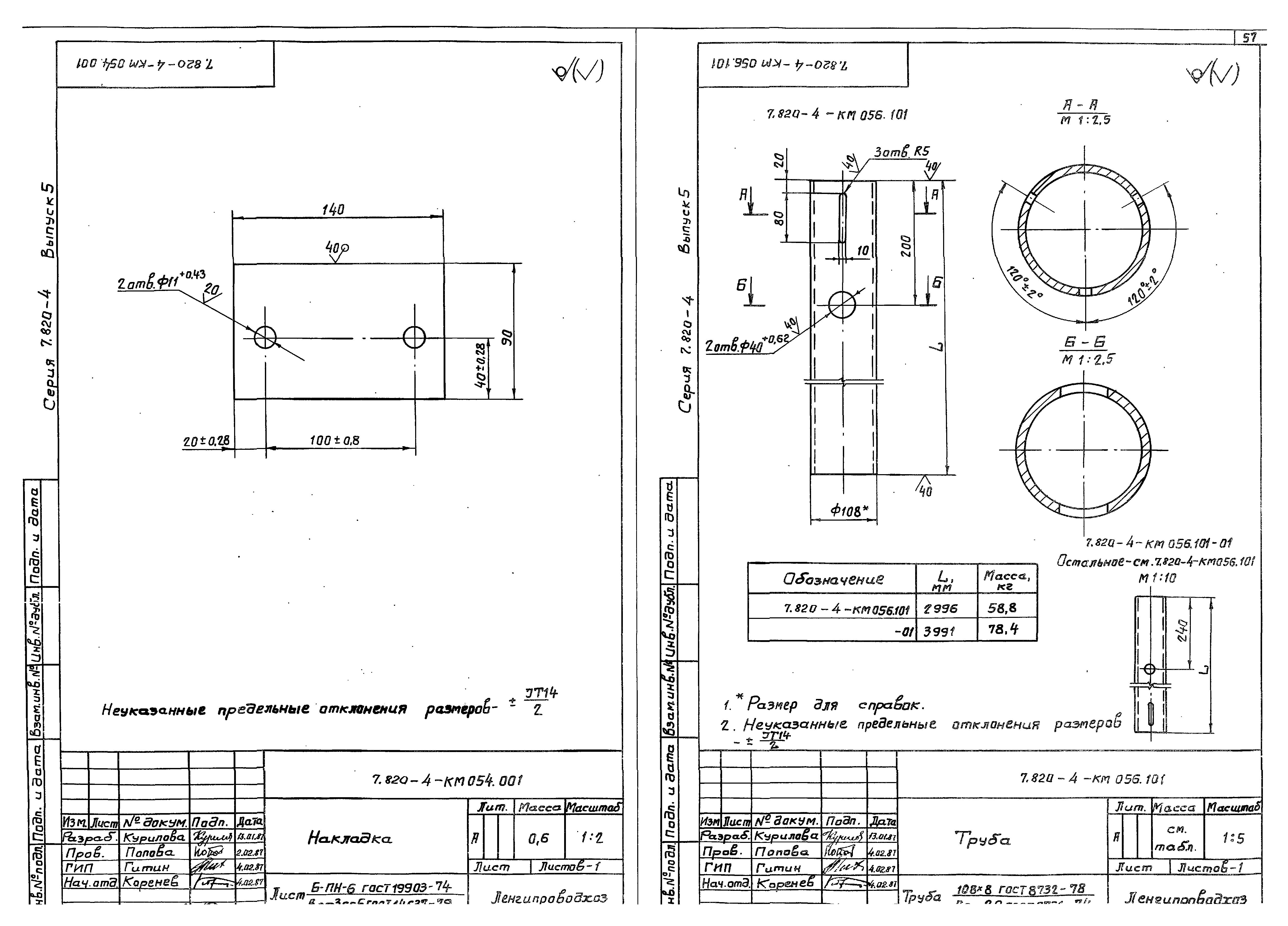
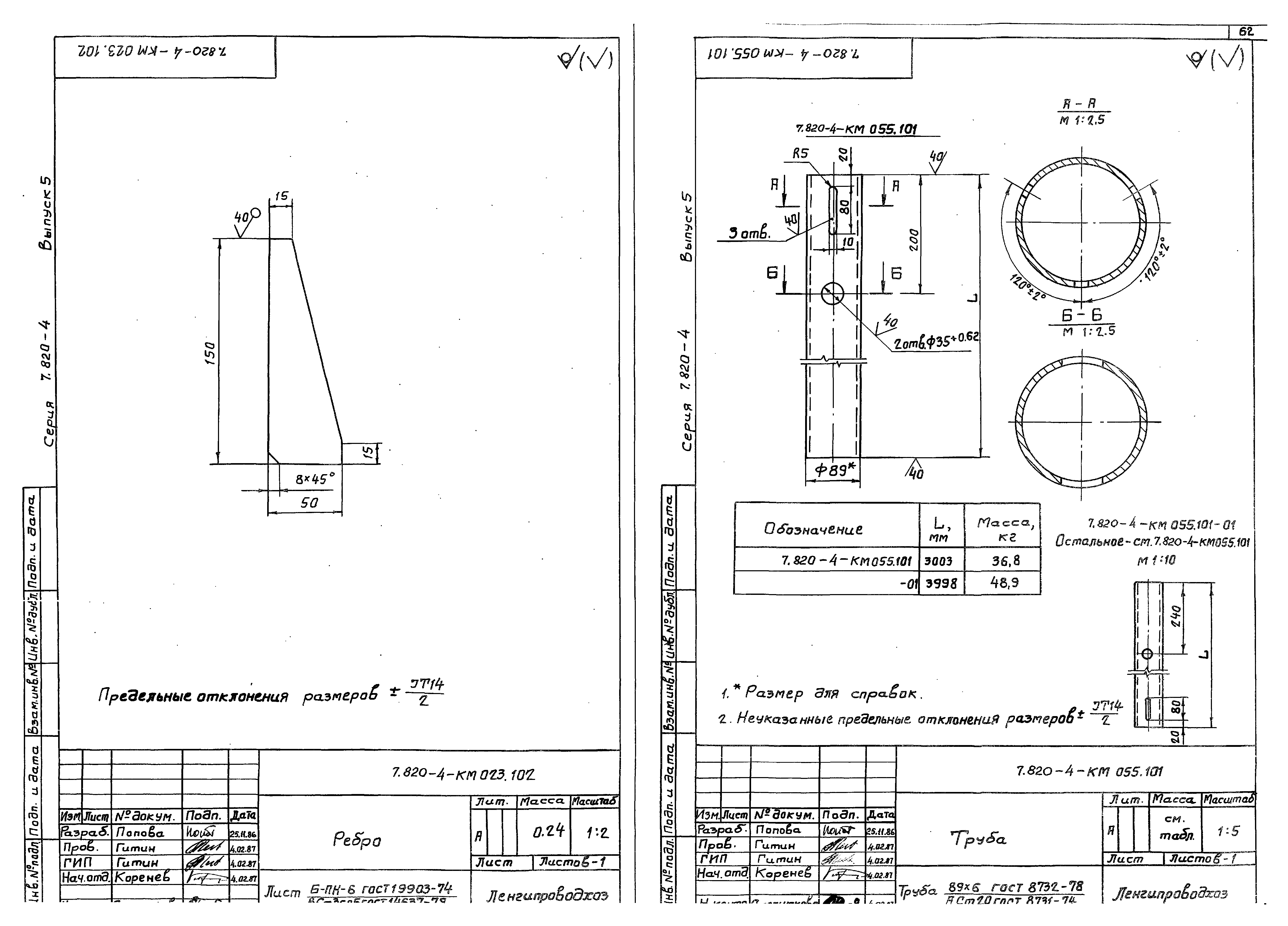
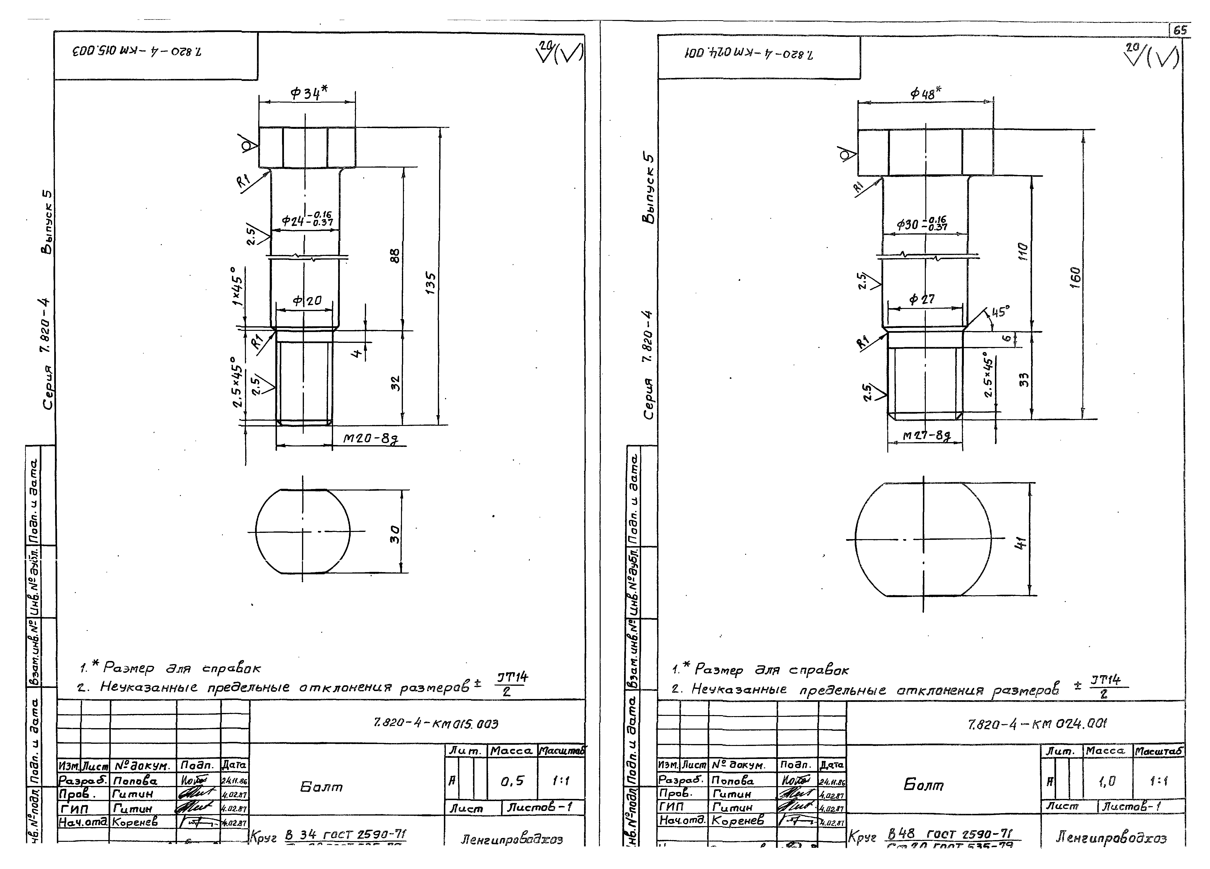
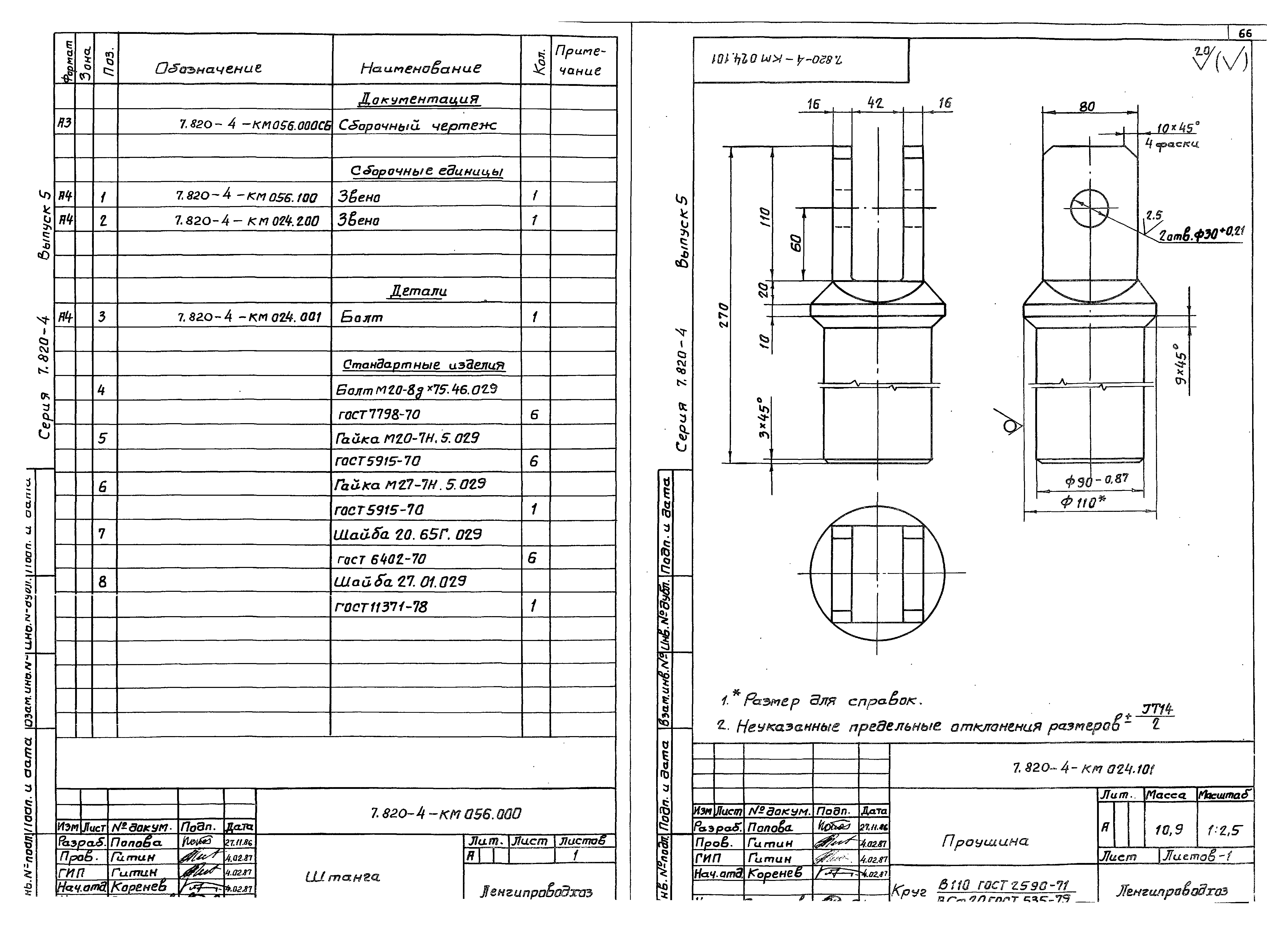
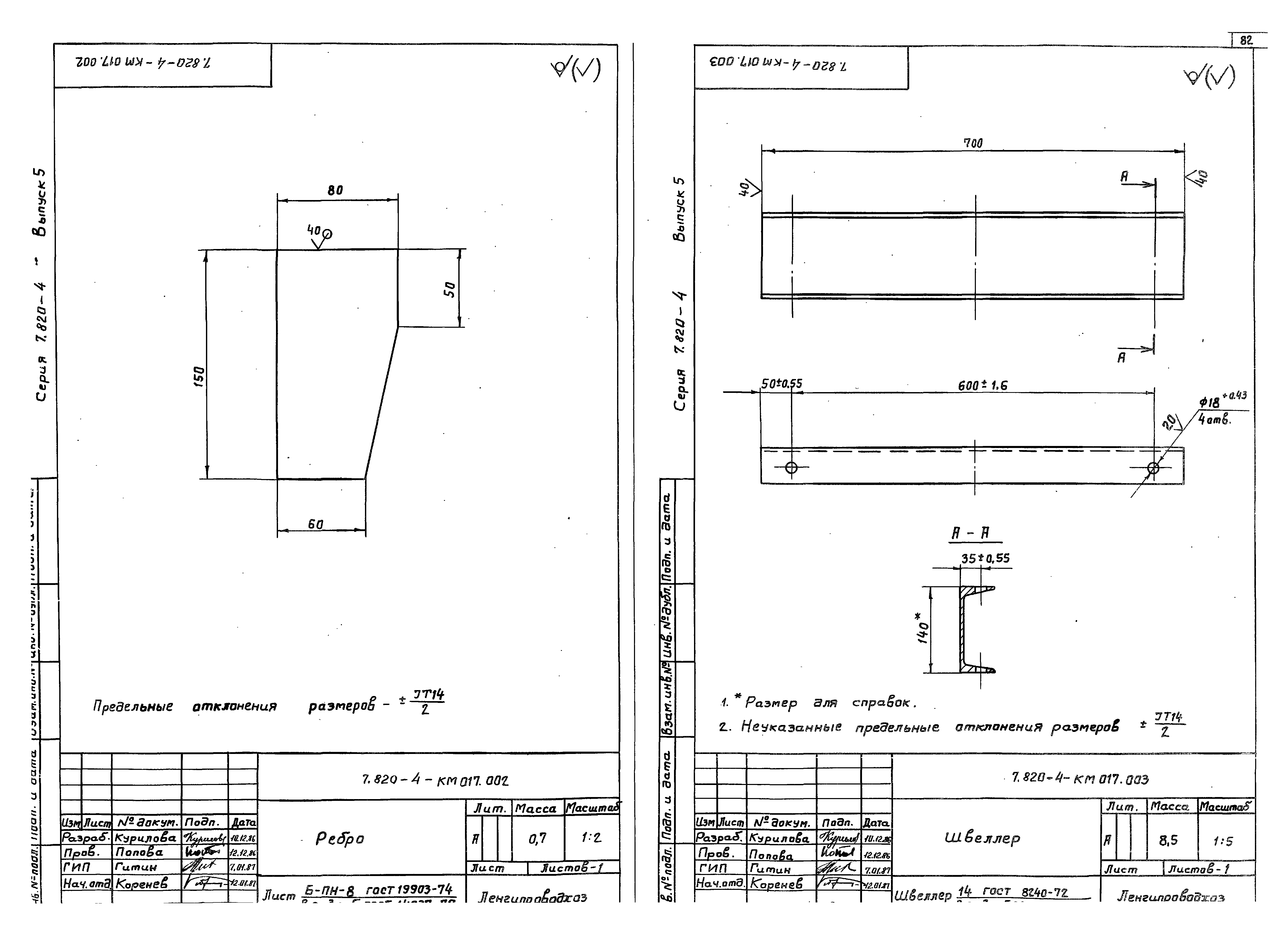
Скачать Серия 7.820-4 Выпуск 5. Затворы для перекрытия отверстий с напорной и безнапорной стороны диаметром 1,2 м при напоре 8 мДата актуализации: 01.01.2021 Серия 7.820-4
Выпуск 5. Затворы для перекрытия отверстий с напорной и безнапорной стороны диаметром 1,2 м при напоре 8 м| Обозначение: | Серия 7.820-4 | | Обозначение англ: | Series 7.820-4 | | Статус: | не определен законодательством | | Название рус.: | Выпуск 5. Затворы для перекрытия отверстий с напорной и безнапорной стороны диаметром 1,2 м при напоре 8 м | | Дата добавления в базу: | 01.09.2013 | | Дата актуализации: | 01.01.2021 | | Дата введения: | 01.06.1988 | | Дата окончания срока действия: | 30.06.2003 | | Разработан: | Ленгипроводхоз Минводхоза СССР
| | Утверждён: | 30.11.1987 Минводхоз СССР (USSR Minvodkhoz 563)
|
                                                                                           
|