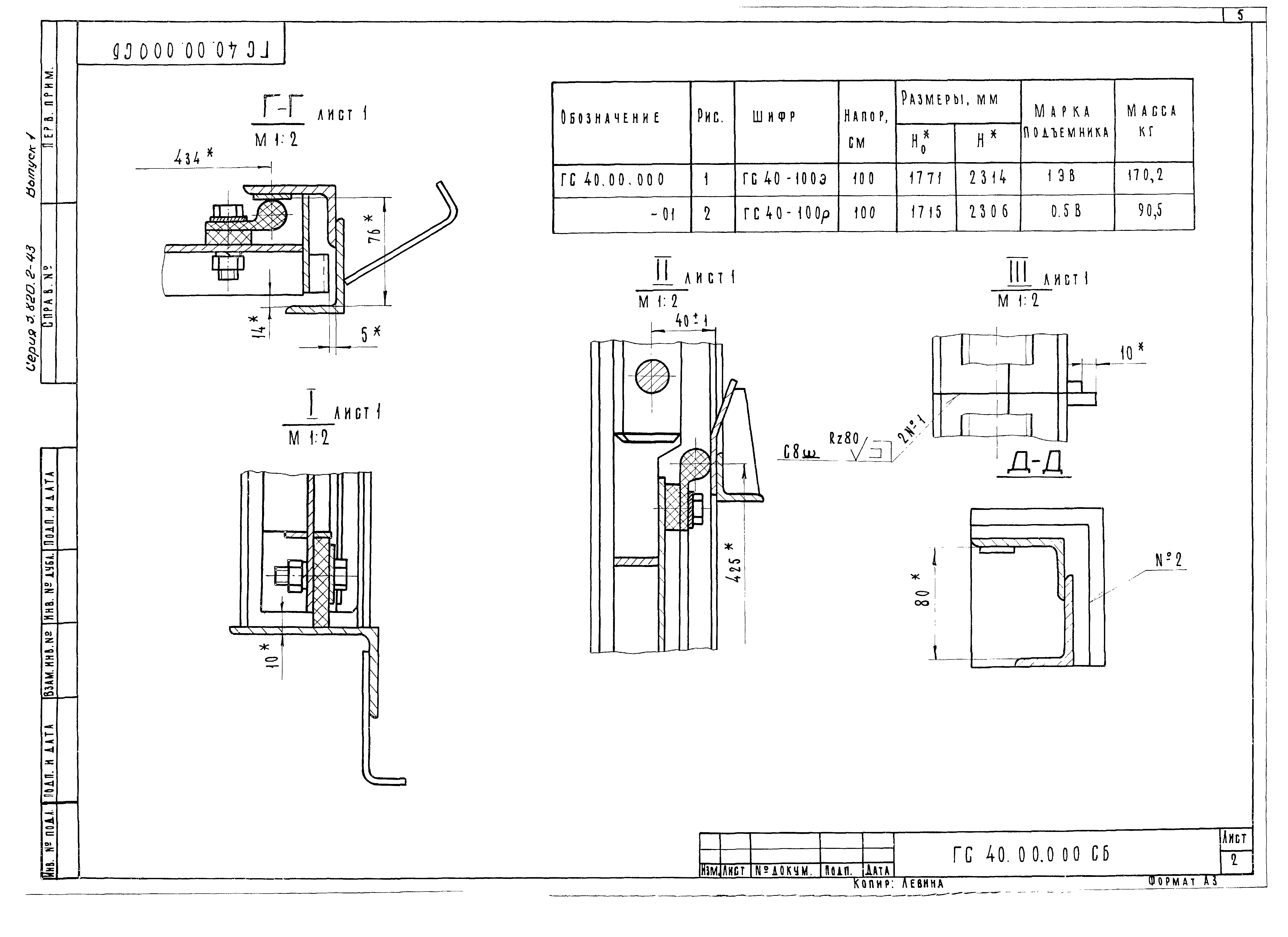
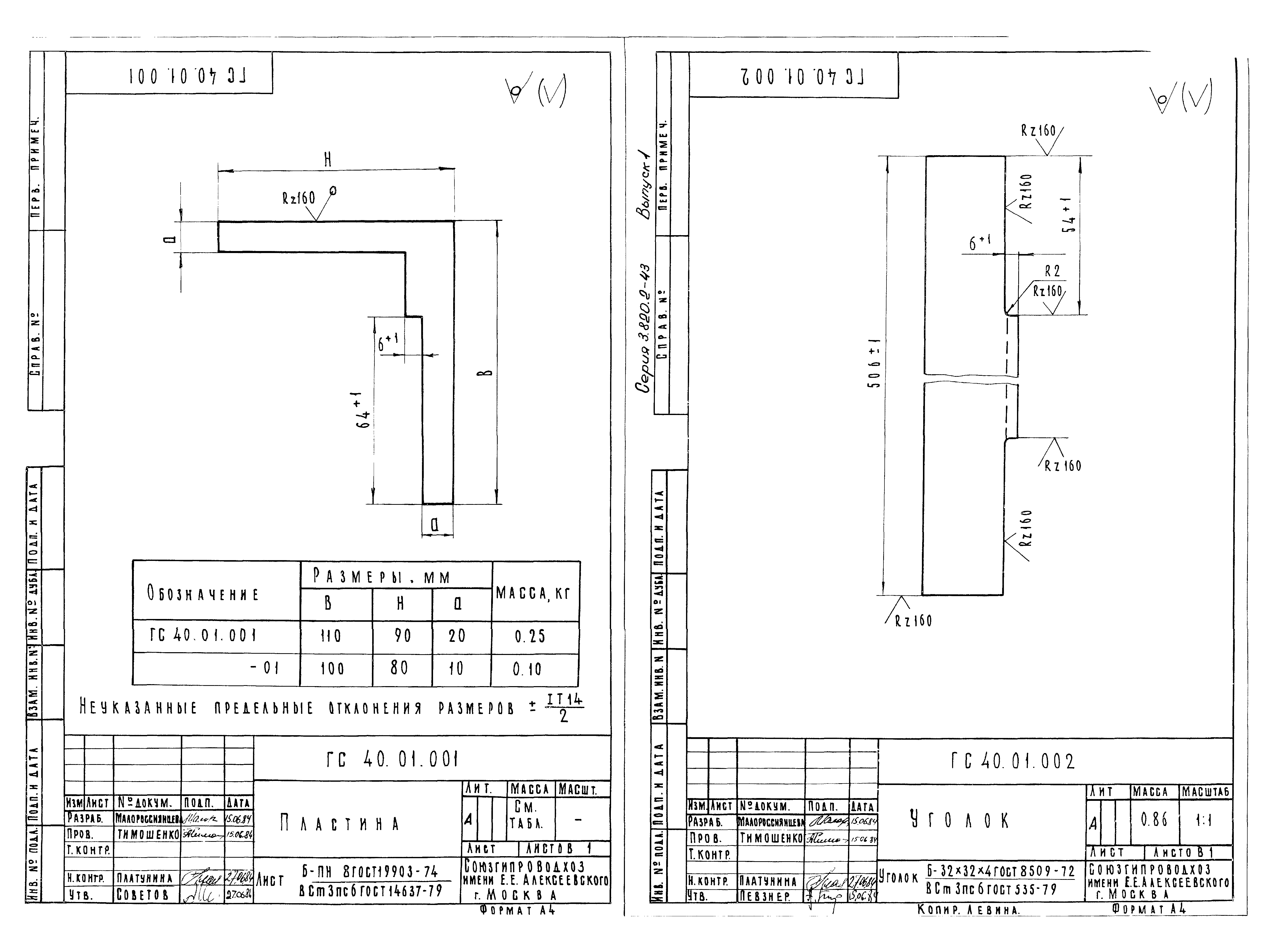
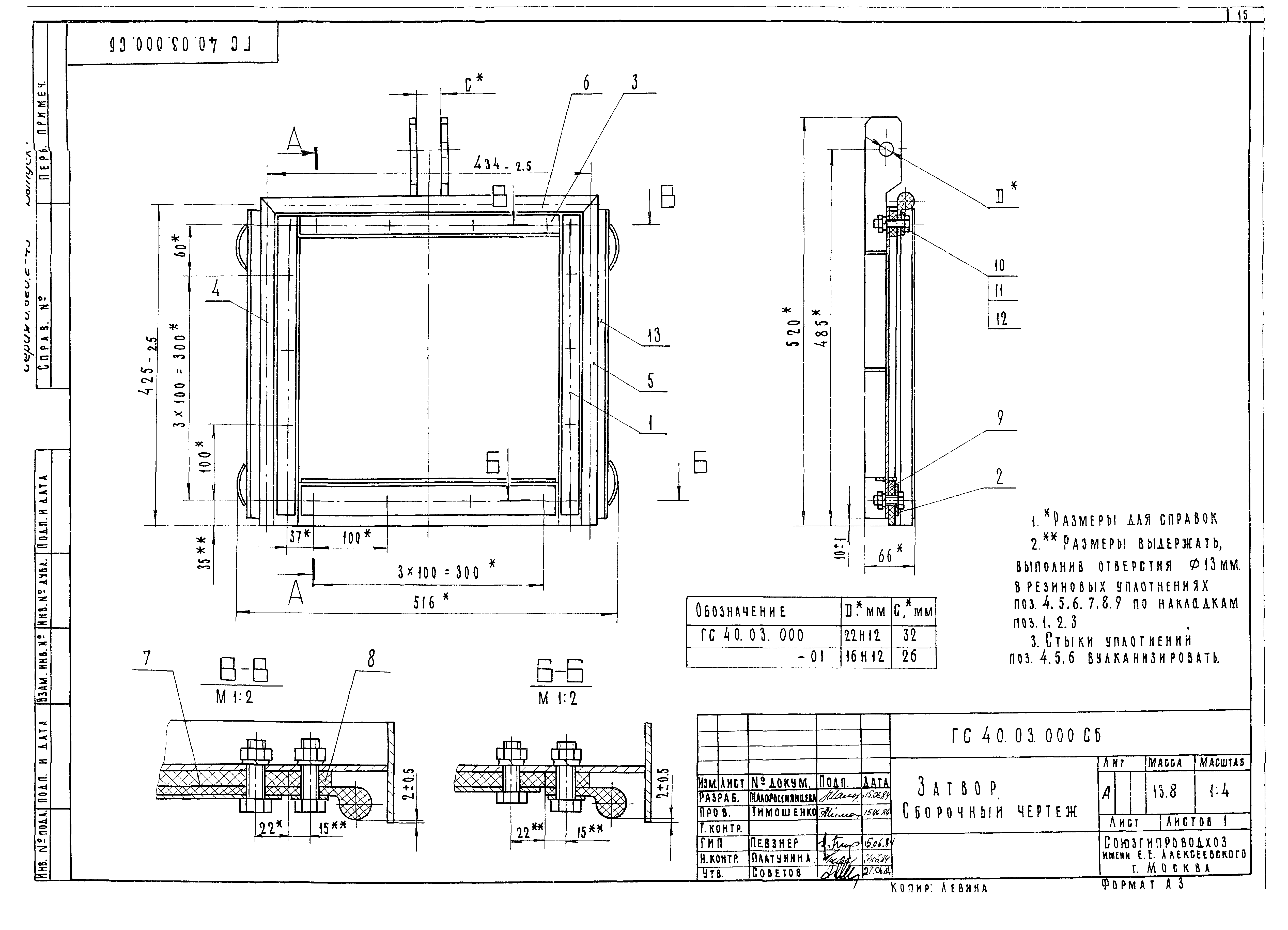
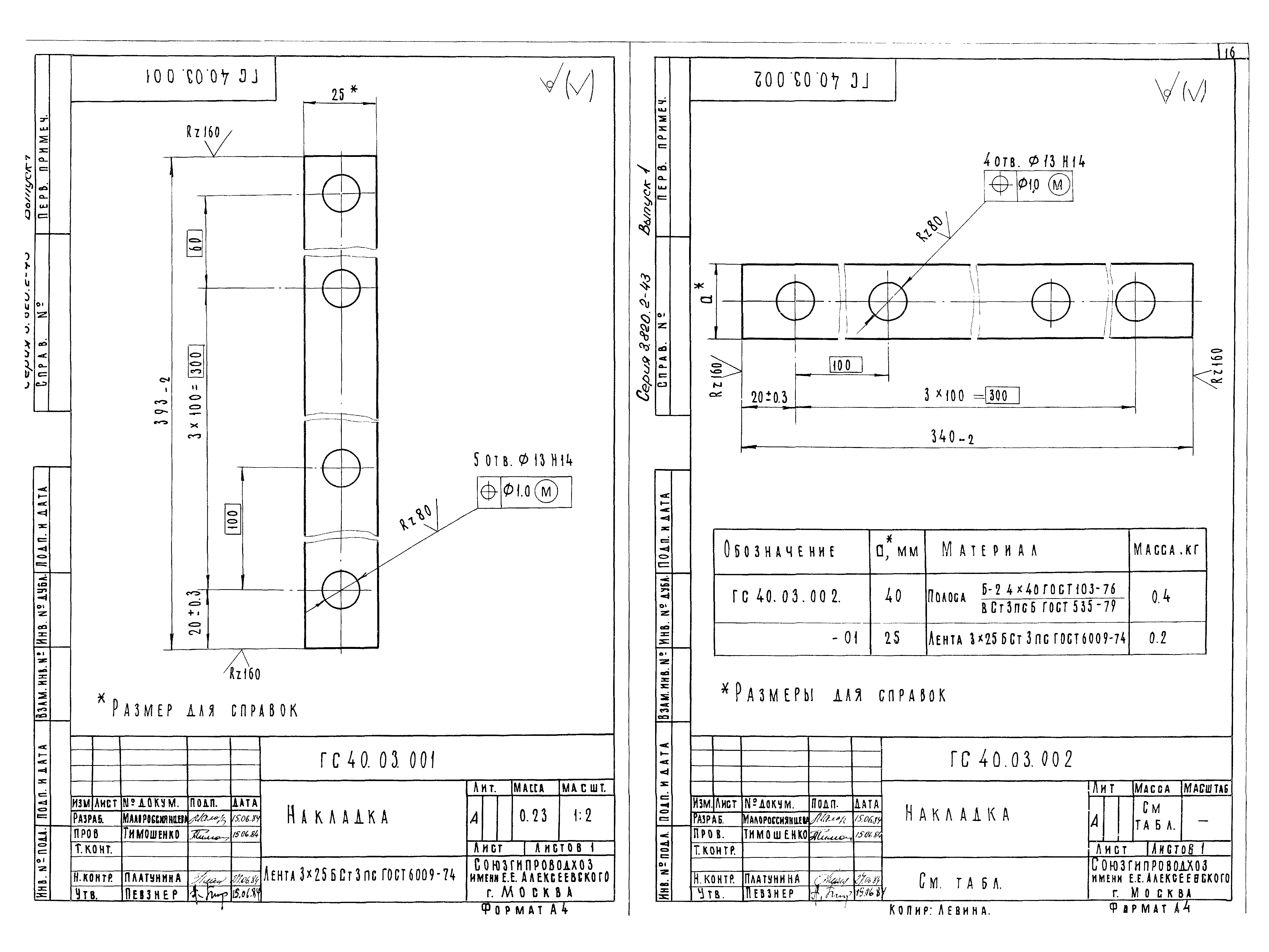
Скачать Серия 3.820.2-43 Выпуск 1. Рабочие чертежи затвора ГС 40-100Дата актуализации: 01.01.2021
|
| Обозначение: | Серия 3.820.2-43 |
| Обозначение англ: | Series 3.820.2-43 |
| Статус: | не определен законодательством |
| Название рус.: | Выпуск 1. Рабочие чертежи затвора ГС 40-100 |
| Дата добавления в базу: | 01.09.2013 |
| Дата актуализации: | 01.01.2021 |
| Дата введения: | 01.01.1985 |
| Дата окончания срока действия: | 30.06.2003 |
| Разработан: | Союзгипроводхоз Минводхоза СССР |
| Утверждён: | 19.03.1984 Минводхоз РСФСР (Russian Federation Minvodkhoz 558) |






















