Скачать Серия 3.402-24 Выпуск 1. Фундаменты под насосы с электродвигателями. Рабочие чертежиДата актуализации: 01.01.2021
|
| Обозначение: | Серия 3.402-24 |
| Обозначение англ: | Series 3.402-24 |
| Статус: | не определен законодательством |
| Название рус.: | Выпуск 1. Фундаменты под насосы с электродвигателями. Рабочие чертежи |
| Дата добавления в базу: | 01.09.2013 |
| Дата актуализации: | 01.01.2021 |
| Дата введения: | 01.05.1978 |
| Дата окончания срока действия: | 30.06.2003 |
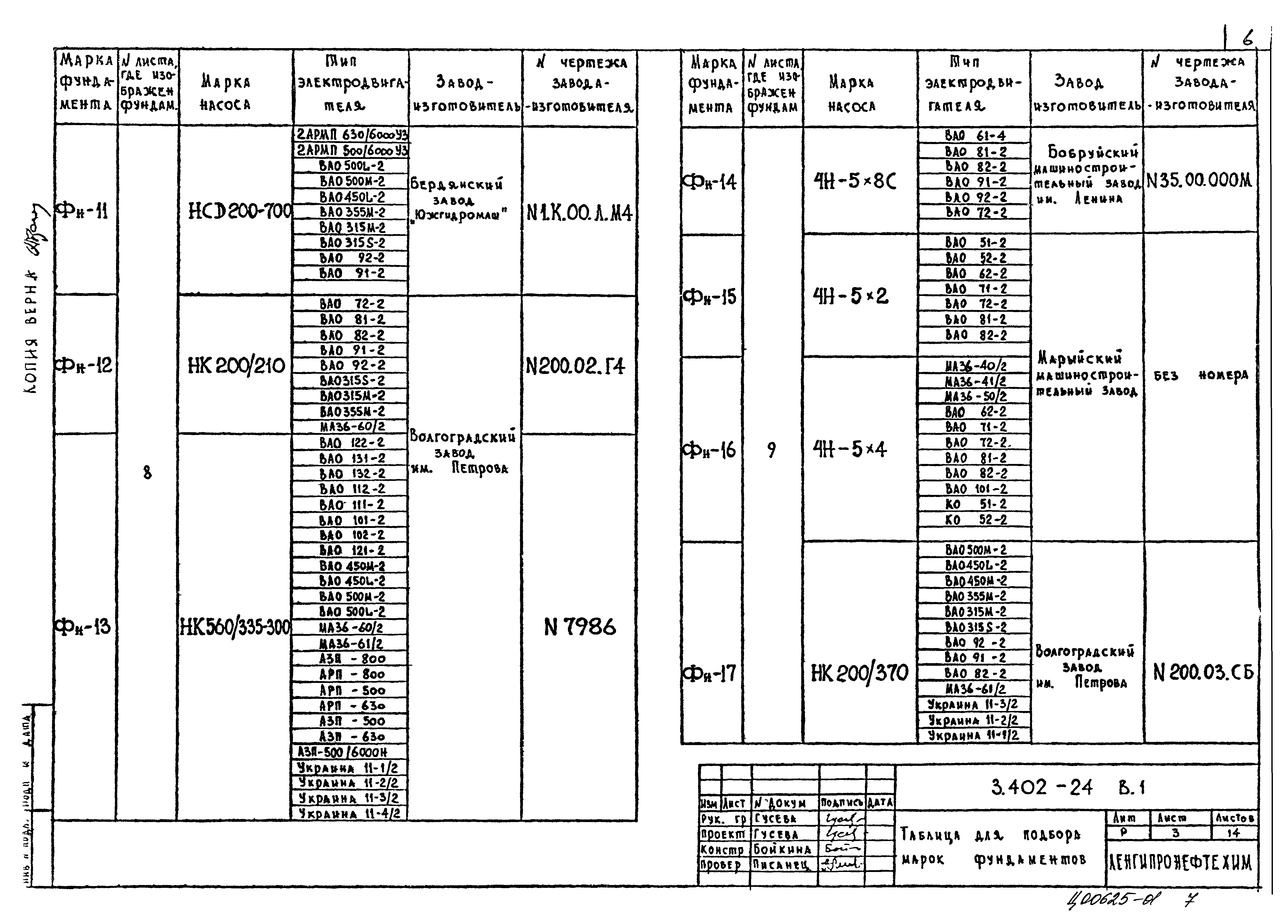
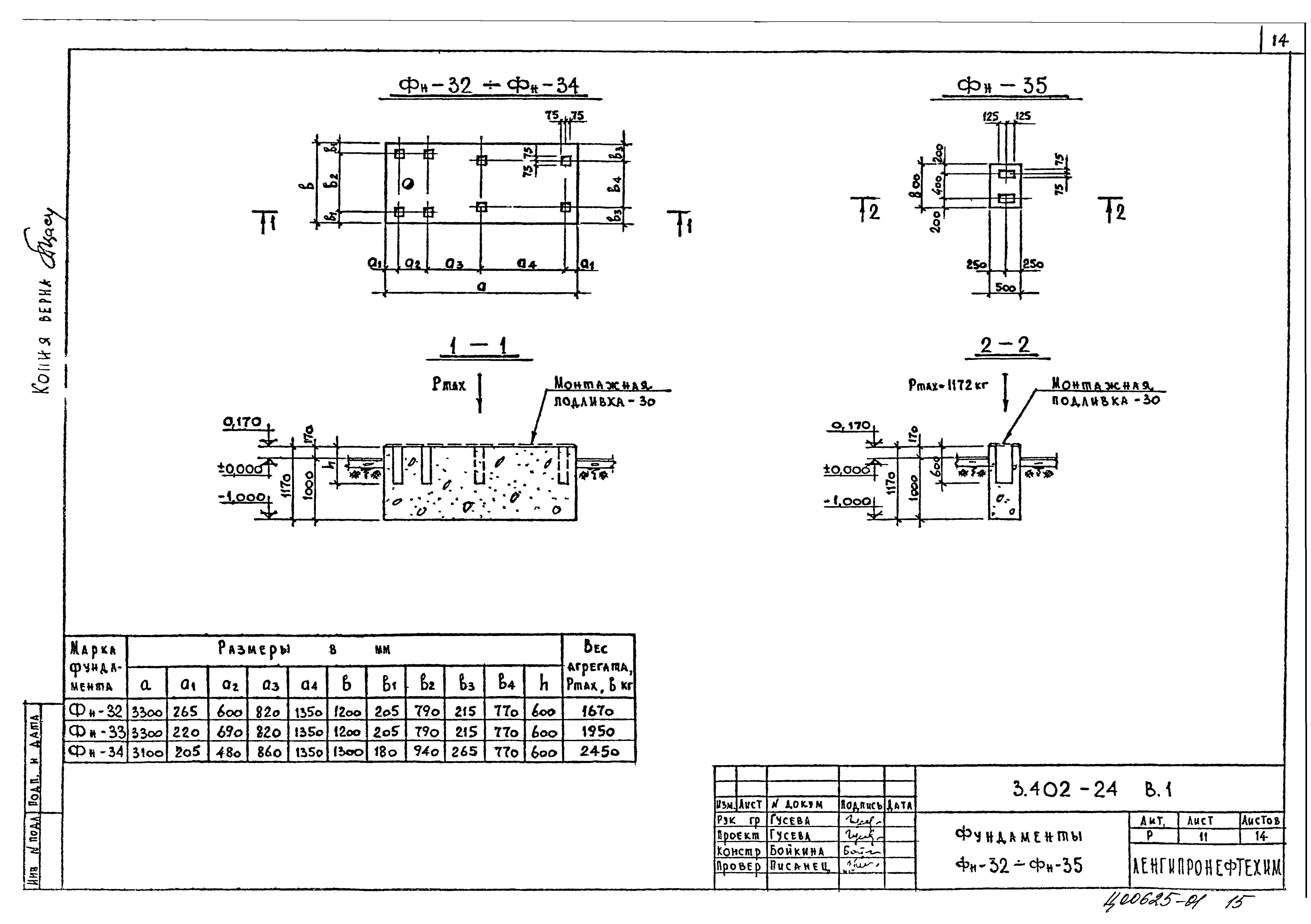
| Оглавление: | 1. Пояснительная записка 2. Таблица для подбора марок фундаментов 3. Фундаменты Фн-1 - Фн-13, Фн-38, Фн-40 4. Фундаменты Фн-14 - Фн-21, Фн-41, Фн-42, Фн-43 5. Фундаменты Фн-22 - Фн-31 6. Фундаменты Фн-32 - Фн-35 7. Фундаменты Фн-36, Фн-37, Фн-39, Фн-44 - Фн-46 8. Фундаменты Фв-1 - Фв-12 9. Анкерные болты АБ-16-30, АБ-20-50, АБ-24-50 |
| Разработан: | Ленгипронефтехим |
| Утверждён: | 01.05.1978 В/О Нефтехим |

















