Скачать Серия 3.402-24 Выпуск 6. Фундаменты под аппараты воздушного охлаждения, устанавливаемые на земле. Материал для проектирования и рабочие чертежиДата актуализации: 01.01.2021
|
| Обозначение: | Серия 3.402-24 |
| Обозначение англ: | Series 3.402-24 |
| Статус: | не определен законодательством |
| Название рус.: | Выпуск 6. Фундаменты под аппараты воздушного охлаждения, устанавливаемые на земле. Материал для проектирования и рабочие чертежи |
| Дата добавления в базу: | 01.09.2013 |
| Дата актуализации: | 01.01.2021 |
| Дата введения: | 01.01.1980 |
| Дата окончания срока действия: | 30.06.2003 |
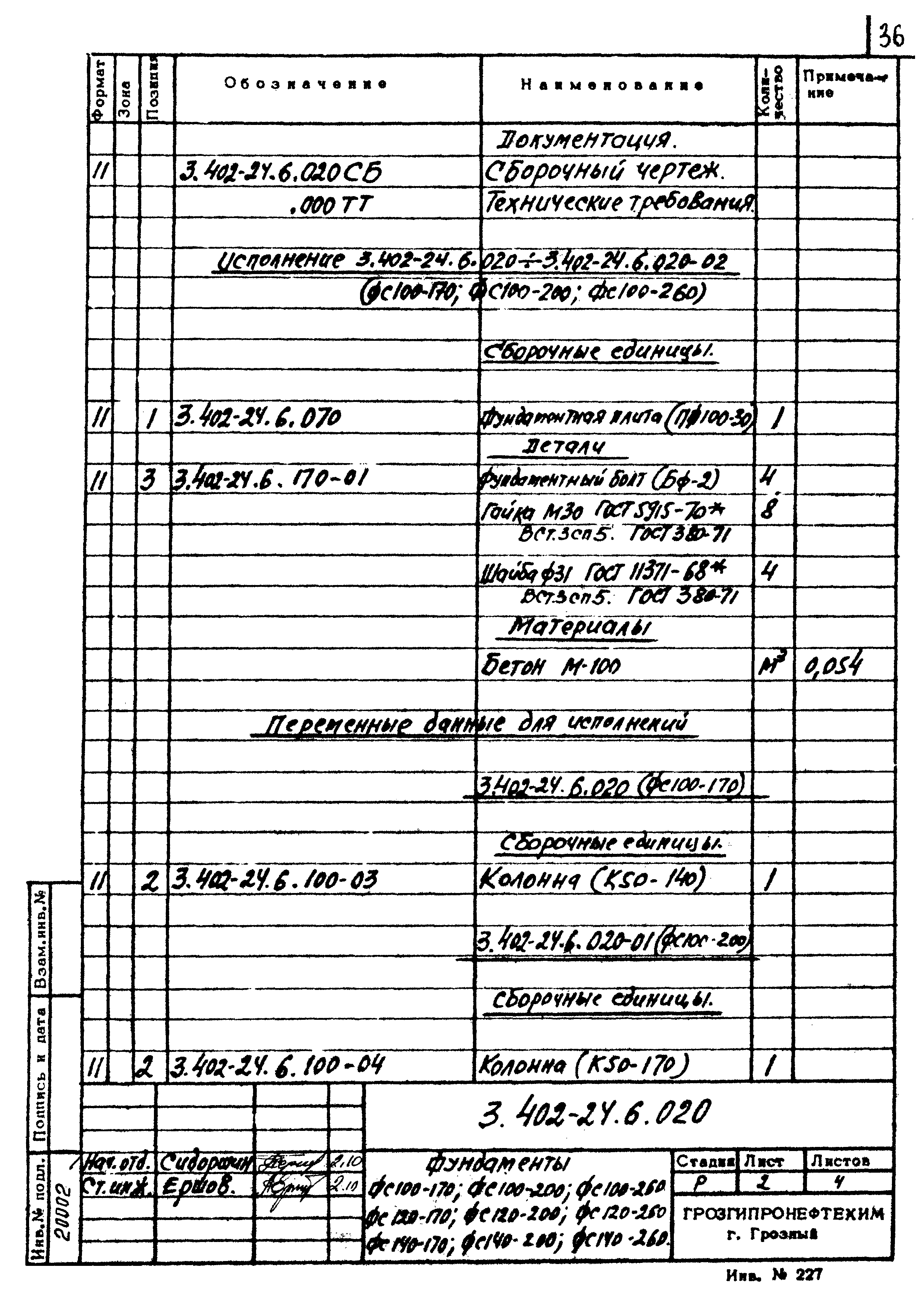
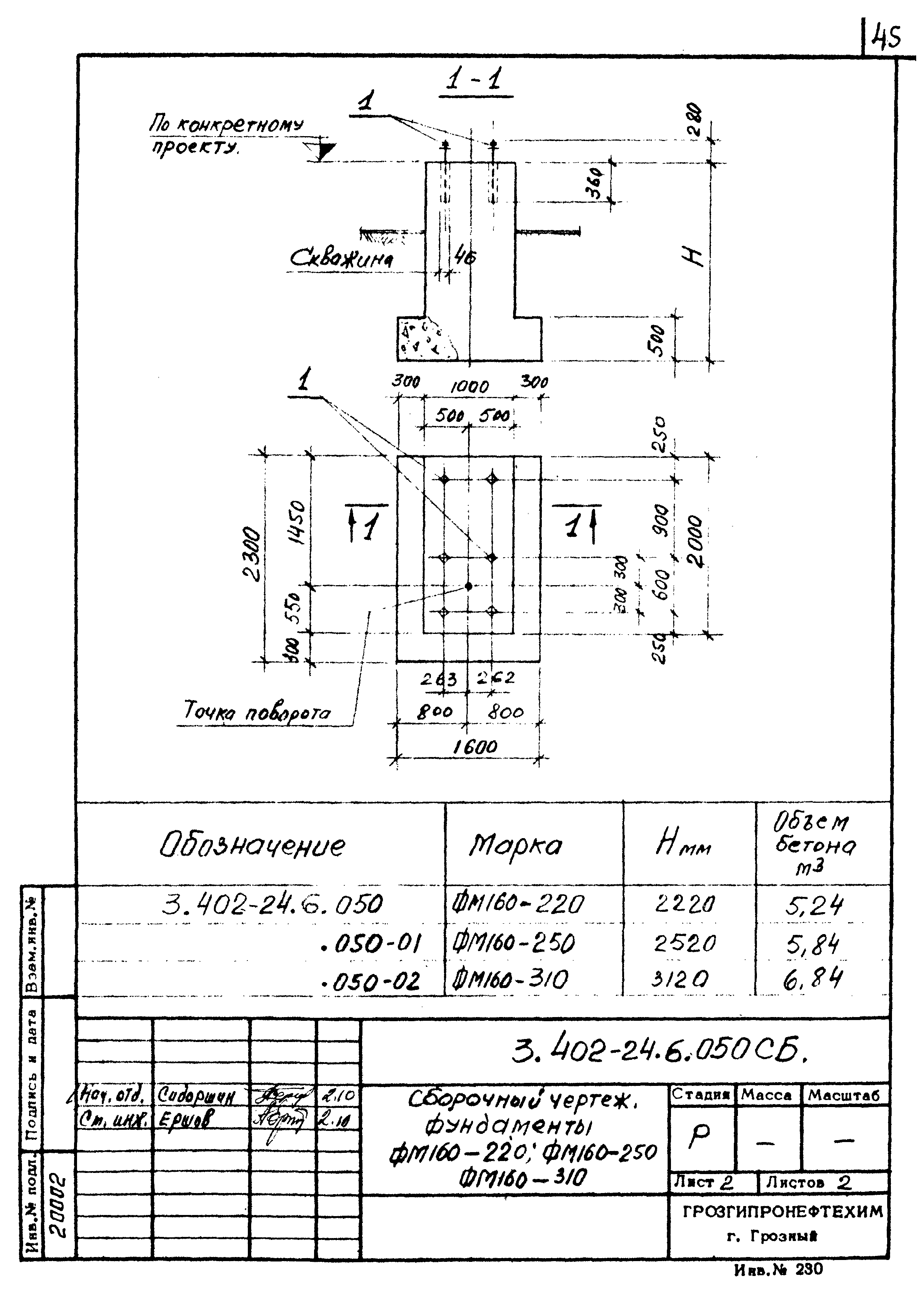
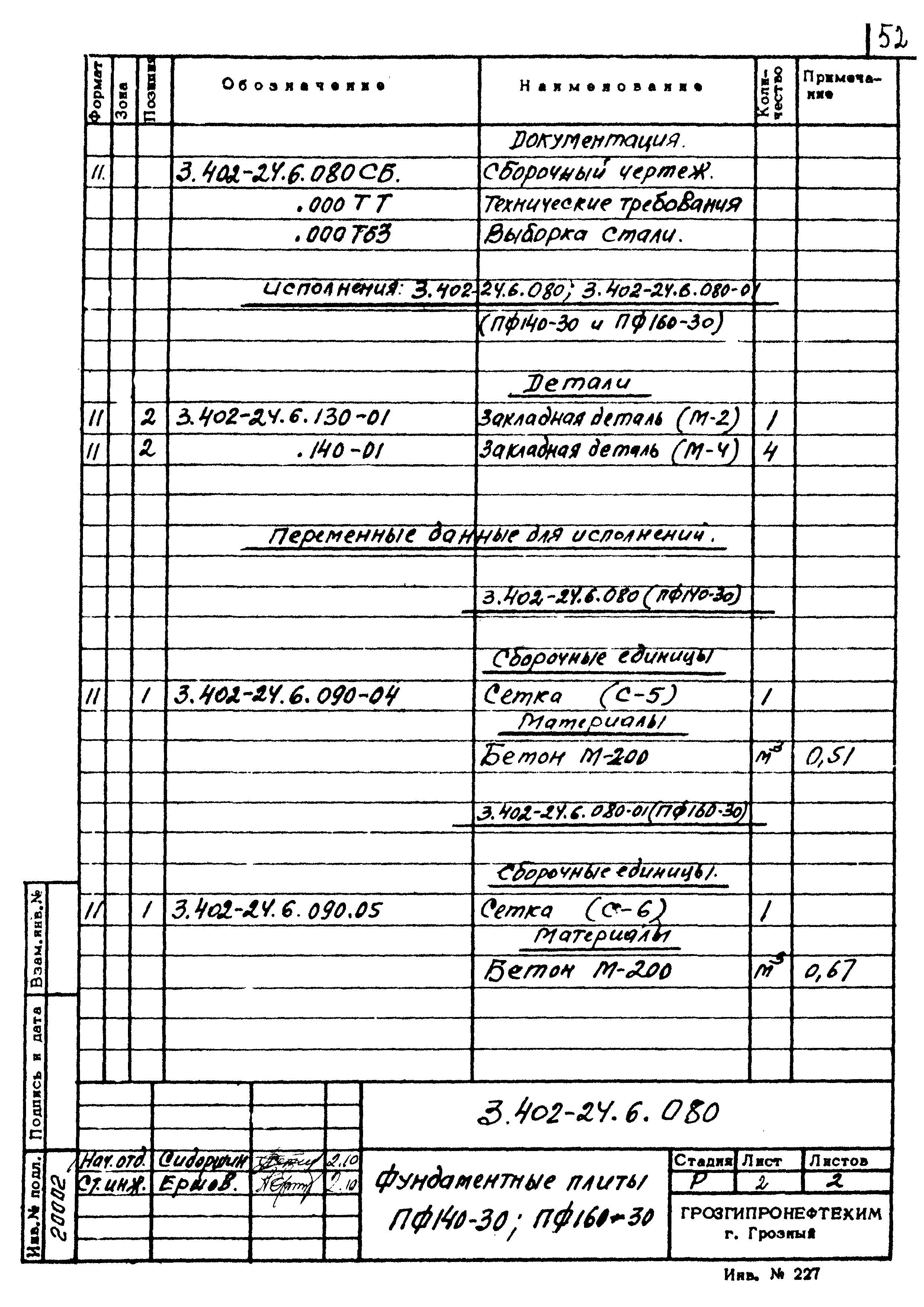
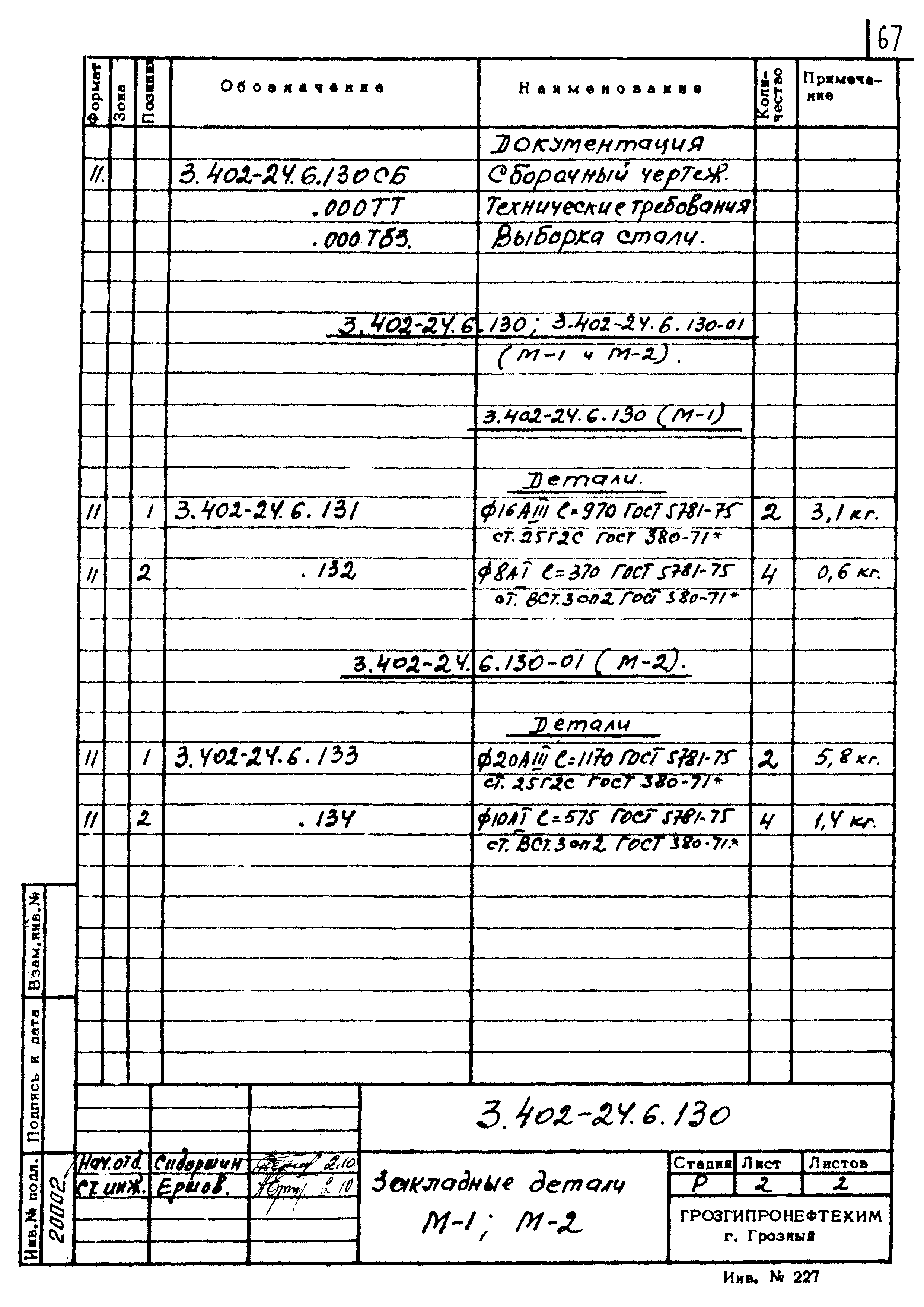
| Оглавление: | 3.402-24.6.000 ПЗ Пояснительная записка 3.402-24.6.000 ПЗ Номенклатура сборных железобетонных изделий. Таблица ТБ1 3.402-24.6.000 ПЗ Таблица нагрузок на фундаменты ТБ2 3.402-24.6.000 ПЗ Аппараты малопоточные с длиной труб 1,5 и 3,0 м ОСТ 26-02-2018-77. Пример монтажной схемы фундаментов при установке одного аппарата 3.402-24.6.000 ПЗ Аппараты малопоточные с длиной труб 1,5 и 3,0 м ОСТ 26-02-2018-77. Пример монтажной схемы фундаментов при установке двух и более аппаратов 3.402-24.6.000 ПЗ Аппараты горизонтальные с длиной труб 4,0 м с тихоходным электродвигателем ОСТ 26-02-1922-77. Пример монтажной схемы фундаментов при установке одного аппарата 3.402-24.6.000 ПЗ Аппараты горизонтальные с длиной труб 4,0 м с тихоходным электродвигателем ОСТ 26-02-1922-77. Пример монтажной схемы фундаментов при установке двух и более аппаратов 3.402-24.6.000 ПЗ Аппараты горизонтальные с длиной труб 8,0 м с тихоходным электродвигателем ОСТ 26-02-1522-77. Пример монтажной схемы фундаментов при установке одного аппарата 3.402-24.6.000 ПЗ Аппараты горизонтальные с длиной труб 8,0 м с тихоходным электродвигателем ОСТ 26-02-1522-77. Пример монтажной схемы фундаментов при установке двух и более аппаратов 3.402-24.6.000 ПЗ Аппараты горизонтальные с длиной труб 4,0 м. Электродвигатель с редуктором ОСТ 26-02-1522-77. Пример монтажной схемы фундаментов при установке одного аппарата 3.402-24.6.000 ПЗ Аппараты горизонтальные с длиной труб 4,0 м. Электродвигатель с редуктором ОСТ 26-02-1522-77. Пример монтажной схемы фундаментов при установке двух и более аппаратов 3.402-24.6.000 ПЗ Аппараты горизонтальные с длиной труб 8,0 м, электродвигатель с редуктором ОСТ 26-02-1522-77. Пример монтажной схемы фундаментов при установке одного аппарата 3.402-24.6.000 ПЗ Аппараты горизонтальные с длиной труб 8,0 м, электродвигатель с редуктором ОСТ 26-02-1522-77. Пример монтажной схемы фундаментов при установке двух и более аппаратов 3.402-24.6.000 ПЗ Аппараты зигзагообразные с длиной труб 6,0 м с тихоходным электродвигателем ОСТ 26-02-1521-77. Пример монтажной схемы фундаментов при установке одного аппарата 3.402-24.6.000 ПЗ Аппараты зигзагообразные с длиной труб 6,0 м с тихоходным электродвигателем ОСТ 26-02-1521-77. Пример монтажной схемы фундаментов при установке двух и более аппаратов 3.402-24.6.000 ТТ Технические требования 3.402-24.6.000Т БЗ Выборка стали на 1 элемент 3.402-24.6.000 ВД Ведомость ссылочных документов 3.402-24.6.010 СБ Фундаменты ФС60-170, ФС60-200, ФС60-260, ФС80-170, ФС80-200, ФС30-260 3.402-24.6.010 Фундаменты ФС60-170, ФС60-200, ФС60-260, ФС80-170, ФС80-200, ФС30-260 3.402-24.6.020 СБ Фундаменты ФС100-170, ФС100-200, ФС100-260, ФС120-170, ФС120-200, ФС 120-260, ФС140-170, ФС140-200, ФС140-260 3.402-24.6.020 Фундаменты ФС100-170, ФС100-200, ФС100-260, ФС120-170, ФС120-200, ФС 120-260, ФС140-170, ФС140-200, ФС140-260 3.402-24.6.030 СБ Фундаменты ФС160-170, ФС160-200, ФС160-260, ФС160-170-1, ФС160-200-1, ФС160-260-1 3.402-24.6.030 Фундаменты ФС160-170, ФС160-200, ФС160-260, ФС160-170-1, ФС160-200-1, ФС160-260-2 3.402-24.6.040 СБ Фундаменты ФМ130-22, ФМ180-290, ФМ130-250, ФМ180-320, ФМ130-310, ФМ180-380 3.402-24.6.040 Фундаменты ФМ130-22, ФМ180-290, ФМ130-250, ФМ180-320, ФМ130-310, ФМ180-381 3.402-24.6.050 СБ Фундаменты ФМ160-220; ФМ160-250; ФМ160-310 3.402-24.6.050 Фундаменты ФМ160-220; ФМ160-250; ФМ160-310 3.402-24.6.060 СБ Фундаментные плиты ПФ60-30; ПФ80-30 3.402-24.6.060 Фундаментные плиты ПФ60-30; ПФ80-30 3.402-24.6.070 СБ Фундаментные плиты ПФ100-30; ПФ120-30 3.402-24.6.070 Фундаментные плиты ПФ100-30; ПФ120-30 3.402-24.6.080 СБ Фундаментные плиты ПФ140-30, ПФ160-30 3.402-24.6.080 Фундаментные плиты ПФ140-30, ПФ160-30 3.402-24.6.090 СБ Сетки С-1, С-2, С-3, С-4, С-5 3.402-24.6.090 Сетки С-1, С-2, С-3, С-4, С-5 3.402-24.6.100 СБ Колоны К30-140, К30-170, К30-230, К50-140, К50-170, К50-230 3.402-24.6.100 Колоны К30-140, К30-170, К30-230, К50-140, К50-170, К50-230 3.402-24.6.110 СБ Арматурные блоки АБ30-140, АБ30-170, АБ30-230, АБ50-140, АБ50-170, АБ50-230 3.402-24.6.110 Арматурные блоки АБ30-140, АБ30-170, АБ30-230, АБ50-140, АБ50-170, АБ50-231 3.402-24.6.120 СБ Арматурные каркасы АК30-140, АК30-170, АК30-230, АК50-140, АК50-170, АК50-230 3.402-24.6.120 Арматурные каркасы АК30-140, АК30-170, АК30-230, АК50-140, АК50-170, АК50-230 3.402-24.6.130 СБ Закладные детали М-1, М-2 3.402-24.6.130 Закладные детали М-1, М-2 3.402-24.6.140 Монтажные петли М-3, М-4, М-5 3.402-24.6.150 Закладная деталь М-6 3.402-24.6.160 Фундаментные болты БФ-1, БФ-2, БФ-3, БФ-4, БФ-5 |
| Разработан: | Грозгипронефтехим |
| Утверждён: | 05.09.1979 В/О Нефтехим (54) |







































































