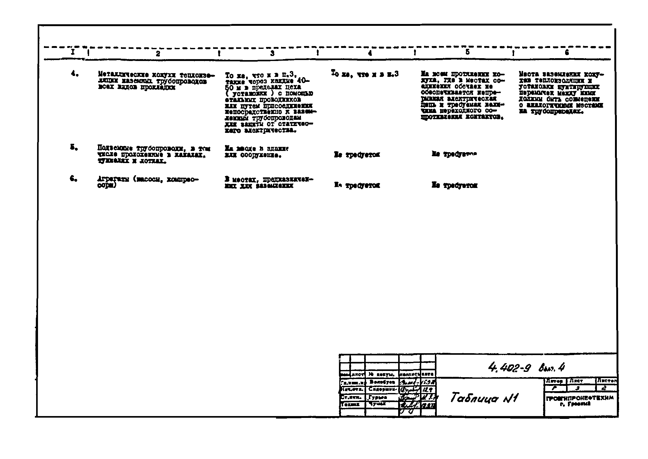
Скачать Серия 4.402-9 Выпуск 4. Молниезащита и защита от статического электричества технологических аппаратов и трубопроводов. Детали и узлы заземления. Рабочие чертежиДата актуализации: 01.01.2021
|
| Обозначение: | Серия 4.402-9 |
| Обозначение англ: | Series 4.402-9 |
| Статус: | не определен законодательством |
| Название рус.: | Выпуск 4. Молниезащита и защита от статического электричества технологических аппаратов и трубопроводов. Детали и узлы заземления. Рабочие чертежи |
| Дата добавления в базу: | 01.09.2013 |
| Дата актуализации: | 01.01.2021 |
| Дата введения: | 01.05.1978 |
| Дата окончания срока действия: | 30.06.2003 |
| Разработан: | Грозгипронефтехим |
| Утверждён: | 22.02.1978 Миннефтехимпром СССР (USSR Minneftekhimprom 8) |































