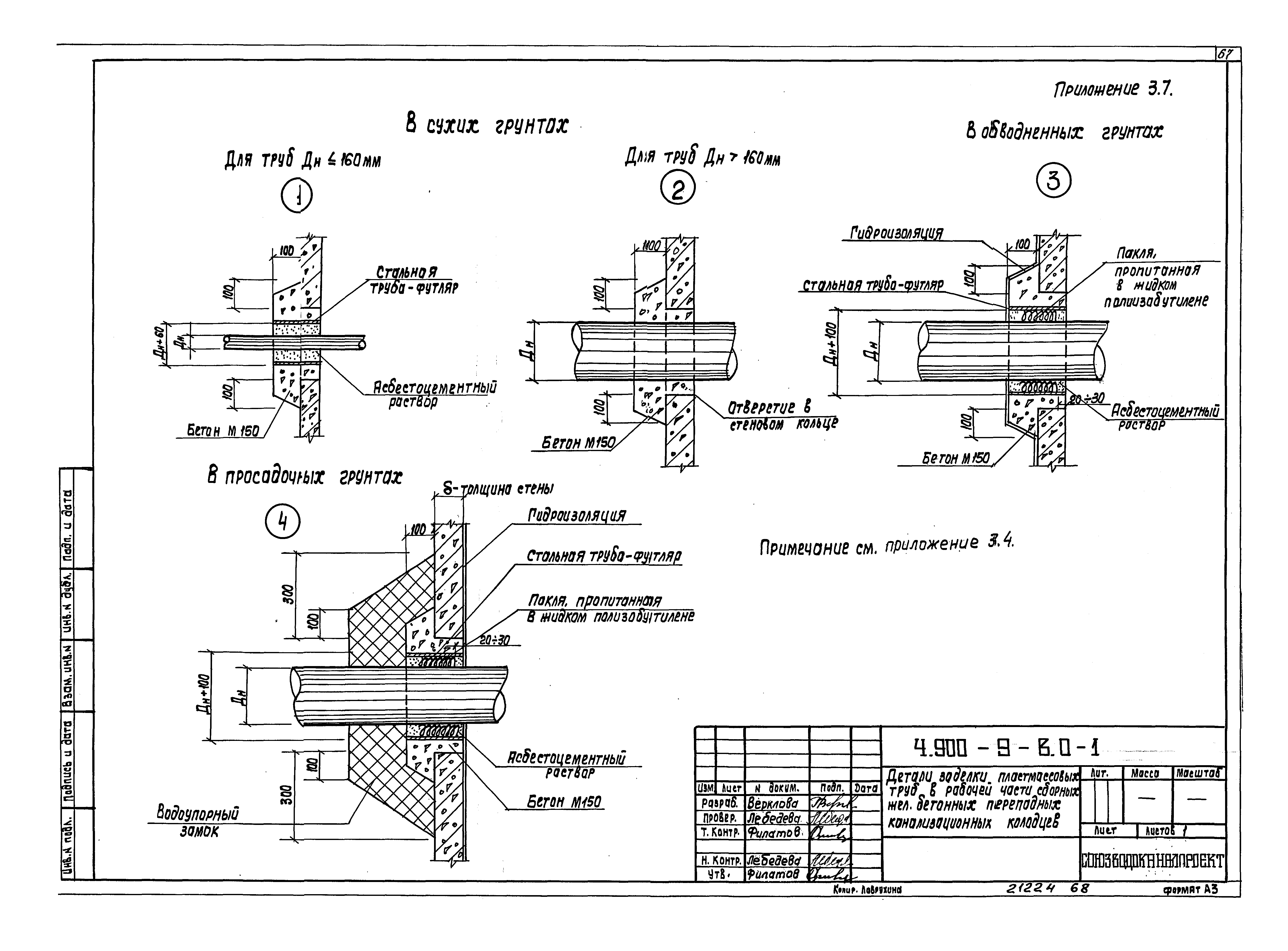
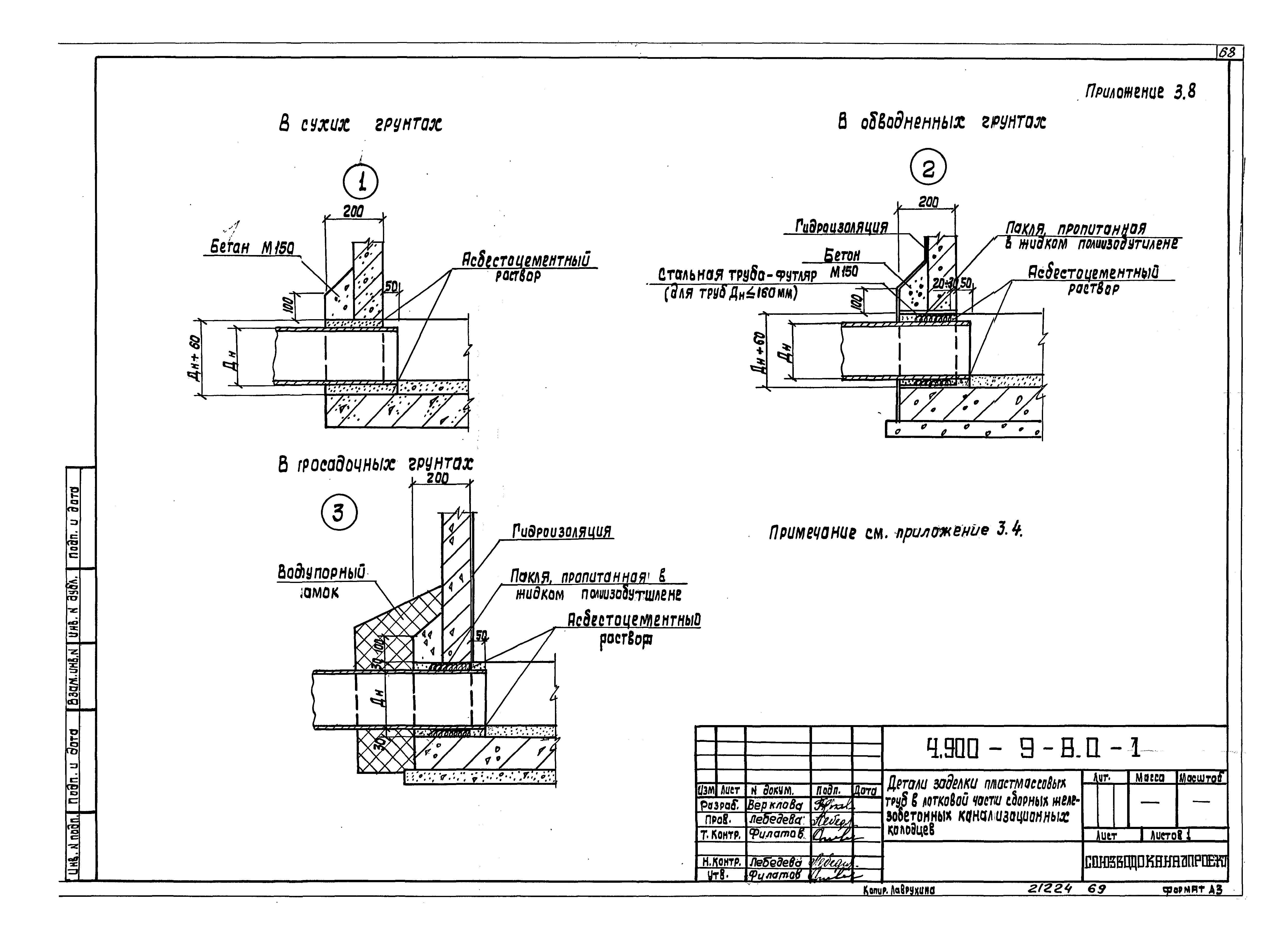
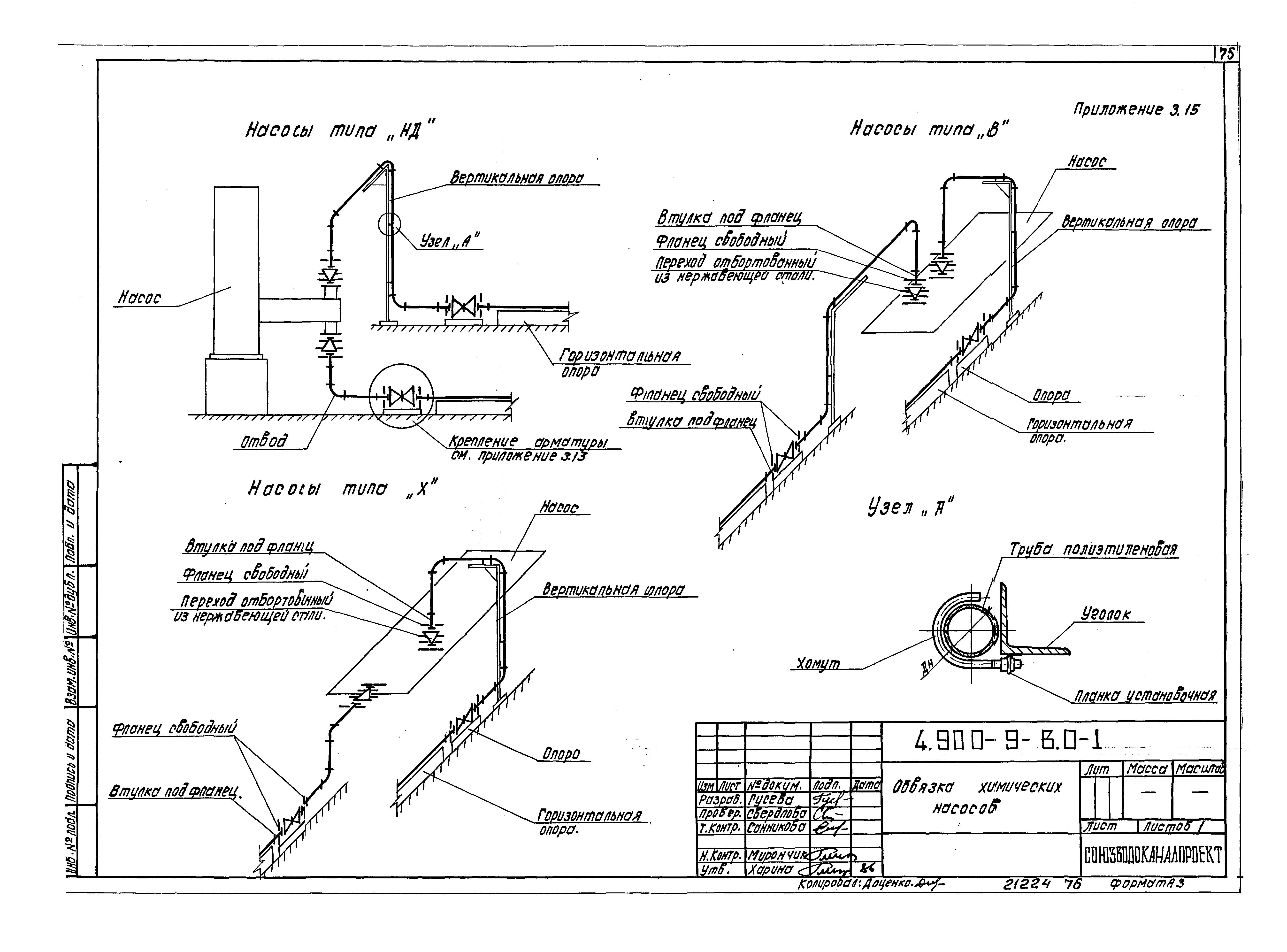
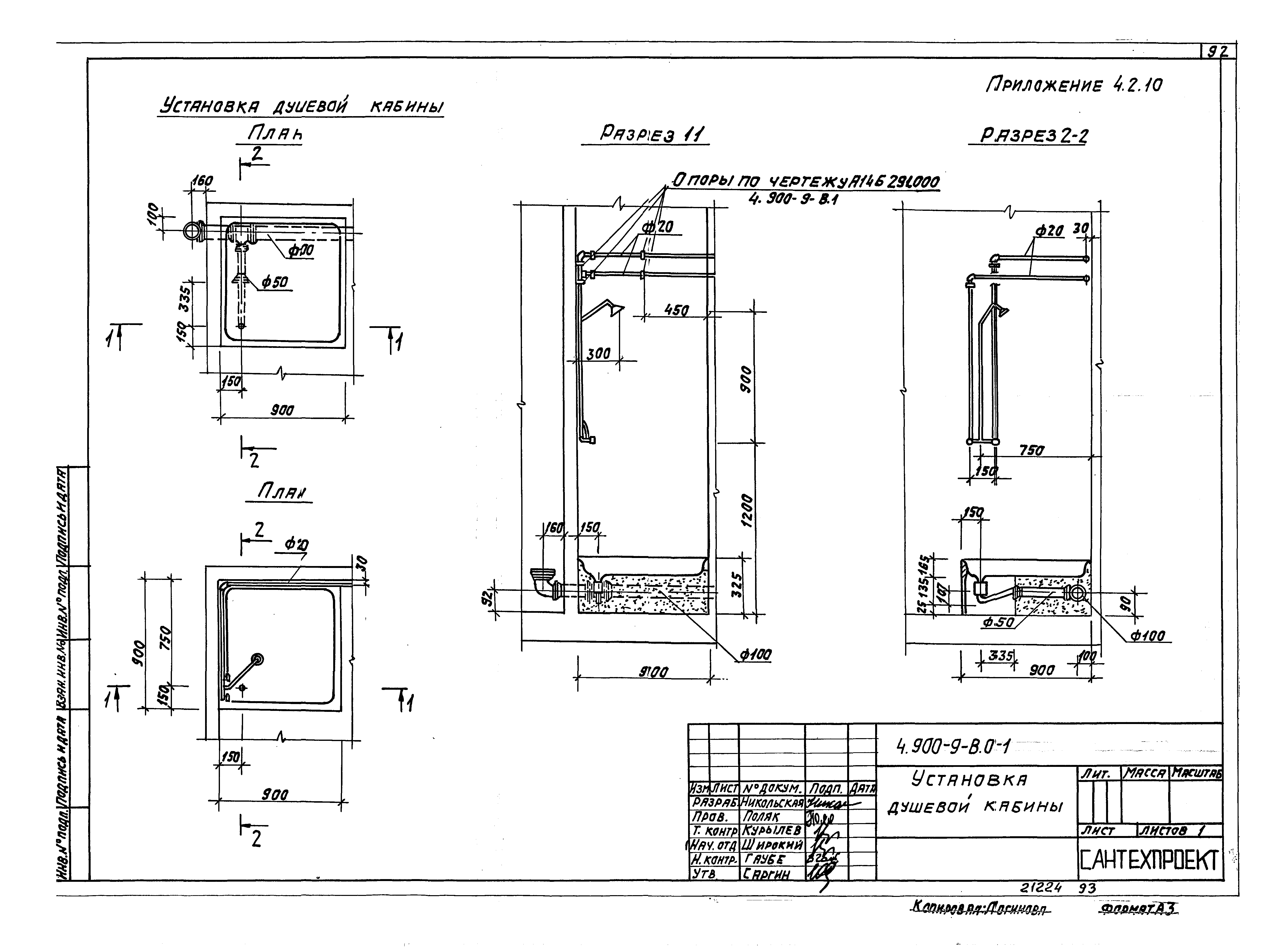
Скачать Серия 4.900-9 Выпуск 0-1. Материалы для проектированияДата актуализации: 01.01.2021
|
| Обозначение: | Серия 4.900-9 |
| Обозначение англ: | Series 4.900-9 |
| Статус: | не определен законодательством |
| Название рус.: | Выпуск 0-1. Материалы для проектирования |
| Дата добавления в базу: | 01.09.2013 |
| Дата актуализации: | 01.01.2021 |
| Дата введения: | 01.04.1986 |
| Дата окончания срока действия: | 30.06.2003 |
| Разработан: | Союзводоканалпроект Сантехниипроект Госстроя России |
| Утверждён: | 15.01.1986 Главстройпроект Госстроя СССР (4) |








































































































