Скачать Серия 5.900-6 Выпуск 0-1. Отопление и вентиляцияДата актуализации: 01.01.2021
|
| Обозначение: | Серия 5.900-6 |
| Обозначение англ: | Series 5.900-6 |
| Статус: | не определен законодательством |
| Название рус.: | Выпуск 0-1. Отопление и вентиляция |
| Дата добавления в базу: | 01.09.2013 |
| Дата актуализации: | 01.01.2021 |
| Дата введения: | 31.01.1986 |
| Дата окончания срока действия: | 30.06.2003 |
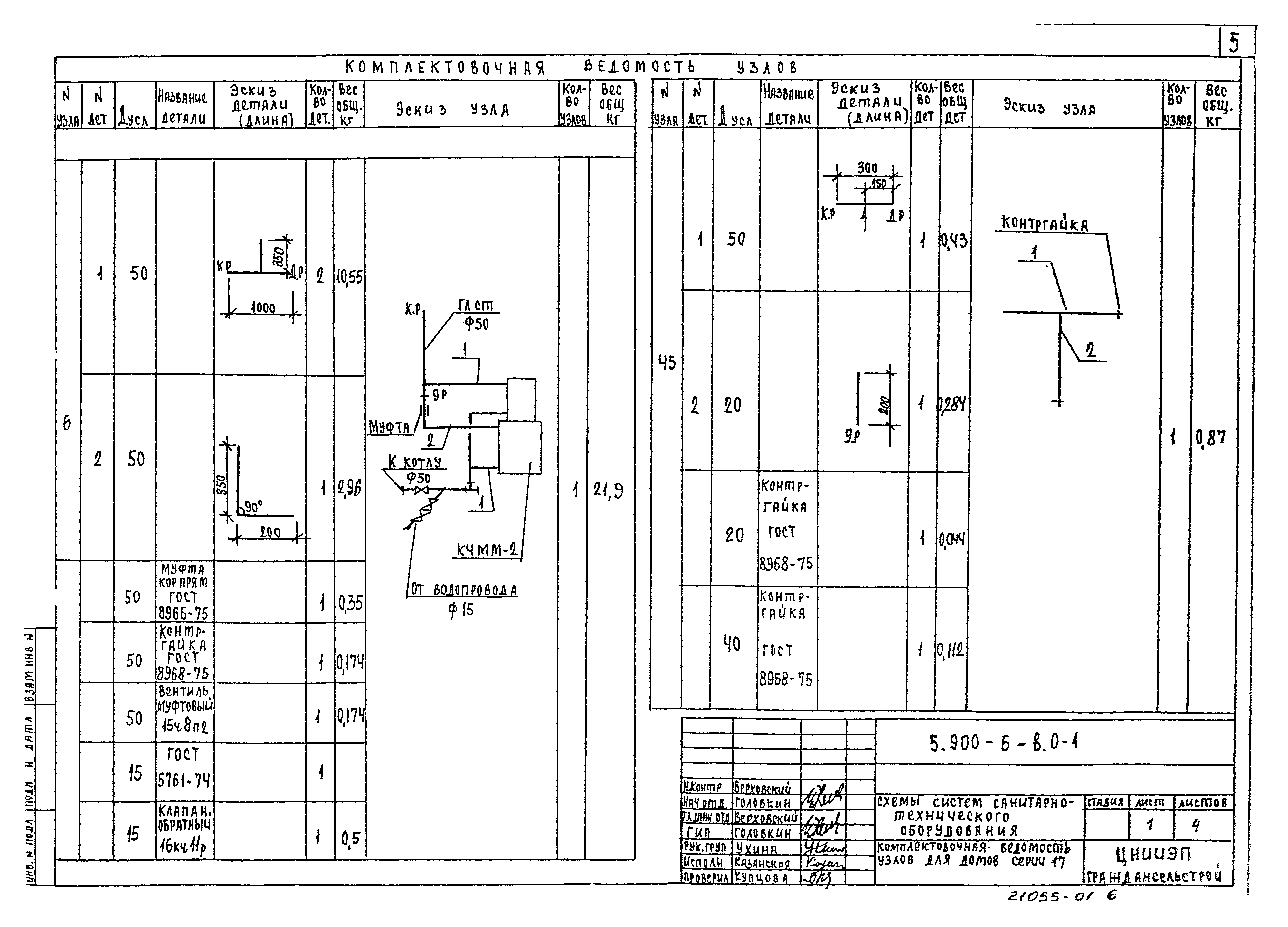
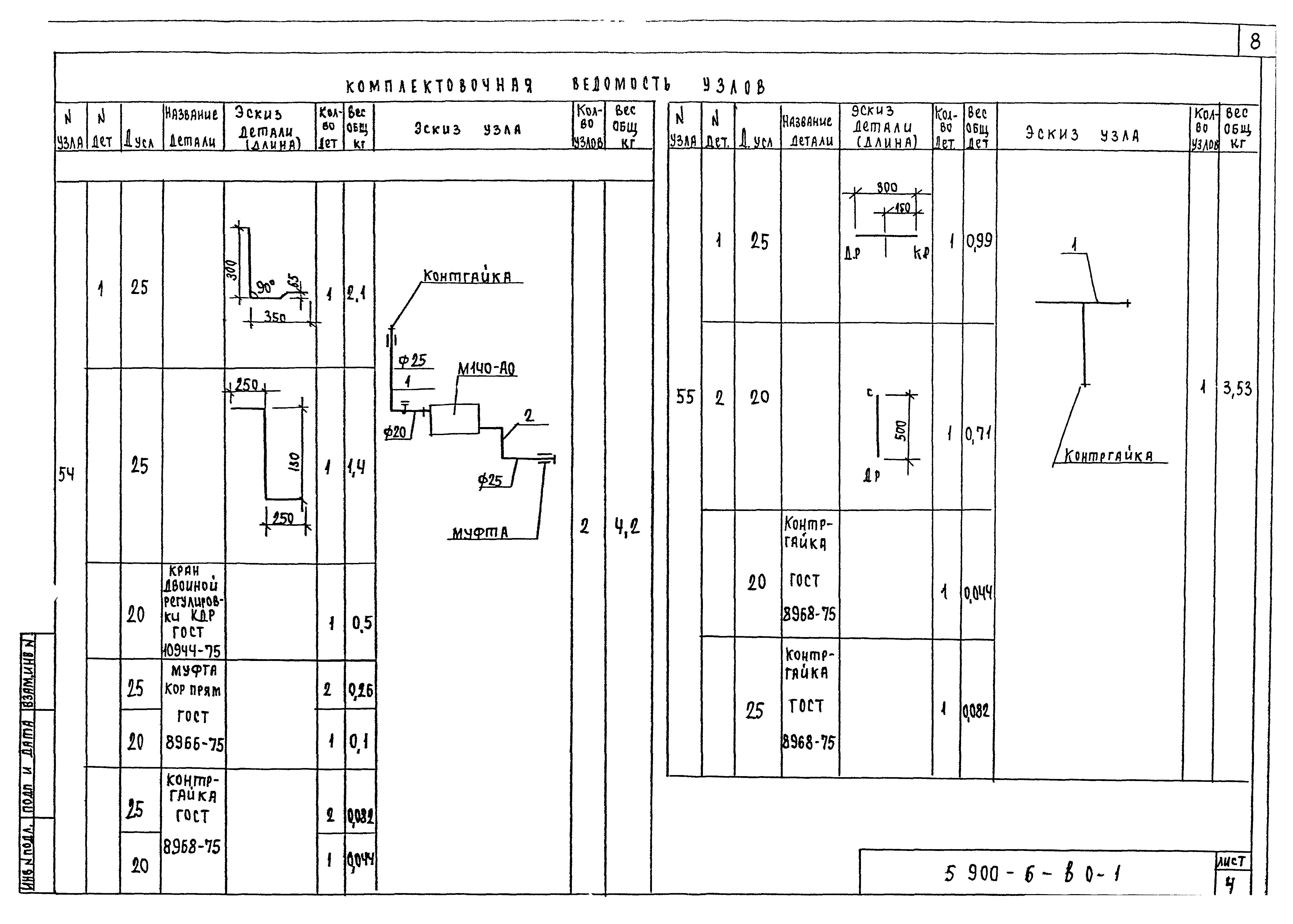
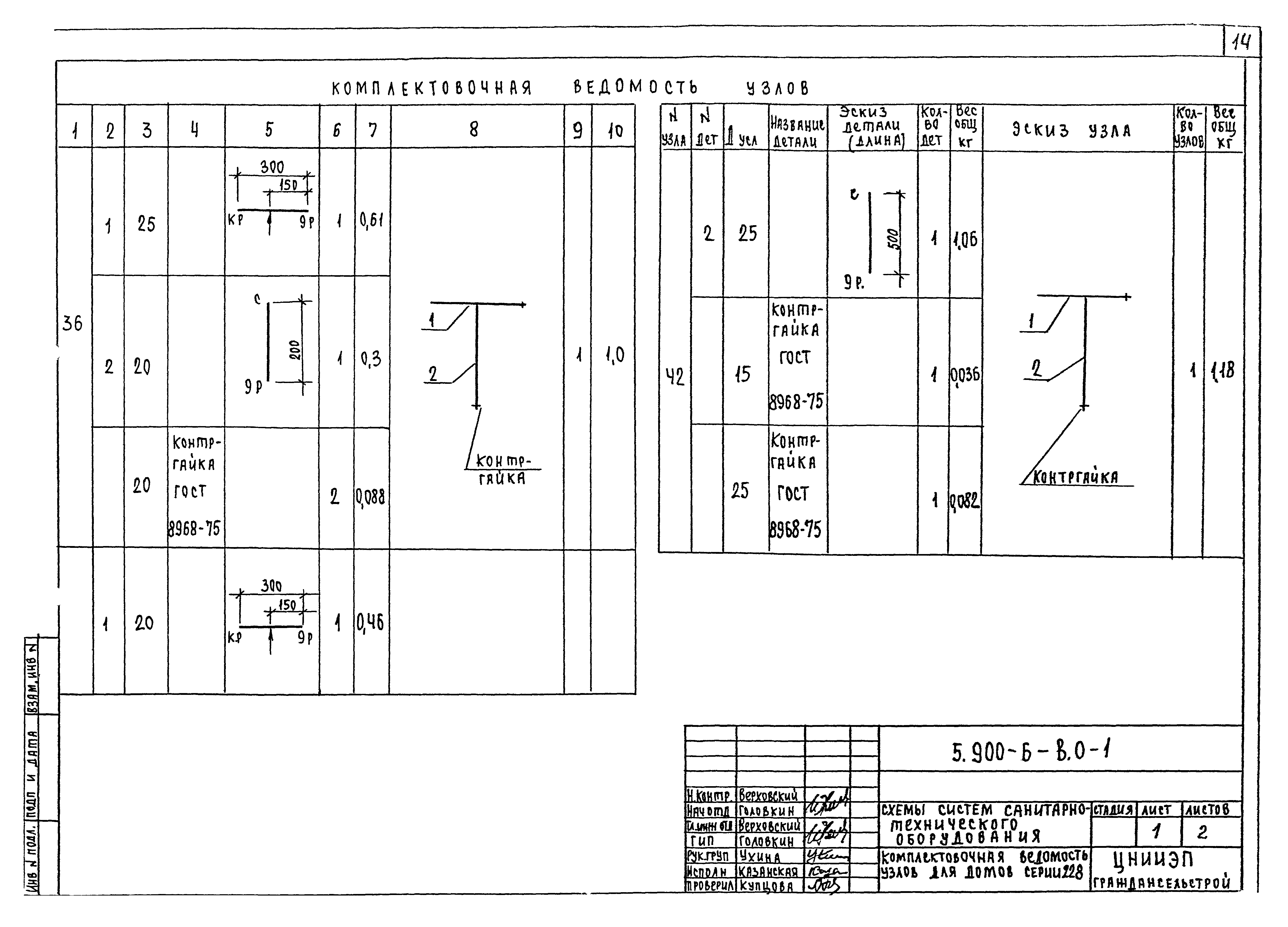
| Оглавление: | 1 Пояснительная записка 2 Схема системы местного отопления для домов серии 17 3 Комплектовочная ведомость узлов для домов серии 17 4 Схема системы местного отопления для домов серии 228. Комплектовочная ведомость узлов 5 Схема системы централизованного отопления для домов серии 228 6 Комплектовочная ведомость узлов для домов серии 228 |
| Разработан: | ЦНИИЭП граждансельстрой |
| Утверждён: | 31.01.1986 Госгражданстрой (Gosgrazhdanstroy 37) |
| Издан: | ГУП ЦПП (CPP GUP 2000 г. ) |















