Скачать Серия 5.900-6 Выпуск 0-3. Электрооборудование, связь и сигнализацияДата актуализации: 01.01.2021
|
| Обозначение: | Серия 5.900-6 |
| Обозначение англ: | Series 5.900-6 |
| Статус: | не определен законодательством |
| Название рус.: | Выпуск 0-3. Электрооборудование, связь и сигнализация |
| Дата добавления в базу: | 01.09.2013 |
| Дата актуализации: | 01.01.2021 |
| Дата введения: | 31.01.1986 |
| Дата окончания срока действия: | 30.06.2003 |
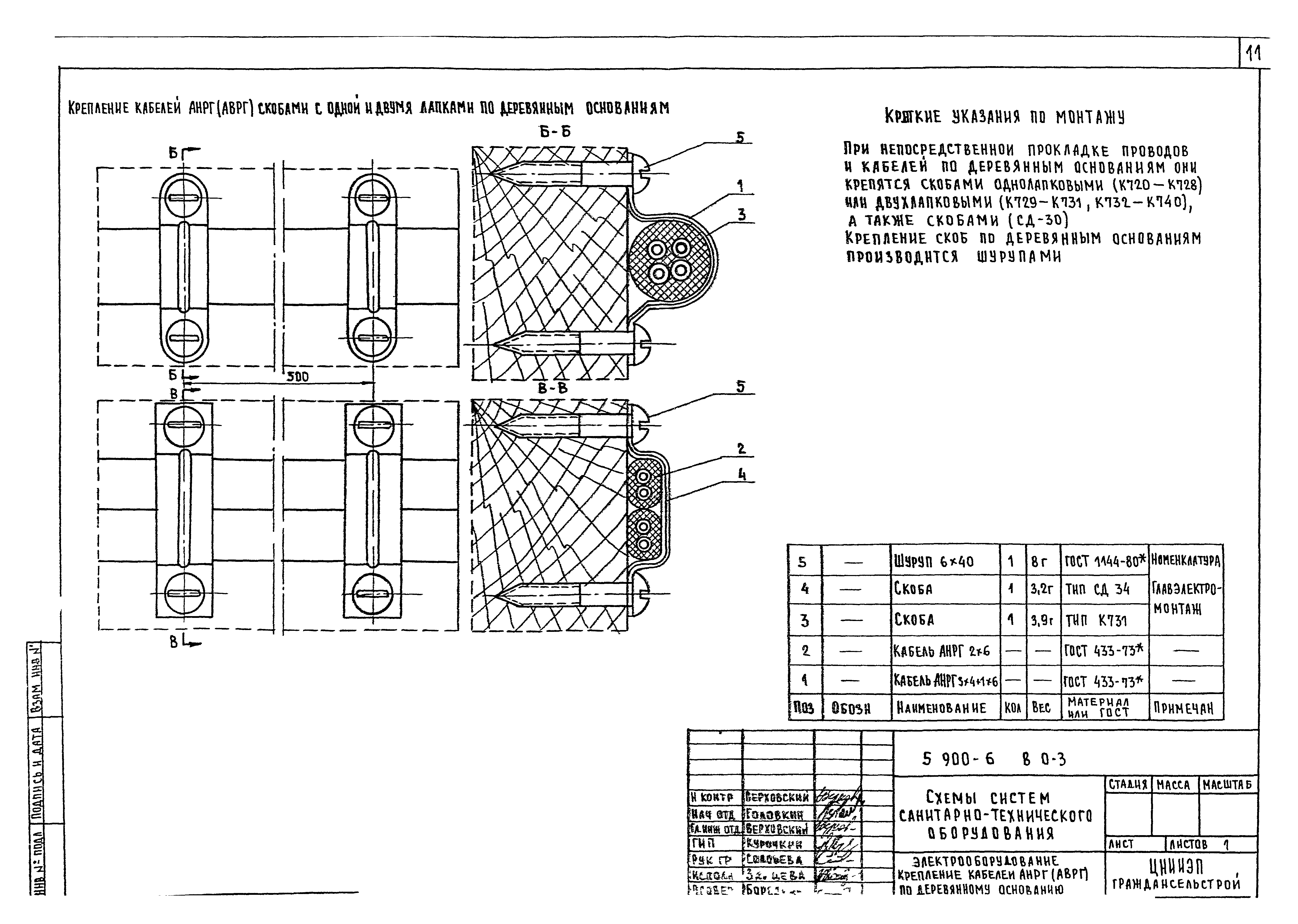
| Оглавление: | Электрооборудование 1 Пояснительная записка 2 Установка вводного устройства на наружной стене дома 3 Установка вводно-распределительного устройства на кирпичном основании 4 Скрытая прокладка проводов под штукатуркой (общий вид) 5 Непосредственная (открытая) прокладка установочных проводов и кабелей (общий вид) 6 Установка выключателей и штепсельных розеток при открытой проводке 7 Установка выключателей и розеток по несгораемым основаниям 8 Крепление проводов АПРФ по деревянному основанию на полосе 9 Крепление кабелей ДНРГ (АВРГ) по деревянному основанию 10 Крепление проводов марок АПВ, АППВ, АПН к кирпичным основаниям 11 Скрытая прокладка проводов АППВ, АПВ по несгораемым основаниям под штукатуркой 12 Скрытая прокладка полиэтиленовых и винипластовых труб по несгораемым основаниям 13 Примеры изгибов проводов марок АППВ (АППР) на ребро Связь и сигнализация 14 Пояснительная записка 15 Крепление радиостойки (вариант II) 16 Однопарная стойка с трансформатором. Общий вид 17 Конструкция и крепление телевизионной антенны 18 Металлические изделия к телевизионной антенне 19 Телефонная стойка емкостью 4+2 с двумя траверсами 20 Телефонная стойка емкостью 10+2 с надставкой 21 Крепление стоек. Узлы 22 Крепление стоек. Детали 23 Ввод кабелей через стены и крепление кабелей по наружным стенам 24 Шкаф и ниша размером 59х44(h)+16 см 25 Шкаф размером 70х40(h)+16 см |
| Разработан: | ЦНИИЭП граждансельстрой |
| Утверждён: | 31.01.1986 Госгражданстрой (Gosgrazhdanstroy 37) |
| Издан: | ГУП ЦПП (CPP GUP 2000 г. ) |



























