Скачать Серия 5.400-1 Выпуск 1. Рабочие чертежиДата актуализации: 01.01.2021
|
| Обозначение: | Серия 5.400-1 |
| Обозначение англ: | Series 5.400-1 |
| Статус: | не определен законодательством |
| Название рус.: | Выпуск 1. Рабочие чертежи |
| Дата добавления в базу: | 01.09.2013 |
| Дата актуализации: | 01.01.2021 |
| Дата введения: | 29.01.1985 |
| Дата окончания срока действия: | 30.06.2003 |
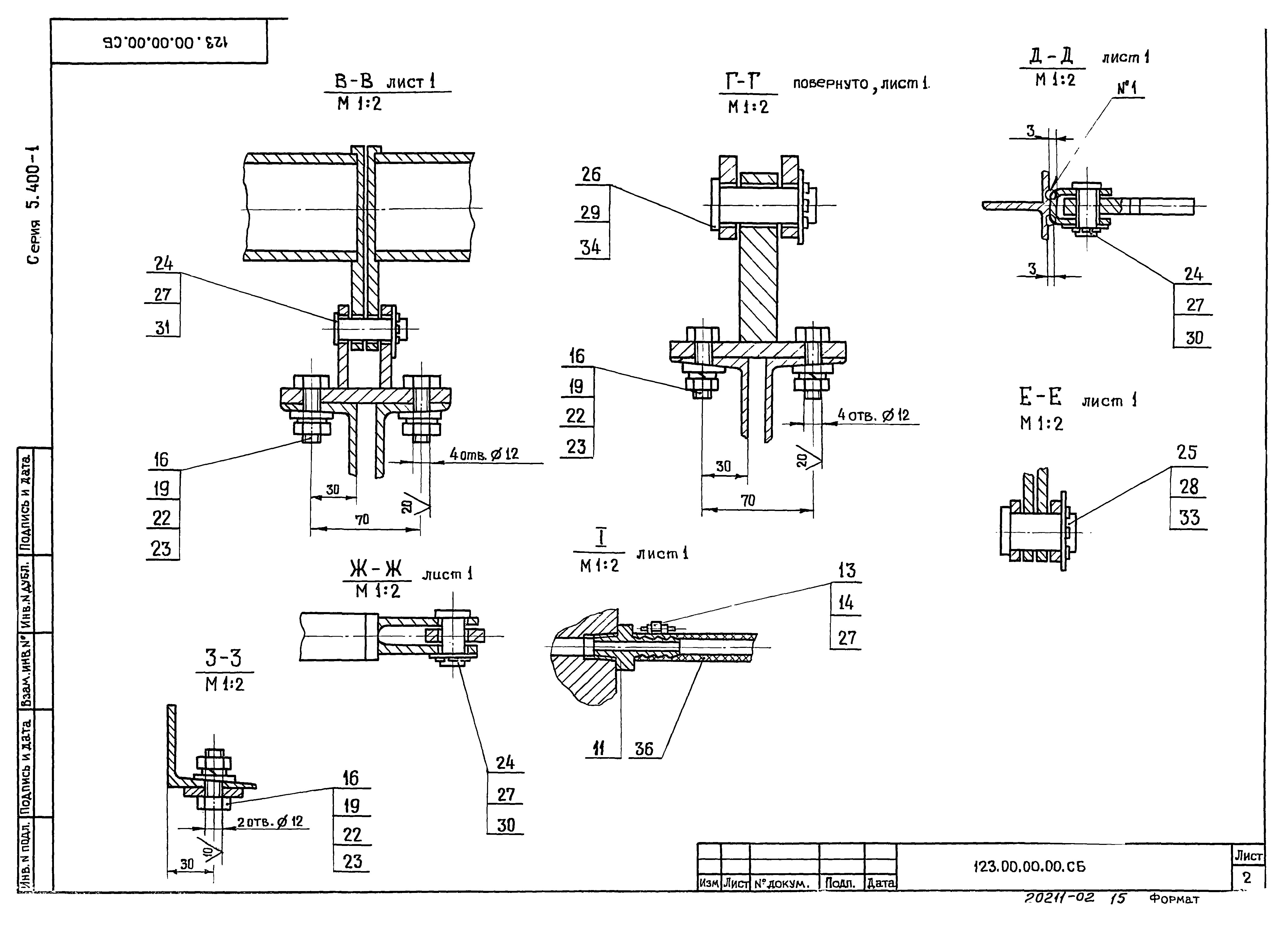
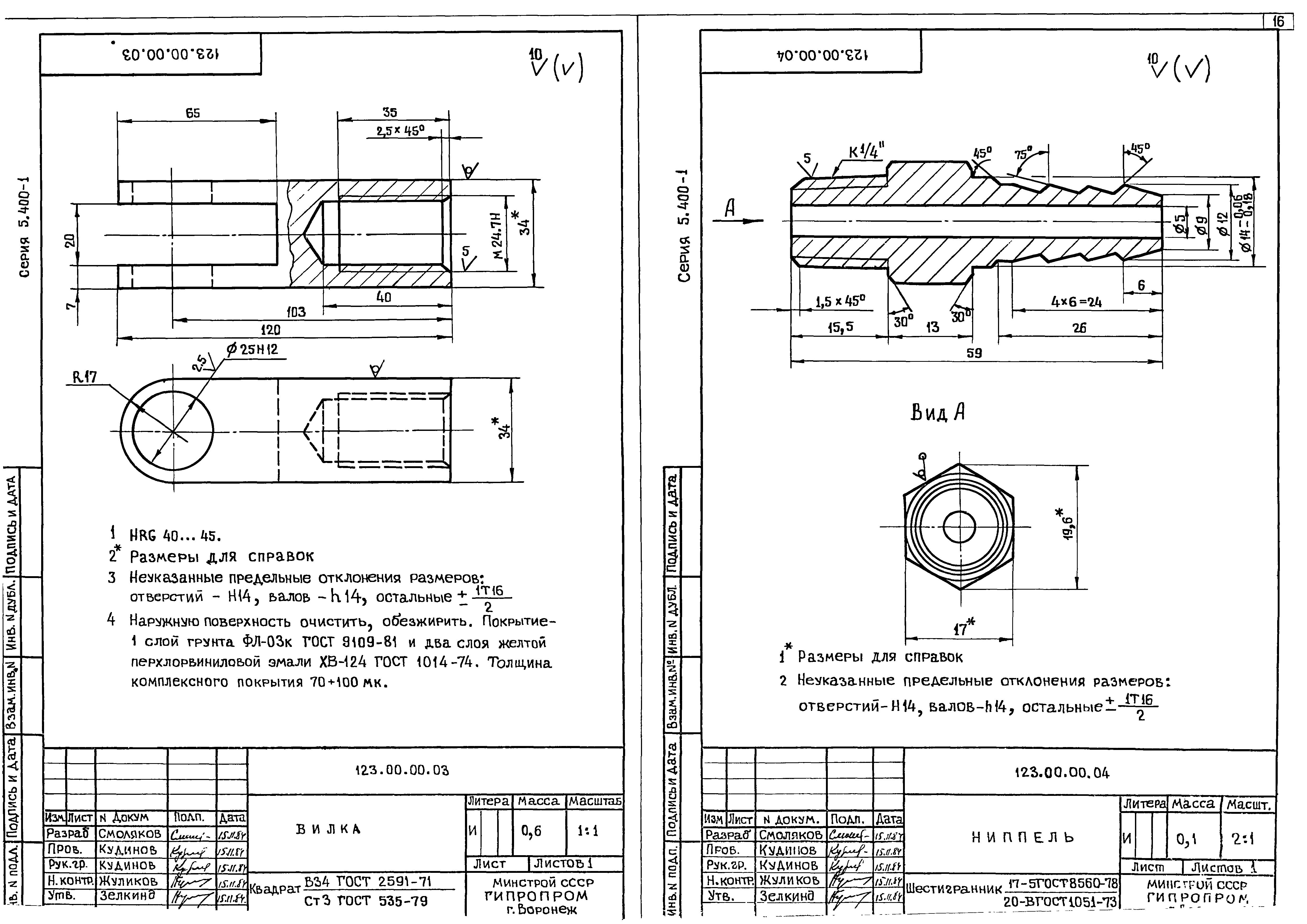
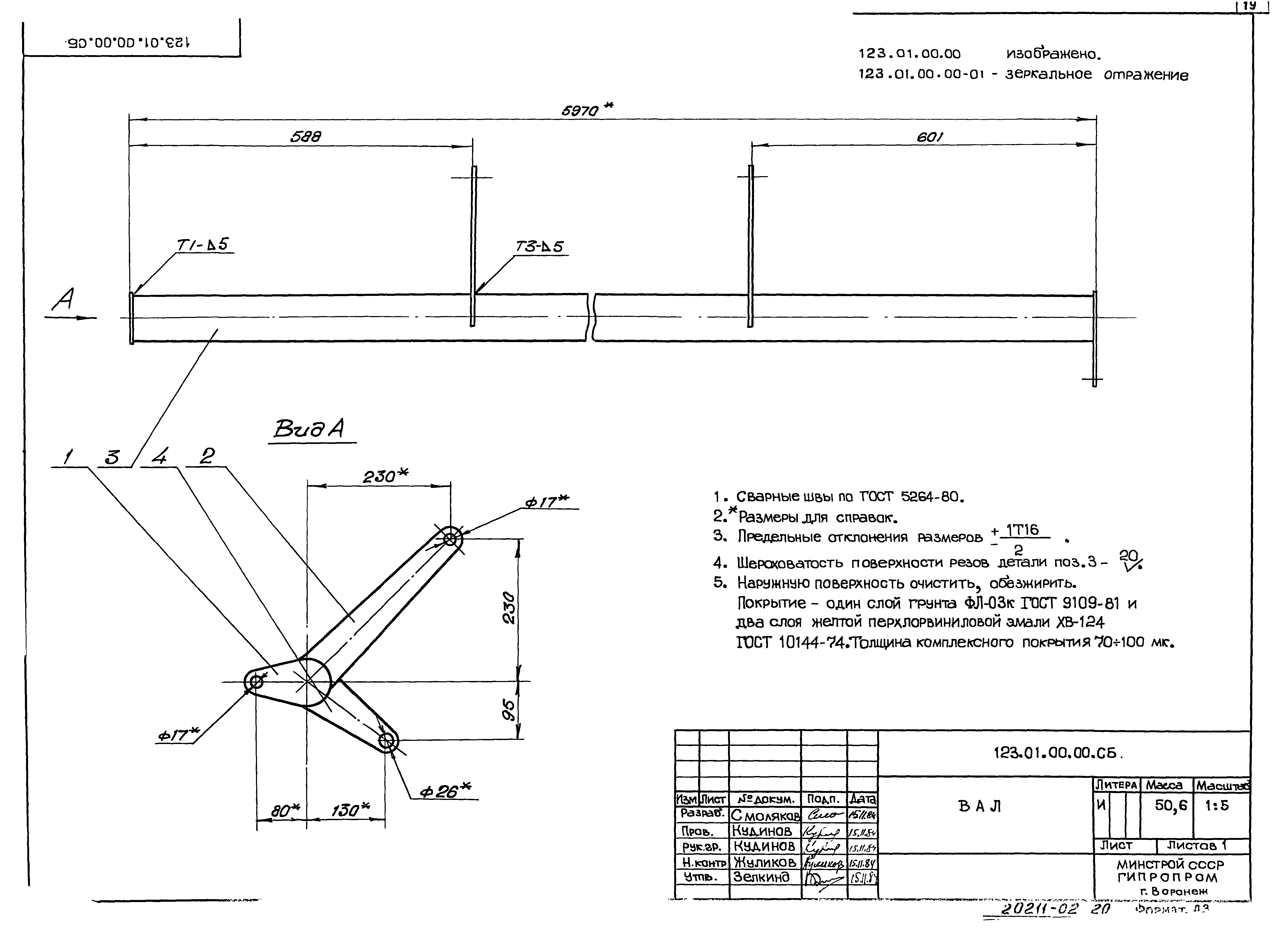
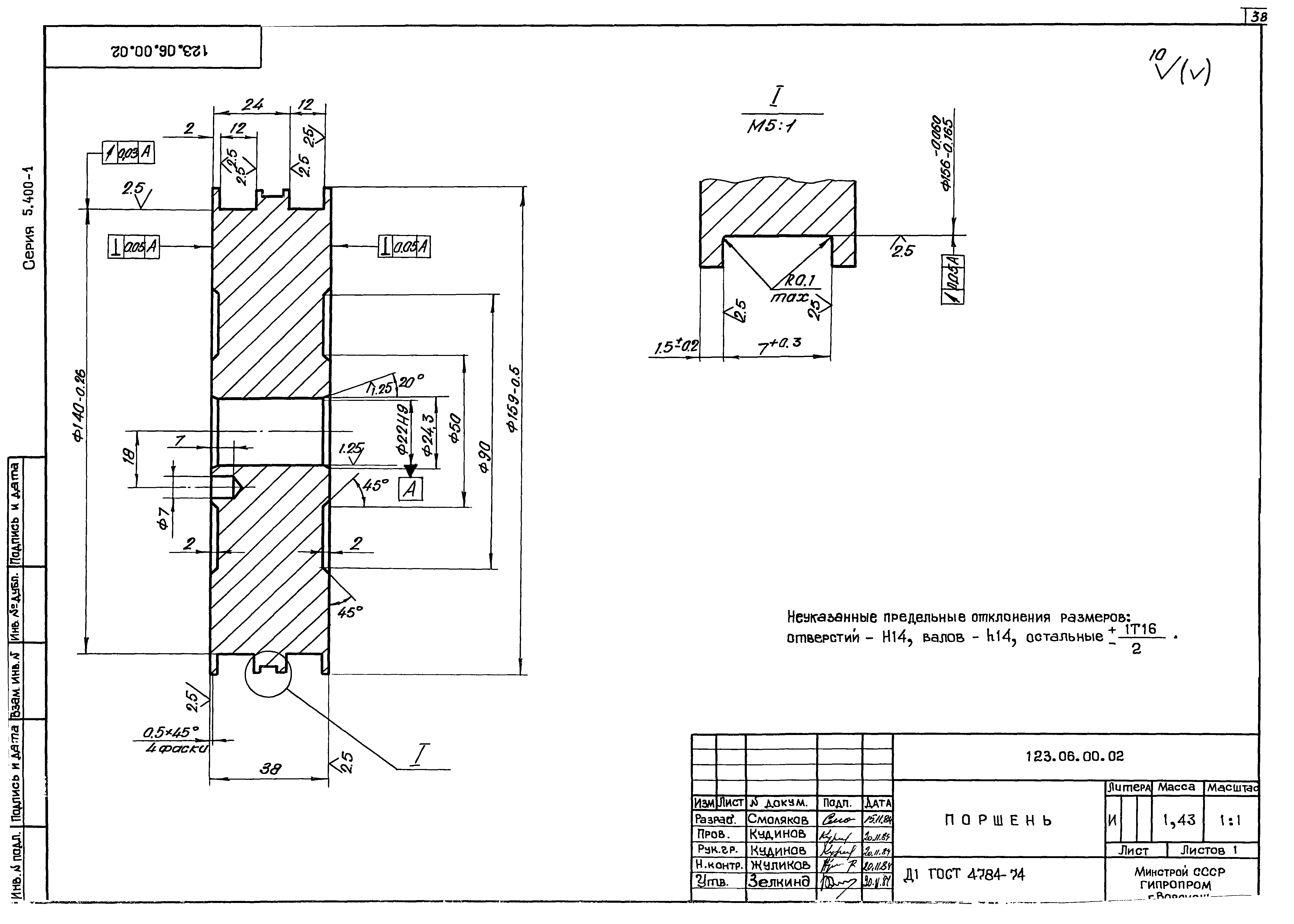
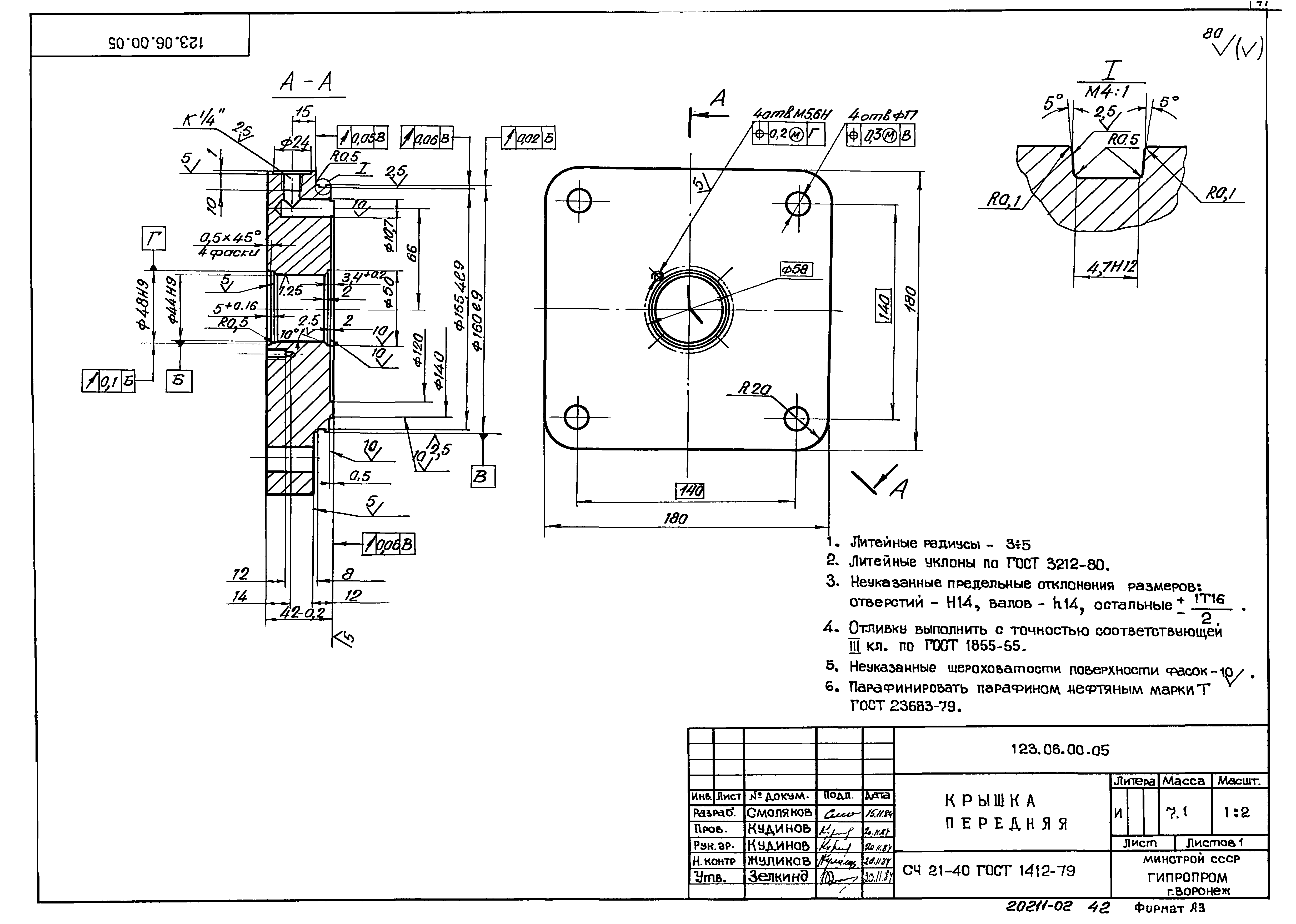
| Оглавление: | 123.00.00.00 ТУ Технические условия 123.00.00.00 ВС Ведомость спецификаций 123.00.00.00 ВП Ведомость покупных изделий 123.00.00.00 Механизм пневмогидравлический для открывания фонарных переплетов 123.00.00.00 СБ Механизм пневмогидравлический для открывания фонарных переплетов 123.00.00.01 Ушко 123.00.00.02 Ушко 123.00.00.03 Вилка 123.00.00.04 Ниппель 123.00.00.05 Ниппель 123.00.00.06 Ушко 123.01.00.00 Вал 123.01.00.00 СБ Вал 123.01.00.01 Опора 123.01.00.02 Рычаг 123.01.00.04 Рычаг 123.02.00.00 Опора 123.02.00.00 СБ Опора 123.02.00.01 Ушко 123.03.00.00 Опора 123.03.00.00 СБ Опора 123.03.00.01 Ушко 123.04.00.00 Тяга 123.04.00.00 СБ Тяга 123.04.00.01 Ушко 123.04.00.02 Гайка 123.04.00.03 Труба 123.04.00.04 Ушко 123.05.00.00 Демпфер 123.05.00.00 СБ Демпфер 123.05.00.01 Пробка 123.05.00.02 Ушко 123.06.00.00 Гидропневмоцилиндр 123.06.00.00 СБ Гидропневмоцилиндр 123.06.00.01 Шток 123.06.00.02 Поршень 123.06.00.03 Крышка 123.06.00.04 Кольцо 123.06.00.05 Крышка передняя 123.06.00.06 Втулка 123.06.00.07 Крышка задняя 123.06.00.08 Гильза 123.06.00.09 Шпилька |
| Разработан: | Гипропром |
| Утверждён: | 29.01.1985 Госстрой СССР (Государственный комитет Совета Министров СССР по делам строительства) (USSR Gosstroy ДП-5) |












































