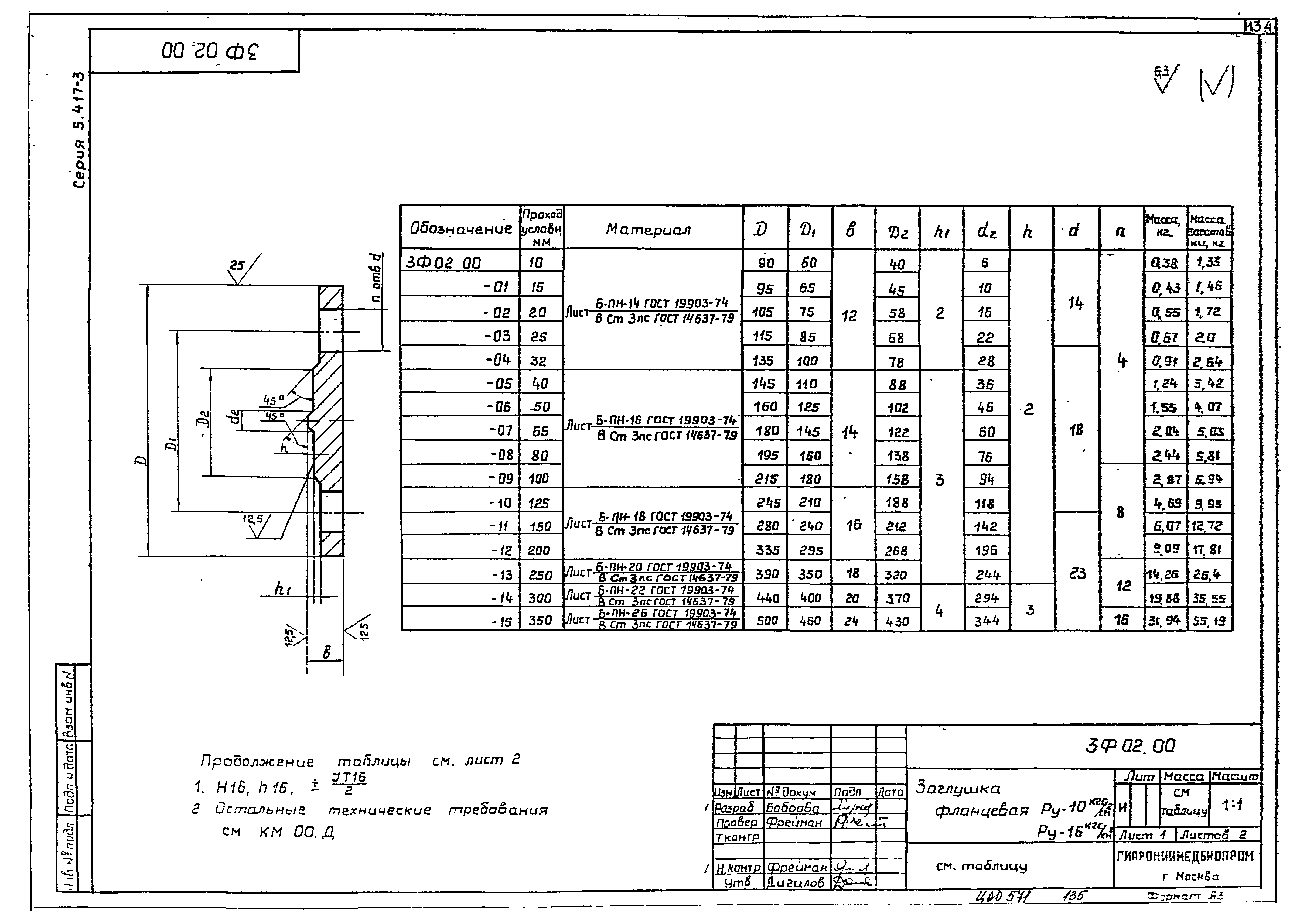
Скачать Серия 5.417-3 Узлы и детали для монтажа технологических трубопроводов предприятий химико-фармацевтической промышленности. Рабочие чертежиДата актуализации: 01.01.2021
|
| Обозначение: | Серия 5.417-3 |
| Обозначение англ: | Series 5.417-3 |
| Статус: | не определен законодательством |
| Название рус.: | Узлы и детали для монтажа технологических трубопроводов предприятий химико-фармацевтической промышленности. Рабочие чертежи |
| Дата добавления в базу: | 01.09.2013 |
| Дата актуализации: | 01.01.2021 |
| Дата введения: | 01.10.1987 |
| Дата окончания срока действия: | 30.06.2003 |
| Разработан: | Гипрониимедбиопром |
| Утверждён: | 26.06.1987 Минмедбиопром СССР (USSR Minmedbioprom 29) |











































































































































