Скачать Серия 7.411-1 Выпуск 1-0.87. Циклоны. Указания по изготовлению и подбору, материалы для проектированияДата актуализации: 01.01.2021
|
| Обозначение: | Серия 7.411-1 |
| Обозначение англ: | Series 7.411-1 |
| Статус: | не определен законодательством |
| Название рус.: | Выпуск 1-0.87. Циклоны. Указания по изготовлению и подбору, материалы для проектирования |
| Дата добавления в базу: | 01.09.2013 |
| Дата актуализации: | 01.01.2021 |
| Дата введения: | 07.09.1987 |
| Дата окончания срока действия: | 30.06.2003 |
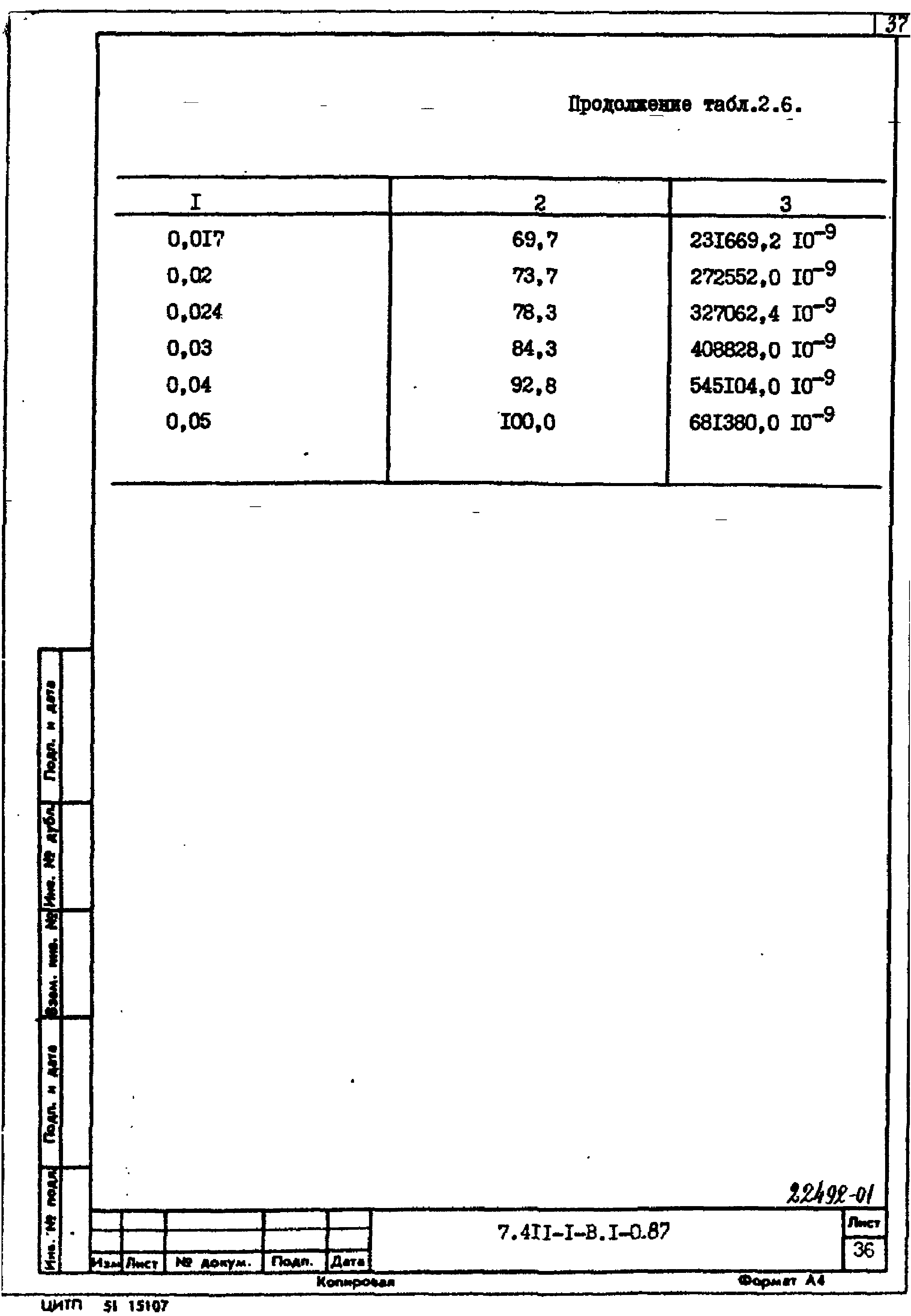
| Оглавление: | 1. Введение 2. Циклоны УЦ 2.1. Общие указания 2.2. Расчет циклонных установок 2.3. Пример расчета 2.4. Ведомости потребности в материалах 3. Циклоны РИСИ 3.1. Общие сведения 3.2. Ведомости потребности в материалах 4. Указания по изготовлению 4.1. Изготовление и приемка 4.2. Маркировка 4.3. Хранение и транспортировка 4.4. Безопасность |
| Разработан: | Гипродревпром Минлеспрома СССР |
| Утверждён: | 07.09.1987 Минлесбумпром СССР (USSR Minlesbumprom ) |






















































































































