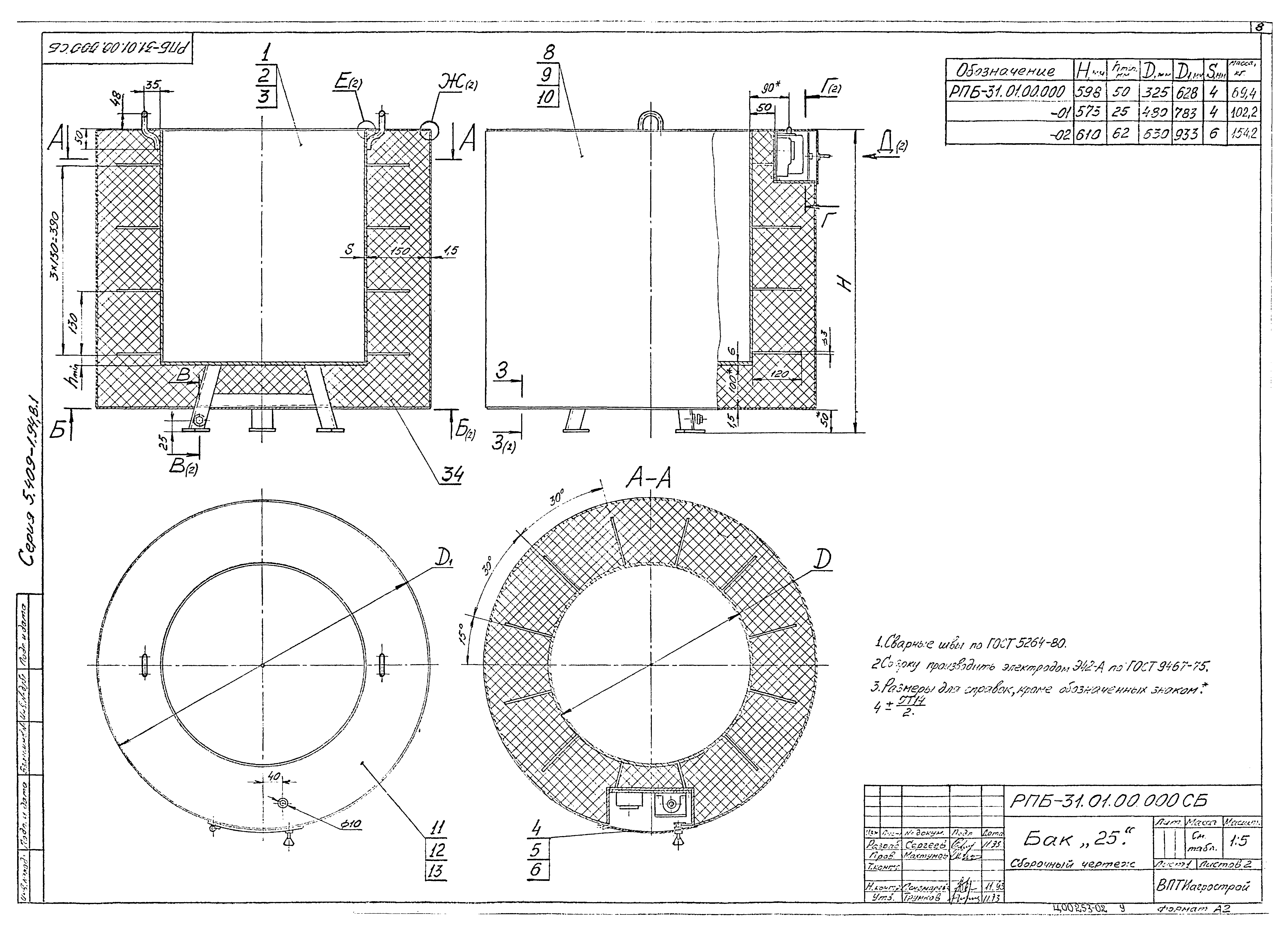
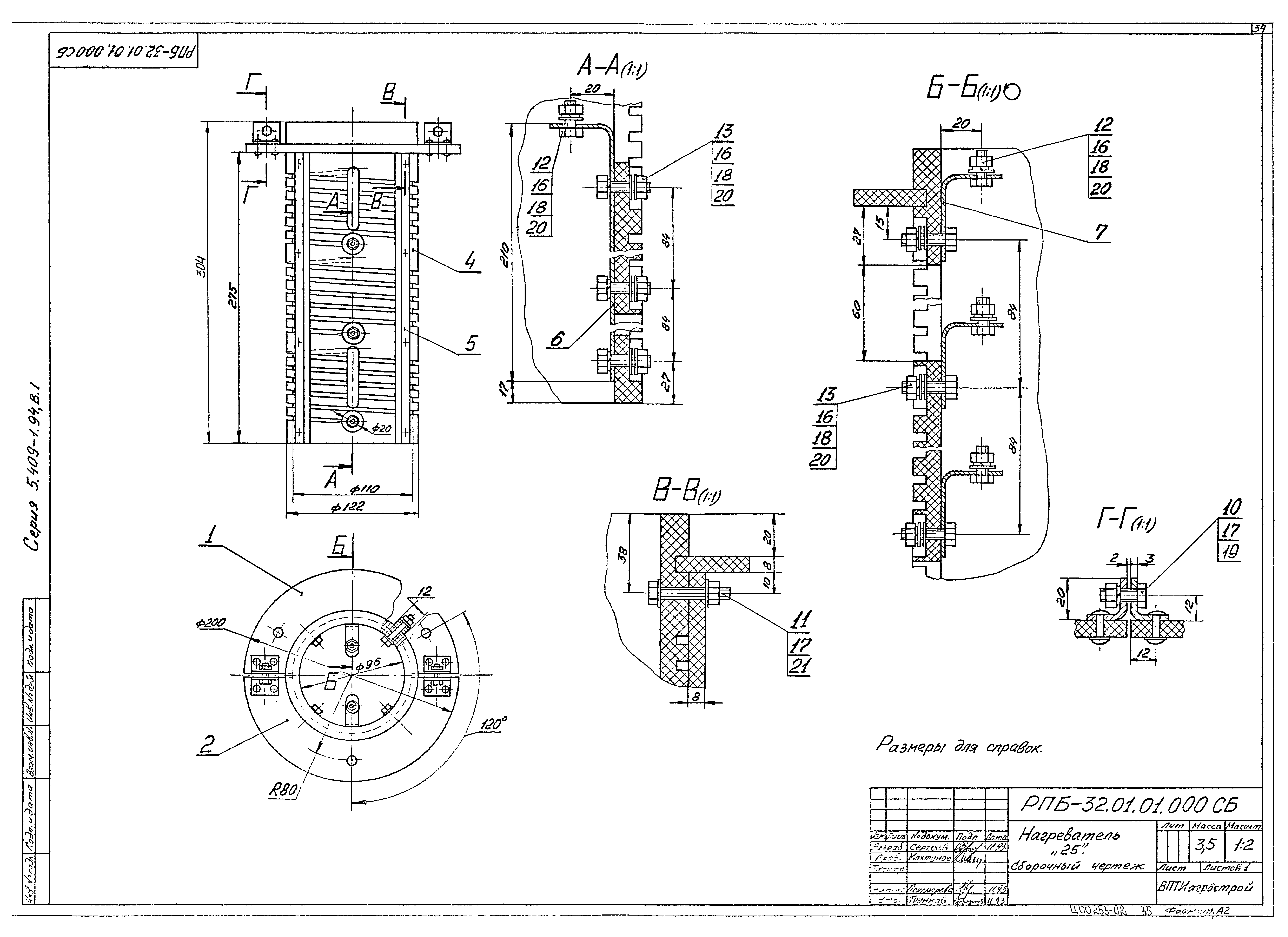
Скачать Серия 5.409-1.94 Выпуск 1. Баки для массы битумов и мастик 25; 50 и 100 кг. Рабочие чертежиДата актуализации: 01.01.2021 Серия 5.409-1.94
Выпуск 1. Баки для массы битумов и мастик 25; 50 и 100 кг. Рабочие чертежи| Обозначение: | Серия 5.409-1.94 | | Обозначение англ: | Series 5.409-1.94 | | Статус: | не определен законодательством | | Название рус.: | Выпуск 1. Баки для массы битумов и мастик 25; 50 и 100 кг. Рабочие чертежи | | Дата добавления в базу: | 01.09.2013 | | Дата актуализации: | 01.01.2021 | | Дата введения: | 01.08.1994 | | Дата окончания срока действия: | 30.06.2003 | | Разработан: | ВПТИагрострой
| | Утверждён: | 13.04.1994 Минсельхоз России (Russian Federation Minselkhoz 6-15/121)
|
                                               
|