Скачать Серия 5.407-87 Выпуск 0. Материалы для проектированияДата актуализации: 01.01.2021
|
| Обозначение: | Серия 5.407-87 |
| Обозначение англ: | Series 5.407-87 |
| Статус: | не определен законодательством |
| Название рус.: | Выпуск 0. Материалы для проектирования |
| Дата добавления в базу: | 01.09.2013 |
| Дата актуализации: | 01.01.2021 |
| Дата введения: | 01.01.1988 |
| Дата окончания срока действия: | 30.06.2003 |
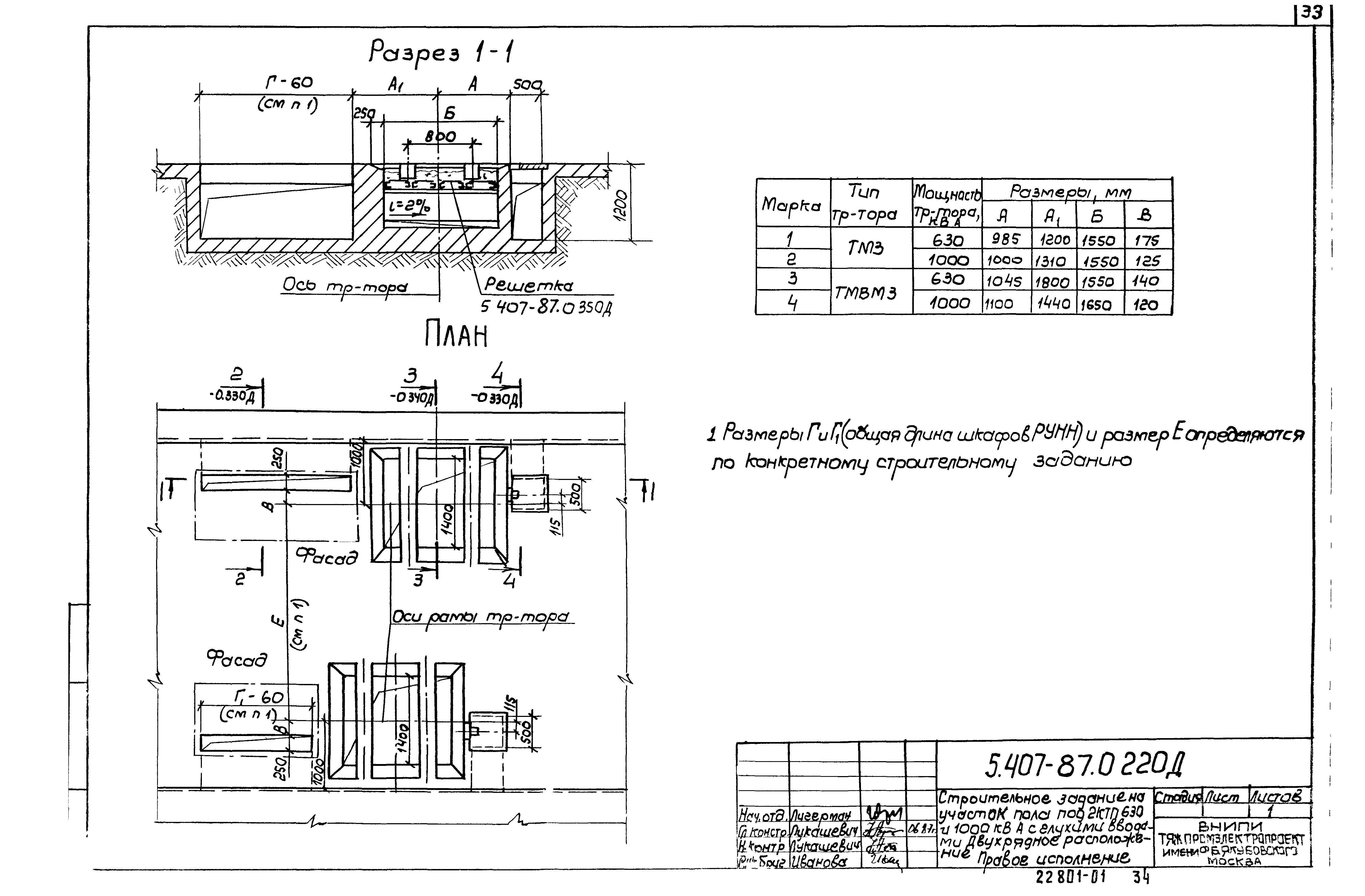
| Оглавление: | 5.407-87.0.ПЗ Пояснительная записка 5.407-87.0.10Г4 КТП-630/10/0,4-84-У3 и КТП-1000/10/0,4-84-У3 с трансформаторами ТМ3. Габаритный чертеж 5.407-87.0.20Г4 КТП-630/10/0,4-84-У3 и КТП-1000/10/0,4-84-У3 с трансформаторами ТМВМ3. Габаритный чертеж 5.407-87.0.30Г4 Узлы. Габаритный чертеж 5.407-87.0.40Д Минимальные размеры приближений при размещении КТП 5.407-87.0.50Д Расположение электрооборудования в помещении подстанции ТП4. Пример 5.407-87.0.60Д Расположение электрооборудования в помещении подстанции ТП9. Пример 5.407-87.0.70Д Строительное задание на подстанцию ТП4. Пример 5.407-87.0.80Д Строительное задание на подстанцию ТП7. Пример 5.407-87.0.90Д Строительное задание на подстанцию ТП9. Пример 5.407-87.0.100ВА Ведомость потребности в изделиях и материалах 5.407-87.0.120ТБ Таблица выбора чертежей строительных заданий 5.407-87.0.130Д Строительное задание на участок пола под КТП 630 и 1000 кВ А со шкафом ввода ШВВ-1У3. Левое исполнение 5.407-87.0.140Д Строительное задание на участок пола под КТП 630 и 1000 кВ А с глухим вводом. Левое исполнение 5.407-87.0.150Д Строительное задание на участок пола под КТП 630 и 1000 кВ А со шкафом ввода ШВВ-1У3. Правое исполнение 5.407-87.0.160Д Строительное задание на участок пола под КТП 630 и 1000 кВ А с глухим вводом. Правое исполнение 5.407-87.0.170Д Строительное задание на участок пола под 2КТП 630 и 1000 кВ А со шкафами ввода ШВВ-1У3. Однорядное расположение 5.407-87.0.180Д Строительное задание на участок пола под 2КТП 630 и 1000 кВ А с глухими вводами. Однорядное расположение 5.407-87.0.190Д Строительное задание на участок пола под 2КТП 630 и 1000 кВ А со шкафами ввода ШВВ-1У3. Двухрядное расположение. Левое исполнение 5.407-87.0.200Д Строительное задание на участок пола под 2КТП 630 и 1000 кВ А с глухими вводами. Двухрядное расположение. Левое исполнение 5.407-87.0.210Д Строительное задание на участок пола под 2КТП 630 и 1000 кВ А со шкафами ввода ШВВ-1У3. Двухрядное расположение. Правое исполнение 5.407-87.0.220Д Строительное задание на участок пола под 2КТП 630 и 1000 кВ А с глухими вводами. Двухрядное расположение. Правое исполнение 5.407-87.0.230Д Строительное задание на участок перекрытия под КТП 630 и 1000 кВ А со шкафом ШВВ-1У3. Левое исполнение 5.407-87.0.240Д Строительное задание на участок перекрытия под КТП 630 и 1000 кВ А с глухим вводом. Левое исполнение 5.407-87.0.250Д Строительное задание на участок перекрытия под КТП 630 и 1000 кВ А со шкафом ШВВ-1У3. Правое исполнение 5.407-87.0.260Д Строительное задание на участок перекрытия под КТП 630 и 1000 кВ А с глухим вводом. Правое исполнение 5.407-87.0.270Д Строительное задание на участок перекрытия под 2КТП 630 и 1000 кВ А со шкафами ввода ШВВ-1У3. Однорядное расположение 5.407-87.0.280Д Строительное задание на участок перекрытия под 2КТП 630 и 1000 кВ А с глухими вводами. Однорядное расположение 5.407-87.0.290Д Строительное задание на участок перекрытия под 2КТП 630 и 1000 кВ А со шкафами ввода ШВВ-1У3. Двухрядное расположение. Левое исполнение 5.407-87.0.300Д Строительное задание на участок перекрытия под 2КТП 630 и 1000 кВ А с глухими вводами. Двухрядное расположение. Левое исполнение 5.407-87.0.310Д Строительное задание на участок перекрытия под 2КТП 630 и 1000 кВ А со шкафами ввода ШВВ-1У3. Двухрядное расположение. Правое исполнение 5.407-87.0.320Д Строительное задание на участок перекрытия под 2КТП 630 и 1000 кВ А с глухими вводами. Двухрядное расположение. Правое исполнение 5.407-87.0.330Д Разрезы 2-2, 4-4, 5-5, 6-6 5.407-87.0.340Д Разрез 3-3 и распределение нагрузок от массы трансформатора 5.407-87.0.350Д Строительное задание на металлические решетки для маслоприемника |
| Разработан: | ВНИПИ Тяжпромэлектропроект им. Ф.Б. Якубовского |
| Утверждён: | 20.11.1987 Минмонтажспецстрой СССР (USSR Minmontazhspetsstroy ) |















































