Скачать Серия 5.407-36 Выпуск 1. Рабочие чертежиДата актуализации: 01.01.2021
|
| Обозначение: | Серия 5.407-36 |
| Обозначение англ: | Series 5.407-36 |
| Статус: | не определен законодательством |
| Название рус.: | Выпуск 1. Рабочие чертежи |
| Дата добавления в базу: | 01.09.2013 |
| Дата актуализации: | 01.01.2021 |
| Дата введения: | 01.01.1983 |
| Дата окончания срока действия: | 30.06.2003 |
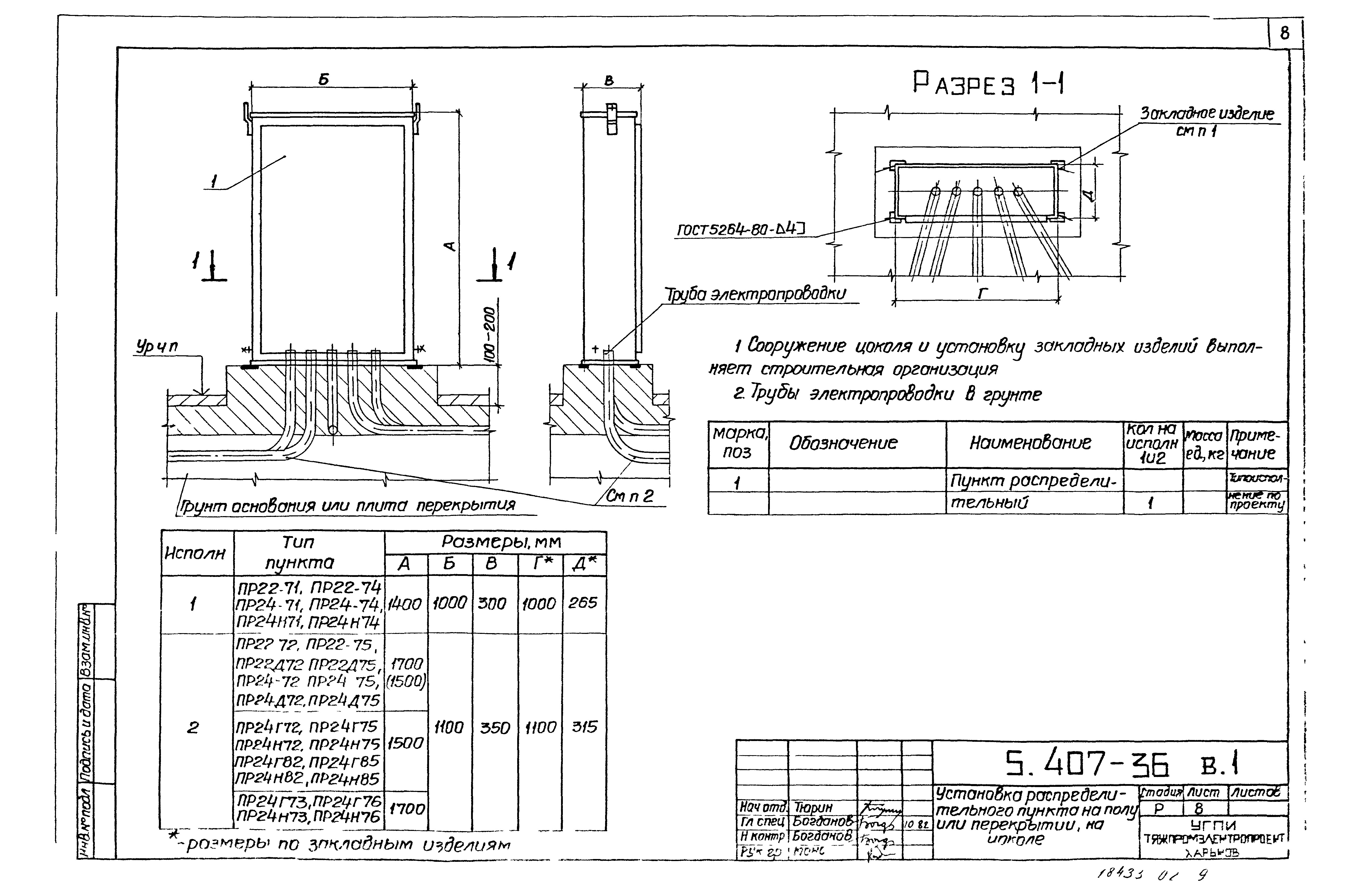
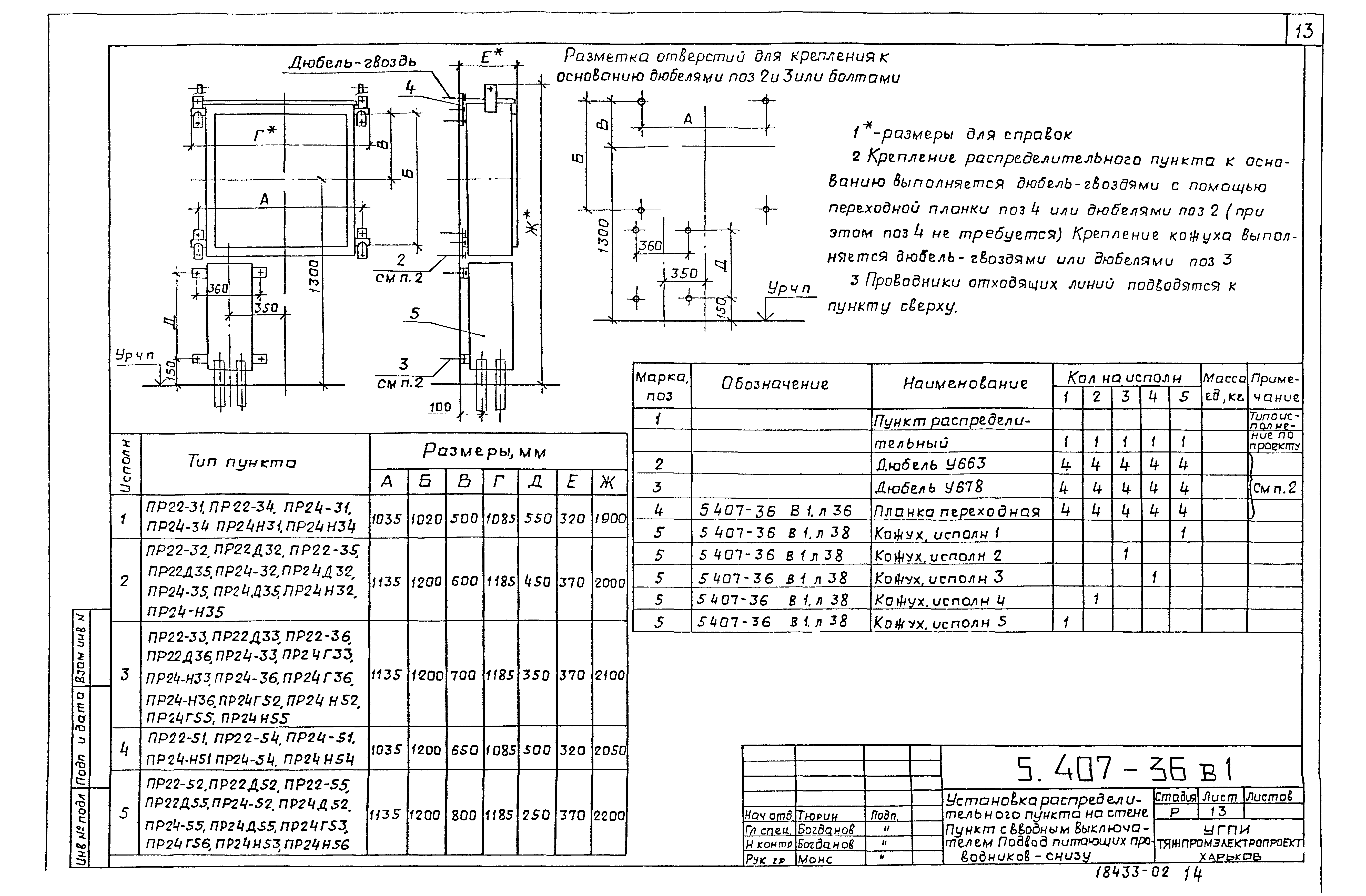
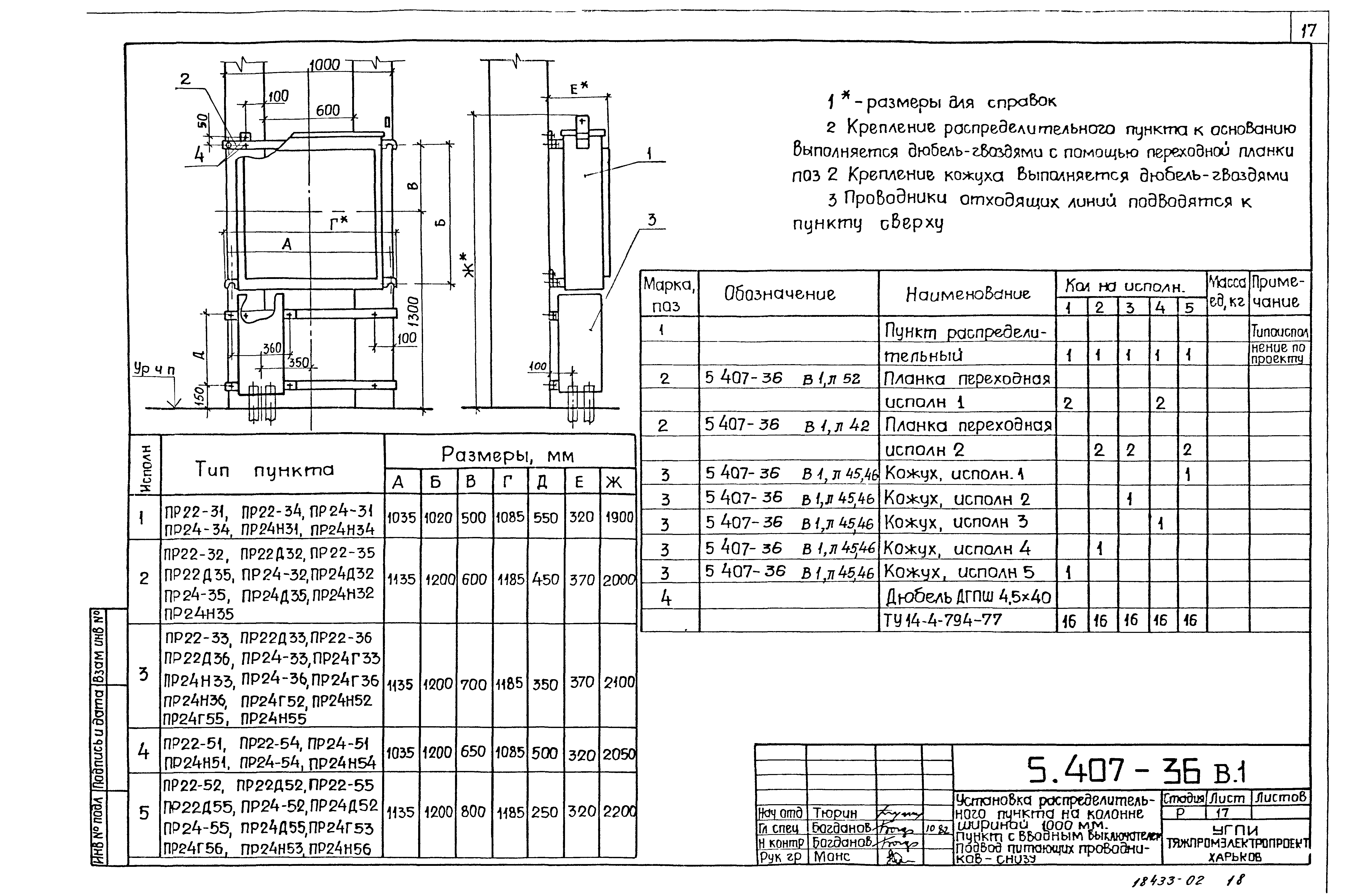
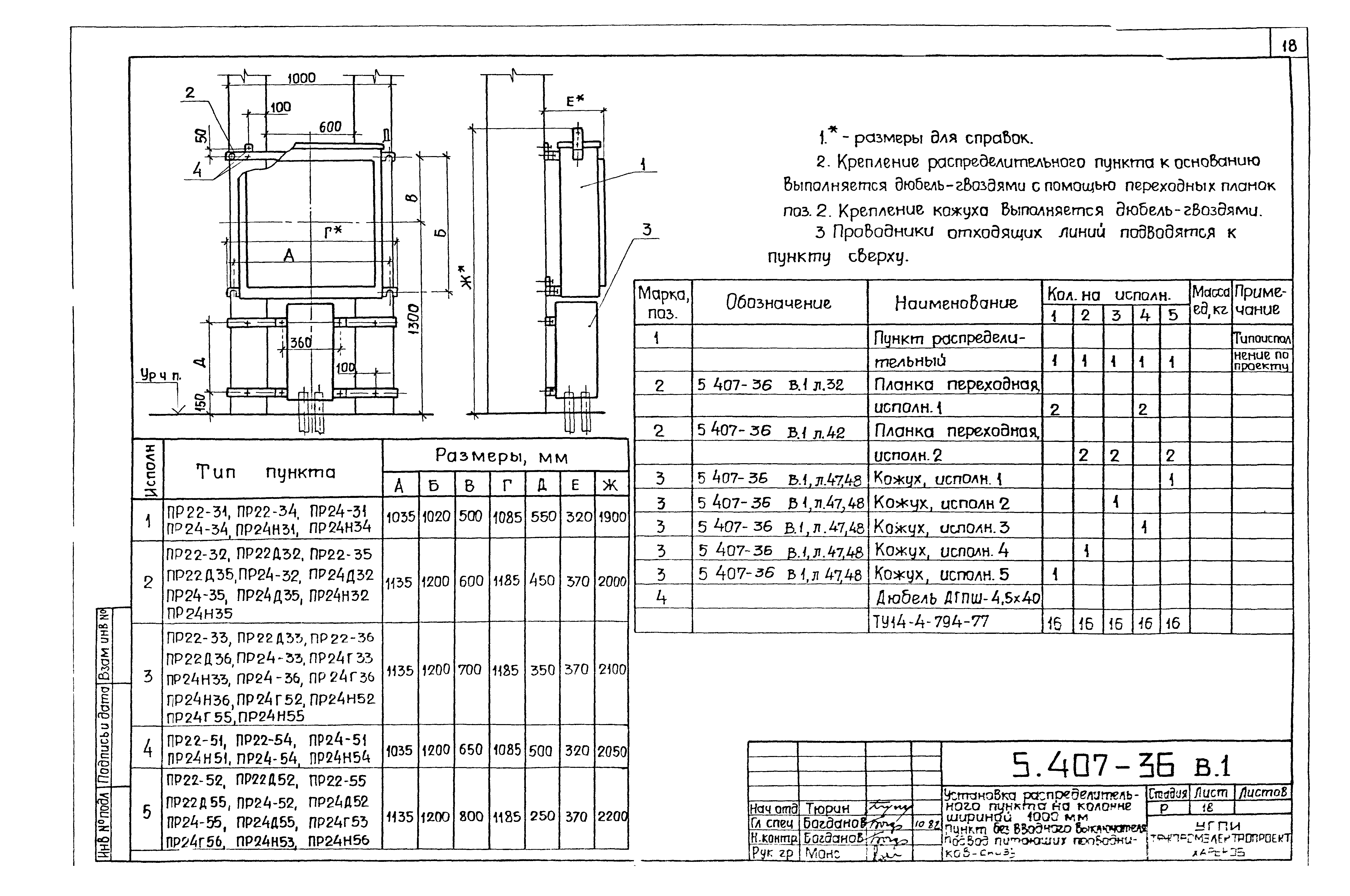
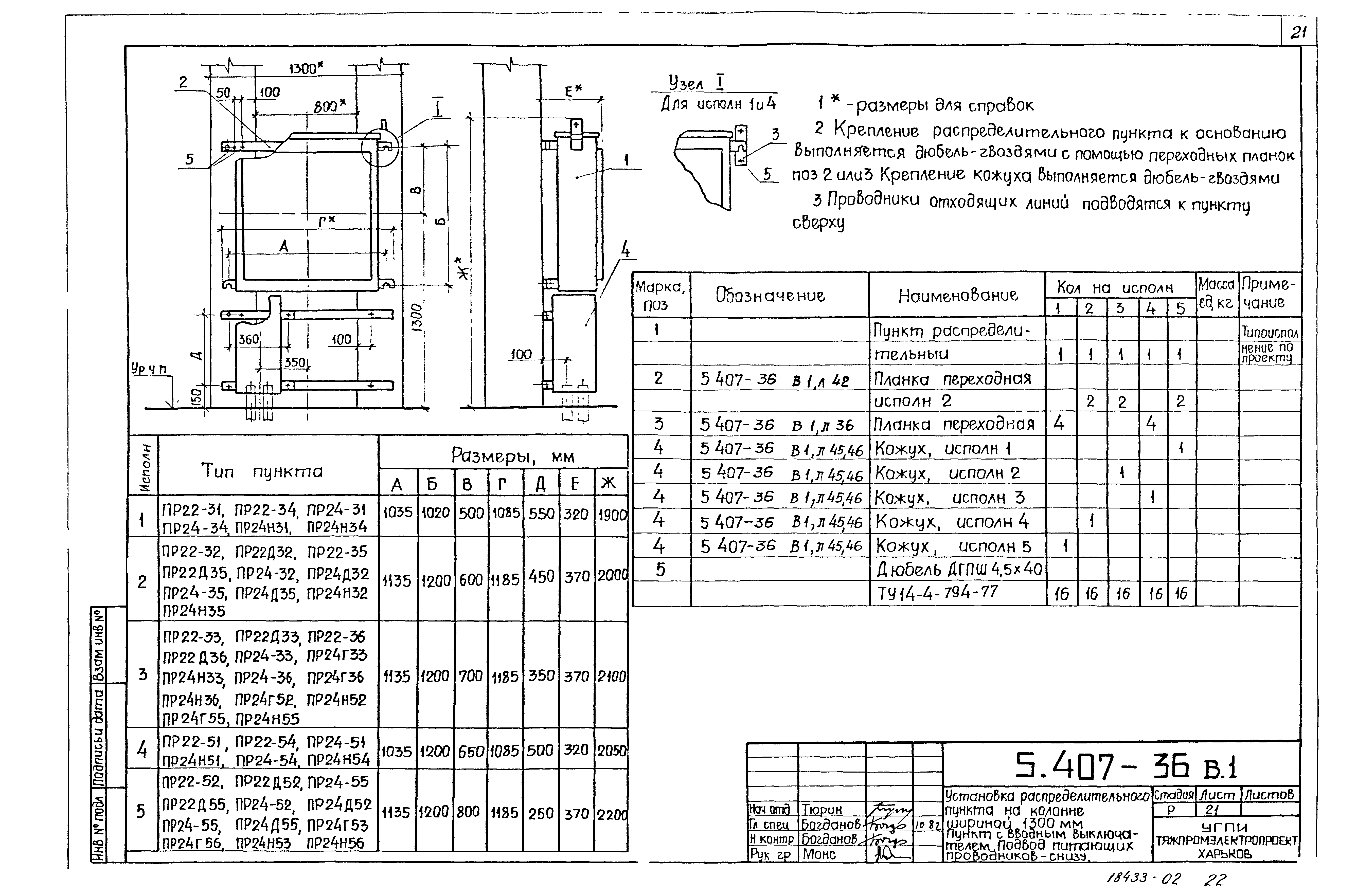
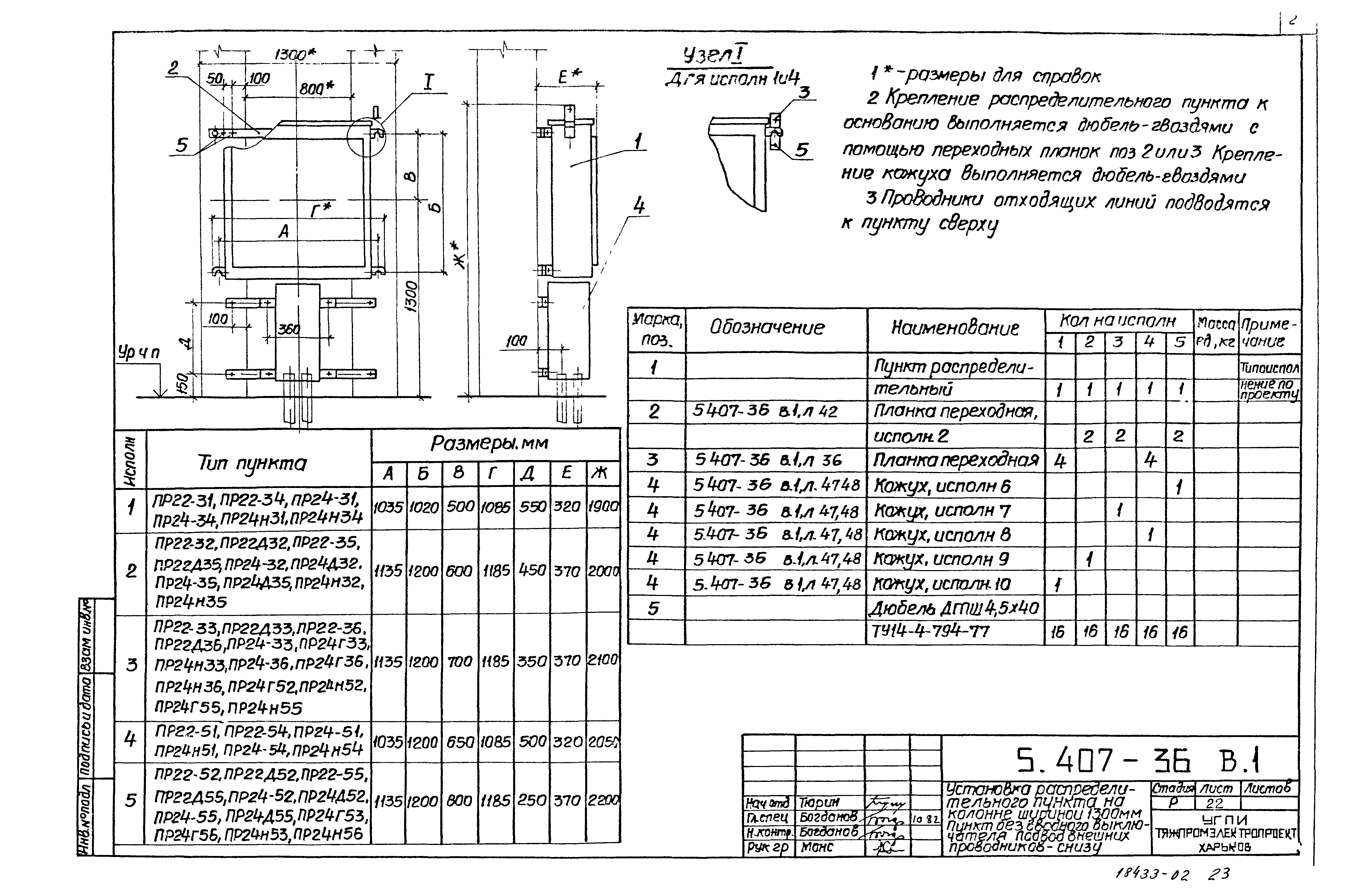
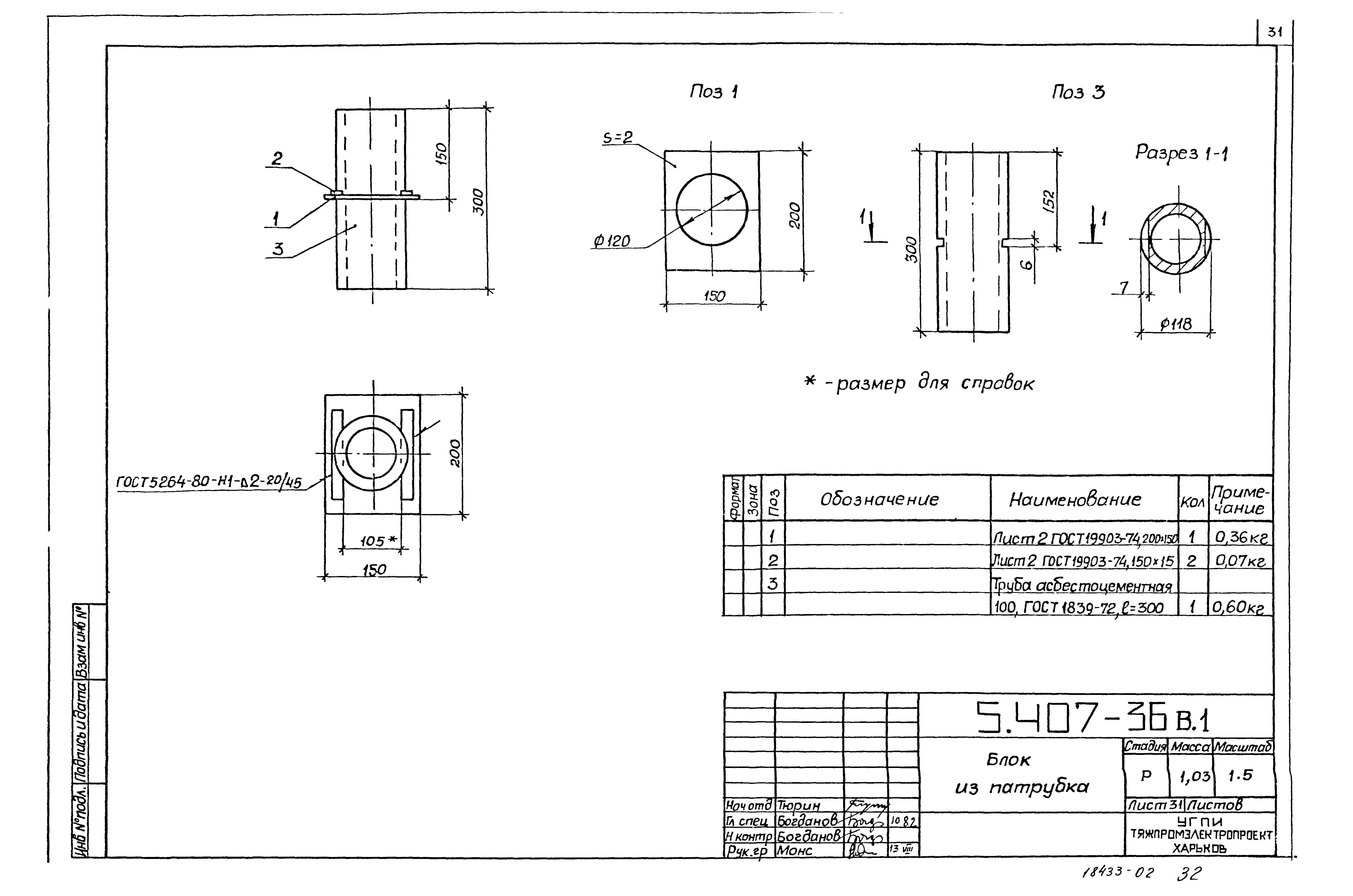
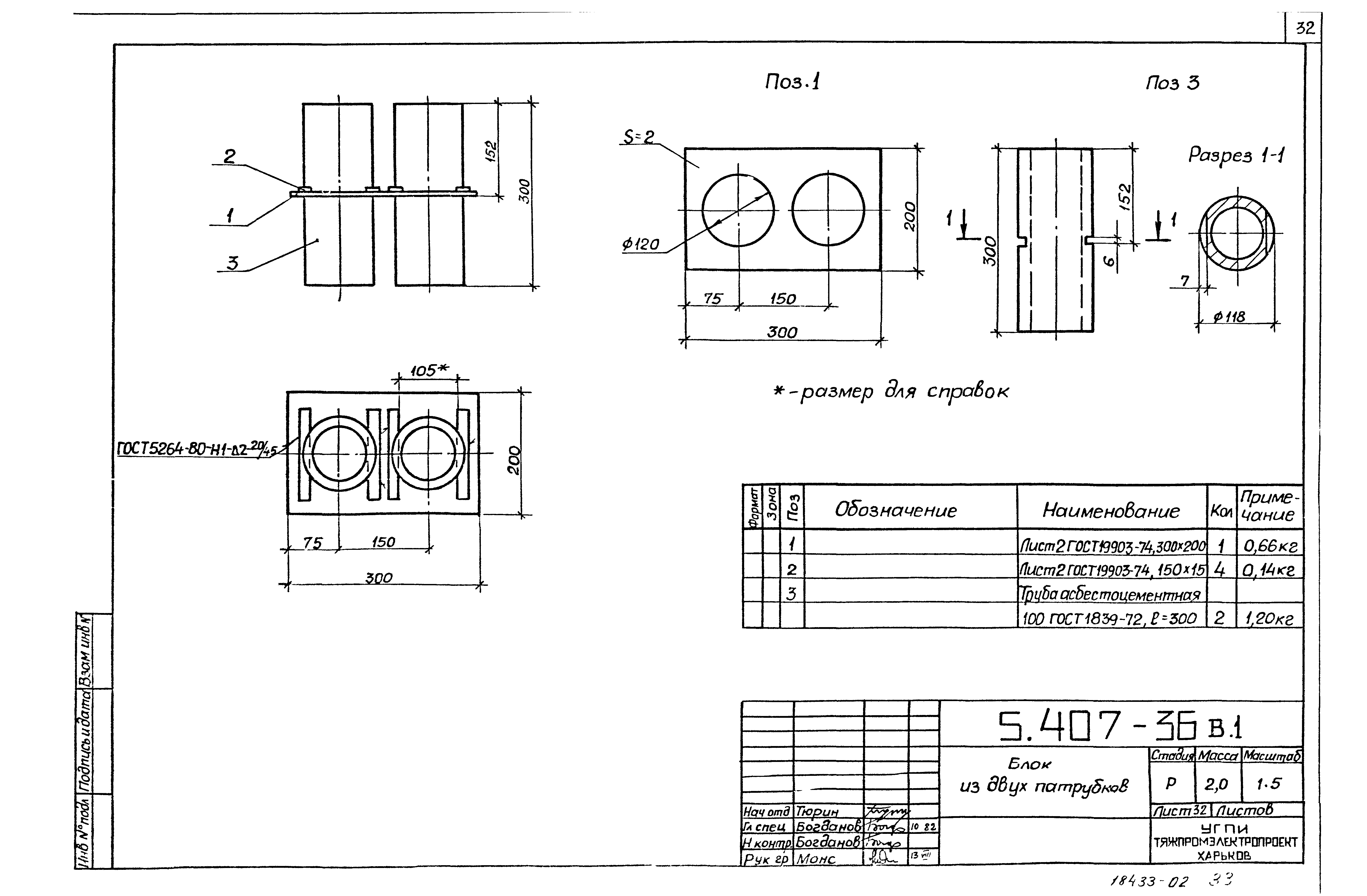
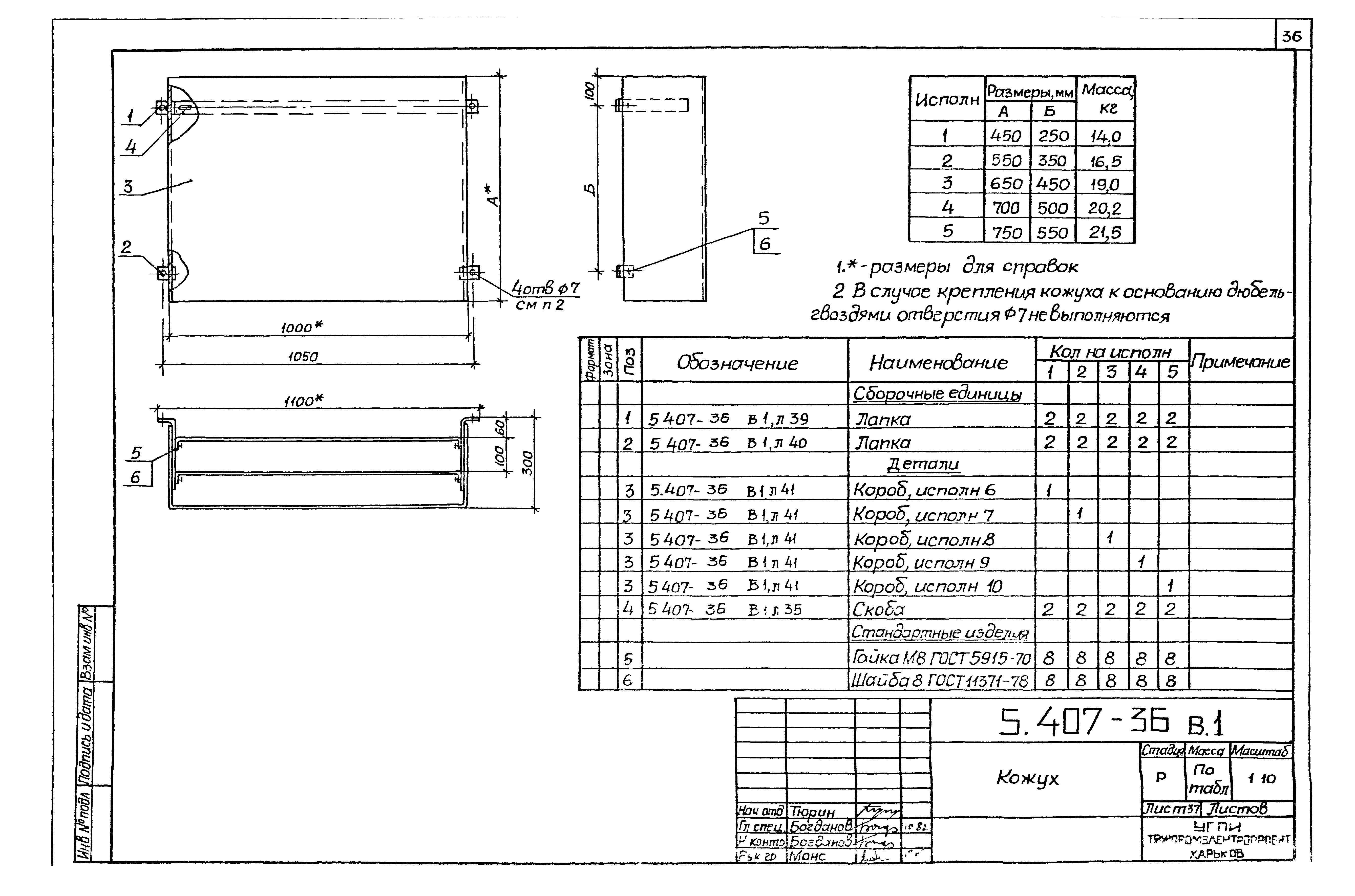
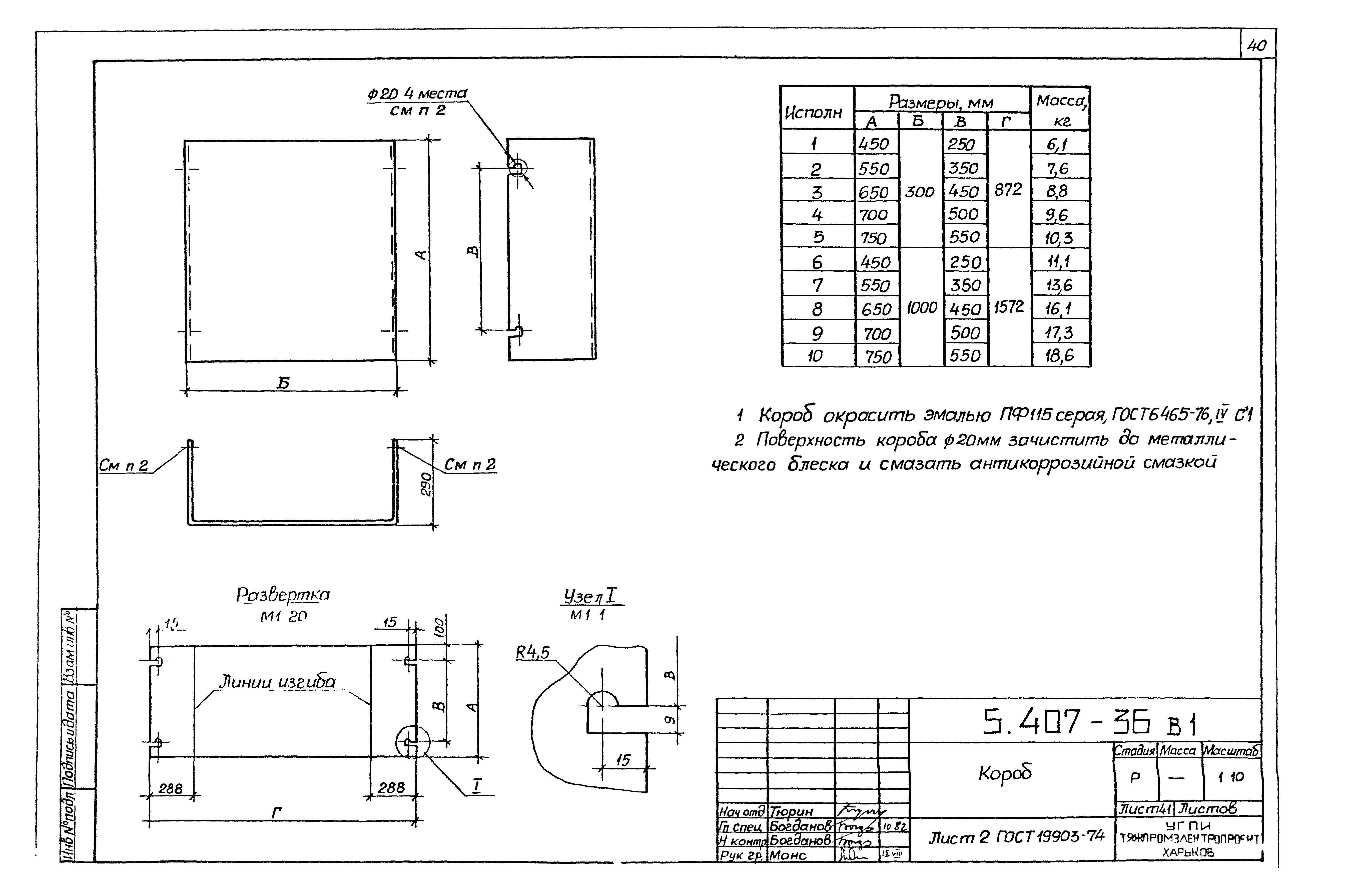
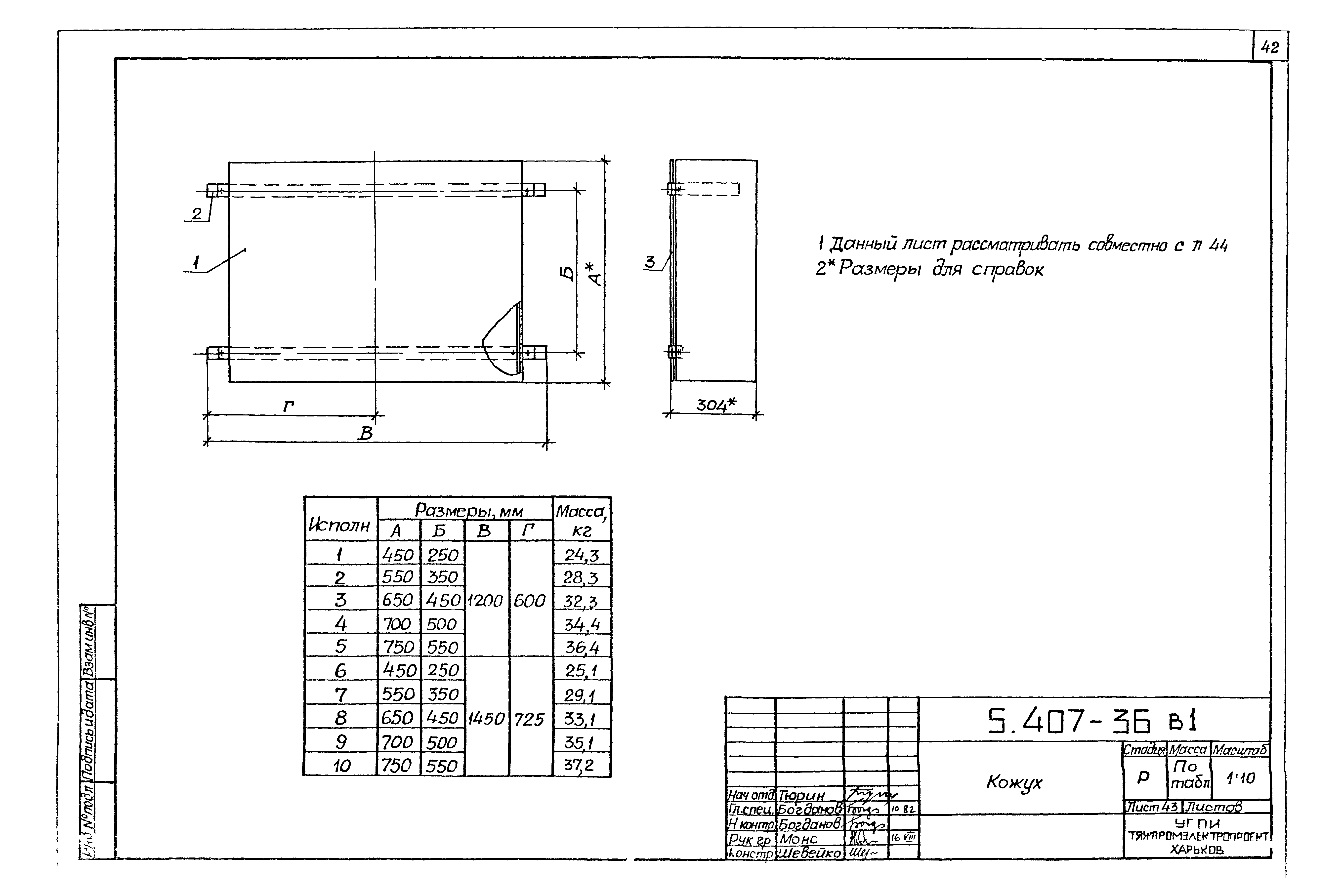
| Оглавление: | Общие указания Установка распределительного пункта на полу или перекрытии Установка распределительного пункта на полу или перекрытии, на цоколе Установка распределительного пункта на перекрытии Установка распределительного пункта на полу с кабельным каналом Установка распределительного пункта на стене. Подвод внешних проводников - сверху Установка распределительного пункта на стене. Подвод внешних проводников - сверху и снизу Установка распределительного пункта на стене. Пункт с вводным выключателем. Подвод питающих проводников - снизу Установка распределительного пункта на стене. Пункт без вводного выключателя. Подвод питающих проводников - снизу Установка распределительного пункта на колонне шириной 1000 мм. Подвод внешних проводников - сверху Установка распределительного пункта на колонне шириной 1000 мм. Подвод внешних проводников - сверху и снизу Установка распределительного пункта на колонне шириной 1000 мм. Пункт с вводным выключателем. Подвод питающих проводников - снизу Установка распределительного пункта на колонне шириной 1000 мм. Пункт без вводного выключателя. Подвод питающих проводников - снизу Установка распределительного пункта на колонне шириной 1300 мм. Подвод внешних проводников - сверху Установка распределительного пункта на колонне шириной 1300 мм. Подвод внешних проводников - сверху и снизу Установка распределительного пункта на колонне шириной 1300 мм. Пункт с вводным выключателем. Подвод питающих проводников - снизу Установка распределительного пункта на колонне шириной 1300 мм. Пункт без вводного выключателя. Подвод питающих проводников - снизу Установка распределительного пункта на колонне шириной 1400 мм. Подвод внешних проводников - сверху Установка распределительного пункта на колонне шириной 1400 мм. Подвод внешних проводников - сверху и снизу Установка распределительного пункта на колонне шириной 1400 мм. Пункт с вводным выключателем. Подвод питающих проводников - сверху и снизу Установка распределительного пункта на колонне шириной 1400 мм. Пункт без вводного выключателя. Подвод питающих проводников - снизу Установка распределительного пункта на колонне шириной 1900 мм. Подвод внешних проводников - сверху Установка распределительного пункта на колонне шириной 1900 мм. Подвод внешних проводников - сверху и снизу Установка распределительного пункта на колонне шириной 1900 мм. Пункт с вводным выключателем. Подвод питающих проводников - снизу Установка распределительного пункта на колонне шириной 1900 мм. Пункт без вводного выключателя. Подвод питающих проводников - снизу Блок из патрубка Блок из двух патрубков Блок из трех патрубков Заглушка Скоба Планка переходная Кожух Лапка Короб Планка переходная Кожух Планка переходная Лист Планка переходная |
| Разработан: | Украинский Тяжпромэлектропроект |
| Утверждён: | 30.11.1982 Минмонтажспецстрой СССР (USSR Minmontazhspetsstroy ) |



















































